Fórum témák
» Több friss téma |
Osszeallt a kf mero oszcillatorom. Jelen pillanatban kapott egy gyari 10,7 megas kf-et, es egy varikap diodat modulalasnak. Ha 10.8 Mhz jelet allitok be 12 Voltnal 10,5 re csokken, 5 voltnal 10.66 Mhz-et merek. Holnap megprobalom modulalni es kimerem vegre ezt az fm detektort! Ezt 22 pf soros kapacitassak teszi , de ennel a pontnal lehet valtoztatni a loketet. 5 voltos 3, 4, es szinusz jelet tud a modulator.
Szenvedek
FLL elesztessel foglalkozom stabilitasi problemak lekuzdesere. 78l05 forditva volt, pic megsult... Elemrol inditottam honapokig nem volt para, minden teszt utan tudtam ujra programozni, persze nem mukodott. Most adtam neki egy kapcsolo uzemu tapot. Nem hiaba, merni amperrel kell, legalabb megvan a hiba pikk pakk Osszeallt az rf resz sajnos nem tudok loketet merni, igazabol ugy tudnek hogy potival megnezem mit csinal alul es felul nevleges jelnel. Vegulis erre gondoltam. Annyit valtozott az ossz terv, hogy az UHR resz az egysavos PLL lesz, kerek 100 Megara TSA1155 el. Holnap a 455-os reszt rakom ossze, szinten majkrem arnyekolassal.
Sziasztok anno megepitettem ezt:
kerdesBővebben: Link Konkluzio: 65 Megaig a szignal aranyaiban olcson, problema nelkul. Azok is el tudjak kesziteni akiknek nincs PIC hez eszkozuk. Az FLL elinult, legalabbis a kijelzo resze mukodik. Jatszok meg vele par napot ugy erzem. .
Sziasztok! Tobb honapos szenvedes zarult vegre le. Nyak hibat talaltam az FLL aramkoromnel. Megy a digitalis resze vegre rendesen. Sajnos egyszer rossz helyre kapott tapot, ami kinyirta a mikroezerlot, aztan az kinyirta a programozot... Nos visszafele megfejtettem a hibakat, es az eszkoz vegre mer frekvenciat es programozni is tudok.
Aki most kapcsolodik be annak leirom, hogy ezzel a kutyuvel ocson stabilizalhato a maszo frekiju oszcillator "hagyomanyos" , es kivalo parameteru szignal epitheto a segitsegevel szinte fillerekbol, ami a szignal reszt illeti. Valoszinu konnyen hasznalhato csoves aramkor stabilitasara is, ami tudvalevoen egyszeruen modulalhato amplitudoban. Nezzetek meg a linket. Bővebben: Link
Sziasztok! Nagyon érdekes és értékes mindaz mit ebben és a műholdas vevővel foglalkozó fórumban olvastam, mondhatom rengeteget tanultam Tőlelek. Pl. sikerült TSA5511-el PLL-t összetenni, saját PIC progival, ha valakinek szüksége van a mikroC-ben írt forrásra, szívesen közzéteszem...
Most jelenleg egy olyan wobblert/szignált szeretnék építeni, ami kb. 100-150 Mhz-es tartományban állandó(!) és egyszerű (1N5711-es RF-probe-val) mérhető(!) kimeneti szintet állít elő. A bemeneti szűrőket, előerősítőket szeretném mérni. Tervem, hogy egy ilyen szignállal meghajtom a négypólusokat, a kimenteti jelszintet egy AD8307-tel felépített detektorral mérem. "Elméleti és kisérleti úton" a csatolt LTspice áramkörig jutottam, ezt szeretném megépíteni. Természetesen a kapcsolásban a C4-vel jelzett - a frekvenciát meghatározó - kondenzátort varicap-pal/dupla varicap-pal kívánom helyettesíteni és azt PLL-lel vezérelni, illetve az LT1001 helyett is "értelmesebb" (érsd olcsóbb) komparátort kívánok alkalmazni (pl. LM311). A szimulációs eredményeket is csatolom, az nagyon meggyőző... Mi a véleményetek, fog ez működni???
Szia! A TSA5511 es aramkorom egy pici picel fogom elvileg meghajtani ami egy savot tud. 99 szazalekos, csak a pic kell. Erdekelne hogyan oldottad meg ezt a dolgot. esetleg ha van kep
![]() A leirt muszered kivalo parameterekkel rendelkezik ranezesre, de meghaladja komplexitasban a lehetosegeimet. Lattam hasonlot keringeni tobbfelet a neten de csak rovidre. Vegulis ez egy URH wobbler lesz nem?
Megemlitenem, hogy letezik NWT-7 (?), NWT-500, utobbibol tobb valtozat is; a 2.3 azt hiszem mar AM, FM modulaciot is tud. Ami meg fontos hogy a PC oldali programot is folyamatosan fejlesztik, sot Linux ala fent van a forraskod is. Tehat fejlesztesre is van lehetoseg.
Én is pici pic-cel oldottam meg (12F675), a vezérlést, mint említettem mikroC-ben írtam és egy PICkit2 klonnal programoztam fel (ezt az ebay-en vettem, remek szerkezet).
A PLL vezérlő progi jelenleg igen primitív, ez is csak 1 frekit tud, de azért csatolom. Megoldandó még, hogy ne csak írni tudjam a TSA-t, hanem olvasni is, számomra itt elég kusza az adatlap. Képet nem tudok csatolni, dugós panelen raktam össze, áramkörileg ugyanaz amit Ti is használtok. A vezérelt oszcillátort LA1186-tal alakítottam ki (manhattan/3d formában), az IC adatlapjában látható módon, de forgó helyett két szembekapcsolt BB405/409???-cel. A jelet szintén az adatlap szerinti mosfet-es megoldással buffereltem (de 2SK241-nel) és a buffer után MB501-el oszottam le (÷129) mérhető tartományba a jelet. Remélem a előzőekben csatolt wobbler rajz hasonlóképp fog működni valahogy...
Szia!
Az NWT500-at nézegettem már én is, de gondoltam egy egszerűbbel kezdenék. Üdv, Péter
Tisztelet köröket akarsz futni vagy használható műszert építeni ???
NWT 500 mást nem kell csinálnod !!! Akkor lesz 1 jól használható rendszered .
Ha csak nem jarsz ugy mint en a 4.48- as freki szorzoval
Hááát igen ...
olvastam róla másik "topikban" ... Nekem össze jött elsőre ... és még a régi első gyártású PCB-s panelekből amik időnként kicsit izé hogyis mondjam némi minőségi hiányoságokkal rendelkztek ... de azóta már jobb minőségben gyártanak más cégnél panelt ...
Sziasztok!
Én még mindíg a zajmérőnél vagyok leragadva .Az egyetlen használható rajz+leírás amit a neten találtam a Dubus 1990/2-3 számában jelent meg DJ9BV tollából. Sajnos elég rossz minőségű a szkennelt irodalom, néhol a rajz is hiányos miatta. Ha találok a BAT31 zajdiódára alternatívát, talán nekiállok a megépítésnek. Annyi még a problémája, hogy 29MHz-en mér. A mérendő frekvenciáról pedig le kell keverni ide a jelet, amit egy szignálgenerátor+DBM párossal gondoltam megoldani.
Sziasztok! En ezt a pici panelt epitem. Ma erkezett meg. Mivel a vezerlese kesz es tesztelve van, gyakorlatilag van egy 60 Mhz-es szignalom, amit VFO nak is lehet hasznalni. Udv Joe
Bővebben: Link
Hello!
Találtam egy viszonylag könnyen elkészithető szignálgenerátort amit ki lehet egésziteni különbözö szolgáltatásokkal.Lehet hogy megérné tovább gondolni. Üdv. http://www.qrz.ru/schemes/contribute/constr/sg900/
Ja. Ilyet én is csináltam, s volt benne egy rádiós tuner is. Analóg módon hangoltam. Egyszerű, s nagyszerű.
Hogy az elején kezdjem
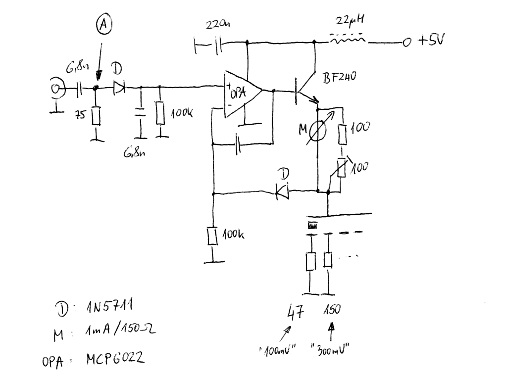
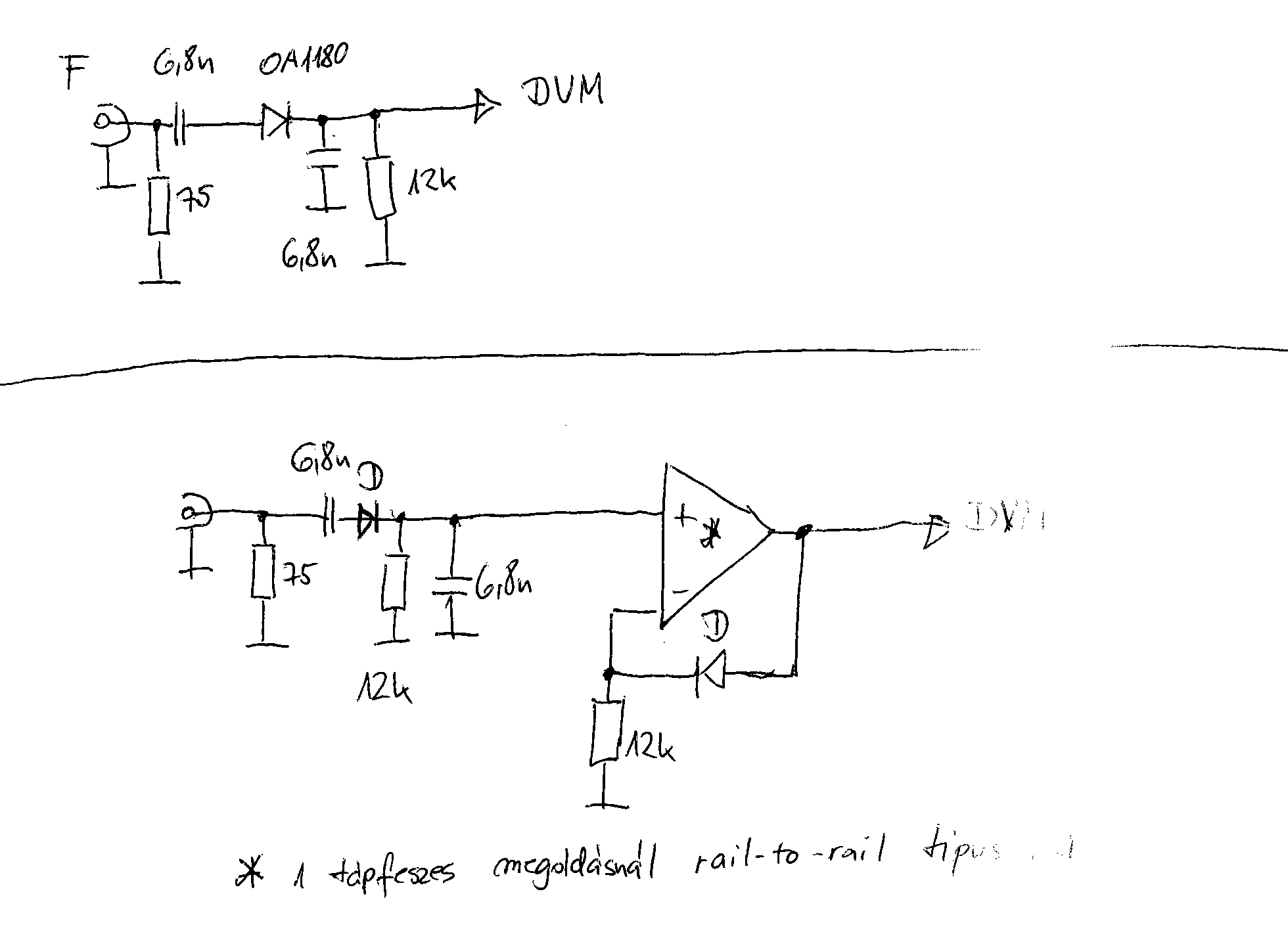
Szeretnék építeni valami használható RF szintmérőt, vagy legalább saccolót, indikátort. A minap egy nyers paneldarabra, légszerelten összedobtam a mellékletben szereplő, roppant primitív felső kapcsolást, a jelforrás egy ilyen jellegű oszcillátor volt. Sajnos valóban OA1180 van az indikátorban, Ge diódából egyelőre csak ilyet tudtam szerezni. Először is azt vettem észre, hogy a műszer kikapcsolt oszcillátornál pár tized mV negatív feszültséget mutat. Végül rájöttem, hogy az üvegtestű dióda az asztali lámpa fényének hatására fotoelemként vilselkedik, tehát fénytől árnyékolni kell, mondjuk teljesen zárt dobozba szerelni. A másik probléma, hogy kis jeleknél a dióda nem nyit ki, így rettenetesen torz a skála alja. Ez nálam úgy jelentkezett, hogy az oszcillátorban lévő tekercs, az aktuális frekvencia és a kicsatoló buffer bemenetén lévő kondenzátor függvényében 3-12mV DC-t mértem az indikátorral, holott egészen biztos, hogy többtíz mV (vagy talán 1-2 száz mV is lehetett) RF jel állt elő. Igaz, hogy az szépen látszott, ahogy sávon belül hangolva az oszcit változik a jel amplitúdója. A skálatorzítás kiküszöbölésére azt találtam ki, hogy az alsó rajzon lévő, műveleti erősítős "kompenzáló" kapcsolást kellene megépíteni, aminek kimenetén elvileg olyan feszültség alakulna ki, mint a bemeneti dióda előtti csúcsfeszültség, már amennyiben a két dióda karkterisztikái megegyeznek. Ha a diódák azonos hőmérsékleten vannak, akkor ráadásul a hőfokfüggés is jelentősen csökkenne. Lenne pár kérdésem a dologgal kapcsolatban: 1. Érdemes-e valami jobb, nem egyenirányításra, hanem jeldiódának szánt Ge dióda után, egyáltalán érdemes-e Ge-ra törekedni? 2. Si Schottky diódák (pl. 1N5711, ezt lehet is kapni) mennyire jók ilyen helyre? Esetleg érdemes-e RF kapcsolódiódákkal kísérletezni (pl. BA283-ból van egy jópár). 3. Jól emlékszem-e, hogy az egészen kicsi jeleknél a Ge dióda sokkal "hajlékonyabb" karakterisztikája még mindig jobb eredményt ad, mint a Si diódák határozottabb egyenirányítása? 4. A vázolt kompenzáló megoldás működőképes lehet-e, érdemes-e ilyennel kísérletezni? 5. Van-e valamilyen módszer arra, hogy egy ilyen indikátort legalább hozzávetőlegesen be tudjon az ember otthon skálázni amplitúdóra? A feltételek adottak: semmiféle RF műszer nem áll rendelkezésre, maximum egy 10MHz-ig használható analóg szkóp és viszonylag pontos DVM-ek (digitális frekvenciamérés megoldható akár 100MHz-es tartományban is).
Kezdjük ott, hogy a kapcsolás amivel kisérletezel nem igazán szerencsés, mert a diódával sorban van a kondenzátor és igy egyenáramúlag nincs zárt áramkör... Az OA1180 egyébként megfelel erre a célra, csak kicsit másként használva: Bővebben: Link
Látod, most elbizonytalanítottál, hogy a 75 ohm nem a bemenő kondi másik oldalán van-e. Ezt csak este tudom ellenőrizni, mert most nincs előttem a cucc.
Szerk.: már csak azért is ott kell lennie, mert így nem tudtam volna a fény hatására keletkező feszültséget sem mérni...
Igaza van Gafly -nak, a nagyfrekis mérőfejekben is ez az egyszerű kapcsolás van. Az OA 1180 helyett inkább OA1160 at javasolnék, ezzel valamivel érzékenyebb lesz. A kapcsolásod is jó lehet, ha a lezáró ellenállás elé teszed a kondenzátort. (amúgy sem egyenáramú szempontból kell lezárni)
Manapság pedig Shottky diódát használnak mint például itt is. Jó kis adatlap, érdemes tanulmányorni. A hitelesítést (kalibrálást) pedig sajna csak hitelesnek elfogadott RF generátorral lehet megejteni, esetleg a csatoló kondi lezáró ellenállás által meghatározott fellüláteresztő szűrő törésponti frekvenciája feletti, de alacsonyabb, más műszerrel mérhető frekvencián.
Egy ilyen elrendezésben megépített detektornál mondjuk a 8-10MHz környékén mutatott értékekhez képest mit fogunk látni 100 vagy mondjuk 300MHz-en? Mert a 8-10MHz-es "kalibrálás" talán megoldható a 10MHz-es szkóppal, egy erre a frekire épített oszcillátorral és a 75 ohm-os tekerős csillapítóval.
Nem tudom, csak okoskodok.
Egyrészről viszonylag "nem nehéz" építeni olyan generátort, aminek a kimenőszintje (teljesítménye) széles frekvenciatartományban állandó. A kimenőjel egyenirányításából és egy állandó egyenszint különbségéből képzett hibajellel vezérelve a végfok erősítését, mondjuk 1 - 10 - 100 MHz en. Ha a kimenőjel állandó, akkor elég a kalibrálást a legalacsonyabb frekvencián elvégezni. (szerintem, de nem akarok a Te forrásaiddal garázdálkodni) Másrészt ki is lehet akár számolni az egyenirányító dolgait. Ha elég nagy a bemeneti, (mérendő) feszültség, akkor a bemeneten mindjárt van egy terhelt osztó a csatoló kondi impedanciájával, (ami frekvencia függö) és a lezáró ellenállással, ami terhelve van az egyenirányító dinamikus ellenállásával. A baj az, hogy ezt nem ismerjük, (gondolom, ezt a dióda nyitókarakterisztikájának kezdeti görbületének érintő meredekségéből lehetne valamelyest meghatározni), és általában egy konverziós tényező formájában vesszük figyelembe. A jó benne, hogy egy kiskapacitású dióda esetén ez nem igazán frekvencia függő. Ezért jó választás a shottky dióda. A konverziós tényezőre jól lehet következtetni, az előző hozzászólásomban csatolt linken szereplő adatlapból származó adatokból. Mivel az egyenirányító gyakorlatilag csúcsegyenirányító. mert a terhelés Mohm nagyságrendű, a kis folyási szög miatt lineárisnak kellene lennie, természetesen egy bizonyos szint felett. Az elméleti megfontolásokat pedig lehetne ellenőrizni, a fix kimenőfeszültségű generátorral, és 3, 6, 10 dB csillapítású fix csillapítókkal.
Találtam valamit. Zero bias schottky dioda.
Sikerült vennem a héten Schottky jeldiódát, ma megépítettem a mellékelt kapcsolást, egyelőre még csak levegőben. Úgy tűnik, hogy teszi a dolgát, szerintem mindenképpen érdemes lenne valami rendes külsőt is adni neki.
Az áramkört az "A" ponton egyenfeszültséggel gerjesztve 20mV alatt lehet látni egy kis torzítást a mutatós műszer kitérésén, de afelett szépen, lineárisan működik. A műszeren egy még korábban hangfrekis mérésekhez gyártott skála van, egy 10-es és egy 3.16-os lineáris, valamint a 77.5 pontohoz igazított dB skálával. Ezek miatt az adottságok miatt az "A" pontra adott DC-vel állítottam be, jelenleg két ellenállás van beépítve, így 100mV és 300mV végkitérésű méréshatáraim vannak. Persze tudni kell, hogy ez pozitív (félhullámú) csúcsérték. A múlkor összerakott, 160-280MHz között változtatható tesztoszcillátor kimenetét a műszerre téve frekvenciától függően 45 és 150mV közötti értékeket mutat, hullámzik az amplutúdó sávon belül. A diódák helyére próbáltam az OA1180-akat, azokkal is ugyanígy viselkedik, viszont kisebb értékeket mutat. Valószínűleg ezen a frekvencián az 1N5711 sokkal jobban viselkedik.
Hello, én ezt a kapcsolást építettem meg, de a diódák helyett én is a Schottky BAT48-cat használtam. Ám valami HP-xx hot-carrier előnyösebb volna...Még nem teszteltem, mert lesz még a dobozban más is.
Az látszik, hogy nem mindegy a dióda típusa, mert alapvetően ettől függ az áramkör érzékenysége. (induló feszültsége) Szerintem ebből a szempontból mindegy hogy egy vagy két dióda van, nyiván a küszöbfeszültség után nagyobb jelet szolgáltat, de ezt erősítéssel pótolni lehet.
Én azt gondolom, hogy inkább a dióda utáni RC tagra kellene koncentrálni, hogy a kondi minél kevésbé legyen terhelve, hogy csúcsra tudjon töltődni. Ilyenkor a diódán folyó áramnak igen kicsi a folyási szöge, és a kezdeti szakasz lineárisabb lesz. Szerintem. Ezt láttam a profi kapcsolásokban is, hogy az áramkör terhelése (az erősítő, műszer bemeneti impedanciája) egy soros 1 Mohm -os ellenállás után jön. Ez látszik a Radiall detektorában is. Nem világos, a bemeneti párhuzamos 2 db 100 nF kondi szerepe, pláne hogy nem utánna van a kiértékű lezáró ellenállás. milyen alsó határfrekire építed?
A két kondival csak azt akartam jelölni, hogy kisérletezés végett több értékű csatolókondit ki lehessen próbálni, netán átkapcsolható is legyen, igy az alsó határfreki még kérdéses. Az IC 5-ös lábán levő osztót is még módosítani kellene, túl nagy az árama szerintem. De Te is erre reflektáltál. (?)
Igen, arra is, szilva kapcsolásában eleve benne van egy 100 k terhelő ellenállás, nálad az erősítő bemeneti ellenállása. Ez kritikus, az említettek miatt. Ha a dióda - kondi után egy soros 1 Mohm jön (és utánna egy hosszabb koax mint mérővezeték az ő kapacitásával), már a csúcsegyenirányító terhelése elég kicsi, valószínűleg az egyenirányított jel is, ezért ide nagy erősítésű, nagy bemenőimpedanciájú fokozat kell. Ha csak szintet kell mérni (indikálni), akkor rendben is van, de pl wobbler üzemnél számolni kell a jelváltozási sebességgel is, akkor már nem biztos hogy ez járható út, illetve nehezebben. Akkor jöhet az ADxxx teljesítménymérő áramkörei, amelyek közt van log kimenetű is.
|
Bejelentkezés
Hirdetés |




FLL elesztessel foglalkozom stabilitasi problemak lekuzdesere.


olvastam róla másik "topikban" ...
.








