Fórum témák
» Több friss téma |
Fórum » Szabályozható szimmetrikus tápegység
Hali
Csinald meg es utana rajossz hogy nem jo. 1. Tobb alkatresz, 2. nem lehet 0 V-ig leszabalyozni. Amit en rajzoltam (mivel kettos taprol van szo) nem bonyolult csinalni 2 segedtapot. A LM317-be bele van epitve a zaramkorlat, 0-25V kimenofeszt egy potival lehet szabalyozni. Csak meg kell csinalni a negativ agat es kesz. Tudom Te azt szeretned, hogy mi mindent megtervezzunk utana Te felteglaval vered a melled, hogy milye nagy csoka vagyok, mert csinaltam egy kozonseges kettos tapegyseget. De ez volt az utolso hozzaszolasom ebben a temaban. Vili
Kedves vilosd
Először is szeretném elnézésedet kérni, és mivel te vagy az eggyetlen aki tudna rendesen segíteni ezért szeretném ha továbbra is segítenél Amúgy nem szokásom verni a mellem meg amúgy is ha valaki végig olvassa a topikot rájön hogy nem én voltam az 'agy'![]() Szeretném megkérdezni, hogy a negatív ágat hogykéne megcsinálni?
Sziasztok!
Van ez a táp, teljesen jól működik, állítható feszültség és fix áramkorlát. Bővebben: Link Ha megépítem lm 337-el és pnp tranzosztorral, akkor működnie kell negatív szabályzáshoz is, de hogy tudnám összehozni egy középmegcsapolásos trafóval a kettőt, hogy szimmetrikus tápfeszültséget szolgáltassanak?
A trafó középkivezetése lesz a '0' pont és a negatív szabályzást a '0'-hoz és a negatív ágba kötöd (a szabi pozitív pontja a '0'-ra megy). A pozitív szabályozást pedig szintén a '0'-ra és a pozitív pontra kötöd (itt pedig értelem szerűen a szabi negatív pontját kötöd a '0'-ra.
Remélem érthető, és a lábkiosztásra figyelj, mert nem ugyan az a 2 IC-nek
Szia!
Ez így nem működik, mert a negatív ágban van az áramfigyelő sönt. Csak akkor tudja így megoldani, ha két független szekunder tekercse van.
Hát köszi a választ. Én is ettől tartottam, de gondoltam hátha el lehet kerülni valahogy. A videó trafót macerás szétbontani..úgyhogy akkor erősítő lesz
Esetleg tehetnél fel fotót a trafóról, hátha úgy többet tudunk segiteni
Inkább elmondom. Nyákba ültethető trafó 25-30W-os, kívűl lemez burkolat, réz szalag árnyékolás a csévén. van egy középmegcsapolás, 2 szál huzallal, 2x14 V-os kivezetés, 2-2 szál huzallal tekerve, és 2x19v 1-1 szimpla huzallal, a a 14 és a 19 V os tekercsek kapcsolatba vannak, nem külön tekercsek.
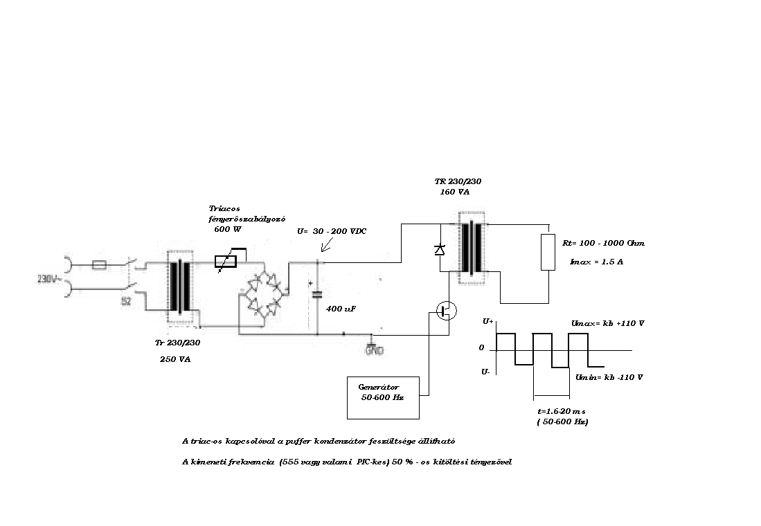
Nem teljesen ide tartozó téma, de rokonsága talán indokolja, hogy itt vetem fel.
Szimmetrikus táp, de impulzus kimenettel. A mellékelt rajz szerint Proteus-szal szimulálva működik. A feszültséget és a frekvenciát kell tudni állítanom. Ha valaki foglalkozott ilyennel, szívesen konzultálnék tapasztalatainkról. A transzformátorok négyszögjeles vezérlésében vannak erős hiányosságaim. ( tudom, az ellenütemű meghajtás jobb lenne, de nem sikerült szimuláltatnom)
Hali!
Esetleg nincs valakinek valami működő kapcsolása amit szivesen megosztana?
Szia!
Sztereó potméteres jó lesz? Bővebben: Link
Köszi a gyors válaszokat
Esetleg olyat nem ismertek ami levihető 0V-ig és nem stabIC-s hanem tranyós? Az első oldalon írta valaki arra kíváncsi lennék
Van, de az már a labortápegységes topikba tartozik, ha legalább az LM317 minőségét vesszük alapul.
Értem és az a kapcsolás ott megis található? Illetve az miért tartozik oda?
esetleg egy képet is tudnál feltölteni vagy linkelni?
Itt van pl. egy: Bővebben: Link, Vagy: Bővebben: Link
Etz megépíted kétszer, és kész a szimmetrikus táp. Azért tartozik oda, mert ahhoz, hogy tranzisztorral elérj hasonló paramétereket, mint az LM317-el bonyolultabb áramkör szükséges. Ráadásul a neked szükséges paraméterek is(pl. nulláig leszabályozni) szükségessé teszik a komolyabb áramkör építését. Ez lehet tisztán tranzisztoros, vagy pár darab OPA plusz teljesítmény-félvezetők, de ezek túlmutatnak egy egyszerű táp keretein. Az egyszerűségnél maradva, egy LM317-LM337-el felépített szimmetrikus tápot is le lehet szabályozni nulláig egy kis trükkel.
Helósztok. valaki tudna nekem segíteni? 0-12v ig szabályozható tápra lenne szükségem. egészen kis áramokhoz, de a lényeg hogy 0v-tól és ne 1,2v-tól.
amim van: stab ic 7812, lm741. lm 317. A lehető legegyszerűbb megoldás kellene, Köszönöm előre is.
Hello!
Például.. Csak nagyobb tápfeszültséget kell használni, és a referencia feszültséget 6V-ra állítani. De IC-nek a 741 nem jó, vagy akkor kettős tápfeszültséget kell használni hozzá. Mert annak bemenetére így nem lehet így 0V-ot adni. Apropó! Az a "Szabályozható szimmetrikus tápegység topik" mi itt a szimmetrikus a kérésedben? üdv! proli007
Hali.
http://www.hobbielektronika.hu/forum/files/3e/3ea900747599791d82c86...09.jpg itt egy kép, és csak annyi lenne a kérdésem h ha szimetrikus tápot akarok belőle csinálni akk jó, megépítem 2szer de h lehet 1 trafóról működtetni mind a 2 áramkört??
Idézet: „h lehet 1 trafóról működtetni mind a 2 áramkört??” Igen lehet DE csak dupla (nem megcsapolt) szekunderű trafó esetében !!
akk kis segítség.. ez jó ??
Hello!
Mint a képen is látható erről a trafóról, maximum kétszer 24V-ot lehet levenni, vagy is a táp kimenő feszültsége maximum +-30V lehet. (Közös tekercsről nem mehet a két táp!) üdv! proli007
nah az a zárójeles mondat kellett nekem : ) köszi : )
de én ehhez nem értek és már majdnem vettem egy 2x24Vos trafót de ha elárulod h azt h kellene kiszedni azt a 2szer 24voltot azt megköszönném D
Hello!
Az 1-7 és a 2-8 lábak között megkapod. Rövidrezárni nem kell semmit. (Pontosabban a 230V-os oldalon kell, az ábra szerint, vagy vélhetően már úgy van bekötve.) De én is megköszönném ha mondatokat nagy betűkkel kezdenéd, és kihagynád az idétlen "h" "2szer" stb. rövidítéseket. üdv! proli007
Köszönöm és ígérem, hogy figyelni fogok rá.
De úgy szeretném az egészet, hogy egy erősítőt meghajtani vele. A két 24V bele megy a Graetz hídba és még kellene egy külön földet a nullát kihozni belőle. Azt hogyan tudnám?
Hello!
Két lehetőőség van. Vagy sorba kötöd a két 24V-os tekercset és ez lesz a közös GND, így egy Graetz egyenirányítót használsz. A GND és az egyenirányító +- pontjai között lesz a +-32V. (Persze szürés után) Vagy a két tekercsre külön-külön Graetz egyenirányítót kötsz, és ezek kimenetét kötöd sorba. Az összekötött pont lesz így a GND. De itt is +-32V feszültséget kapsz majd. (Általában erősítő építők ezt preferálják jobban) De mindegyik megoldásra találsz rajzot szerintem az erősítős toipkokban. A trafó kötését, a 42V-os változat szerint kel elvégezni első esetben. Az átkötési pont lesz a GND. De kötheted úgy is, hogy a 2-7 lesz az átkötés és egyben a GND, és az 1/8 lesz a két széle. üdv! proli007
Helló !! Van egy jó pofa labortápegységem 32 volt feszültséggel és 3.5 A áramterhelhetőséggel az én szám íze szerint, a kapcsolási rajzot mellékelem , de ha jól látjátok csak 2A-ra van be állítva . A kérdés hogy tudom átalakítani - azaz építeni a pluszos mellé egy mínusz-os tápegységet ? mit kell rajta módosítanom ?
http://pa-elektronika.hu/images/stories/kapcsolasok/labortap/labortapegyseg_kapcsrajz.jpg A hozzászólás módosítva: Jan 1, 2013
Szia!
Eloszor is BUEK! MAsodsorban, epits még egyet belole, es utanna sorosan kotve megkapod a "+" es "-" tapegyseged egy kozos GND-vel/hez Az elso tap negativ pontjat kosd ossze a masodik tap pozitivjaval -ez lesz akkor a GND - es ehhez a ponthoz kepest leszz az egyik pozitiv mig a masik negativ. A hozzászólás módosítva: Jan 1, 2013
Sziasztok! Először is boldog új évet mindenkinek! Csatolnék egy kapcsolási rajzot. A kérdésem szerintetek mennyire megbízható és működőképes a rajz.
Meg van minden hozzá nyákterv is! Várom a véleményeket. Köszönöm előre is! |
Bejelentkezés
Hirdetés |




Amúgy nem szokásom verni a mellem meg amúgy is ha valaki végig olvassa a topikot rájön hogy nem én voltam az 'agy'









