Fórum témák
» Több friss téma |
Fórum » Kapcsolási rajzot keresek
Témaindító: Kallai Csaba, idő: Márc 11, 2006
Témakörök:
Köszönöm!
Körülbelül ennyire egyszerűt.Nem a hang a lényeg,csak játszadoznék vele.Ahogy elnézem eléggé hasonló a két cső.Nem lehet berakni a helyére?(Mármint a PL36-ot a PL504 helyére) Köszönettel:Máté.
Köszönöm!
Ez tetszetős,nem tűnik bonyolultak.A másik azért tetszett volna,mivel nem nagy a fűtőfeszültség.Akkor a másikba nem is lehet beilleszteni a PL36-ot? Máté.
Az PL36 fűtőfeszültsége 25V, az EL36 6,3V-ot igényel. A PL504 27V-os fűtőfeszültségű
Ezt írják a BSS-en: Idézet: A rajzon nincs is katódellenállás, akkor meg hogyan növeljük?„Ez egy igen egyszerű 1W csöves erősítő kapcsolás ami néhány alkatrészből áll. 27V anód feszültséggel és fűtéssel. Anód feszültséget lehet növelni max 50V-ig, de akkor már ki kel cserélni nagyobbra a katód ellenállást.” Csináld meg a német rajzot, a BSS-t meg felejtsd el örökre.
Köszönöm!
Akkor nem is küszködöm vele! Máté.
Sziasztok!
Segítséget szeretnék kérni! Egy meglévő CNC gépemhez tervezek egy kiegészítést, amolyan pontozásos elven működő gravírozó fejet. A mechanika adott, a PC felőli vezérlés is, nekem a kettő közötti köztes elektronika a kérdéses. A mechanika szíve egy elektromágnes, ennek tekercs ellenállása 0.9Ohm 0,8-as huzalból van tekerve, a menetszámot már simán elfelejtettem, pedig én tekertem. Ennél többet nem tudok róla elmondani. Eléggé teszt jellegű project. 35V-on, 5A árammal lenne meghúzva, de csak a másodperc tized részére, tehát nem folyamatos áram, így elbírja. LPT porton kapja a vezérlő jelet. Egy szintén itt használt vezérlőből van külön 5V táp is, ez esetleg vihetné a csatolót. Kérdésem, milyen legyen az opto csatoló, aztán utána milyen kapcsoló elektronika, illetve ezt, hogyan illesszem az opto csatolóhoz. A sima reléhez képest nagy frekvencia intervallum és áram miatt (10-40Hz) én ilyen SSR relére gondoltam. Aztán megnéztem az árakat, na meg hogy DC kimenetes ritka mint a fehér holló. Mosfet vagy darlingtonos kapcsolást keresnék, bármilyen egyszerű megoldás érdekel, csak nem tudom milyen ellenállásokkal, hogyan kössem az eszközöket! Ami szempont: legalább 2x túlméretezés és megbízható üzem!
Tisztelt Tudorok!
Van egy Delton DDK 0838 háztartási kenyérsütő gépem, bocsánat csak volt! Kiment a főtengelye, de a többi alkatrésze nyák, motor stb. tiszta új! Amióta Tisztelt társaságotokban vagyok nincs szivem kidobni ezeket a gyönyörű munkákat! Ki tudna ebből a -volt- gépből valamit, fényjáték, erősítő stb. vagy más dolgot kihozni, hogy ne dobjam ki? Rajz nincs hozzá, de aki elvállalja elküldöm postán. Főleg "régi" barátaim ötleteire vagyok kiványcsi!! De természetesen "mindenki" szürke állományára szükség lenne! Technikai adatok ami a füzetén van a következő-Elektromos feszültség 220-230 V 50 Hz, teljesítmény 600 W, Zajszínt... stb! Amit még tudok 12 program és 50 állítási lehetőség van rajta. Ha valaki tud segíteni, szívesen veszem Tisztelettel Tarhos
Hali!
Lenne valakinek egy frekvencia mérő kapcsolása egy ICL7135CPI-hez? 4db szegmens kijelzőt használnék. Előre is köszönöm. üdv
Tessék!
Köszi!!
Pont ez kellet nekem.
Egy tekercselő gépet esetleg el tudnék képzelni, gondolom van áttétele a motornak.
Üdv.
Igen, egy fantasztikus kis 600W tos motorja van, áttételel, elfér a markomban, egy csoda dolog.
Olyan remek munka, hogy ma csat ezt forgattam kitünő motor. A programozható részre nincs ötleted, hisz 12 programra van programozva, ez ebben az esetben azt jelenti, hogy 12 szer tudott programot váltani, és a gépet előre hátra is el tudta indítani. Szóval kár lenne ha elkallódna.De köszönöm, az ötlet, jó.Tisztelettel Tarhos.
Igazából azt is lehetne használni, ott van a forgásirány váltó rajta, illetve a komplett motorvezérlés. De persze csak ötlet.
Én is ezekre gondoltam, bár én nem értek hozzá, de biztos van valamilyen megoldás hisz 12 programot kapcsol be és ki +ahogy Te írtad, rajta avan a motor vezérlés is!
Üdv Mindenkinek.
Keresném a TR 5271-s HT (Hiradás Technika) 50 MHz frekvenciamérő, és a hozzátartozó TR 5362 1GHz előosztó rajzát, leírását. Köszönettel
Nagyon fontos lenne a kapcsolásirajza ennek az erősitőnek.
Köszönöm előre is a segítségeteket.
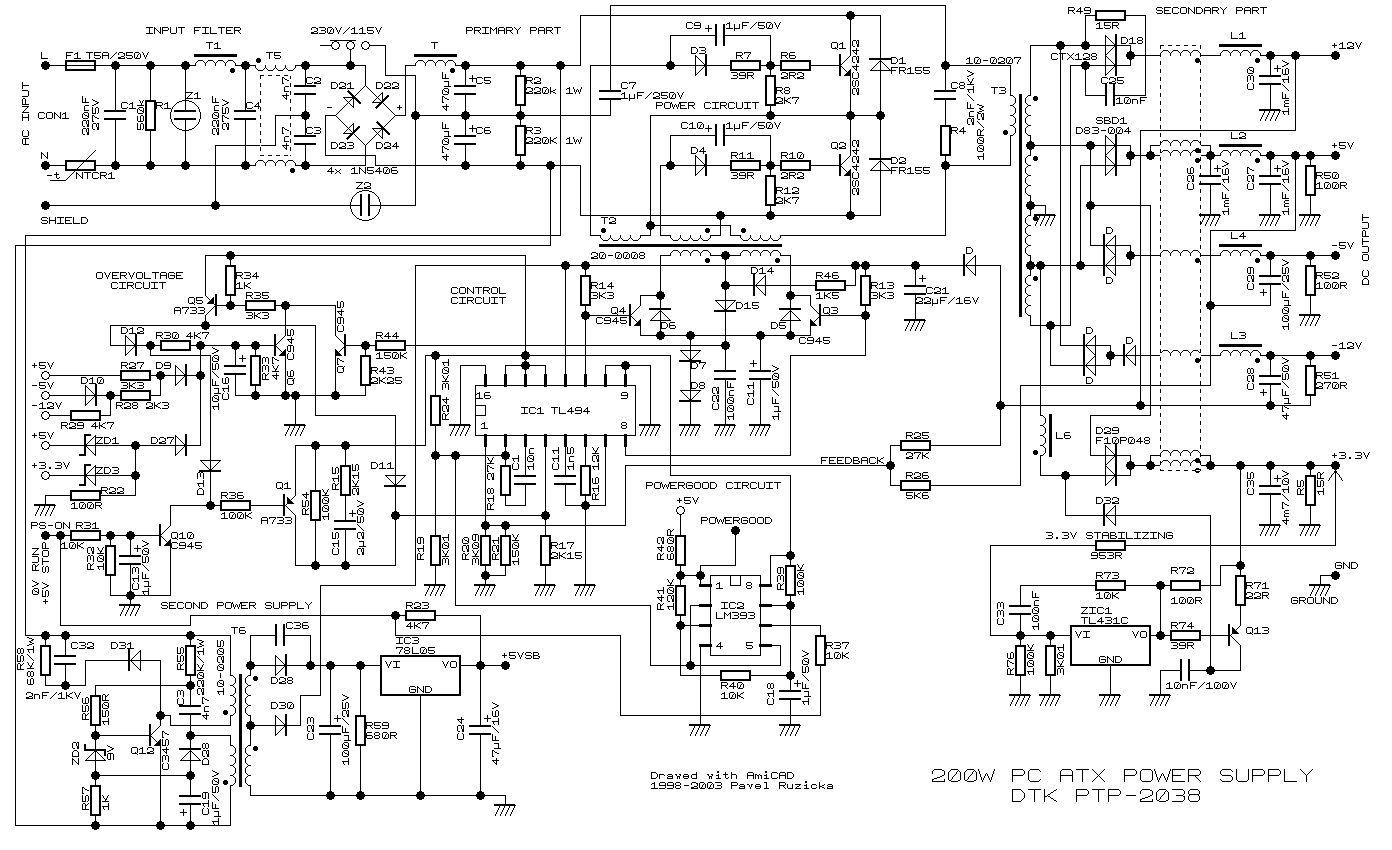
Hello.Vagy egy ACORP LC-A300ATX
vagy egy Switching Power Supply 300ATX-P4 -nek a rajza kellene.Mindegy hogy melyiké. Előre is kössz.
A mellekletekben megtalalod
Latom elegge kitarto vagy, mar tobb mint egy eve keresed >>>> Bővebben: Link
A mellekekelt foton lathato webcimrol visszakovetve tudtam csak meg mi a modellszama (JA-6155), mivel elfelejtetted megadni :yes:
Kössz a segítséget.
A téma címében volt a típus, csak moderálták
Bugera 1990 kapcsolási rajzát keresem. Van valakinek?
Hali!
Hiki TR1660-nak a kapcsolási rajzát keresném illetve valami dokumentációt a javításról.
Üdv.
Regelj be ide ott van megtalálod.
Tessék parancsolni. Bővebben: Link
Azt a 10 másodpercel gyorsabb kutya meg a macska.
Sziasztok!
Tud valaki Orion VH-507 videóhoz mechanikai rajzot, vagy olyan mechanikai rajzot, ami ehhez a típushoz is használható?
Van egy Sony tornyom-kb. 27 éves, benne egy "Program timer PT-59",na ez behalt, eddig sehol sem találtam sm-t, de kapcs.rajzot sem; hátha tud valaki segíteni-köszönöm előre is!
|
Bejelentkezés
Hirdetés |






kitünő motor. A programozható részre nincs ötleted, hisz 12 programra van programozva, ez ebben az esetben azt jelenti, hogy 12 szer tudott programot váltani, és a gépet előre hátra is el tudta indítani. Szóval kár lenne ha elkallódna.De köszönöm, az ötlet, jó.






