Fórum témák
» Több friss téma |
Fórum » MIG/MAG/Co2 hegesztő készülékek házilag
Témaindító: electorkalandor, idő: Feb 19, 2009
Témakörök:
én ezt a trafót ívnek akartam használni de miután megvettem akkor mondta az illető hogy ez co trafó és nem tudok ívet hegeszteni vele. esetleg attól nem lehet ilyen probléma hogy nagyobb diódák vannak rajta? ugyanis 250A diódákat raktam bele.
Üdv!
Azt más probléma, a huzal csak az áramátadó (düzni)előtt kell, hogy izzon, ha nem így van ott a huzalon keresztül megy az áram! Márpedig a düzniig a munkakábel belsejében található rézkábelen kell follyon az áram! Rossz érintkezés, roszz munkakábel, rossz düzni, stb! Ezek a diódák találhatóak a régebbi gyártmányú kombi gépekben (ami azt jelenti, hogy Co és pálcás gép is!) tehát ez hunbug! Az más kérdés kondi kellene és a diódákon is van feszültségesés, ezeken kicsivel több mint a kompakt Co-kban hsználatos egyenirányitó egységeken!
értem akkor még azt kipróbálom de lehet hogy félre dobom az egészet és veszek egy gyárit. én nagyon bíztam benne mivel láttam a tescós gépek belét és trafóját . ami azokban a gépekben van trafó az egy ökölnyi és ami az én masinámban van meg igen csak nagy. ja és a szekunder tekercselése........ hüvelyk ujjnyi vastag rézdrót míg a bolti kis ketyerékben meg alig látszik olyan vékony . és mégis lehet vele akár zártszelvényt is hegeszteni én meg a legvékonyabb lemezeken is csak gumókat rakok.
"...az még a gurigán is felizzott ."
Hoppá! Itt is lehet 1 hiba. A gurigát el kell szigetelni mindentől, mert "tévútra" vezeti az áramot. Az meg éppen jó, hogy nagyobb diódáid vannak benne, mert a kisebb feszültségesés miatt picit javul a hatásfokod és a kivehető teljesítmény. Mert a trafó, az bizony mütyür.
Az előtolóról és a pisztolyról tehetnél fel képeket! Milyen toló MSG-60 mert annál közvetlenül az alu öntvényre kötöttük a pozítiv kábelt ami a gépből jön! Nézd át lehet, hogy csak kontakt hibád van!
Egy rossz test csipesz is tud érdekes dolgokat csinálni!
Az baj a drótnak nem lenne szabad felizzania !
A pisztoly elején az áramátadónál kellene csak érintkeznie a huzalnak a + kapoccsal (düznivel) Szerintem. Hmm . Úgy látom megelőztek A másik dolog hogy a spirál is vezeti neked az áramot amiben a drót megy ha lehet ezt próbáld kiszigetelni mindkét végén .
teszek fel képet az előtolóról is
tehát a trafó kicsi? de hát láttam márkis eb vackokat is ( sokkal kisebb ) és még is szépen hegeszt 0,8 -as dróttal. akkor kb hány szór - hányas trafót tegyek bele?
Hát ez MSG-60! Amit én átalakítanák rajta (mivel én is ilyet használok, meg másmilyet is) a görgő nyomás szabályzás! Ezt úgy old meg mint a gagyi Co-kban, fogass egy acél lemezt a csapágyat hordozó aluöntvényre és egy 8-as csavarral feszítsd elő! A gyári durva ilyen vékony huzalra!
Az ilyen őslényeknek még nem volt műanyagbetétes tológörgője, ott pedig már a drót megkapja a feszültséget. A fúvókának viszont illik a huzalmérethez igazodnia, hogy az áramot ott adja át és ne az a vékony szál vezesse végig a görgőtől. Akár még az is előfordulhat, hogy az áramátvivő kábel elszakadt a köpenyben.
értem azt kipróbálom. köszönöm a tanácsokat.
Ez igaz is, de attól a dobon nem izzik a drót! Az csak azt jelenti, hogy az előtoló és a dob testen van!
Ezt is írtam, 21:44-kor, de a későbbi képen a dob alatt műanyag tartó van. Az meg ronda dolgokat művelne, ha az előtoló testre érne.
Oh bocsi ezt nem tudtam de mindig tanul az ember
De most hogy mondod az én gépemben is a munkakábel aljzatára van kötve a + és ott érintkezik a spirállal is .
Semmit ezen a hajtómű egy 16mm-es bakelit lemezzel van elszigetelve a toló fém házától! Így nyugodtan lehet testen!
Szervusztok!
A segítségeteket szeretném kérni. Szükségem lenne a HEGA Co2 V 450 hegesztőgép kapcsolási rajzára,különös tekintettel a fokozatkapcsolók kifejtési táblázatára. Csak a "V" típus érdekel, a másik nekem is megvan. Hibás a gépben az üzemmód váltó,ez kb 30-35cm hosszú és a Co üzemmód fokozatkapcsolója.Ez csak kb. 20 cm hosszú. Mivel mindkét kapcsolóban több törött működtető bütyök van, ezért -hogy nehogy hibásan rakjam össze a kapcsolókat- szükségem lenne az eredeti kifejtési táblázatra,amelyet feltételezésem szerint a gépkönyv tartalmaz. Kérem,akinek ez a gépkönyv a rendelkezésére áll,ossza meg velem a benne levő információt. A segítséget előre köszönöm.
Sziasztok.Sikerult eladni az einhell co hegesztőt.Nehezen de elment
Most keresgélek hátha találok megfelelőt.Néztem starmig 145 gépet,euro kábeles,a tolo motor is ipari féle benne.Hát nem tudom.30ezerért van csak a gép.Az ár az nem vészes csak hogy milyenek ezek a gépek?
Üdvözöllek!
Nem tudom kell-e a gépkönyv, de mivel Benyovszky Gábortól kaptam haladékot, tudok hegesztőgép gépkönyveketis bújni! Érdekes módo az összes típus gépkönyvén 450/P szerepel de teljesen mások! Ha ilyen az előlapja ezt tudom küldeni! De még csak 50 hegesztőgép gépkönyvet néztem át, mert mennem kell megnézni egy plazmavágót! Nézd meg ha jó küldöm! Leiszt Jani
Szia Jani!
Ez sajnos nem az, ennek a gépkönyve nekem is megvan, ez a teljesítmény potméteres mágneses erősítős típus. Nekem a tisztán fokozatkapcsolós kell. Üdv, és köszönet a fáradozásért.
Sziasztok . Ma szert tettem egy enyhén lepusztult Unimag E6-ra . A belső része azért jónak tűnik elsőre . Kérdésem az lenne : nincs-e valakinek rajza erről a típusról mert ennek a paneljait és előtolóját szeretném felhasználni építésre . Esetleg véleményt , tapasztalatot is szívesen fogadok .
Szia Lajos!
Az UNIMAG E6 egy viszonylag jó előtoló. A továbbító görgők megvannak hozzá? A motorja bivalyerős, 160W-os. Nekem van hozzá doksim, a szabályzó kártyát is lerajzoltam kb 16-17 évvel ezelőtt. A hétvégén beszkennelem és küldöm.
Szia . Pontosan a görgők hiányoznak de ennek hiányát megoldom . .. Igen , tulajdonképpen az előtoló motorja tetszett meg mert hatalmas ill. talán a két görgőhöz túlméretezett de nem baj . A előtoló csigatengelyről nem tudtam levenni a görgő tartó "féltengelyt" -- nem mertem erőltetni . Ez menetes , jobb vagy bal menetes vajon ? Szereztem egy újabb háromfázisú trafót a CO hegesztő alapnak - ez jobbnak tűnik mint az amit legutoljára közzé tettem fényképeken . Tirisztoros egyenirányítással- szabályozással szeretném megoldani és ehhez jönne még az UNIMAG E6-os elektronika az előtolójával . Csak szeretném biztosan kiiktatni a vízhűtés elektronikájának esetleges beleszólását a működésbe . Előre is köszönöm a segítséget .
Én ennyit találtam az UNIMAG E6-ról .
A lényeg,hogy a továbbító görgőket tartó fogaskerék pár legyen meg, mert azt nehéz lesz reprodukálni. De ha netán nincs meg, akkor is fogok segíteni neked, hiszen te is segítettél,amikor szükségem volt rá.
A teljes rajzot ma -vagy holnap beszkennelem,és felteszem ide, vagy elküldöm neked. A továbbító görgőt is megnézem, ha netán találok valamelyik fiók mélyén, akkor elküldöm neked. A vízhűtés kiiktatása a legegyszerűbb. Simán rövidre kell zárni az átfolyás figyelést.
Szia Lajos!
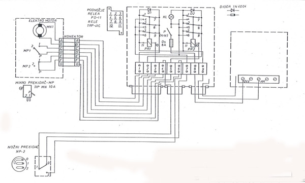
Mellékelem a rajzot. A gépkönyv megy privátban,mert ide akkora fájl-t nem tudok felrakni.Több mint 15MB.Elnézést a minőségért,de ezek a rajzok több mint 25 évesek,és kissé megfakultak.
Üdv! Megírom már hogy mire is jutottam a gépemmel. Úgy tűnik hogy én nem tudok vele dolgozni ugyan is eljött egyik srác és a autója alját ki kasznizta vele. Ő azt mondja hogy egy nagyon kicsi áram kellene még és akkor tökéletes lenne de egyébként így is szépen lehet dolgozni vele. Nagyon finoman tudja szabályozni az előtolást és az áramot. Azt ajánlotta hogy járjak utána hogy hogyan lehetne még egy kis áramra szert tenni?? legalább 5 volttal kellene több. Tudtok-e valamit ajánlani?
Szia Pisti . Nagyon szépen köszönöm a segítséget !
A rajzok minősége tökéletes , nyomon lehet követni mindent és a gépkönyv is jól használható . A görgő ügyben lehet , hogy megkereslek privát --az én előtolóm 101-es típusú .
Szia Lajos!
Nincs mit megköszönni, örülök,ha segíthetek.
Sziasztok.Megvásároltam a nemrég emlitett starmig co hegesztőt.Ebben van normális toló motor,és euro csatlakozásu munkákebel.Házilag alakitották át.Eléggé türhetően lehet vele dolgozni.No de! Ez se 100as Jelenség:Akkor is ivet fog,ha nem nyomom a pisztolyon a ravaszt.Tehát ha kitolok pl:2centi drótot és odaérintem a lemezhez,ivet fog.A másik meg hogy nem egyből adja le a megfelelő áramot hegesztés elkezdésekor,mintha gondolkodna "kicsit lökdösi majd szépen működik".Mitől vannak ezek a gondok?
|
Bejelentkezés
Hirdetés |






Most keresgélek hátha találok megfelelőt.Néztem starmig 145 gépet,euro kábeles,a tolo motor is ipari féle benne.Hát nem tudom.30ezerért van csak a gép.Az ár az nem vészes csak hogy milyenek ezek a gépek? 


A teljes rajzot ma -vagy holnap beszkennelem,és felteszem ide, vagy elküldöm neked. A továbbító görgőt is megnézem, ha netán találok valamelyik fiók mélyén, akkor elküldöm neked. A vízhűtés kiiktatása a legegyszerűbb. Simán rövidre kell zárni az átfolyás figyelést. 