Fórum témák

» Több friss téma
Fórum » Nagyfeszültség sorkimenő trafóval
 
Témaindító: (Felhasználó 1306), idő: Márc 1, 2006
Témakörök:
Lapozás: OK   42 / 97
(#) alfa007 válasza Collector hozzászólására (») Okt 12, 2010 /
 
Szóval ZVS-el is működhet, de inkább érdemes "komolyabb"tápot készíteni hozzá.

Apropó, minap láttam egy fúzióval kapcsolatos műsort, valamelyik Discovery csatornán, és a D-T keverék helyet egy módosult hélium izotópot akarnak ha használni.
Annyit tudok hogy két ilyen atom fúziója során 2 elektron szabadul fel.
Ja az egészben az a poén, hogy ez az anyag csak Hold krátereiben van jelen, de 2020-ra talán lehet rendelni.
Eredetileg napszélben található.
(#) Collector válasza alfa007 hozzászólására (») Okt 12, 2010 /
 
A Napban a vasig bezárólag minden anyag és azok izotópjai fúzionálnak (ezért van vas magja a csillagoknak, mert az már nem fúzionál tovább, a vasnál nehezebb elem nem keletkezik, csak esetleg a csillag halálának pillanatában). Hélium-3 az, ami nagyon ritka, de pl. van He3-al töltött neutron detektor, néha ebayon is.
Elektronokat meg itt felejtsük el, 2 szabad neutron keletkezhet esetleg. Elektronok már egy sima villamos ívben is keletkeznek, azonban a magegyesítéshez kissé több energia kell.
(#) alfa007 válasza Collector hozzászólására (») Okt 12, 2010 /
 
Na Hélium 3, pont ezt akarják a Hold kráterei begyűjteni.
Nem az én kitalációm, A NASA egyik legújabb projektje.
Különben nem igazán foglalkozom fúziós technológiával.

Szívesebben építek egy ilyen kis katódsugár csövet.
Persze ha lenne foszforom.
A legjobb az, hogy akár 5kV-al is működik.
(#) B.I válasza alfa007 hozzászólására (») Okt 13, 2010 /
 
Szia. Ez engem is érdekelne. Nem tudsz esetleg egy magyar leirást róla?
Nézegettem ott több videót (de sajnos nem értettem meg teljesen a müködését) és nem kell hozzá foszfor hanem a neoncsövek fényporja van az üveg alján.
(#) alfa007 válasza B.I hozzászólására (») Okt 13, 2010 /
 
Magyar leírást nem találtam hozzá, de a fenti videóhoz tartozó oldalt megtaláltam. GOOGLE fordítóval tudsz infót kiszedni.
De VIGYÁZZ, ha 15 kV-nál többet nyomsz bele, akkor az már röntgencső lesz.
Optimális fesz 4-5 kV
Foszfort nem tudom, hogy lehet-e kapni.
A az emberi vizelet el forralásával elő lehet állítani. VIGYÁZAT!! AMMÓNIA VESZÉLY!
Itt az infó oldal.
Bővebben: Link
(#) gaben62 válasza gaben62 hozzászólására (») Okt 13, 2010 /
 
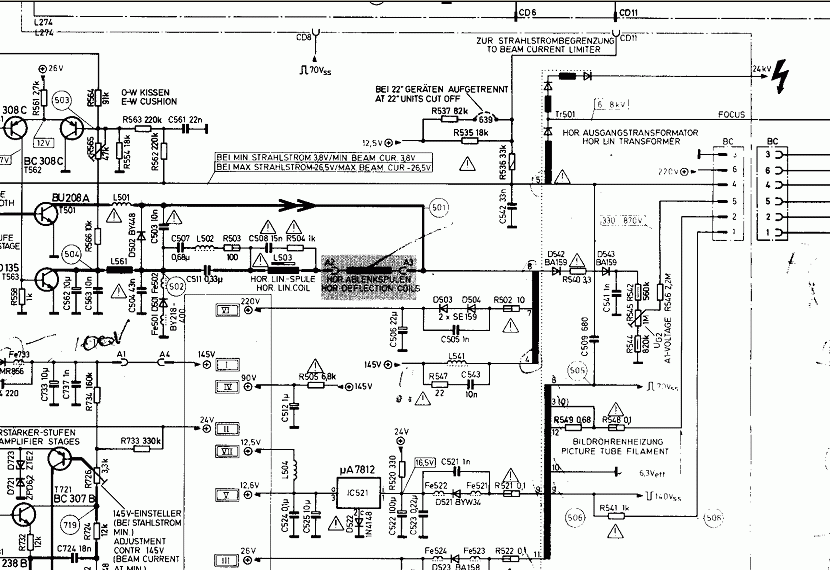
Nem lehet többet kihozni a sorkimenővasmagra készített szekunderrel.
Egy dolog a vasmag telítésbe vitele, de a tekercset sem lehet növelni a végtelenségig, ráadásul az is leég, primerbe ha túlhajtod pl.fetekkel, nagyobb tápfesz.ről.
Nem véletlenül van a színes tv.k, sorkimenőjében vagy 25éve, beépítve kaszkádsokszorozó 5db.nf.diódával, nf.kondikkal.
Igy állítják elő az anód feszültséget 25-29KV-ot, katódsugárcsöves tv.készülékekben.
(#) Collector válasza gaben62 hozzászólására (») Okt 13, 2010 /
 
Ez hatalmas tévedés. Sokszorozó nélkül is könnyedén el lehet érni a a sorkimenővel 25kV-ot. Csak a régebbi színes TV-kben van kaszkád sokszorozó.
(#) B.I válasza alfa007 hozzászólására (») Okt 13, 2010 /
 
Szia. Az ez előtti hozzászólásomban irtam, hogy ott is neoncső fényporával van bekenvel az üveg alja. Azt az oldalt én is megtaláltam, próbáltam lefordittatni a guglival de számomra érthetetlen volt. Azt nem tudod véletlenül, hogy a kissebb vékony cső is ki van vákumozva?
(#) Collector válasza B.I hozzászólására (») Okt 13, 2010 /
 
Lombikból is lehet építeni, nem nagy ügy. Csak elég kis nyomás kell hozzá, amit csak egy komolyabb vákumszivattyúval lehet elérni.
(#) alfa007 válasza gaben62 hozzászólására (») Okt 13, 2010 /
 
Ok, de most nem röntgencső, ha nem mini képcső építése a cél. Amit egy malomkerékkel is simán ki lehet oldani.
A színes tévék azért működhetnek 25-30kV-l mert egyrészt egy elektronágyú hegyet hármat kell működtetni, mészrész az ernyője 2-3cm vastag, valamint egy speciális rács is van benne. Így a keletkezett röntgensugárzás nem lehet nagyobb, mint pl. bányászott bazalté.
(#) alfa007 válasza B.I hozzászólására (») Okt 13, 2010 /
 
Neoncső por? Nem tudom, hogy működhet-e azzal.
Idézet:
„Azt nem tudod véletlen, hogy a kisebb vékony cső is ki van vákuumozva?”

Hát ha csak az egyik vége van lezárva, akkor az is vákuumozott.
(#) alfa007 válasza Collector hozzászólására (») Okt 13, 2010 /
 
Láttam a "legkisebb is számít-ban" gazdaságos sótartót 99Ft-ért, a talpa 3 cm széles, ami kb, 1"-s.
Ok, gondolom Te is szereted a vegyes tudományt, és kémiai felszerelésed is van (csak feltételezem).
Én az alternatív megoldások híve vagyok. (Persze nem azt jelenti, hogy HILTI-vel szoktam vizet bontani.)
(#) gaben62 válasza Collector hozzászólására (») Okt 14, 2010 /
 
Akkor most elárulom neked, a mai katódsugárcsöves tv-kben is kaszkád sokszorozó van, a sortrafóba beépítve, műgyantába öntve.
Ezért nem látszik kívülről,azért benne van, a képcső anódfeszültségét állítja elő.
A régi ff.tv-k nf.tekercsei 15-18KV-ra voltak tekerve, ám ezek 0,2mA áramot is alig tudnak leadni, tehát kísérletezésre, meg semmire sem jók.
(#) gaben62 válasza alfa007 hozzászólására (») Okt 14, 2010 /
 
Azt a három elektronágyút katódnak,R.G.B. hívják, a rácsos hengert, pedig Wehnelt hengernek.
(#) lapose válasza gaben62 hozzászólására (») Okt 14, 2010 /
 
Hali!
Idézet:
„a mai katódsugárcsöves tv-kben is kaszkád sokszorozó van, a sortrafóba beépítve, műgyantába öntve.”

Már inkább 3 sorba kötött tekercs van a kaszkád helyett. Az első tekercs-dióda után ki van vezetve a fókusz részére.
(#) alfa007 válasza lapose hozzászólására (») Okt 14, 2010 /
 
Igaz hogy ezek az új sorkimenők állítják elő a fűtés feszt is?
(#) kadarist válasza alfa007 hozzászólására (») Okt 14, 2010 /
 
Igen, igaz, de a régiek is megtették ugyanezt a szívességet.
(#) alfa007 válasza kadarist hozzászólására (») Okt 14, 2010 /
 
Gondolom ez szimplán funkcionalitás céljából van így, hogy keljen a tápból levenni a feszt.
(#) kadarist válasza alfa007 hozzászólására (») Okt 14, 2010 / 1
 
Ez a praktikum és a funkcionalitás ötvözése. Az jó, ha a képcső akkor kap fűtést, ha a sorvégfokozat működik. Készenlétben nem működik, így nincs is fűtés, viszont a hálózati tápegység általában üzemel (kivéve a segédtápegységes típusok). Az is jó, hogy a sortrafóval jó galvanikus leválasztást lehet biztosítani a fűtőszálnak, így nem lesz számottevő feszültségkülönbség a katód és a fűtőszál között. Ez védi a katód-fűtőszál párost az átütéstől. Persze ez csak akkor működik teljes mértékben, ha nincs testen az egyik kivezetés
(#) alfa007 válasza kadarist hozzászólására (») Okt 14, 2010 /
 
Ok, ha egyszer egy képcsövet szeretnék kipróbálni, akkor tudom hogy a fűtést is a sorkimenőről is lehet üzemeltetni.
(#) gaben62 válasza lapose hozzászólására (») Okt 14, 2010 /
 
Na igen, a jobb fajta, rendesen megépített Tv-knél igy van megcsinálva.
De az olcsó kínai törők cuccoknál a nf. primerről van leosztva többször 10Mohm, ellenálláson keresztül a fókuszfesz.g. 6-8KV+..
Sajnos ezért nyúlik villódzik a kép, reklámoknál képváltáskor.
(#) alfa007 válasza gaben62 hozzászólására (») Okt 14, 2010 /
 
Ohh..., igen a splitek, van rajtuk két poti, az egyik a fókusz
a másik a fényerő (de nem vagyok benne biztos).
Na, ha ezeket a potikat sokat szokták csavargatni, egy idő után elkopnak, és hiába megy át rajtuk néhány mA, 5 éven belül a teljesítményük jelentősen romlik.
Az a véleményem, hogy az elmúlt 10-15 évben a gyártástechnológia modern TV-k terén jelentősen változott. Itt az alkatrészek méreteivel, előállításival, minőségivel, és meg néhány dologgal kapcsolatban olyan észrevételeim vannak, hogy az átlagos élettartalom 4-6 év
Most mondok egy példát, a szüleim már idősek, és az első csöves TV-t a 60-s évek körül vették, az kapásból 10 évig bírta (csak cső csere). Aztán utána két ff tévé(persze sorban). Azok is bírták olyan 7-8 évig. A 95-ös köröl lett már színes Videoton(modern) az olyan 8 év, utána egy westel ami idén tavasz végéig bírta, most egy "neve nincs) márka van.
Csoda ha ki bír 5 évet.
(#) Hodinka válasza gaben62 hozzászólására (») Okt 14, 2010 /
 
Idézet:
„Nem véletlenül van a színes tv.k, sorkimenőjében vagy 25éve, beépítve kaszkádsokszorozó 5db.nf.diódával, nf.kondikkal.
Igy állítják elő az anód feszültséget 25-29KV-ot, katódsugárcsöves tv.készülékekben.”

Rá kell,hogy cáfoljak.Nekem egyszer sikerült (60J-erővel) kisütnöm egy sorkimenő beépített diódáit úgy,hogy a tekercs sértetlen maradt,a diódák viszont szimpla vezető ként fungcionáltak tovább.És ezen túl DC helyett AC feszt adott le az anód kábelen és a 4,7kV-os focus kivezetésen is.Nos ha sokszorozó lett volna benne,be kell látnunk,hogy ez nem így történt volna,hisz a kondenzátorok kaszkádos elrendezése miatt minimum le kellett volna testelnie egy átütött kondin keresztül,vagy ha már azt állítod,hogy a maximális előálítható fesz is csak 6kv,akkor csak ennyit kellett volna leadnia.Mindezek ellenére a leadott feszültség levegőben való átütési szilárdsága gyakorlatilag semmit nem változott.Az a 2,5-3cm ahogy volt,úgy is maradt.Most itt ezzel én nem vitát akarok nyitni,nyilván te sem véletlenül írtad le ezeket,lehetséges,hogy léteznek ilyen sorkimenők is,de azt be kell látnunk,hogy a mostani CRT TV-k sorkimenői többségében,diódákkal sorosan csatlakoztatott több részre osztott tekercsről van szó.Bővebben: Link
És amennyiben ezt sokszorozónak lehet nevezni,akkor legyen az.
Üdv!
(#) gaben62 válasza alfa007 hozzászólására (») Okt 18, 2010 /
 
Két db poti van a sorkimenő oldalába építve.
Egyik a fókuszfeszt.állítja, a másik a G2-t.
Nem kell tekergetni, csak 6-8év után mikor már öregszik a képcső, akkor finoman 1-2mm.
Ritkán szoktak tönkremenni.
Nekem egy régi Waltham van kb.17éves, és egy OSD Sony 51cm.Tx.sztereó,hasonló korú.
Sorkimenő nem volt még cserélve egyiknél sem, képcső originál állapotú, gyönyörű kép mindkettőn.
A VT.tuner hibás volt,egyszer fetet kellet cserélnem.
A Sony-ról elment a szín,többször is visszajött, majd elment hónapok múlva.
Itt R-Y szűrőnél 120Pf,volt a rossz,plusz át kellett forrasztani video kf.tuner alaplemezt.
Azóta nincs velük gond.
(#) Collector válasza gaben62 hozzászólására (») Okt 18, 2010 /
 
Semmiféle kondenzátort nem tartalmaz a sorkimenő (ami kellene egy sokszorozóba), csupán egyenirányítás van benne!
Hogy is kaphatna bárki is, egy sokszorozó kimenetén ívet? Ha sokszorozót kötsz be (tehát van benne kondenzátor) nem ívet kapsz, hanem hangos csattanó kisüléseket!
(#) Gyimate válasza Collector hozzászólására (») Okt 18, 2010 /
 
Sziasztok!

Én már vágtam szét darabokra egy rossz sorkimenő transzformátort, mert kiváncsi voltam mi van benne, és van bennük egy fóliakondenzátor (legalábbis nekem 2-ből kettőben volt). Ez nem jelenti azt, hogy mindegyikben van...
Szóval nem akarok vitatkozni.
(#) moltam válasza Collector hozzászólására (») Okt 18, 2010 /
 
Én a múltkor kipróbáltam 2 db monitor sortrafót SMPS vezérlő IC vel(talán MC3845 ha jól emlékszem), és szépen csattogtak.
(#) Collector válasza Gyimate hozzászólására (») Okt 18, 2010 /
 
Puffernek tudom elképzelni, mert sokszorozónál soros C tagok vannak, amik az áramot is rettentően korlátozzák (ugye egy sima kis sokszorozót egyáltalán nem lehet beterhelni). Ha 1-2nF be lenne kötve sorosan, senki nem tudna olyan ívet csinálni, mint amilyenek vannak a neten. ZVS-el egy ilyen sorkimenőből nagyobb, és fényesebb ívet húztam ki, mint régen a 900W 100mA-es neontrafómmal. Soros C taggal ez lehetetlen lenne.
(#) Hodinka válasza Gyimate hozzászólására (») Okt 18, 2010 /
 
Olykor némelyik típusban (mint például ebben is) előfordulhat egy db kis kapacitású anód kondi,de akkor sem kondisorról van szó.
(#) alfa007 hozzászólása Okt 18, 2010 /
 
Én ép gyűjtőm az anyagot a mini képcsövemhez.
Eddig meg vannak:
1. Hungarocell (hangszigetelés)
2. Sótartó(ami pont most nem került 99Ft-ba)
3. Vékony cső a vákuumhoz (1.5mm, műanyag)
4. Vastag cső az elektronágyúhoz (3.5mm, üveg)
5. Gumiszalag(ez a gumidugó helyett)
6. 4-6 kV-s táp
7. Nagyfesz dióda és vezeték(ek)
8. Neon cső (a foszfor miatt)
9. "Gazdaságos" szilikon
10. Tároló doboz a szivattyúhoz
11.* Nyomásmérő
12. Rézdrót a katódhoz
13. Plexi a szivattyú hengerfejéhez
14. Szivattyú (módosított kompresszor)

Ami még nincs:
Anód és katód
Talpazat
Képcső tartó szerelvény(ek)
Gumicső
Tisztító folyadék
Eszközök a foszfor kinyeréséhez
És még egy-két dolog.

DSCF2215.JPG
    
Következő: »»   42 / 97
Bejelentkezés

Belépés

Hirdetés
XDT.hu
Az oldalon sütiket használunk a helyes működéshez. Bővebb információt az adatvédelmi szabályzatban olvashatsz. Megértettem