| Fórum témák 
 
 » Több friss téma | 
				Sziasztok Et csak azért nyitottam mert nagyon kiványcsi vagyok hogyan lehet összehozni "egy asztali számitógép egy modem és egy asztali telefon na meg a hozzá tartozó vezeték," ezt? Tehát ülök a számitó gépnél és a telefon tölem 20m re van akkor hogy érem el azt ha a számitógép mikrofonját és fülhalgatóját használva hogy lehessen beszélni? Külsö vonal nélkül? Köszi. 
				Elég érdekes probléma. Ha jól értem úgy akarsz telefonálni, hogy a PC hangszóróját és mikrofonját használnád? Vannak IP telefonok. Keress rá.						 
				Akkor te jobb vagy szövegértésben mert én a kérdésből nem sokat értettem...						 
				Pc+modem+megfelelő szoftver = telefonkészülék (+fax   ) Egy alközpont segítségével akár több telefont is összeköthetsz. 
				A számítógép+modem, és a telefonkészülék is előfizetői végkészülék.  Már csak egy központ oldali berendezés (pl. 1/4 analóg kisközpont) kell hozzá, és már megy is. A modembe (már ha olyan) lehet dugni egy fejhallgatót és mikrofont, pl. Outlock -ból vagy egy tárcsázóprogrammból (jobb modemek tartozéka) tárcsázhatsz. Ha már alközpont is van a rendszerben, az üres vonalvégződésre tehetsz több telefont. Idézet: „Tehát ülök a számitó gépnél és a telefon tölem 20m re van akkor hogy érem el azt ha a számitógép mikrofonját és fülhalgatóját használva hogy lehessen beszélni? Külsö vonal nélkül?” És itt a lényeg. A külső vonal mit jelent nálad? Azt már végképp nem értem hogy kezelnéd így a telefont. Én csak azt mondom IP telefon. 
 
				A megoldás "házi telefon a PC és a készülék között"!						 
				Sziasztok. Ne bonyolitsuk tul a dolgot nem kell tárcsázó vagy ijenek legalább is ha nem muszáj fojtatom majd						 
				Nem mi bonyolítjuk a dolgot, hanem amit szeretnél, az egy kissé bonyolult.  Maga a telefonálás nem csak a hangút átviteléről szól, hanem át kell vinni különböző jelzéseket is, pl honnan tudod, hogy fel kell venned a telefont. Persze ha megelégszel egy olyan módszerrel, hogy odakiabálsz (20 m -re még működik), hogy valaki vegye fel a telefont, akkor nincs szükséged a jelzésátvitelre. De ha már csengetni is akarsz, meg tápáramot szolgáltatni az asztali (hagyományos analóg tárcsás, vagy nyomógombos) telefonkészüléknek, akkor már szükséged van egy központi állomásra, amivel ahogy az írásodból kitűnik nem rendelkezel. Ilyet vagy csinálsz, vagy veszel egy olcsó használt analóg kisközpontot. Bár akkor se fogod tudni a számítógép mikrofon fejhallgatóját használni, mert a modem nem tudja a hangfrekit digitálisból analóggá varázsolni, de a 2/4(6) huzalos átalakítást elvégzi. (a fax jeleket is digitális modulációval viszi át, és azt a fax készülék alakítja vissza). Viszont jobb faxmodemeken van csatlakozó a mikrofon fejhallgató számára, és a faxmodem tárcsázni is tud. Hogy ezt a funkciót használod-e vagy nem, az a Te dolgod, de akkor hogyan mondod meg a telefonkészülékednek, hogy csörögjön? A másik módszer, az említett IP telefon. Ezzel csak az a gond, hogy a hagyományos telefonkészülékedet közvetlenül nem használhatod, csak egy konverteren keresztül, és rendelkezned kell a szükséges szoftverekkel is. Ebben az esetben is kell rendelkezned egy legalább virtuális szerverrel, ami a szükséges jelzéseket átalakítja. Elméletileg (még sohasem próbáltam ki) megoldható ha a számítógépben két hagkártyát teszel, az egyikbe a mikrofon fejhallgatót, a másikba pedig egy egyszerű áramkörön keresztűl bekötöd a telefonkészüléket. Az egyszerű áramkör feladata, hogy a telefonkészülék számára biztosítsa a megfelelő tápáramot, és elvégezze a hangkártya 4 huzalos kimenetének 2 huzalossá alakítását. Persze ilyenkor semilyen jelzésed nem lesz. 
 
				Szia! Értem a gondodat, ami nem is gond. Annak idején, amikor még nem volt nálunk csak behívásos internet, akkor ugyebár egy telefonos modem volt a megoldás és minden további nélkül lehetett róla telefonálni kihangosítva akár a számítógépről. Ma is működik a megoldás, nem adatot akarsz átvinni, hanem egyszerűen bemész a tárcsázóba és akár onnan is hívhatod a kívánt számot. Ha meg csörög, akkor a Pc-n is felveheted a telefont, mert ha be van töltve a modem szoftvere, akkor bizony a modem is "csörög". Sőt, ha olyan a vonalad (az IP telefonok nem alkalmasak tudtommal erre) faxolhatsz is.  Egy ilyen modemet azt hiszem ma már csak ajándékba lehet kapni, venni nem érdemes, lehet, hogy nincs is. Ha laptopod van, akkor valószínűleg benne is van, ha meg annyira régi a géped és asztali, akkor vagy az alaplapon van integrált telefonos modem, vagy kártyát kell bele tenni.  Tehát a hozzávalók: megfelelő hosszúságú közönséges 4 eres telefonvezeték a PC és a telefon aljzat közé, valamint egy modem a gépedbe. Írjál, ha megoldódott! Ha nem akkor is! A "külső vonal nélkül?" számomra itt értelmezhetetlen, mert akkor hova akarsz telefonálni? Ha arra gondoltál, hogy olyas valamit akarsz a rendszerbe vonni, mint pl. az egymás között beszélési lehetőség a drótnélküli telefonok esetén, az egy külön tészta. Akkor is meg lehet oldani, de egy "fantom tápra" lenne szükséged, azon beszélni már lehet, de a csengetési feszültség megoldása egy külön feladat lenne. Az már tényleg egy kis telefonközpont, de az is beszerezhető ma már pár ezer forintért. 
 
				OK értem. Na most Modemem az van.-Kép-kábelem is. a külsö vonal alatt a pl: matáv vagy stb. értettem Nos akkora kérdésem kell e árramforrás a telefonhoz is vagy a modemen keresztül fogja kapni?? köszi 
 
				Szia! Tehát a modemet összekötöd egy soros kábellel a PC-vel. Ezt követően a rendszer automatikusan felismeri majd a külső modemet és telepíti hozzá a meghajtó programot, ha kell. A telefon zsinórt bedugod a modem vonal bemenetére, ha akarsz tehetsz ide is már egy hagyományos telefont is a vonal kimenetre, de nem kell. A hangkártyát fogja alapdíjból használni, de használhatod a modem fejhallgató kimenetét is, de a mikrofon minden képen a hangkártya bemenetén kell, hogy legyen. Ne felejtsd el engedélyezni a mikrofont a felvétel keverőpultján! Ha minden rendben van, akkor ha meghívod a számodat, akkor bizony a PC jelez és "felveheted a telefont" képletesen, csak fogadni kell a hívást. A kimenő hívás pedig egyszerűen a tárcsázó segítségével valósítható meg. Azt hiszem még a gerjedésgátlás is beállítható szoftveresen a modem programjában.  Igaz, hogy most nem próbáltam ki, de ha nagyon muszáj, akkor telepítek egy modemet (majdnem olyan, mint a Tied) és kipróbálom, de szerintem Te is meg tudod oldani, mert ez működik! Ha valami nem világos írj, segítek, ha tudok! 
				Lehet, hogy én értem félre a dolgot, de azt szeretnéd, hogy a pc-d-be dugott hangszóró és mikrofon működjön telefonként és a gépedben van egy modem is? Ezt valamikor voice modemnek hívták (hívják ma is) Beszerzel egyet, berakod a gépbe bedugod ami kell, azaz vonal, hangszóró mikrofon és telefonálhatsz is... Mi a bonyolult ebben? Vagy én nem értem, hogy mit szeretnél...						 
 
				Ok holnap nekilátok! Este megirom mi van. 
				Én most leírom (nem azért mert negatív vagyok), nem fog működni. Ha két fogyasztót (előfizetői készüléket) összekötsz, az nem fog működni hálózat (központ oldali végződés) nélkül.						 
 
				Szia! Nem a PC és a telefon között szeretne beszélni, hanem a PC*t szeretné telefon készüléknek használni! Ez más, mint amire Te gondolsz. A modem az pedig igen is, hogy VÉGBERENDEZÉS ilyen szempontból. Működik! 
 
				Miről beszélsz? Nézd meg a rajzot, amit csatolt. A modem végberendezés, (és a telefonkészülék is), és éppen ezért nem is ad vonali feszültséget a telefonkészüléknek. Nem a vezetékes hálózatba akar telefonálni (azt írta hogy külső vonal nélkül), hanem a számítógép + modem és egy asztali készülék között. Nézd meg jobban. 
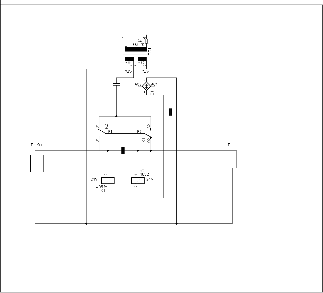
				Ha jól értettem a kérdést és a rajz is jó, akkor ő egy otthoni, házi telefonrendszert akar, hogy a 20m-re lévő telefontkészüléket a pc-ről fel tudja hívni és beszélni vele, külső hálózat nélkül és természetesen ingyen. Pucukának van igaza, ez nem fog menni olyan könnyen, de nem megoldhatatlan. találtam egy ilyen rajzot, ezzel már működhet a dolog és gombnyomásra még csörög is a telefon.  Bővebben: Link De egyébként meg van olyan téma, ahol két telefon összekötésével foglalkoznak. Bővebben: Link 
 
				Kedves Pucuka! Azt hiszem nem nekünk kellene egymást győzködni, mert a szombati hozzászólásomban a következőt írtam: Idézet: „A "külső vonal nélkül?" számomra itt értelmezhetetlen, mert akkor hova akarsz telefonálni? Ha arra gondoltál, hogy olyas valamit akarsz a rendszerbe vonni, mint pl. az egymás között beszélési lehetőség a drótnélküli telefonok esetén, az egy külön tészta. Akkor is meg lehet oldani, de egy "fantom tápra" lenne szükséged, azon beszélni már lehet, de a csengetési feszültség megoldása egy külön feladat lenne. Az már tényleg egy kis telefonközpont, de az is beszerezhető ma már pár ezer forintért.” Zseni azóta sem adott rá választ! A rajza pedig valóban nem tér ki a Krisztina telefonközpontig és ezért írtam a fentieket is. Te ugyanezt mondod. Akkor hol a baj? Én megoldottam már 20 éve azt, hogy, hogyan lehet központ nélkül is telefonálni rendes telefonon, csak mint írtam egy fantom táp kellett neki pont a vonalfezültség miatt. Csengetni is tudtam, de persze csak két "végberendezés" volt összesen a rendszerben, tehát nem házi központ! Figyelmedbe ajánlom gr89 válaszát és a linket, melyet csatolt! Lehet, hogy én vagyok az értetlen, de legalább Veled együtt leírtuk Neki, hogy milyen esetben mit tehet és mire számíthat. Gondolom Ő is csak erre számított, mert ezt kérte, hogy segítsünk, nem pedig azt, hogy egymást oktassuk, főleg nem úgy, hogy szinte ugyanazt mondjuk, csak más szavakkal! Örülök, hogy ennyire aktív a fórum.   
				OK Köszönöm mindenkinek a fáradozását! Igyekszem megvalósitani akár holnap is. Csak még egy kérdés van egy számitógép tápom az jó lehet? Mert az a 60 volt os táp épités az kiesik a dolgaimból. "nem érek rá" Szóval még esetleg várok ötleteket a táp hejettesitésére. köszi 
				Minél nagyobb annál jobb, 60 V ig, mivel sok áram nem kell, jó a pc táp + 12V, - 12 V, között 24 V.						 
				A PC tápon van +12 V sok amper (nézd meg az oldalán), meg - 12 V (a színeket fejből nem tudom), de a kettö között 24 V -ot mérhetsz (a föld nincs bekötve, fekete). Ezt használhatod abba az áramkörbe tápfeszültségnek, amit gr86 linkelt. Abban az áramkörben az egyik telefon a számítógéped, rajta a modemmel, a másik a telefonkészüléked.						 
				ok holnap bemérem és ez akkor csengetésre ugye nem lessz elég? ha nem akkor hogy kellene megoldani a hivás jelzést is? 
				Csengetni, azt nem fog, legfeljebb egy kicsit pilinckázni. A csengetéshez kb 100 V kell, 25 Hz. 
				ok holnap megirom sikeres volt e! ja és még egy http://www.hobbielektronika.hu/forum/files/8b/8b56dc420e9c8b61e506c...d5.jpg ezen a linken azt mondja 3 ér kell neki de a képen csak kettöt látok?! és nekem hová kellesz kötni az áramot mert gyárilag ehez a telóhoz csak 2 eres vezeték ment! szerinted? 
				Mivel a központi táp az egyik végberendezésnél, mondjuk a PC nél lessz, így a csengető közös vezetéket is el kell vinni a másik telefonhoz is, különben onnan nem tudsz csengetni. A képen a jobboldali telefonkészülékhez menő vezetékek meg vannak számozva, elég aprók, de látható. A problémát meg tudod oldani negyerű lapos telefonvezetékkel. A telefonkészüléken ha van földelőgomb, azt felhasználhatod, ha nincs akkor egy váltóérintkezős nyomógombot, vagy miniatűr mikrokapcsolót kell beleapplikálnod. De ugye azt tudod, hogy ez nem a PC tápos megoldás, ide olyan trafó kell ami a rajzon van 
				Esetleg egy egyszerű kp. Bocsánat a K1 kapcsoló fordítva áll.A jelfogók lehetőleg 30-40 mA ra behúzó típusok legyenek. Ha az egyik oldalon beemelsz mindadíg csörög amíg fel nem veszik. 
				Ó köszi de ha magyarul lenne.... már elfelejtettem az ijeneket ... "alcheimer "vagy mi? Namindegy mert bedugtam a fali csatiba a telefont és elfüstölt elégett egy kis átlátszó szines ellenállás vagy mi képet nem tudok feltenni mert a web cam kötött. De köszi mindenkinek a fáradozását! | Bejelentkezés Hirdetés | 






 
   
						
