Fórum témák
» Több friss téma |
Az adó kimeneti teljesítményét a terhelőellenálláson W -ban, vagy dBm -ben szokás megadni. Itt a dBV gondolom az üresjárási kimenőfeszültsége. Evvel a kimeneti ellenállás ismerete nélkül nem sokra megyünk.
A hatótávolság éppen annyira függ a vevődtől, mint az adódtól. Tehát ha egy irányított antennát használsz, ami a transzmitter felé van fordítva, akkor extrém távolságok is áthidalhatók, aránylag kis adóteljesítmény mellett is. A vevőérzékenységről nem is beszélve.
Az antenna ellenállására 50 ohm-ot ír az adatlap
Hát az alkalmazás azt hiszem kizárja az irányított kivitelt.Itt emberek a ruhájukon fogják ezt hordani és nem biztosítható az adó és vevő irányba állítása. De ha az egytranzisztoros adó 20-30 m ig gond nélkül átvisz akkor talán vagy remélem ez egy kicsivel komolyabb lehet, mint pl az eddig taglaltak. bár ki tudja. De kísérlet nélkül sose tudom meg nem igaz? ha esetleg az antennáról adnátok infót azzal sokat segítenétek.
Persze, színházi körülmények között az irányított antennának nincs értelme. De ha elvileg nézzük a dogot, akkor a vevőnél alkalmazott irányított antenna is sokat javít a hatótávolságon
A vezetéknélküli mikrofonoknál mindíg diversity vevőt alkalmaznak az üzembiztonság miatt. Reflexiós környezetben mozgó adó vétele csak ezzel a módszerrel oldható meg. (színházak, rendezvények, TV, rádió stb.)
Igen, ez a két antennás megoldás. Az előbb csak egy elvi eszmefuttatás volt a részemről adóról, vevőről, antennáról...
Sziasztok! megépítettem a következőt:.Bővebben: Link de nem tudom hogy 2n2222-es tranzisztor helyett lehet e BC182b tranzisztor tenni mert valahogy nem akar működni bc182 essel
Működnie kellene BC-vel is. Próbáld meg egy másik példánnyal. Viszont jobban járnál egy másik kapcsolással. Ez nagyon fapados. ebben a topikban találsz példákat.
Akárhol lehet fogni a sávon belül, persze csak ha az adó frekvenciája bele esik a CCIR FM műsorszóró sávba. Próbálj hangolni a tekercs széthúzásával- összenyomásával.
Sziasztok, Megépítettem a skori 1987-es régi vezetéknélküli-mikrofonját, mivel úgy véltem ez a legegyszerűbb az oldalán. Miután összeraktam próbáltam életre kelteni, de nem sikeredett. Meg tudnátok mondani hogy hol lehet a gubanc? Az L1 tekercs adatait lenne kedves és leírná valaki, mert nem láttam az oldalon feltüntetve?! Köszi!
Sziasztok!
Két kérdésem lenne: Megépítettem ezt az IC-s rádiót (poloska.gif) De nem akar működni. Először IC foglalat nélkül, majd foglalattal + új IC-vel. De így sem volt jó. Bevittem a suliba megmutatni a rendszergazdának, de ő sem látott benne elkötést. Nem lehet, hogy a kapcsolásban van a hiba? Képek: 1.jpg, 2.jpg Építettem egy komolyabbat is (fmado3.gif) Ez klasszul működik, csak nincs hozzá dobozom. Doboz nélkül meg elhangolódik, ha valamihez hozzáérek. A méretei: 15 * 3,5 * 3,5 cm, de ilyet nem találok, és amik vannak drágák. Miből lehetne hozzá dobozt készíteni? Nincs valami ötletetek?
Szia!
Egy hasonló kapcsolást nekem sem sikerült működésre bírnom. Ha végképp nem sikerül, próbáld meg ezt. Szintén elég egyszerű kapcsolás, és működik is. (A képen lévőn nincs trimmerkondi, a tekercsel lehet hangolni.)
Dobozt a legkülönfélébb anyagokból..., de ehhez jó lenne tudni, hogy mekkora lett a cucc.
Mert ha nagyon miniatűr akkor mondjuk egy USB pendrive házba, ha nagyobb egy mobiltelefonba, vagy szappantartóba, stb.
Leírtam: "A méretei: 15 * 3,5 * 3,5 cm".
Mérmint a doboz belselyének kellene minimum ekkorának lenni.
Szerintem tölts föl róla képet, hátha észrevesznek rajta valamit a szakik!
A tekercset 6-os fúrószárra tekerd. kb.0.4mm huzalból.
Oh, bocsi, elveszett az 3 szám a sok információ közepette.
Hát nem építetted kicsire ahhoz képest, hogy poloskáról van szó ![]() Szerintem tervezz hozzá egy kis panelt amin viszonylag zsúfoltan vannak a cuccok és akkor simán belefér egy pendrive vagy egy mp3 lejátszó házába.
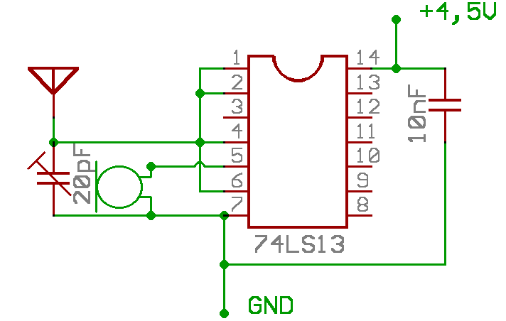
Addig örülj, amíg az sn74ls13-as kapcsolás NEM működik.
Hangolhatatlan szikraadó.
Én fényképre gondoltam.
Arról, amit összeraktál.
Nem tervezem poloskának használni.
Egyenlőre szeretném kipróbálni egy dobozzal a hatótávolságot, meg úgy egyáltalán, h jól használható -e, aztán ha igen, lehet hogy megépítem kicsiben is. Csak kellene valami jó ötlet, hogy miből csináljak dobozt, vagy minek van ilyen méretű doboza?
Kár.
Pedig már örültem, hogy milyen kicsi, és egyszerű adót lehetne vele építeni. De akkor tulajdonképpen ez az IC mire való? Nem rádióadónak lett kitalálva?
Logikai áramkör.
4 darab 2 bemenetű 'kizáró vagy' kapu nyitott kollektoros kimenetekkel. http://wiki.ham.hu/index.php/Logikai_%C3%A1ramk%C3%B6rcsal%C3%A1dok...logika Kristállyal, a kimenetet alaposan szűrve, távíró adónak talán. De ez olyan 'jobb kézzel a bal fület'.
Értem. A linket amit küldtél, már korábban megkaptam, és olvasgattam is, de azért köszi!
Köszi, ennek utánanézek, hogy árulják -e valahol a környéken!
Pl. tik-takos dobozba is lehet építkezni.
Még méret választék is van belőle |
Bejelentkezés
Hirdetés |


























