Fórum témák

» Több friss téma
Fórum » Tapskapcsoló
 
Témaindító: deniel, idő: Jan 22, 2006
Témakörök:
Lapozás: OK   5 / 30
(#) szabi83 válasza PCB hozzászólására (») Máj 6, 2007 /
 
Idézet:
„dugótápot”


nem dugasztáp?
(#) PCB válasza szabi83 hozzászólására (») Máj 6, 2007 /
 
Szia !

Dugasz, de nnyira mindegy
(#) suvy hozzászólása Szept 17, 2007 /
 
Sziasztok.

Szeretnék segítséget kérni.

Megépítettem a 2. oldalon a 4. hozzászóláshoz csatolt képeken látható tapskapcsolót.
Működik rendesen csak az érzékenységgel van probléma.

Olvastam a későbbiekben említett változtatásokról és ki is próbáltam őket,de semmi sem segített.

Előre is köszönöm!!

(#) adam666616 hozzászólása Nov 2, 2007 / 1
 
Hy. Van egy tapskapcsoló kpcsolási rajzom, csak az lenne a kérdésem hogy az 555-ösnek az 5-ös a 4027-nek meg a 2-es lába ki van húzva de nincs sehova sem kötve. Előfordúlhat hogy ezt össze kell kötni?
(#) Attila86 válasza adam666616 hozzászólására (») Nov 2, 2007 / 1
 
Nem. Azokat nem kell összekötni!
Az 555 5-ös lábára viszont tehetsz egy 22nF-os kondit a föld felé. A 4027 2-es lábát nem kell kötni sehova.
(#) denes44 hozzászólása Feb 28, 2008 /
 
A fenti kapcsolásnál szükséges 12V-os stab a graetz után (nyáktrafó), vagy jó neki az a 15-16V?
(#) kaqkk válasza denes44 hozzászólására (») Feb 29, 2008 /
 
melyik fentikapcsolás?????
(#) m.joco válasza kaqkk hozzászólására (») Feb 29, 2008 /
 
Szerintem erre gondol.
Üdv.
(#) Tomi20 válasza denes44 hozzászólására (») Feb 29, 2008 /
 
Heló

Szerintem rakj az IC-k elé, de a relé mehet a stab IC elé is, és így csak pár mA menne át a stab IC-n és hűteni sem kellene.
(#) denes44 válasza m.joco hozzászólására (») Feb 29, 2008 /
 
Igen erre gondoltam.
Annyit szeretnék még kérdezni, hogyha egy külön kapcsolóval is szeretném ki/be kapcsolni a rákötött fogyasztót, akkor azt hogy tudom megoldani?
(#) kaqkk válasza denes44 hozzászólására (») Feb 29, 2008 /
 
Az 555 -ös ic 2-es lábára rákötsz egy 1k -s ellenállást arra egy nyomógombot és a gomb másik kivezetését a testre .

1 nyomás -be mégegy nyomás ki .Erre gondoltál ?
(#) denes44 válasza kaqkk hozzászólására (») Feb 29, 2008 /
 
Igen erre, köszi.
(#) denes44 hozzászólása Márc 1, 2008 /
 
Megépítettem ezt a kapcsolást, de nem működik. Milyen alap hibákat lehet elkövetni?
Amint ráádom a 12V-ot behúz a relé. Illetve nem minden alkalommal, csak kb. 10ből egyszer, de a led világít amit rátettem (a tranzisztor után, hogy csak a relé behúzott állapotában világítson), valamint a tranzisztor is vezet.
Annyi a különbség hogy R3 nálam 681K, R4 pedig 140K, a 3900 helyett pedig 2900 van. Csatoltam a NYÁK tervet
(#) denes44 válasza denes44 hozzászólására (») Márc 1, 2008 /
 
Kicseréltem a tranzisztort hátha, mostmár mindig behúz a relé, ha adok neki 12V-ot.
Ha kiveszem az összes IC-t jó, hi visszateszem a flip-flopot már nem.
(#) pici hozzászólása Márc 1, 2008 /
 
Kapcsolós kérdés
Van egy kütyü, aksiról megy. Nem lehet elég kicsi on/off kapcsólót venni. Viszont mini nyomógombom az van dögivel.
Tudtok egy olyan megoldást, ami a nyomógomb segítségével bekapcsolja a cuccot ami aztán ha kell saját magát kikapcsolja (pl egy port csak erre H on L off)?
És persze off állatotban nem eszik (sok) áramot.
(#) jocokacska hozzászólása Márc 2, 2008 /
 
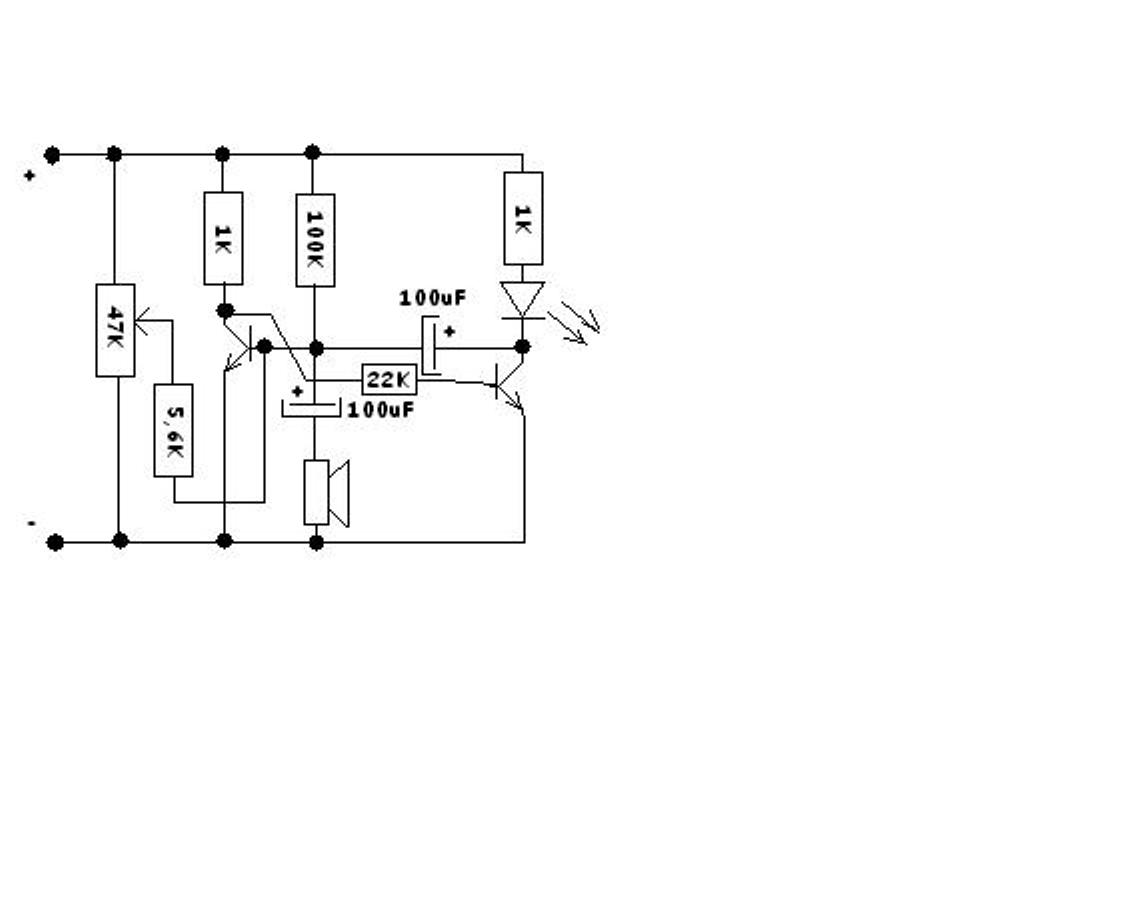
Hali!
A mellékelt kapcsolási rajzon egy hangérzékeny kapcsoló látható. (bocs a kinézetéért pint-el rajzoltam) Működése a következő. Ha belőttük a pótméterrel, mikor tapsol egyet az ember a led felvillan, majd körülbelül öt másodperc mulva kialszik. Hogy lehetne megoldani, hogy ez az öt másodperces idő 1 másodperc legyen?
A válaszokat előre is köszönöm! Üdv.: Jocó!

tapskapcs.JPG
    
(#) dbase válasza jocokacska hozzászólására (») Márc 2, 2008 /
 
A vízszintes 100mikros kondit cseréld 10mikrosra. Ha télleg müködik ez a rajz.
(#) jocokacska válasza dbase hozzászólására (») Márc 2, 2008 /
 
Köszi szépen!
Igen a rajz működik már megépítettem. Gondoltam hogy valamelyik kondenzátor lesz az. Kösz mégeccer.
Üdv.: Jocó!
(#) prst14 hozzászólása Márc 3, 2008 /
 
sziasztok ,én már építettem 1 tapskapcsolót ,de sajna a közelben nem kaptam szilárdtest relét ,és nem is tom mennyi az ára???help me!
thx prst14
(#) Bajkocska hozzászólása Márc 15, 2008 /
 
sziasztok! 11-dik osztaly vegere kell csinalnom egy vizsgadolgozatot es a tapskapcsolot valasztottam! de a keszulek melett kell csinalnom egy leirast is hogy hogy mukodik meg minden! 15oldalt kell csinalnom bevezetovel egyutt es nem kapok sehol anyagot hozza!ahoz szeretnem kerni tehat a segitseget hogy valaki magyarazza meg jo bővönn a tapskapcsolo mukodeset! vagy ha valakinek van ijen kesz dolgozata azt nagyon megkoszonnem mert lassan ki futok az idobol s ha nem lesz kesz akkor az gaz
(#) dbase válasza Bajkocska hozzászólására (») Márc 15, 2008 /
 
Előszőr is mutasd meg melyik rajzot választottad. Mert sok van a neten.Mindegyik más, de hasonló felépítés nagvonalakban.15 oldal max ugy jön össze hogy a hang keletkezésse, és terjedésével kezded, majd eljutsz az atomerőműig ami az áramot termeli a kapcsolásodnak.
(#) prst14 hozzászólása Márc 15, 2008 /
 
sziasztok
megéri e egyáltalán szilárdtest relét házilag építeni?
mennyibe kerülnek az alkatrészek???
(#) m.joco hozzászólása Márc 25, 2008 /
 
Találtam a neten ezt a tapskapcsolót. Ez ugye 2 tapsra kapcsol? Szerintetek működőképes? És működtethető volna 12V-ról? Bírnák a feszt az IC-k, tranyák?
Üdv.

ci4-clap.pdf
    
(#) Attila86 válasza m.joco hozzászólására (») Márc 25, 2008 /
 
Igen, ez két tapsra kapcsol. Annyira nagyon nem néztem át hogy működik-e, de szerintem működik. Viszont szerintem az gusztustalan dolog, hogy a második 555-nek a tápját az első 555 kimenete adja. Ha már három tok van az áramkörben akkor sokkal elegánsabb megoldást is lehetne alkalmazni. Sőt, a 2db 555 helyett 1db 556 és akkor már csak két tok.

Nézd meg az én áramkörömet, abban is két tok van erre a célra. (A kapcsolási rajz bal felső sarka.)
Na jó ez három tok mert van egy OPA is a mikrofon után, de azt meg lehet oldani egy tranzisztorral mint az általad linkelt pdf-ben is.
(#) marci91 hozzászólása Máj 4, 2008 /
 
Üdv! Szeretnék építeni egy Tapskapcsolót. Egy lámpát szeretnék kapcsolni vele, tehát 1A-es bőven elég lenne. Van esetleg valakinek számomra vmi működőképes és egyszerű rajza? Előre is köszönöm! Üdv!
(#) proba válasza prst14 hozzászólására (») Máj 4, 2008 /
 
Attól függ mihez kell 10A ig szerintem max 1000 huf ,(triak ,optotriak néhány ellenállás esetleg kondi meg egy hűtőborda -ha kell- sorkapocs ,panel, de ez legtöbbször valaminek a kimenete tehát amúgy is kell.)
és mennyiért veszel a boltban.
(#) prst14 válasza proba hozzászólására (») Máj 11, 2008 /
 
1000Ft...hmm ,az nem sok ,abár 1500 körül ha jól tudom ,akkor kapok szilárdtest relét??vagy nem?
1A?hát nem tudom ,talán ,am hol találok egyszerű leírást ,NYÁK rajzot ehhez?Attila 86...már személyesen is megírtam hogy haladj a tapskapcsolóddal ,már nagyon várom hogy kész legyen ,a forrasztó állomással most küszködök ,mert leforrasztani mindent ,majd ujra forrasztgatni...ááá...elég pocsék meló de ÖSSZPONTOSÍTS A KAPCSOLÓDRA
(#) proba válasza proba hozzászólására (») Máj 11, 2008 /
 
Hát ez nem egy nagy ördöngősség .
Rajz pl itt a 4.oldalon az első.
(#) Szebence hozzászólása Máj 22, 2008 /
 
Sziasztok!


Elég sok féle tapskapcsolót látam már neten (régebben) de most nem találok olyat amire nekem szükségem lenne.

12 vagy 5V-ról működjön és 1 tapsolásra villanjon fel egy led, és potméterrel lehessen állítani 0-tól pl 1-2 secig, hogy mennyi ideig villanjon fel a led... Az a lényeg, hogy a 0-tól lehessen állítani, felsó határ nincs. A led helyett majd más lenne bekötve.
(A legegyszerűbb rajzot keresem, aki tud kérem segítsen)

Előre is köszönöm!
(#) sprofan válasza Szebence hozzászólására (») Máj 22, 2008 /
 
Fogsz egy egyszerű tapskapcsolót ami egy tapsra ad egy impulzust, a kimenetére rákötsz egy LED-et meg egy 555 időzítőt monostabil kapcsolásban, ennek a kimenetére egy tranzisztor és kész. A bekapcsolva tartási időt potival állítod az 555-el.
Következő: »»   5 / 30
Bejelentkezés

Belépés

Hirdetés
XDT.hu
Az oldalon sütiket használunk a helyes működéshez. Bővebb információt az adatvédelmi szabályzatban olvashatsz. Megértettem