Fórum témák
» Több friss téma |
- Ez a felület kizárólag, az elektronikában kezdők kérdéseinek van fenntartva és nem elfelejtve, hogy hobbielektronika a fórumunk!
- Ami tehát azt jelenti, hogy a nagymama bevásárlását nem itt beszéljük meg, ill. ez nem üzenőfal! - Kerülendő az olyan kérdés, amit egy másik meglévő (több mint 17000 van), témában kellene kitárgyalni! - És végül büntetés terhe mellett kerülendő az MSN és egyéb szleng, a magyar helyesírás mellőzése, beleértve a mondateleji nagybetűket is!
Hello!
Most osztogatnak, vagy fosztogatnak.. Mert ebből, nem lehet megtudni, mit is szeretnél.. - Feszültség vezérléssel szeretnéd változtatni a motor fordulatszámát? - Egy potméterrel szertnéd változtatni a motor fordulatszámát? - Vezérlőfeszültséggel szeretnéd ki-be szeretnéd kapcsolgatni a motor áramát. Az első két eset PWM szabályozás, az utolsó, csak egy tranyó. De azt is illene tudni, milyen típusú, mekkora feszültségű és mekkora áramerősség igénye van a motornak. Valamint a vezérlő feszültség mekkora. Valaki csak ennek ismeretében tud valami érdemleges választ adni. üdv! proli007
Hello!
Készítesz mind két OPA-val egy ilyen kis kapcsolást. Ha villog a Led, működik. üdv! proli007
Köszönöm!
Ez csak egy késleltető áramkör, ez kifejezetten a fényerő csökkentésére nem jó!
Sziasztok.
Telefonból bontottam egy led vakut és az érdekelne, hogy kb hány V, mA kell neki, illetve birná-e a folyamatos üzemet?
Ha van otthon egy CD lejátszód, amiben a kimeneten van opa, oda raksz egy foglalatot, és ha szól jó, ha nem akkor nem!
Elvileg mennie kéne folyamatosan, nekem a PDA-mon lehet lámpának is használni!
tehát nekem van egy ilyen ilyen motorom és egy négyszög jelem és egy tápom amiről különböző feszültségeket tudok levenni 12 és 3V között
és meg kell oldanom hogy ez a motor tudjon lassan is és gyorsan is forogni!
Sziasztok!
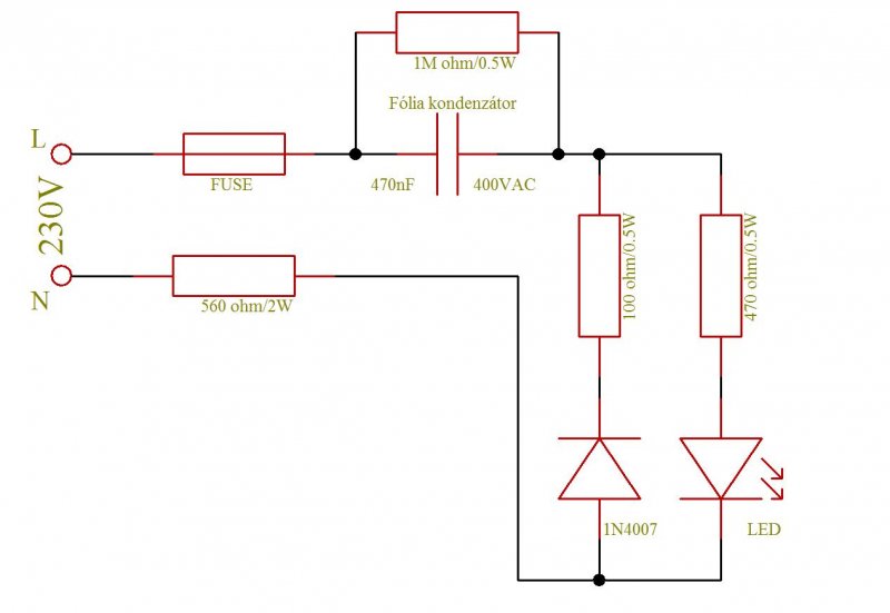
Ezt az áramkört szeretném megépíteni, ma meg vettem hozzá mindent csak nem kaptam olyan kondenzátor amilyen a rajzon van, de vettem két más fajtát. És az lenne kérdésem, hogy melyik típussal lehetne a 470nF 400VAC-s fólia kondit legjobban helyettesíteni, a következő típusok közül: R46 MKP X2 SH 470nF 275Vac R75 MKP ND .47J630 Segítséget előre is köszönöm! smrtln
Valóban,gyorsan olvastam a kérdésed és félreértettem.
Bocsánat!
Sziasztok!
Nem tudja valaki, hogy az olyan pici kis izzóknak,amik az ilyen fényfüzérekben vannak milyen feszültségűek és mennyi az áramfelvételük? Van egy köteggel csak a vezérlő már nincs meg. Köszi
Módosítottam a kapcsolást. Így majdnem olyan mint amit akartam.
Hogyan kell kiszámolni R1 és R2 értékét. (itt még gondok vannak) Idézet: „De ha az 3W-os és 13kohm, akkor a C3 feszültsége rendesen nagy.. Tehát itt pontatlanságok vannak.” Számít, hogy az a kondi 50V vagy 35V? Cseréljem T1 -et 2N3055 -re? Elnézést az ilyen kérdésekért, de ezt csak magamtól tanulom és csak a ti segítségetekre számíthatok.
Szia smrtln! Amennyiben 230V-ról szeretnél LED-et üzemeltetni, nem ez a legegyszerűbb kapcsolás.
Nincs kedved elbonyolítani a kapcsolásod? Hibajel-erősítővel és Darlington-teljesítményfokozattal jobb eredményt érhetsz el. Kisebb vezérlőáram-kisebb hőfejlődés. Ráadásul a stabilitása is jobb lesz. Variable power supply
Köss rá egyet egy szabályozható tápra!
Ismerem a kapcsolást.
Itt a lényeg az egyszerűségben van. Amúgy ebben a kapcsolásban is 3055 van. ![]() A két ellenállást kellene belőnöm és jó lenne. Csak nem tudom hogyan kell kiszámolni.
Adatlap mit mond? Gondolom egyszerubb ha mas irja be a keresobe, nem Te.
Csa Vili Ps: kulonben tokozas.
Tényleg.
Haljon meg a lovam ezt nem is láttam. Köszi
Az egyszerűség ebben az esetben nem a nagyszerűség szinonímája. Akkor már inkább egy LM317. A poti legyen 4,7 kohm, az ellenállás meg 1kohm. Ezek ránézéses értékek, biztos lesz, aki pontosítja. A BD bázisából vedd ki azt a nagy elkót. Max. 2µF legyen.
Hello. Amerre én tanulok több mint 2 hónapja oktatják a PIC programozást hivatalosan iskolai keretek között papírforma szerint...
A tudásom nagyon kevés e téren és szeretném elmélyíteni, mert a vizsgához is szükséges lesz, de ezt csak itthon tehetem meg. Mit javasoltok, mivel kezdjem? PIC-el milyen alkatrészeket lehet helyettesíteni? Mikor Használjuk? Szeretnék építeni PIC égetőt otthoni használatra. Ezután egy LC mérőt PIC-el megépíteni. Milyet PIC égetőt javasoltok? A segítséget előre is köszi. M.
Szia Marko Ramiusz!
Nekem az volt a célom hogy nem a legegyszerűbb, hanem a legmegbízhatóbb kapcsolást építsem meg. Sok olvasás és keresgélés után erre jutottam. ![]() smrtln
Üdv.
Egy Canon A570-es fényképezőgéphez szeretnék használni adapterként PC tápegységet. 3,15V van a gépre írva a tápegység 3,3V-ot ad és szépen megyen róla. Használhatom én nyugodtan róla? Nem fog neki megártani az, hogy ez nem trafós hanem kapcsolóüzemű tápegység? Amúgy mi a különbség a kapcsolóüzemű és a trafós tápegységek DC kimenetén? Nem értem mind a kettő egyenirányított és kondival simítva. Akkor mi a különbség? Nem sokat konyítok az elektronikához, azért kérdem.
Hali!
Lenne egy kérdésem. Átnézegettem a fórumot, de nem igazán találtam rá választ. Egy készülék nevére vagyok kiváncsi. Akkor szokták alkalmazni, amikor több áramforrást kell összekapcsolni terhelés függvényében. Tehát, ha mondjuk van egy napelem a tetőn, van egy szélgenerátor, pelletgenerátor vagy egyéb alternatív áramforrás akkor a szerkezet terhelés függvényében eldönti, hogy mikor melyiket kapcsolja össze, illetve mikor kapcsol plusszba rá hálózati ármamot ha kell. Ezen a linken láthattok egy képet, amin látható az a bizonyos doboz, amibe befutnak a különböző áramforrások: http://www.otag.de/__we_thumbs__/77_7_kombination.jpg A készülék pontos nevére lennék kiváncsi, nem találtam rá sehol. Előre is köszi a segítséget.
Szia! Ha jól tudom, a 78L05 az a 7805 kistestvére abból a szempontból, hogy az "L" jelzi a terhelhetőséget, ha jól tudom ez itt 100mA. A sima, jelölés nélküli stab. ic-k általában 1A-t tudnak. Ez neked annyit számít jelenleg, hogy kevésbé fog melegedni az IC, bár szerintem ebben a kapcsolásban azért szerepel az L változat, mert abból van SMD és így helyet lehet spórolni.
Üdv
Ha érdekelnek a kapcsoló üzemű tápegységek, akkor szerintem kezdetnek nem rossz olvasmány ez:
Bővebben: Link Üdv
Fejlemények!
Ma reggel volt egy csávó a szolgáltatótól és bemérte a jelszintet bent a tv-nél. 74 dB minden adónál. Ez jó nem? Kevésnek biztosan nem kevés. Akkor mitől szemcsésedik az adás? Üdv, J
Nagyon jó ez a kapcsolás, külön tetszik benne, hogy 500mA terhelés felett sípol
Szerintem átveszem az ötletet a labortápomba, csak kb. 1.5A körül tenné ugyanezt! |
Bejelentkezés
Hirdetés |


















