Fórum témák
» Több friss téma |
Sziasztok
Köszönöm neked, és INHOUSE nak a megoldást, remélem sikerem lessz vele. Erre gondoltatok?
Szerintem így nem lesz jó, pedig Proli007 jókat szokott mondani, profi szakember.
A legegyszerűbb, ha megépíted úgy ahogy van, és ha egy helyre kell az a két impulzus, akkor egyszerűen párhuzamosítod a 2 relé 2 érintkezőjét. Vagy ha nem kell nagy áramot kapcsolni, akkor a 2 relét meghajtó tranzisztor kollektorát közösíteni, vagy kapcsolat, nyitott kollektoros kimenet... Üdv Inhouse
Igazad van, kipróbáltam, relék nélkül, a két tranzisztor collektorát összekötöttem, azzal, hogy a kettő közé tettem két diódát úgy hogy az anódjukat közösítettem, a kodi helyére 100- ast tettem és működik a kapcsolás, de a kikapcsoláskor keletkezett impulzus kb. fele a bekopcsolásinak. Megprobálom közösíteni egy 555-el és jó fog lenni (kb fél percre akarom állítani).
Kösz mindent.
Relék nélkül nem lesz szerintem elég meredek a vége. Mit kapcsolsz a tranzisztorokkal?
Üdv Inhouse
Próbára ledet raktam, igaz parazslott a legvégén, de ezt kapcsolom:
Ennek mindegy, hogy az egyik rövidebbet ad, adott hosszúságú ideig lesz magas a kimenet.
Üdv Inhouse
Hello!
És miből gondoltátok, hogy nem működik? Ez az egyszerű tranzisztoros kapcsolás nem túl korrekt, de működőképes. Az kétségtelen, hogy a be és kikapcsoláskor nem adhat azonos időt, mert a kondi töltése és kisütése nem azonos időállandóm keresztül működik. A relé fogyasztása miatt is lehet, hogy a Q2-nél darlington tranyót kellene alkalmazni. üdv! proli007
Jogos, benéztem! Azt az új D2-t nem vettem figyelembe. Félve írtam, és tessék...
Üdv Inhouse
Hello!
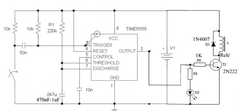
Akkor legyen egy 555-ös példa. Ezt lehetne vezérelni akár logikai jelszinttel, akár kontaktussal az 2-3 vagy 1-2 bement között is. És egy másik példa, hogy XOR kapuval is milyen egyszerű az egész. Kis OFF _JANI_ örömére. :yes: üdv! proli007
555-el szeretnék egy forgásirányváltót építeni.
Egy astabil kapcsolást építettem.A forgásirányváltást kellene megoldani. Hogyan tudom ezt megtenni relé nélkül? Cd meghajtó ajtajának nyitása és csukása lenne a feladat.
Az 555-ös elsősorban időzítésre lett kitalálva, s kimenete 200mA-t is elvisel. Így elvileg kis motort is meghajthat. ( Persze a kapcsoló tranzisztorok védődiódáiról nem szabad elfeledkezni! ) Ha két 555-ös kimenetei közé kötöd a motort akkor egy H-hidas kapcsolást kapsz. Így már meg lehet fordítani a motor forgásirányát. Milyen projekt készül?
Először is köszönöm a segítséget!
Egy maratókád-lötyögtetöt készítek!
OFF nem érdekes!
Viszont szeretném megkérdezni, hogy az 555-ös kapcsolásban a Q1 földelt bázisos kapcsolásának mi is a pontos feladata? Előre is köszönöm. (#847379) Kotesz: Érdekes ötlet az újrahasznosításra!
Hello!
Nagyon egyszerű. A Q2 pozitív élre, míg a Q1 negatív élre indítja a monostabilt.. Az ötlet, a hangszóróvédő kapcsolásból jutott eszembe. Csak itt másra használom. üdv! proli007
Az ajtó helyzetjelző "nyomógombjai" még működnek?
Mert nem lesz egyszerű a megfelelő időzítés beállítása ha csak egy AMV-s kapcsolást fogsz használni...
Amennyiben még működnek ( vagy be lesz építve... ) akkor itt egy elvi teszteletlen kapcsolás. A motor csak akkor forog, ha csak az egyik kimenet lesz magas szinten. Ha mindkét kimeneten L vagy H szint van akkor a motor áll. Mindkét nyomógomb nyomásra zár. Jó kísérletezést.
sziasztok
valami ilyesmit tudtok ? http://www.youtube.com/watch?v=bo_652y9uX8 vagy ilyet http://www.youtube.com/watch?v=lBtOCfCcr7A
Szia!
Itt megtalálod a rajzot is: Bővebben: Link ezt a kapcsolást láncba lehet kötni (SIN-SOUT, CLIN-CLOUT).
Órajelet is igényel (CLIN), ezt egy 555-el megoldhatod.
S 4017-et is ha több füzért kell véletlenszerűen vezérelni.
Szerintem a 4017-nek célszerű külön ( 555-ös ) órajel.
Én nem értek a digitális dolgokhoz, ezt az alábbi kapcsolást csak találtam. Minden bizonnyal a 4017-et is lehet füzérbe kötni.
Lehet nem pont neked kellett volna az előbb válaszolni.
Inkább csak kiegészítésnek szántam. A 4017-es számláló akkor kell, ha több különálló füzért kell "elindítani". Így nem kell kézzel indítani a fényeket. Hasonló kész gyári kapcsolásnál is megtalálható. Mert ez a legegyszerűbb a sima két különálló oszcillátoros vezérlés után. Persze csak a fantázia szab határt, hogy miként lesznek vezérelve a jégcsapok... ![]() PL: A DiscoLitez hardverével kapásból 32 jégcsapot lehetne függetlenül zenére elindítani. Az azért már kicsit :yes: látványos lenne!
Köszönöm az információt! A flip-floposnál a kézi indítás valóban hátrány, de biztosan ezt is lehet "automatizálni".
szia Jani
Próbáltam a kadarist által ajánlott fórumból kihámozni egy általam is megépíthető kapcsolást de nem sok sikerrel. Azt és is láttam, hogy kézzel inditotta a fénysort és ezt kellene automatizálni vagy központilag vagy egyesével. azért gondolom hogy van lehetőőség egyesével is mert van olyan oldal ahol úgy hirdetik hogy külön külön egyesével meg lehet venni a csöveket, külön a gerinvezetéket amin leágazások vannak és külön a dugasztápegységet ami táplálja. Jó lenne egy kész kapcsolás esetleg nyák rajz amit meg lehet épteni. Az elvi kapcsolási rajzból az sem derül k hogy milyen előtét ellenállásokat használ. de a legnagyobb hiány számomra az automata indító impulzus vagy minek az elektronika hiánya. Tudsz esetleg ebben segíteni ?üdv : vhelo
Egy 555 (vagy valamilyen TTL astabil) megoldja ezt a problémát is (szerintem).
Köszi a válaszokat.
Egyenlőre csak a mechanika van a motorral.A többi részét még nem néztem. Egyenlőre egy relével oldom meg az irányváltást.De az általad irt kapcsolást is megépítem próbapanelen és kisérletezek vele. Beszámolok a fejleményekről. |
Bejelentkezés
Hirdetés |












