Fórum témák
» Több friss téma |
Sziasztok!
A címben lévő problémára keresek megoldást, és választ is mi okozza a zajt, ami csak akkor hallatszódik a kimenten, ha a laptopra töltést kapcsolunk? A zaj folyamatosan változó zizegésben jelenik meg ami az egér mozgatásra változik, ugyanígy egy program futtatásakor és mintha a winyó hangájt is hallani lehetne. Köszi Norbi.
Elb...ták(nem kicsit, nagyon) a tápfesz szürését,és/vagy az árnyékolását az áramkörnek.
Sinte semmit nem tehetsz ellene...(szerintem)
Sziasztok!
Nekem is ez van a gépemmel!!!!Pont ugyanez.Teljesen olyan, mintha lehetne hallani, h mit dolgozik a gép.Minden műveletnél másmilyen hangot ad. Nekem van egy autóerősitőm, és azzal hallgatok zenét.És hogy jó legyen a tápja, vettem egy számitógéptápot, és azzal megy.És nekem azóta lépett fel ez a probléma.Ha huzalos trafóval adom az áramot az erősitőnek, nincs hangja. Az lehet, h a kettő bezavarja egymást???(mert mindkettő elektronikusan transzformál)
Próbálj ki egy másik adaptert, hátha a tied szűretlen. Ha segít nyertél ha nem akkor csatlakozom az előttem szólóhoz....
nekem is ez a helyzet atx es gépnél én őszintén kib***tam belőle a "tápegységet" és vettem bele egy tápeységet ami valóban az. Nekem a cdrom a proci hűtő ilyesmi zajok voltak vannak benne. a venti zajt és vinyó zajt sikerlt eltöntetni. igazából elég nehéz. Vedd meg a leglassab tranyót ésrakd be sorosan így a magasabb frekvenciás tüsik nehezebben jutnak át. meg sok kondi tekercs és számolás.
Dudus: kipróbáltuk és ugyanaz..
Elektro: esetleg nemtudnál valami konkrét megoldást.. az elméleti részét nem vágom nagyon, szoval elvileg egy jól megépített és szűrt táp ami mondjuk ugyanakkora amperrel tölt mint az eredeti, megoldaná a problémát???
Hagyományos trafos stab táppal próbáld meg, ha akkor is zajong akkor térdre imához!
Szokásos táp max4A-t vesz föl kivéve néhány elmebeteg Gericom a 6A-s tápjával. Tehát a polaritásra figyelve tedd rá egy analóg labortápra, ami bír ennyit , ha elkussol érdemes csinálni/venni egy normálisat.
Amivel próbáltad más gyártó más típusa volt?
A lapi töltésszabályzója is beleketyeghet a hangba.
Ebben az esetben nem lehet tenni semmit. SZERINTEM
Nemcsak szerinted!
A hálózati táp az egy egyszerű egy feszültséget adó PWM-táp. Szinte bármilyen rossz lehet, az nem jut el a hangszóróig. Az alaplapon van egy komoly táp, ami először kétfelé osztja a bejövőt: töltő felé és géptáp felé. Ugyanakkor a géptáp akkuról is ellátja a dolgát.Ezt azért kellett így megoldani, hogy az akkun ne legyen fogyasztás a töltés közben. Szóval biztos, hogy a belső tápban van vmi gond. Ha újkorában is ilyen, akkor tervezési (nyák vonalvezetés/vastagság) hiba, ha később lépett fel, akkor valszeg elkók száradtak. Ezeket nem egyszerű pótolni, mert kis ESR (equivalent serial resistance=kis soros (belső) ellenállású) típusúak. Senkit ne tévesszen meg a 105fok, az jó dolog, de ilyen helyen nem elég.
Nos elárulom a nevezetlen laptop egy ASUS A6 -os szériából van és kb 1 hetes lehet! Ennyit a minőségről.
Köszönöm mindenkinek a válaszokat, asszem meg fogjuk próbálni egy ilyen labortáppal, már ha sikerül valakinél találni. Sebi: én nem vágom ennyire a dolgot, de: ha mondjuk az a feszültséget adó PWM táp nem zajos akkor feltételezem hogy a gépben lévő alkatrészek már nem generálnak zajt, de lehet hogy csak nagyon laikus vagyok!? Egy másik kérdés: Hallottatok már biztosan olyat hogy LAPTOP DJ, nos ők vajon miről zenélnek?
"Egy másik kérdés: Hallottatok már biztosan olyat hogy LAPTOP DJ, nos ők vajon miről zenélnek?"
hát eggyáltalán nem leptopról. hanem kb 10 000 000 a telljes berendezés ára. de persze ez csak a "dj szett" (magyarországon felejtős) a stúdiófelszerelés árát nem is merem megemlíteni. egyébként készülök a hangmérnöki főiskolára és mindenképp szeretnék stúdiót nyitni csak sajnos tudom mi mennyibe kerül. Ui: van pár dj haverom aki a földön röhög a "leptop DJ"hallatán
Ok, valóban nevettséges egy DJ -nek a "Laptop Dj" kifejezés és hogy egyáltalán Dj -knek nevezik magukat, de attól még a tény nem változik, gépről zenélnek ami nem zajos és nekem most ez a lényeg :yes: .
És mint magyarokra jellemző nem 10 millából dolgoznak, sőt egy jobb PC -ről simán lehet úgynevezett Dj -t csinálni mert ugyebár ott nem a "white" minőség kell, de persze zajmentes ami a szóbanforgó laptopra nem jellemző. Viszont pont azért kellett a laptop, hogy egy-egy buliba ne kelljen már a gépet cipelni monitorostól. ÉS erre tessék egy jónak tűnő laptop ZAJOS!
szóval azt akarod mondani hogy a leptop hangkártyájára rákötöttél egy nagytelljesítményű erősítőt és meglep hogy zajos.
próbáld meg külső hangeröszabályzással és a lapiét told maxra. de mivel nem erre a célra készülnek hanem pl fejhallgatóhoz ezért nem garantálom hogy megszűnik a zaj.
Tulajdonképpen van a laptop után egy keverő és egy erősítő is, de nem azzal van baj hogy kicsit zajos a hangkártya, hanem hogy töltés közben nagyon ZAJOS!
Sőt van egy USB hangkártya ami szintén ugyanezt produkálja! Mert alapból ok hogy nem studió minőség, de ez még jó is lenne mert a célnak így is teljesen megfelel, hanem, hogy ha rákötöd a töltésre akkor miért?
Nekünk is Asus A6500U van nekem teljesen csendes. A másik Laptop DJ az odáig stimmel hogy laptopmeg az is hogy DJ de az hogy a 2egymás melletvan az nevetséges. Szerintem mindenki dj aki letölt egy jóprogit, eznem nagy szám. Mért nem bakelittel vagy akár legyen a cd lejátszó az általában megfigatja az ilyeneket. A stúdió nyitásrólmeg szerintem le kell mondani. Mi is nyitni akartunk de sajna mi is tudjuk hogy 10milla fölött kezdődik akusztuk szoba keverő rögzítő mert ugye a laptop nem erre való kábelek mikrofonok egy jó dobmiki szett ott van 200e ami studioba való. A baj ott van inkább hogy nincs rá igény mert ha jól széjelnézel minden utca sarkon ott a sufnistudio. Tehát a kis studo építés kizárva a komolyab az megint van egy jópár és azzal elég nehéz versenyezni.
Erre a kérdésre már volt válasz nem is egy
Az asztali PC is beleszól a hangkártyába, de magasfrekin ezért nem hallod, de az erölködő nagyon szereti. A hangfal méginkább. De mikor a 4.- 5. magassugárzót cseráli az ember akkor kicsit elgondolkodi. De itt nagy telljesítményről beszélünk.
Vannak hangkártyák ( én SB Live-ot használok), amikből kijön az SPDIF. Én ezt kötöttem a hangfalra és gyakorlatilag nincs zaj . Láttam már notebook-on is SPDIF-et.
A múltkor nézegettem egy függvénygenerátor programmal a hangkártya kimenetet a notebookon és a live-on osziclloszkóppal különböző jelalak és freki esetén, háááááát tanulságos
le kell mondani. Mi is nyitni akartunk de sajna mi is tudjuk hogy 10milla fölött kezdődik
nem mondom le!!! egyébként az alsó határ 40milla és gondolom nem magyarországon keresem meg az árát, mert itt nem lehet. amit itthon lassan 10 év kemény melóval összehoztam, kint 1 év alatt meglenne.
Laptop belso cucca eleg gyatra .
Kolso USB vagy Firewire hangal hasznaljak. De ha csak tolteskor csinalja akkor nem akkor hasznalod mikor toltod . Ugy ertettem hogy tolteskor hallatszik a zaj, szerintem a tolto kabelen jut be , esetleg vissza a zavarjel ., kene legyen mindenfele ferrit gyuru a kabeleken. En normal ASSUS P IV , el is hallom neha egy egy mukodesi fazisban , de tele is voltam kabellel ,a hazi ministudiomban , atrendeztem egy kicsit a kabeleket es most nincs zaj ( a 7KHz korul jott a zizeges , a kabeles mouse is halatszott meg a HDD is neha ) Pld ha a gitart leteszem a PC melle raengedve a torzitot , gyonyoruen hllatszanak az "adatok" ahogy zizegnek .Ez visszajuthat mas uton is a hangkartya bemenetere. Elsosorban kabeleket ferrit -gyuruzni , aztan megfigyelni hogy a kabel helmodositassal menyit valtozik a zaj, mouse kabel is szorja az "adatokat" mint ergy radioado.
lehet nezegetni a zajt belso soft spectrumanalizatorral.
amugy vannak hangkartya testelo programok. az SBLive 24 bit egy turheto hangkartya ..csak ne lenne rajta az a 7+1 , dehat ez a divat. Fel fog jonni a Firewire hang , tobsavos realtime fuldulpex savonkent mixerek mar vannak es csak az aruk essen , a most hasznalt (regi) IC , 96 csatornan , 96KHz/24 bit-et tud.Csak PC birja irammal. ilyen mixereket hasznalnak Laptopokkal nagyon jo terepen felvetelezni , mondjuk szabadteri koncert...stb
vedd azt is figyelembe, hogy az a lapi tápjától független, és külső A/D D/A jáccadozik a hanggal
így persze hogy nem eredményez olyan mértékű minőségromlást.
Nekem is hasonló problémám van. Vettem egy pcmcia-os Audigy hangkártyát a laptoppomba (Acer). Fülesen hozza is a 110dB
es jel zaj viszonyt, viszont mikor kierősítem ugyanaz a problémám mint az előttem szólónak. Zúg a wincseszter, kattog az egér stb. Ez egy profi hangkártya!? Hogy is van ez? Nem az lenne a dolga, hogy ne jussanak be ezek a hangok? Nem tudom ki hogy van vele én fejhallgatón nem hallgatok zenét. dobbjam ki a szemétbe? Attól még, hogy a laptopnak rossz a szűrése( szerintem mindegyik laptopp ezt csinálja) ha hangkártyát gyártanék bele, nem az lenne a dolgom, hogy kiszűrjem ezeket a zajokat? Aki megoldja, hogy mért zúg, és ad egy ésszerű megoldási lehetőséget annak fizetek egy sört !
Nekem is hasonló problémák jelentkeztek a toshiba lapival. Nekem egy nagyon picit beleszólt a vnyó hangja, meg amikor rátettem a töltőre, akkor elkezdett "pattogni" a hang, szóval zúgott, ami elég zavaró.
Végül próba képp a lapi töltöjét az erősítőétől különböző fázisú konnektorba dugtam és MEGSZŰNT. a mibenlétét nem tudnám megmondani, talán esetleg földhurok miatt búgott ??
Üdv mindenkinek! Ez a probléma valószínűleg a notebook(PC) és az erősítő közötti földhurokból adódik, ami csak akkor keletkezik, ha notebook töltőre van kapcsolva(a PC ugye állandóan hálózatról üzemel).Valószínű hogy az erősítő nem földelt, de egyébb rácsatlakozó hangforrás igen és ezzel földeli az erőlködőt.
erősítő(földelve) <-> notebook(hálózatról szintén földelve) = földhurok ami különböző zajokat eredményez(50Hz-.....,vincsi,egér stb.). Megoldás lehet egy jóminőségű DI-BOX (leválasztó transzformátor) közbeiktatása a notebook és az erőlködő közé. A stúdiókban is ezt használják. Remélem segítettem.
Ugyanez a problémám, régi p2-es Tomato alaplappal szerelt gépnél. Hangkari, vga integrált. És én is, ha mindent maxra veszek a hangkarin, meg az erősiítő is maxon van, akkor hallok zizegő zajokat. A poén az, hogy ugyanez a zaj hallatszik az alaplapról is...
Vicces nem? Végül is arra a következtetésre jutottam, (mivel hogy a zaj a képernyőn lévő kép változásakor lép fel, és mivel ms-dos képernyőn szinte teljesen elmegy a zaj) hogy a videókari chipje-je már nem tiszta
A megoldás utazóakkumulátor!
Én szoktam zenélni laptoppal kissebb rendezvényeken és ez jött csak be!(elég drága én is kölcsön szoktam kérni)
Sziasztok!
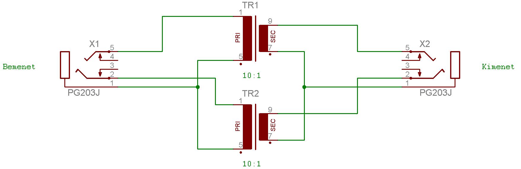
Rég olvastam errefelé, és közben megoldódott ez a probléma, így leírom mindenki örömére. Nos a zajt ahogy már egykét hozzászólásban felvetődött a földhurok okozza, amit nagyon egyszerűen úgynevezett földhurokleválasztó trafóval meg lehetett szüntetni. Az erősítő és a keverő természetesen maradt földelve csak a laptop kapott egy 230V -os leválasztót és a zaj teljesen eltünt! Egyébként köszönöm mindenkinek a hozzászólásokat. Üdv.: Ory Idézet: „Megoldás lehet egy jóminőségű DI-BOX (leválasztó transzformátor) közbeiktatása...” Esetleg tudnál mutatni egy ilyen kapcsolást?
Ez a stereo változat, értelemszerűen 2 db trafó szükséges, amit elektronikai boltokban lehet kapni.
|
Bejelentkezés
Hirdetés |




es jel zaj viszonyt, viszont mikor kierősítem ugyanaz a problémám mint az előttem szólónak. Zúg a wincseszter, kattog az egér stb. Ez egy profi hangkártya!? Hogy is van ez? Nem az lenne a dolga, hogy ne jussanak be ezek a hangok? Nem tudom ki hogy van vele én fejhallgatón nem hallgatok zenét. dobbjam ki a szemétbe? Attól még, hogy a laptopnak rossz a szűrése( szerintem mindegyik laptopp ezt csinálja) ha hangkártyát gyártanék bele, nem az lenne a dolgom, hogy kiszűrjem ezeket a zajokat? Aki megoldja, hogy mért zúg, és ad egy ésszerű megoldási lehetőséget annak fizetek egy sört !
??
Vicces nem? Végül is arra a következtetésre jutottam, (mivel hogy a zaj a képernyőn lévő kép változásakor lép fel, és mivel ms-dos képernyőn szinte teljesen elmegy a zaj) hogy a videókari chipje-je már nem tiszta






