Fórum témák
» Több friss téma |
Fórum » Csöves erősítő készítése
Ne feledd betartani a fórum viselkedési szabályait, és a topik megmaradásának feltételeit. [link]
A téma átmenetileg fagyasztva lett, hozzászólni nem tudsz!
Már fel vagy véve
Akkor majd este felmegyek
Simán csinál toroidot is, akár SE kimenőnek is. Ha megmondod, hogy milyen csőhöz és milyen beállítással kéred, azt is kiszámolja.
Azt hiszem (sajnos még nem vagyok otthon a témában) SE a kapcsolás amit meg szeretnék csinálni. (csatoltam). Amit írtam kimenő, az lenne hozzá való 8Ohm-ra. 8Ohm-os hangfal lenne ráakasztva. Ennél milyen beállítások kellenek? (bocs ha hülyeségeket kérdezek)
Szia. szeintem szép ez a cső, bár honan lehet hozzá felhajtani foglalatot...........ami nem mellesleg prob...mire megtekerteted a trafókat.hááát az egy vagyon és úgy fogja tekerni a villanyórát
annyi de annyi szép cső van kevesebb problémával ...pl.gu 50 ...el 34...6h13c...és stb.Ajánlom figyelmedbe....
Valami otromba tréfát űz velem ebben az EAR859-ben.
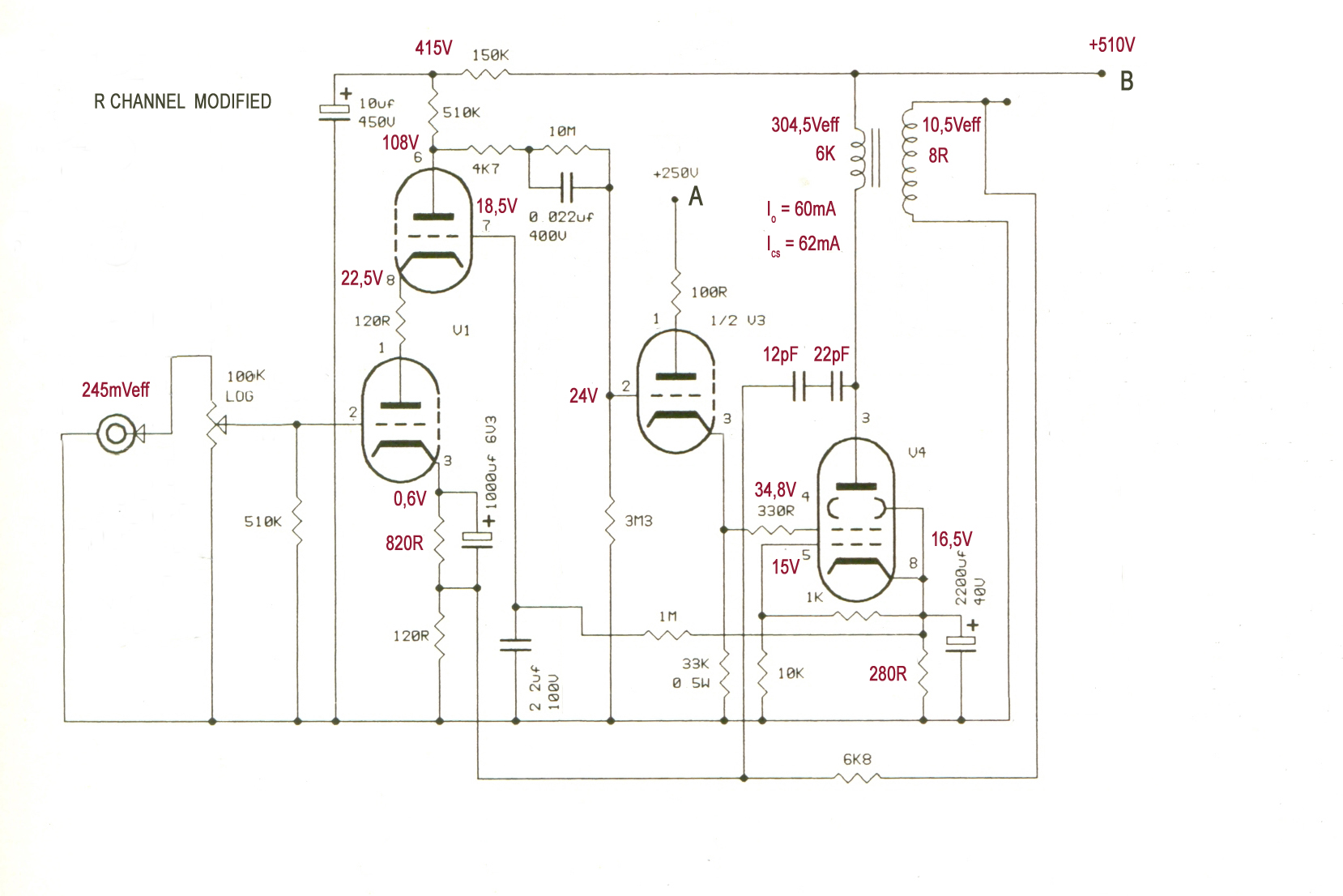
Tegnap "visszaalakítottam" a kapcsolást és most más irányban indultam el. Az első cső katódellenállását csökkentettem miközben próbáltam minnél kevésbé növelni a végcső katódellenállását. Igyekeztem így beállítani a kimeneten a legnagyobb kivehető jelet. Találtam is egy tökéletes munkapontot meglepően alacsony, 60mA-nyugalmi áramnál. (A képen egy 10,5Veff-es 1kHz-es jel látható.) Olyan stabilnak bizonyult, hogy több órán át méregetve mind a 14db E88CC csövemet végigpróbáltam benne mindkét csőpozícióban. Voltak olyan csövek, amik mindenhol megállták a helyüket, de kb. a fele csak a katódkövető pozícióban volt jó, gondolom ezek lehetnek a használtabb gyenge csövek. Közben felvettem a feszültségértékeket is a rajzra. Ma reggel gondoltam belepróbálom a másik EL509-es csövet is. Egy picit nagyobb nyugalmi árammal, de hozta az elvárt értéket. Miközben kerestem a kivezérlés határát (figyelve a szkóp ábráját és a mV mérőt az 1 ohmos katódköri ellenálláson) egyszer csak hirtelen eltünt a szinusz felső csúcsát durván féloldalasan levágva, és azóta sem a csőcsere sem más nem tudta visszahozni a korábbi állapotot. A feszültségértékek alig térnek el (csak kb. annyit amennyit a hálózat ingadozik) de ezzel a beállítással már a 8Veff is alig jön össze. Próbáltam cserélni a végcső katódkondiját, mert észrevettem, ha azt kiiktatom hasonló jelenséget produkál. Sajnos ez sem oldotta meg a problémámat. Most teljesen tanácstalan vagyok...
A foglalat se nagyobb probléma, mint a cső… A példák pont rosszak, gondolom az lenne benne a vicc, hogy direkt fűtéses, és ilyen szépen pirít… GU15, 211, 845, és amiből én is építek egy SE-t, az a GM70
Lehet, hogy csak 125Wattos (adatlap szerint, ami szerintem nem igaz), de elég olcsó, és szép, és nagy
Ha a nyugalmi feszültségek nem mentek el, valószínűleg menetzárlat lett a kimenőtrafó primerjén, ezért elment az illesztés (a kimenőn cs-cs-ig 900 V közeli váltófesz van határon). Nézd meg az áttételt, nem változott-e meg.
Hopp, ez eszembe sem jutott...
Máris szaladok. (Most a 6C33C-k fűtik a zeneszobát. Ezekkel vigasztalom magamat. Hideg télre éppen ezek a megfelelő csövek...)
Sajnos nem, pedig kézenfekvőnek látszott...
![]() Most csak 7,7Veff vehető ki a vásásig, ehhez 228Veff tartozik a primeren. Így az áttétel 29,6 körüli, kb. ennyi volt korábban is. Az igazsághoz tarozik, hogy korábban már tapasztaltam valami hasonló jelenséget, de az éppen akkor történt amikor az első cső katódkondijának elhagyásával kísérleteztem. Véletlenül fordítva kötöttem vissza, akkor szintén lekapta a szinusz felső csúcsát, és kiforrasztás után sem állt rögtön vissza. Kikapcsoltam megvártam míg minden kondi kisül, aztán bekapcsoltam és megint rendesen működött, de akkor még 72mA nyugalmi árammal kísérleteztem...
Akkor pedig valamelyik hidegítő kondi lehet szerintem, vagy érintkezési probléma ugyanott, vagy esetleg 10 Mohmnál, 1 Mohmnál, vagy ennek szakadása. Valamilyen konkrét alkatrészhiba lehet, olyan ami nem viszi el érdemben az egyenáramú munkapontokat, de váltóáramúlag befolyásoló. Előbb-utóbb biztos megtalálod a hibát.
Helló !
Nem tudja valaki esetleg hogy a GU 50-nek mekkora az optimális illesztőellenállása ? Nem találtam semmit róla az adatlapjában. Kösz !
Pontosítanék: 320-360 V körül, trióda beállításban 2,5 K körüli. 400- 450 V-nál ajánlott a 3,5-4Kohm minimum.
Pentódaként a GYÁRI beállítás: Ua=300 V, Ug2=250 V, Ug1=-24 V, Ia=130 ma, Ra=2kokm, P=18W. Fentiek SE-re vonatkoznak.
Szia..én EL 51 csőben gondolkoztam de túl drágavolt a cső
Mennyi egy olyan cső?
És hol? Van-e beszerzés később tartaléknak?
Áhh, ez totálisan elvetendő ötlet… Ha egyszer rááldoznál annyi pénzt, akkor is egy darabig tudnád használni, de hogy kotorj mégegy szériát bele, és ki is fizesd, az azért brutális… (6ezret még adnék egy GM70-ért
)
Lenne egy trafókkal kapcsolatos kérdésem.
A toroidnak ugye a formájából adódóan jobb a hatásfoka. De viszont nem lemezelt, mint mondjuk az "M" vas. Akkor elméletileg sokkal nagyobb örvényáramoknak kellene benne lenniük, ami a hatásfokát rontja. Ezek szerint akkor ezek az örvényáramok annyira nem is vészesek ? Olyan nagy hatásfokromlást nem is okoznak ?
A toroid vasa is lemezelt !
Úgy képzeld el, mint a mérőszalag. A hatásfoka nem számotevően jobb. Mint mindennek, van elönye, és hátránya. Van olyan tulajdosága is ami nem szerencsés Audio célokra
Jól írtad le a lényeget!
Mik volnának azok a hátrányos tulajdonságok?
Mihez képest nem jobb számottevően a teljesítménye?
Szerintem igencsak jól meg tud szólalni egy toroid kimenő :yes:
A hiperszilhez (vágott mag)
És a stenderd kivitelben az eszelös prim/sec kapacitás ergo zavarérzékenység. Egyebbeket nem is akarom emliteni. pl a szórása. Nem véletlenül, ( és nem disznek ) rakják árnyékoló köcsögbe. Olykor többrétegübe ( réz, vas réz, és a pénztárcától függő kombináciokba )
Ugyanugy megvannak a vasminőségek, mint a hagyományos trafóknál , és ennek függvénye a megszolalás . ( permaloy, megaperm, amorf, nanokristály stb )
Idézet: „Szerintem igencsak jól meg tud szólalni egy toroid kimenő” Ez igaz, high-end cuccokban mégsem bukkannak fel sűrűn,vajon miért? A szórásuk valóban nagyobb az átlagos trafókénál, és a klasszikus tekercselés sem úgy alkalmazható náluk, mint egy hiperszil, vagy normál trafónál. A hatásfok csöves cuccoknál pedig nem elsődleges.
Egy Svájci több milliós /nem tudom a nevét/ erősítőkben pl csak toroidok vannak.
Akkor valamit csak tudhat. Igen az anyagminőség sokat számít, meg a huzal. Szerintem azért nem terjedt el, mert ahogy írtad a tekercselése körülményesebb.Egy toroid tekercselő gép több milla, míg egy hagyományos.... De ha jól bele gondolunk, egy normál méretű csévénél mindég kompromisszumot kellett kötni hogy a huzal elférjen, stb. Ez valaminek a rovására ment mindég. A toroidnál nincs ilyen gond, elfér a vastagabb huzal is. Ágoston Úr szerint, /egy találkozón mondta/ A leg ideálisabb vas a toroid kimenőnek.
Örülök hsz-ednek, mert belebonyodtam alkotóval (főleg priviben ) és igy mástól is olvashatja a tényeket
A szórása? Minden trafónak van, a nagysága a gerjesztéstől függ. Találkoztam már túl gerjesztett toroiddal, az nem csak szórt, de melegedett is üresen, és nem volt menetzárlatos. Ugyan ezt tapasztaltam a Behringer erősítőkbe levő hálózati EI trafónál is, alig van rajta drót, melegszik mint állat, de leárnyékolták hogy ne szórjon annyra. 1 óra üzem után, ha meg van hajtva rendesen a bimetál leold annyira meleg.
Na ez is egy tévedés, mert a "lukban" se fér akármennyi huzal
És a másik dolog: miért esek hasra a svájci gyártó elött ? A gyártok néha olyan szakismerethiányban szenvednek, hogy röhej. A nagyok is ! Nem tudnak egy puffert bekötni, elrettentő példaképp. Néha olcsóbban lehetne sokkal jobbat csinálni, némi szemléletváltás ( hozáértés ) árán Ez nagyképüen hangzik, de a tuning ( mint müfaj ) ezen alapszik, hogy az elfuserált megoldásokat hozzáértök rendbe rakják. Olykor a sufniba
Csak csupán egy apró kérdés ? Hallottál már csöves erősítőt szólni toroid kimenő trafóval . El beszélgetni ellehet róla a végtelenségig és az okosságokat lehet itten felsorolni 2020 -ig is .
Sok esetben meg a sufniban születnek a legjobb dogok ezt neked is tudni illik ! |
Bejelentkezés
Hirdetés |


Akkor majd este felmegyek 
annyi de annyi szép cső van kevesebb problémával ...pl.gu 50 ...el 34...6h13c...és stb.Ajánlom figyelmedbe....


Lehet, hogy csak 125Wattos (adatlap szerint, ami szerintem nem igaz), de elég olcsó, és szép, és nagy

)
