Fórum témák
» Több friss téma |
Fórum » Sztereó DAC
Témaindító: meszattila, idő: Ápr 10, 2007
Témakörök:
Hamisítás alatt értem azt, amikor egy sima 1541-et átszitáznak kétkoronás A-ra.
Úgy látszik már ez is üzlet valakiknek...
Szia CHZ! Érdekelne engem a DAC végére az a trafó csővel megfejelve. Tudsz nekem adni róla bővebb infót?
Szia !
Teljes dokumentációm nincs , de előkeresem amit találok róla .
Megnéztem a cikket ismét, ott mindkettő össze van kötve és gnd-re húzva. Ha jól látom, a selvcc az lm317-ről jön. Most akkor automatikusan választ? Sorry a bénázásért.
Érdemes TDA1547-el szórakozni? Kaptam egy CD-t, amiben a mecha szervó áramköra elszállt, amit már nem lehet beszerezni, viszont van egy jónak számító DAC- és az analóg áramkörök, fektetnék bele energiát, a TDA1307 is fog kelleni nekem ugye?
1 Bit audio format kimenetű receiver nincs ugye? Akkor marad a DIR9001-TDA1307-TDA1547, csak ebben a formában tud majd működni?
Elméletileg minden da elé kellene a túlmintavételező szűrő, a bitstream -nél még fontosabb szerepe van a pulzusmoduláció miatt.
Bár szerintem nem igazán érdemes a bitstream-mel foglalkozni, én még egyetlen ilyen cd-ből sem hallottam komoly hangzást megszólalni, gyakorlásnak lehetne jó esetleg...
Én már halottam Marantz CD16D-t megszólalni, hát beszarás volt, abban is ez van, csak azért kezdett foglalkoztatni a dolog! Van itthon 2 db TDA1540-es kerámiám, de kezdésnek nem biztos, hogy ezzel kezdenék!
Tényleg a 1540-hez vevőt, milyet kellene használni, az adatlapból nem sokminden derül ki!
Erről (TDA1540) bizony már esett szó itt a fórumon, hogy ez az ic 14 bites, és ősrégi DAT ill. CD-kben használták őket. Teles visszalépés minden szempontból, ráadásul nem kompatibilis sem az I2C, sem pedig az SPI interfésszel, így egy rakás ttl ic kell az üzembe fogásához, de a 14/16 bit eltérés még akkor is megmarad.
/ Egyébként + mindegyik típusú vevő ic-vel meg lehet oldani a problémát./
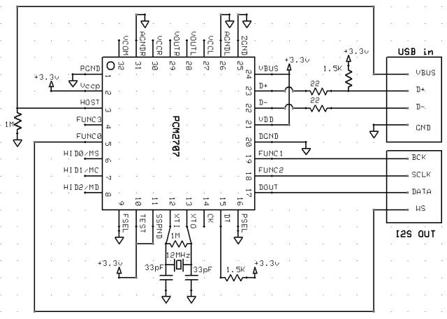
Vajon a pcm2707 I2S kimenete illeszthető a tda1451-hez? Ha igen, hogyan? Csak simán össze kell drótozni, mintha egy cs8412 kimenete lenne?
Bővebben: Link
Ezt találtam a dologról, vajon így működőképes lenne? Nagyon jó lenne, ha el tudnám hagyni a 3500ft+posta árú receivert.
Ha nem jön be, akkor a cs8412-t próbáld meg a chipcad-nál emlékeim szerint 1000Ft körüli ára volt... bár lehet rosszul emlékszek...
Igaz most tényleg nem lehet kapni viszont van cs8416 az nem jó? Bővebben: Link
Vagy ez amit te szeretnél ez DIP tokos?
Már láttam komplett kapcsolást a két icvel, biztosan működik is, csak az a kérdés mit nyer vele az ember.
Szerintem ha már USB HID eszközről van szó, akkor illő lenne ha támogatná 24/96 -os lejátszást. Léteznek már HE. médiacenterek, amik lejátsszák az APE és FALC veszteségmentes tömörítést 24/96-os formátumban, még akár Ethernet hálózaton lévő média szerverről is/lásd PSX3/. Egy ilyen fejlesztésbe lenne érdemes belefogni...
A 8416 teljesen más, mint a 8412, azzal rengeteget kéne tökölni, hogy jó legyen a 8412 helyére. A tokozás igazából mindegy, forrasztottam már SSOP-t, nem is egyet.
Azt biztosan nyerném vele, hogy nem kell 8412/14 után rohangálni, meg aranyáron ebayról rendelni. Gyakorlatilag a receiveren kívül csak pár alkatrész kéne még, és nyákot marnom, hogy megépülhessen az első említésre méltó DAC-om. PCM2902b az van, de azt csak akkor használom, ha nincs semmi más forrás. A 1541 napi használatban lenne, flac-el hajtva.
Találtam egy minimalista kapcsolást a 2707-hez, összedobtam hozzá egy nyákot, de nem tudom, hogy működne-e ez így ebben a formában.
Én tervezem egy külső sztereó DAC építését, de nem ismerem ezeket a dolgokat annyira.
Az lenne a lényeg, hogy SPDIF jelet kellene vennie 24bit 96KHz-en és ezt a lehető legjobb hangminőségen. Kérdés, hogy tudna e ajánlani valaki jó IC-ket ehez a projekthez.
Ez működhet így , az SCLK-t nem kell sehová kötni, ha csak nem építesz be pl. egy SAA7220 -as digitális szűrőt.
Hát akkor azt hiszem, bele fogok vágni.
Igazából majdnem milyen ic-ből építeni, mert nem csak az ick ,ill. a többi alkatrész határozza meg a hangzást.
Kell egy jó kapcsolási váz, egy jól megtervezett nyák, tápegység, spéci vezetékek, és nem utolsó sorban a ház. Ezek összessége adják a végleges hangzást, ami nem mindig áll összhangban az alkalmazott alkatrészek minőségével. Jelfogadó icnek kizárólag a DIR9001-et ajánlom, ez a legjobb, da-ból viszont nagyon nagy választék van, az alábbi listából lehet válogatni ki mit használ. Számomra elsődleges szempont, hogy a da "áram kimenetű" legyen, ill. a legfontosabb: az integrált FIR szűrő ki-be kapcsolható legyen, így lehetőség van external FIR szűrő használatára, ami viszont sarkalatos pontja DA-nak. CD - DA-k
Köszi a szépen a DIR9001 az elég jónak tűnik, viszont megmondom őszintén, hogy leginkább a vezérléssel vannak prolémáim, mert mikrokontrollert ilyen szinten nem tudok programozni és nekem úgy tűnik, hogy ilyesmi nélkül nem oldható meg a dolog.
Tudnál esetleg egy kis felvilágosításd adni, hogy miképpen is működnek ezek a dolgok?
Az MCU proci nem hátrány, főleg ha egy univerzális da-t készítünk, de a legtöbb funkció hardveresen is elérhető.
Tehát anélkül is lehet házilag működőképes da-t készíteni. A másik + hogy egy pic vagy avr C nyelvű programozása 1-2 hó alatt bevágható egy alapszinten, amivel már programozható a host proci könnyedén. Sok előre megírt C rutin található ezen ickhez, amit csak használni kell.
Találtam dolgokat a DIR-hez, de egyenlőre csak egy sima DAC-ot üzemelnék be próbaképpen.
A CD lejátszó lenne az adatforrás, és a PCM1738-as dac-ra gondoltam. ITT megtalálható mindkettő doksija. Kérdés, hogy össze lehetne-e hozni ezt a kettőt valamiképpen? A kimenetek működnek a lejátszó prociján (MN66271) csak a dac RST MUTE stb. lábai aggasztanak, mert azokkal nem tudom mit kellene csinálni. Lehetőleg mikrovezérlő nélkül szeretném megoldani. Köszi.
Illetve a legesélyesebb játékos a CS4398 lenne, mert ezt be tudom szerezni pécsen.
De a CD játszóval vigyázz, mert pl nekem a Technics SL-PS770D és a Cyberhome 635S közül hangkártyás méricskélések alapján úgy tűnik, hogy az utóbbi adja ki digitálisan az "eredeti" adatot, a Technics olyan 85% körüli egyezést mutatott az eredeti bitfolyammal emlékeim szerint, bár csak egy hevenyészett teszt volt ez...
A PCM1738 nagyon jó választás szerintem, a Crystal ic pedig az ellenkezője. A pcm már csak hardveresen is jobb, mert a benne lévő shiftregiszter akár jobbra-balra igazítja az adatot , a Crystal ic viszont csak jobbra. Az NM66271 adatlapjából nem derült ki , hogy merre igazítja az "infót" , de a pcm-mel kompatibilis lehet akár, ha az MCLK 192 FS (8.4672 MHz) frekin megy (19. láb SMCK).
Üdvözlök mindenkit! Találtam egy DIR9001- es kidolgozott projektet. Hátha valakit érdekel felteszem. Íme Bővebben: Link Én megépítettem, de még nem volt szerencsém kipróbálni, mert még nincsen toslink vevőm. És ez az MCP120T-300 sem. Bár ezt nem igazán értem minek bele. Az eddig látott kapcsolásokban egyszerűen felkötik magas szintre, és kész.
|
Bejelentkezés
Hirdetés |










