Fórum témák
» Több friss téma |
Fórum » PC táp átalakítás
Igen 1-30V 10A-ig maximálisan megfelelne.
Én csak akkutöltönek szoktam átalakitani. De én fix feszre állitom. Vannak itt okosabbak akik többet tudnak mondani. Max a fesz figyelés kiiktatását és a 12V állitgatását tudnám elmondani, de neked ennél több kel ha 1 és 30V között akarod és 10A is kel.
Azért ezt is köszönöm, nekem a szabályozhatóság jó lenne, mert az elektromos bicaj 24V-os. Meg amúgy is jó lenne még másra.
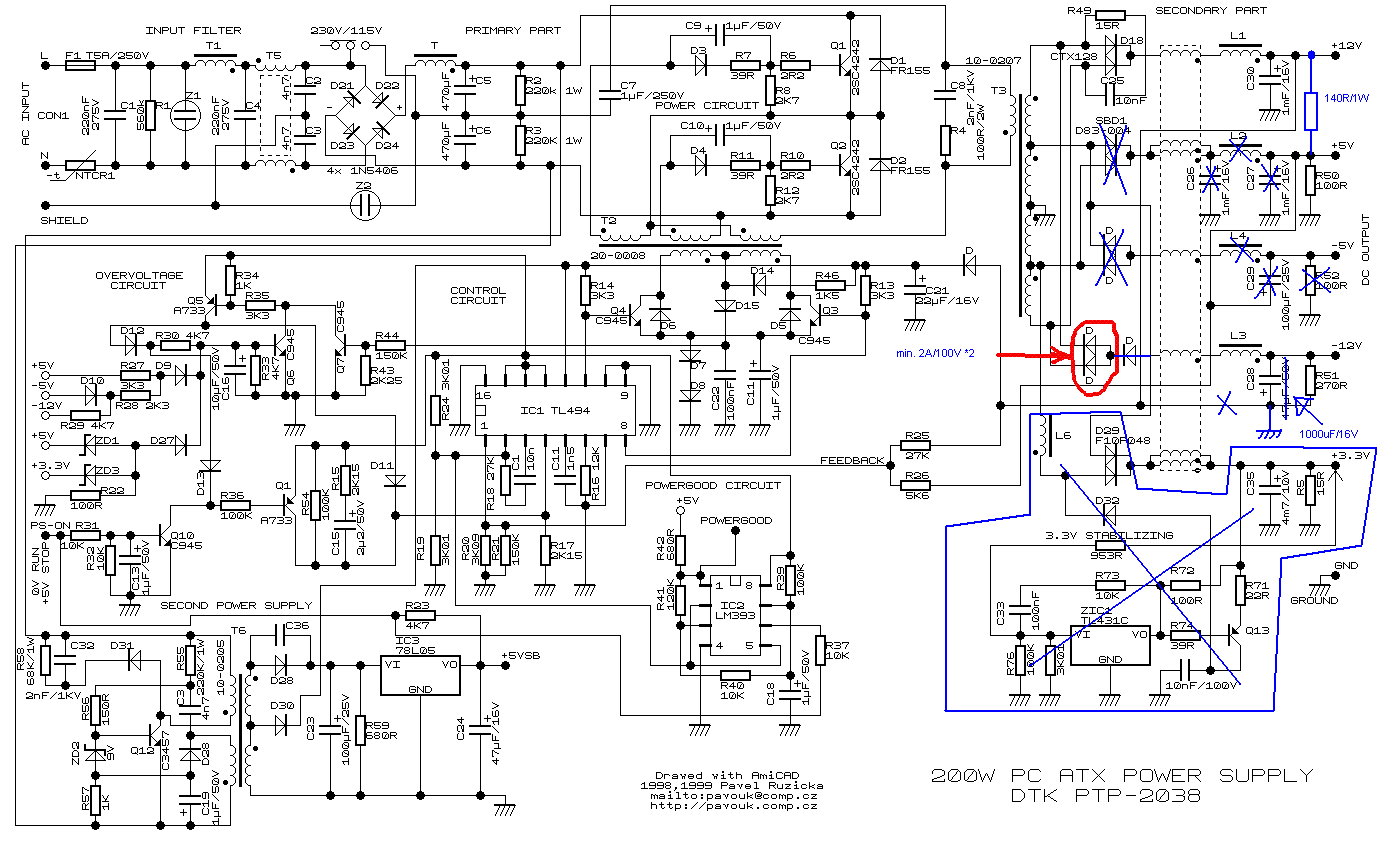
Én ugy szoktam csinálni, hogy megkeresem a 494 ic 1-es lábához menö 5 és 12V-ot. Ez egy egy ellenálláson keresztül megy az 1-es lábra. Kiveszem az 5V-os ellenállást és a 12V-ost is. A 12V ellenállás helyére beszoktam rakni egy 13k + egy 100k potit. A 12V-os ágba lévö kondit ki kell cserélni nagyobbra. Nekem elég szokott lenni a 25V-os. Ide Low esr kondi kel. Ezután megszüntetem a védelmet. A 494-es 4-es lábához megy jópár alaktrész.
Én ott a rajzon látható D11-est szoktam kivenni és a tápnak a zöld madzagát testre rakom hogy bekapcsoljon a táp. Ezután bedug és ilyenkor 9-10V szokot lenni és ahogy tekered a potit felfele ugy nö a fessz. Nem tudom hogy lehet e olyan kis feszre igy levinni. Mert az csak ugy lehetne ennél a megoldásnál ha rövidre zárod ezt a lábat. Ezt azért nem tenném. De biztos tud valaki erre mondani valamit. Ha igy csinálod nem tudom menyi a max fesz. 25V az biztos de Kérdés hogy mekkora Ampert tud ilyenkor leadni. Ezt nem probáltam még. Hát tömören ennyi.A rajzot ne vedd százszázaléknak mert ahány táp annyi fajta. Az áthuzást se nézd. Nem tudom mi az.
Arra figyelj hogy a poti lelegyen tekerve.
Hali!
Hogyan lehet egy 450W-os ATX tápot +/- 40V-ra átalakítani?
Hello!
Ha valóban AT a táp és nem ATX, akkor az nem szabályozható, csak szűk tartományban. Oka, hogy ebben nincs külön segédtáp. Így ha leszabályozod, összeomlik a TL494 feszültsége is (Mert az is a +12V-ról jár, csak éppen nem az induktivitás/kimenő kondi által integrált kimenetről, hanem ez előtti pontról. Tehát a jel csúcsfeszültségét kapja, nem a PWM jel integrált átlagát). Ezzel a szabályozás megszűnik. Ha egy táp 300W-os, az még nem jelenti azt, hogy egyetlen kimenetén is ki lehet venni ezt a teljesítményt. üdv! proli007
Hello! Például úgy, hogy megkeresed a topikját..
üdv! proli007
Ez is nagy segítség, amit köszönök is, de azt hiszem ezt nem fogom megpróbálni, mert a 9V-os alsó határ nem elég. Legfeljebb valahogy megpróbálom feljavítani az átalakított fotót, és kerítek 1 ATX-es tápot.
9 V nál mehetsz lejebb. Ez csak egy példa volt ahogy én csinálom. Csak azt nem tudom mi a minimum feszültség.
Itt ebbe a cikbe az a megoldás is benne va hogy mehet 0V-ra.
Hello.Mint többen is tudják van egy gyári támom 2003-as IC-vel.Egy próba panelon megépítettem a gyári szekunder mását.Szóvan dióda(ák) folytók+puffer.
Az idegen trafót 2x20N primer és 2x13N szeunderrel ruháztam föl.Ezt a plussz trafót rákotöttem a gyári táp primerjére és a plussz trafó szekunderére a szekunder mást és így 46V-ot adott egyenben.Csak hát nekem 40V kell.HA jól tudom vissza kell jelezni az IC-nek hogy nem adjon több feszt(mert most folyomatosan nő) meg azért is hogy lehetssen terhelni. Szóval a gyári tápon mit kéne alakítani hogy az idegen kapcsoláson meglegyen a 40V stabilan?Az IC melyik lábára kell és milyen ellenálláson visszakötni?Esetleg a gyári tápon mit kell kiiktatni? Csak a 40V kell(meg persze majd a -40V is de az már egyszerű)
Üdv!
Találtam leírást SG6105 IC-s táp átalakításra. Nem (nagyon) szabályozható a feszültség, de terhelni lehet. 22A 13.6V-on egy 350W-os tápból. Bővebben: Link
Hát ha hasonlit a tápomra akkor kiprobálom. Addig gyakorlom az orosz nyelvet.
Szerintem a kimenetre valami terhelés azért csak kéne, és akkor beáll a fesz is nagyjából.Amúgy az ic a 14-es lábon nézi a feszültségeket mint azt te is láthatod ha megnézed a rajzát...
Üdv!
Ujra felétek fordulok egy kérdésssel, a kérdés pedig a következö. Hogyan tudnék átalakitani egy PCéATX tápot úgy, hogy 8,5V és 6A tudjon? (egy PlayStation2 nek kellene)? István
Raktam az új rész kimenetére egy 20W-os 12V-os izzót és kb fél fénnyel világított.Nagyon visszaesett a fesz.?Megnézem hogy most mi megy a 14 lábhoz.Úgy terheltem le az új részt hogy a gyári táp terheletlen volt.Esetleg egy potin keresztül kössem vissza az IC 14es lábára és amikor azzal beállítom a kívánt feszt akkor megmérem és mehet állandó ellenállás?Vagy a 14-es lábtól mindent ki és csak az új kimenet legyen rajta?
Megnéztem a rajzot.látom hogy a 14-es lábhoz ellenállásokon meg a figyelt fesz.És ha én meghagyom úgy ahogy van és csak simán egy plussz ellenállással kötöm be az új ágat az úgy nem jó?A 12V-nak 121K az ellenállása.Arányosan növeljem 40V-ig az ellenállást?
A 14-es lábra gyakorlatilag két feszültségosztó van rakva. Méghozzá úgy hogy az 5 voltos ág a meghatározóbb. Valamint azt kell még tudni hogy a 14-es láb 2.5 voltra áll be.
Mindebből egyszerűnek látszik a külön táprész figyelésének bekötése, de valszeg csak kisérletekkel sikerül, mivel ez csak a figyelés egyik része, ráadásul nagyon érzékeny. (Pl. ha csak rámérsz már ciripel a táp...)
Úgyhogy lejjebb szabályozod a 12 voltot.
Bővebbet esetleg típus vagy rajz ismeretében tudnék írni... De lehet hogy van aki így is megmondja hogy az R52-t kell 33kohmosra cserélni..
Akkor mit kéne próbálni?HA jól számoltam és úgy kell akkor a 12V-hoz 121K megy.Akkor 40V-hoz 400K-kell.400K ellenállásom nincs így 3-4 ellenállásból csináltam egy 390K-s ellenállást.Ezt próbáljam meg rákötni a 14-es lábra?
Vagy először mérjek rá a 14-esre?
Szerintem köss egy 220k ohm os ellenállást sorba egy 200k ohm os körüli potméterrel és azt kösd a 14-es lábra és a külön ágad plusszára . Ezzel azt tudod változtatni hogy mennyire tartsa meg a külön tápod feszültségét.
(A hivatalos fesz osztásban elég lenne a 12 voltnak kb. 63 k ohm is. Mivel 12.6-en van 2.5 volt ezért 12.6X5=63 lenne a hivatalos 12 voltra. Azért nem az van betéve mert az 5 voltot figyeli első sorban ezért a 12 voltos ág csak kissé változtatja a figyelést. Ha megnézed az 5 voltos ágat láthatod hogy nagyon nem arányos az az R62 22k a 12-esben levő R60 121k-val) Ja és a szabályozás behal, táp lekapcsol ha az 5 volt felemelkedne 6-ig.
Oké Akkor 200K-ohm ellenállás + 200k ohm poti rá a 14-re és figyelem az 5V-os ágat.Ha emelkedik akkor egyből kikapcs.Az új rész GND-je legyen összekötve a gyári táp GND-jével?
És ha ezzel az ellenállással visszakötör a gyári tápra akkor már lehet terhelni?
Az 5 voltos ágat csak azért kéne megnézni hogy kb. mennyit bír a 40-es ág. Nem kell neked kikapcsolnod kikapcsol magától, de nem megy tönkre vagy ilyesmi. Ha áramtalanítod 10 mp múlva visszakapcsolhatod.
Ha az új rész gnd-je nem lenne összekötve a régivel, akkor hiába kötnéd a poti + ellenállást nem záródna az áramkör .Igen lehet, és a potméterrel azt tudod állítani hogy mennyire legyen stabil (persze csak míg az 5 volt nem megy 6-ig) Tehát azt ne akard beállítani hány volt legyen!
Rendben.Akkor a két GND össze a 40es + ág ellenállás+potin ráköt a 14-re.
Meglátjuk mi lesz.A feszültséget hogyan tudom majd beállítani 40V-ra?Vagy ezt majd később.? Akkor összekötök mindet és esetleg terheljem meg egy kicsit a 40-es ágat és nézzem az 5v feszültségét?MErt ha jól értelmeztem akkor minél jobban tarhelem a 40es ágat annál nagyobb lesz a fesz az 5volton és ha eléri a 6-ot akkor leold.
Hali.Valami nem OK.Mindet bekötöttem úgy ahogy mondtad.Bekapcs venti felpörög a fesz a 40V-helyett 56,5V KÖRÜL van.De ez változik.HA viszont megfogom azt a vezetéket(szigetelt)ami a 14-es lábra viszi az új rész feszültségét az 5V helyett csak 4,6V van és 4,5V-nál leold.A poti tekerésével semmi nem történi.Terhelni uygan úgy nem lehet mivel a 12V/20W-os izzó alig ég róla.
Mi lehet a gond?
Sajnos tipusszámot nem tudok adni mert csak a nyákok vannak meg(alkatrészestöl, de néhányrol pár szürökondi hiányzik) ic-k tipusával viszont tudok szolgálni
1. KA7500B SEC 916A 2. TL494 Sajnos csak ez a kettö amiröl csak a szürökondik hiányoznak, többiröl sokmindent kimüttöttem már ![]() István!
Ha valami hasonló a felépítése akkor az itt található R25-re kéne párhuzamosan kötni egy 20 k ohm körüli potit és azzal szabályozni.
Ez talán a legegyszerűbb.
Hello.Átalakítottam a tápot bekötöttem az új részt ahogy kell.Most sikerült az ellenállások cserélgetésével elérni hogy 46V-ot adjon viszonylag stabilan.Viszont nem lehet terhelni.Ha a 46V-ra rákötök egy 12V/21w-os izzót a fesz viszamegy 10,5V-ra.A gyári 12V-os rész 20W-tal terhelve.
Mit csináljak hogy lehetssen terhelni?Szilveszterre kéne a táp.
Felmerült bennem, hogy egyenirányitottad e a trafó kimenetet és tettél e a kimenetére kondit? És így vezetted vissza a feszt a 14-es lábra?
Mert nem tudom elképzelni hogy a plusszra tekert trafód 12 voltnál kissebb feszt adjon és a táp ne kapcsoljon le... Ja és inkább az 5 voltos részt érdemes terhelni, mert azt figyeli inkább. (Tehát mégegyszer hogy állunk most: A plusszos trafó közepe testen, egyenirányítva egy minimum a 12 voltos részen levő diódával. A dióda közös katódján van kb. 1000µF 63V kondi és ez a kimenet van visszakötve a 14-es lábra párszáz k ohm -mal.)
Ígyvan.
Van a trafó.A primerje a gyári táp primerjén.A szeundere 3 szál.A középleágazés GND-n ami összekötve a gyári táp GND-jével.A két szekunder kivezetésre egy másik tápból származó bordára szerelt dupla dióda aminek a két szélsó lábára(kéz anód)a trafó szekunder kivezetése a közös katódra egy folytó tekercs van.A folytó tekercs után van majdnem 1000µF kondi ami 200V-os.A + ág párszáz K ohm ellenálláson a 14-e slábra visszakötve. |
Bejelentkezés
Hirdetés |




Én ott a rajzon látható D11-est szoktam kivenni és a tápnak a zöld madzagát testre rakom hogy bekapcsoljon a táp. Ezután bedug és ilyenkor 9-10V szokot lenni és ahogy tekered a potit felfele ugy nö a fessz. Nem tudom hogy lehet e olyan kis feszre igy levinni. Mert az csak ugy lehetne ennél a megoldásnál ha rövidre zárod ezt a lábat. Ezt azért nem tenném. De biztos tud valaki erre mondani valamit. Ha igy csinálod nem tudom menyi a max fesz. 25V az biztos de Kérdés hogy mekkora Ampert tud ilyenkor leadni. Ezt nem probáltam még. Hát tömören ennyi.

üdv! proli007
.




