Fórum témák
» Több friss téma |
Milyen teljesítményű erősítőhöz ajánlott lágyindítót csinálni?
Én egy kb 200W-os trafónál már alkalmaztam lágyindítót, ami éppen egy erősítőben van. Az már elég nagy volt, hogy néha kivágja a biztit. Ne azt nézd, hogy mekkora teljesítmény jön ki belőle hanem, hogy mennyit fogyaszt maximum.
Én kb. 100W-os erősítőt csinálok, ha minden jól megy.
Köszi a választ
Szívesen!
Hellosztok, megépítettem ezt,és nem akar a relé bekapcsolni.Mit csináljak,kivehetem az egyik 470-es kondit?
Kiveheted, de szerintem más hiba van.
Minden a kapcsolás szerint van.Tegnap még az egyik műszerész barátom is átnézte.Szerinte működnie kéne
Mérj rá a relé behúzótekercsére!
Ha megvan rajta a meghúzófeszültség, akkor relé hiba. Ha a relé tekercsének ellenállása túl kicsi, akkor kis feszültség esik rajta, és nem húz be. Ellenőrizd, hogy ha a relét mechanikusan zárod, megtart-e. Ha igen, akkor a meghúzó körben túl nagy az ellenállás. Ha az ellenállást jelentősen kell csökkenteni, akkor nagyobb teljesítményűt kell használni.
Köszönöm
Üdv! Nekem tetszik a tirisztoros háztartási lámpakapcsolók lassú felfutása és ezzel kapcsolatban azt szeretném kérdezni, hogy hagyományos kapcsoló mögé mit lehetne beépíteni, hogy ugyanezt produkálja. Az izzót sem érné hidegen lökés így megnövekedne az élettartama. Köszi.
Szervusztok!
Valaki itt fázishasításos lágy indítást (áramlökés korlátozást) emlegetett, erről szeretnék bővebb infót, ha lehet. Nagy flex, heg.trafó, tompa hegesztő trafó, elektromos láncfűrészgép (nem egyszerre használom) használatához kellene v.mi lágy indító. A gépekhez nem igazán jó az ellenállásos, relés módszer. Ugyan még sosem verte le a biztit egyik sem, de jobb a béke. 3x25 A-om van, de a hálózatot sem akarom rángatni, meg a gépeket is kímélném. Üdvözlet: Granpa
Hali!
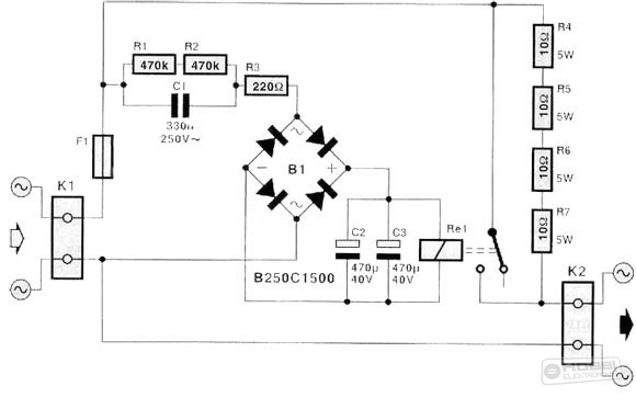
Szerintetek 230V 1KVA toroidhoz, a képen látható kapcsolásban a 4x10R helyett rakhatok 1x68R-t? Sajnos más most nincs itthon és ki kéne próbálnom valamit vele. De ha nagyon kritikus akkor nem erőltetem... Esetleg kettő párhuzamosan?
Persze. Csak legalább 20W-os legyen.
20W??
A 10R-osok is csak 5 wattosak. Párhuzamosan két 68R 5W nem jó?
Igen 20W (4*5W). Neked is nagyjából ekkora teljesítményt elviselő terhelést kell oda beraknod ha nem akarod alul méretezni. Ha van négy 68ohm/5W-os ellenállásod, akkor 2-2-t párhuzamosan kötve, és az így kapott 34ohm/10W-os egységeket sorba kötve, lesz egy 68ohm/20W-od, amivel már tesztelheted a lágyindítót.
Sziasztok!
A következő kérdésem lenne hozzátok. A kpen látható lágyindítóra szeretnék 12V relét rakni(mert az van itthon) a 24 v os helyett. Ha jól értelmezem a kapcsolást akkor az R1,R2,C1 rc kört kell módosítanom. Utána is olvastam, hogy a kapacitív ellenállást hogyan kell kiszámolni. De elakadtam. Tehát: Xc=1/(2pi x f x c ha be helyettesítek akkor: Xc=1/(6,28 X 50Hz x0,00000033)=0,00010362 Ez helyes? Ha tovább számítom akkor Re= 1/(R1+R2) +1/Xc= 1/940K + 1/0,00010362= 1/940000+1/0,00010362= 0,000001063+9650,646=9650,646ohm Ez helyes egyáltalán? 9,65Kohm Továbbá ehhez adom hozzá a 220ohmot és ebből számolok u=rxI vel? A hálozati áram az 16A? Köszönöm a segítséget!
Hello!
Érdekesen számolsz.. Az első (Xc) képletnél, elfelejtetted venni az "egyperesét". Egyből 9650ohm jött volna ki. Ez mellett a két párhuzamos 470+470k és a soros 220ohm, már nem sok vizet zavar.. (A párhuzamos 470kohm-ok, a kondi kisütését szolgálják, ha kihúzod, a 220ohm, pedig ha tranziens érkezik (akár bekapcsoláskor) mert ha a freki nem 50Hz a zavar miatt, akkor a kondi szinte átvezet. Ekkor korlátozza a maximális áramot a 220ohm.. De a relénél, nem igazán a feszültsége számít, hanem a meghúzáshoz szükséges áram. (Ha az megvan, majd arra beáll a megfelelő feszültség) Mert alapvetően az áramot állítja be, a 330nF. De ha csak egyszerűen gondolkodol, akkor egy 12V-os relének azonos típus esetén, kétszer akkora a meghúzó árama, tehát kétszer akkora kondira is van hozzá szükség. Viszont ugyan annyi meghúzási idő eléréséhez, viszont kétszer akkora 470ľF-os kondik is kellenek. Nem tudom a 16A-al mit szeretnél "kezdeni", mert az nem igazán derül ki.. (De az ellenállást, feszültséget áramot, mindig nagy betűvel jelöljük..) üdv! proli007
Bocsánat!
Igazad van, már az elején elb....tam... Viszont, kipróbáltam egy 690nF-os kondival és nem akart behúzni a relé... Rámértem és 8,9V ot mutatott a multi..
A relé ellenálását is hozzá kell venni a körhöz?
Akkor, pontosan hogyan tudnám kiszámolni, hogy mekkora kondi és ellenállsokat alkalmazzal?
Most esik le...
Tehát lemérem a relé tekercsének az ellenállását és az Ohm törvény alapján kiszámítom , hogy hány amper kell a relé működtetéséhez. (behuzzon) És ez alapján kell a kondi és az ellenálás értékét kiszámítanom?
Szerintem erre nem csak a lágyindítás lehet a megoldás, hanem egy nullátmenet kapcsoló is. Ez biztosítja, hogy a gép ne a 230V-os váltóáram csúcsán kapcsoljon be, amikor a biztosíték leoldása valószínűbb. Már én is inkább ezen gondolkodom lágyindítás helyett, mert a láncfűrészem, ami 1800W-os, és a heggesztőtrafóm is, lecsapta a 10A-s biztosítékot, de nem mindig. Tehát attól függött, hogy a bekapcsoláskor épp milyen fázisban volt a váltóáram. Bár gyorsabb megoldás a biztosíték csere volt 16A-ra. De mi van, ha elmegyek itthonról és viszem magammal a gépeimet, akkor ez máshol még mindig probléma lehet. A nullátmeneti kapcsolót egy hosszabbító-elosztóba is meg lehet építeni, és akkor minden géphez jó, és a gépeket sem kell szétszedi. Ugyanezt lágyindítóval nem tudom, hogyan lehetne megoldani, a korábban feltett kérdésemre se tudott senki megoldást adni arra, hogy ezt hidegindítással hogyan lehetne megoldani.
Körülbelül jó megoldás.
Legpontosabb, ha egy szabályozható táppal, vagy egy ellenállás-dekáddal keresed meg, mikor húz meg a relé, és leméred az ehhez szükséges áramerősséget. 50-200mA körül lesz, persze relétől függ.
Mellékelek még egy nullátmenet kapcsolót, de hogy a témánál maradjak, mellékeltem egy másik lágyindítót is. A működési elve ugyanaz, kb. 0,7 s késéssel kapcsol be a triak, addig a 2,2kOhm előmelegíti az izzókat. A kapcsolt teljesítménnyel arányosan csökkenteni kell az ellenállást. A nullátmenet detektor ebben az esetben egy hőfokszabályzó kapcsolás. A gépekhez egy fix 200KOhm-os ellenállás elég, és a potméter helyett is fix ellenállást lehet alkalmazni. Az értékét kísérleti úton lehet meghatározni, azaz először potméterrel kell megépíteni.
Továbbra is csak a nullátmenet kapcsolókat tudom elosztóba beépíteni, a lágyindítókat nem.
Helló Mike64!
Köszi a rajzokat, és a mellékelt leírást, kipróbálom; de már csak tavasszal, most Pesten vagyok, a tetthely Zalában (200km). Most pihi, család, melegedés (lent q... hideg van). B.U.É.K.Üdv:Kálmán
Helló Mike64!
Ez a RTÉK-es kapcsolás kb. max.220W-ig használható, 1N 4001-en megy a fogy. áram? Ha jól néztem? Üdv:Kálmán
Való igaz, hogy kb. 50W-ra van tervezve. De a triak és az R10 ellenállás cseréjével működhet nagyobb teljesítményre. Vagy valamilyen már korlátozást is látsz a rajzon?
Mindenesetre ezt csak ötletnek szántam, mivel ez sem építhető be egy elosztóba, amire nekem szükségem van. Ezért a nullátmenet kapcsolós megoldás mellett maradok egyelőre, amíg valaki nem mutat nekem jobbat. Az ideális az lenne, ha a kettő ötvözve lenne. Azaz lenne egy előmelegítő ellenállás, mint mindegyik lágyindítóban, de utána nem egy relé, hanem egy triak kapcsolna be, de kizárólag nullátmenet környékén. És mindezt elosztóba beépítve. Tehát ne egy kapcsoló hatására induljon, hanem a teljesítmény felvétel hatására.
Szerintem nézd meg újra.
A főáramkörben triak van...
Most értettem meg, hogy mire gondolsz. Igen, valóban a az 1N4007-es dióda is akadálya az 1 A-nél nagyobb áramnak.
Viszont akkor lehet, hogy ez elméletileg olyan, amit például be lehet kötni a villanykapcsolóba is, nem használja az áramkör a fázist és a nullát is. Elég neki a nulla és az izzón keresztül kapott fázis is. Kár, hogy nem elég nagy a teljesítménye. Úgy látom, mintha le is venne 3,3V-ot a 230V-ból, ami nem jelentős ugyan, de ha ugyanez 10A-re lenne méretezve, akkor már az is 33W, tehát eléggé melegedne. Akkor egyelőre maradok a nullátmenet kapcsoló választásánál.
Helló "mike64"!
Megint nézegettem a rajzokat; az opto csatoló LED-je hova van kötve? Bocs, ha bamba vagyok(GND,-LED+R). Üdv:Kálmán |
Bejelentkezés
Hirdetés |















