Fórum témák
» Több friss téma |
Fórum » PIC - Miértek, hogyanok haladóknak
Idézet: „Ezzel az a baj, hogy nem ismerek olyan embert akivel ezt meg tudom csináltatni.” Valaki biztos segít. Ha Debrecenbe el tudod hozni, akkor megsütöm neked.
Nos, ez nagylelkű tőled, köszönöm szépen! Bár messze lakok Debrecentől (gödöllő-kollégium, vagy hódmezővásárhely) van egy barátom aki jár arra, és megkérem, hogy vigyen el. Továbbá watt oldalán megtetszett ez a pickit2, ez egyszerűbb és kezdésnek tökéletes lesz szerintem.
Az rendben van, ha szabadidőmtől függően megépítem a kapcsolást(max 1-2hónap), és az után itt a HE-n felkereslek, és egyeztetünk egy időpontot? Üdv.:Gergő
Szia!
A felületszerelt tokot csak az előzőleg (a kontrolleren kívül az összes többi alkatrésszel) beültetett, bemért, ellenőrzött panelbe a mérések elvégzése után beforrasztva lehet (könnyen) felprogramozni. A dip tokot előre is fel lehet programozni...
Azért is szeretném először összerakni, és úgy elmenni felprogramoztatni, mert akkor ha tradis megteszi ezt nekem akkor már ott ki is próbálnám az égetőt, ha lehet.
Hali
Azert vasarhelyen is el emberke aki tud PIC-et programozni. Ha szukseged lesz ra, szolj.
Én személy szerint nem ismerek. Mert te is tudsz nekem segíteni?
Hat ha elhozod Guatemalaba akkor igen, de ismerek embert vasarhelyen aki biztosan segit.
Hát az jó messze van
Bár most, hogy így mondod, pénteken bemegyek a volt sulimba (kossuth), ahol én nem azt tanultam, de oktatnak elektrotechnikát és megérdeklődöm nem tudnak-e kölcsön adni egy égetőt vagy esetleg égetni nekem.Ez idáig nem is tudom mért nem jutott eszembe ![]() Akkor ez lesz a következő ami után járok és mindenki eddigi segítségét nagyon szépen köszönöm, aztán írok mi lett a dologból. Köszönettel: Gergő
Kerdezd meg Kiss Norbit (ha ott van meg), de ha nincs ott tudok mas embert is, akinek van egetoje. Ezen a listan is tag.
Az nem az én oldalam, az a szilva és trudnai fórumtársak oldala. Első körben jó lehet az a PK2-is, de azt tudnod kell, hogy csak az 5V-ot elviselő PIC-eket kezeli, azokat viszont tökéletesen. Tehát kezdőknek jó választás, aztán úgy is épít az ember még egyet...
A felprogramozáshoz nem ajánlott a JDM, mert akár tönkre is teheti a PIC-et. Van az oldalamon néhány porgramozó, és ha sorosat akarsz, akkor nézd meg az ebben a cikkben példának felhozott kapcsolást. Jelenleg ezt ajánlanám a legjobban. A kezdéshez még PK2 sem kell, ha olyan PIC-eket választasz, amiket a WPB programom kezel. Csak mindent sorjában, szerintem...
Kiss Norbert már nincs ott sajnos, de szerintem meg tudják adni az elérhetőségét ha helyben nem tud senki segíteni. Ő valóban érthet hozzá, hisz egyszer segített nekem egy Mitsubishi RV2AJ robot felprogramozásában
.
Ha nem boldogulsz, szolj nyugodtan, majd adok 1-2 otletet.
Lehet, hogy most megköveztek, de ma jött meg a LaunchPad-em. Most akcióban ingyen postával 8-900HUF-ért. Még nem próbáltam ki, de szerintem ettől olcsóbban nem lehet elkezdeni a beágyazott programozást.
Egyrészt sokkal olcsóbban is el lehet, másrészt mi köze ennek a PIC-hez? :nemtudom:
Sziasztok!
icserny köszönöm a logikai analizátor tippet a PICKit2-höz! -ki fogom próbálni. tardis igen, a lebegő lábak...jók az IC-k; köszönöm! watt az /MCLR 10K-val fel van húzva; és a 16F84A-nál sztem nem lehet I/O az /MCLR láb; de nagyon köszönöm az álltalad leírtakat is, mert ismétlés a tudás...és egy két I/O bizony lebegett, mert elfelejtkeztem bekötni/fel-le-húzni, de a probléma nem ez/ezek voltak, pedig ezekre kellene csak odafigyelni, mert a halott PIC-el már nem lehet mit kezdeni... vilmosd felülmúlhatatlan vagy a halk kérdéseddel! Az RA4 valóban egy nyamvadt Open Drain! Egyszerűen elsiklottam felette...és miután RA4 -el együtt magamat is (jól) felhúztam tápra természetesen tökéletesen működött ez a nyavajás! A tanulságot levontam, és sokat tanultam, nem csak a hibámból, hanem főleg Tőletek! Nagyon szépen köszönöm mindenkinek a segítségét! Sziasztok! Ui.: Kell ilyenkor pontozni, vagy ilyesmi? -csak mert ez általános téma, de nem szeretnék...problémát/kitiltást, stb.
Szia,
A PICkit2 egy nagyon kifinomult kis eszkoz, joval tobbet tud, mint a hasonlo arban levo programozok barmelyike. Annyira jo, hogy meg az utodja, a PICkit3 sem tudja vele felvenni a versenyt (egyenlore), ami raadasul dragabb. A klonokat pedig meg annal is olcsobban lehet kihozni... Lehet vele debuggolni, lehet vele soros portot emulalni ami olyan gepeknel jon nagyon jol, ahol nincs soros port (szinte az osszes uj PC es Laptop), azonkivul ugye ehhez a soros port emulaciohoz nem kell meg kulon szintilleszto aramkor ami az RS232-vel illesztene a teszt aramkorod. Aztan van benne logikai analizator is, es kulonbozo eepromokat is tud irni, nem csak PIC-eket. A JDM meg allandoan vacakol, ezek az USB-Serial atalakitok nem ugyanugy viselkednek, mint egy igazi soros port. Ott lehetnek idozitesi problemak es jelszint problemak is, aminek az eredmenye a folyamatos kuszkodes. Ha szerencsed van akkor tudsz irni vele, de akkor is max ennyit, hogy egy PIC-et felprogramozz, de a fentebb felsorolt funkciok egyiket sem tudja. Jo, ott van hozza neked az az USB-soros atalakitod, azzal ugye lehet sorosan kommunikalni a PC-vel, de akkor is kell neked egy sizintilleszto IC pl egy MAX232. Es akkor meg mindig nincs ugye a debug es a logikai analizator. Win7-en fog menni a dolog, HID interface-t hasznal, igy nem kell hozza kulon drivert telepiteni a gepre.
Sziasztok!
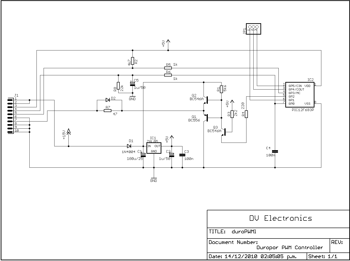
IRF3205-t akarok kapcsolgatni, nem vagyok benne biztos, hogy 5V-on rendesen nyitni fog. Nektek mi a véleményetek?
Szia!
Az adatlap szerint kb. 30A terhelő áramig tudod használni 5V Ugs -nél...
Ez már megint nem pic es téma, de soha nem értettem hogy + tápot miért jó npn tranyóval kapcsolni.
Ebben a kapcsolásban a gate-re kb 4.4V jut.
Hali
Ez egy mukodo megoldas. Nagyon fontos a Gate kapacitas (eleg nagy ugy kb 3-4 nF) gyors toltese es kisutese, mert a lassu kapcsolasnal megno a FET disszipacioja.
Először is BÚÉK!
Másodszor pedig lenne egy érdekes kérdésem, bár ez itt elég OFF lesz. Annyiban talán nem OFF, hogy Microchip termékkel kapcsolatos a dolog. Ha esetleg tudtok a kérdésnek megfelelő helyet, akkor legyetek szívesek azt jelezni. Karácsonyra megépítettem az itt, a kapcsolások között megtalálható LCM3 műszert két példányban. A tápellátási részén annyit egyszerűsítettem, hogy a külső tápfesz csatlakozás nincs beépítve, csak a 9V-os elemről megy, valamint 5V-os stabilizátor gyanánt az MCP1702 5V-os változata került bele. A panel és az egész áramkör egyébként a cikkben közzétett, csak az LCD háttérvilágítását kötöttem át az 5V-ra, egy nagyon kicsi, 2-3mA-es áramú beállításban (félhomályban és sötétben pont elég). A be/ki kapcsoló gyakorlatilag a 9V-os elemet kapcsolja a stabilizátorra. A készülékek elsőre indultak, működnek szépen. Mindkettőnél előjött azonban az a jelenség, hogy egyszercsak bekapcsolás után se kép, se hang. Ilyenkor megméregetve úgy tűnt, mintha az MCP1702-n nem jönne át a feszültség. Másikra cserélve megint működött - egy ideig. Később kiderült, hogy a korábban kivett példányt visszatéve megint működik - ismét csak egy ideig. Sőt, volt, hogy elég volt átforrasztani a lábait és máris "megjavult", tehát egyik példány sem ment ténylegesen tönkre. A panelen és a forrasztásokban sem volt gond, csipogóval is megmértem, de a feszmérővel a stab lábain közvetlenül is méregettem. Próbáltam a nem működő állapotában a bemeneten és a kimeneten lévő kondenzátorokat is rövidzárral teljesen kisütni, ettől sajnos nem tért észhez. Végül az egyiket kicseréltem 78L05-re, az azóta hibátlanul működik. A másikról egyelőre nincs visszajelzésem, abban maradt az MCP1702. Teljesen értetlenül álltam a jelenséggel szemben, próbáltam guglizni is "latch up" és hasonlókra de semmit nem találtam (vagy rosszul kerestem). Tapasztalt már hasonló dolgot az itt jelenlévők közül valaki?
Itt van egy elég érdekes kapcsolás: Bővebben: Link A bemenetén nincs kondi, viszont van egy shottky (gondolom a fordított polaritás ellen véd). A kimeneten viszont 2 kondi is van... Eléggé eltér a gyári ajánlástól. Tesztelsz így?
Összedobtam egy hasonló kapcsolást. A schottky egyébként az LCM3-ban is a telep után van (igaz, ott a telep és a külső táp összegzése a fő feladata), valamint ott 100µF van a stab bemeneti oldalán. A próbaáramkörömben egy SB140 után 100µF az MCP1702 be- és 100nF a kimenetén, a terhelést egy önmagától "sziporkázó" RGB LED adja az 5V-os oldalon. A tápot egy nyomógombbal kapcsolom 9V-os elemről, és elég sok ki-be kapcsolgatás után is stabilan indul.
Az LCM3-ban van egy reed relé és egy 100uH-s induktivitás. Igaz, a reed-ben beépített ellenirányú dióda van (a külön betervezett emiatt nincs beültetve), de én még ezekre tudok gondolni, mint valamiféle '"pofonosztók"-ra. Talán kikapcsoláskor ezek löknek olyat, ami miatt az MCP1702 valahogyan reteszelődik. Minden esetre egy LCM3-at magamnak is akarok építeni, ha addig nem tudom reprodukálni a hibát, akkor majd az új példánnyal remélhetőleg sikerül. Eddig ugyanis a két megépítettből mindkettőben előjött.
Szia!
Az LCM3 -ban van egy relé. Az MCP1702 -ben a túláramvédelem elegendően gyors, akkor a relé bekapcsolásánál levő áramnövekedés működésbe hozhatja. Az adatlap szerint egy kis idő múlva a kimenő feszültséget újra rákapcsolja a kimenetre. TS2950-5 / LM2950-5 -tel kifogástalanul működik.
A készülék működés közben is kapcsolja néha a relét, akkor sosem volt vele gond, ha már egyszer elindult. A megállás mindig úgy történt, hogy a működő cuccot kikapcsoltam, majd amikor legközelebb bekapcsoltam volna, akkor már nem indult, nem volt 5V. Akárhányszor kikapcsoltam és vissza, akkor sem indult. Próbáltam várni is, volt, hogy 1-2 percet is, semmi. Amikor így megállt, akkor a teljes áramtalanítás/kondik kisütése sem hatott rá. Érdekes módon a pákával matatás, a stab ki- majd beforrasztása viszont helyrerakta. Teljesen misztikus jelenség...
Ja, a relé tekercse adatlap szerint 5V/500ohm-os, és mérve is elég pontosan ennyi volt. Ez elvileg 10mA-es áram, ettől nem kellene túláramvédelemnek beindulnia. Az egész készülék amúgy háttérvilágításostul, 78L05 saját áramostul 15mA körül vesz fel a 9V-os elemből használat közben. |
Bejelentkezés
Hirdetés |




Bár most, hogy így mondod, pénteken bemegyek a volt sulimba (kossuth), ahol én nem azt tanultam, de oktatnak elektrotechnikát és megérdeklődöm nem tudnak-e kölcsön adni egy égetőt vagy esetleg égetni nekem.







