Fórum témák
» Több friss téma |
Üdv mindenkinek!
Tud valaki segíteni a hozzászólásomra? Előre is köszönöm!
Szerinted a képen lévő módosítás életképes lehet a középszabályozás véget végrehajtott módosításomban?Eredeti preamp.
Minden további nélkül...
![]() Arra azért figyelj, hogy a bc5XX tranyókból az A,B vagy C jelölésűt veszed, mind más más feszültségekig jó, ha jól emlékszem. Nézz utána a katalógusban!
Látod, pont "ez" történt velem is, mikor a kimenetemen levő 10MHz oszcillációt a visszacsatoló ellenállásra tett kondival akartam orvosolni. Minél inkább lassítani akartam az áramkört, annál nagyobb amplitúdójú lett a gerjedés, pedig pont ellenkezőleg kellett volna lennie! Érdekes, meg kell szkópolni, akkor kiderül, hogy mi a baja
Mennyivel változtattad az r23-at?
Köszi. A feszültség tűrés teljesítmény tranyóknál van inkább betűvel jelölve. A kis BC-k nél az erősítési tényező és a bemeneti impedanciában van külömbség, B jelzésűt fogok használni. Még egyszer kösz ,hogy ránéztél a rajzra.
Jogos, kevertem az 546/547/548 al...régen szívtam emiatt, ezért jutott eszembe!
Üdv!
Én is figyelmen kívül hagynám a 2.sz. kivezetést mivel gyárilag én úgytudom hogy a humbuckereket sorba kötik(lényegében 2 single-coil) és ettöl lessz zajmentes...szerintem azt a bekötést te félre értetted, mert a piros és fehér kábelel köti sorba a két hangszedőt ugyanis meglehet oldani hogy felezhető legyen a humbucker.Remélem tudtam valamenyit segíteni...
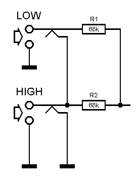
Sziasztok, segítséget szeretnék kérni. Az egyes képen egy-egy aktív és passzív bemenet van, szeretnék egy bemenetet használni kettő helyett, a kettes képen látható megoldás müködőképes?
Szia bokanyim!
Magam is így gondoltam, nálam hozzáértőbb megerősítését vártam. A második, tervezett bekötést az elvi elrendezés miatt vettem számításba. Az bizonytalanított el, hogy a rajzon a Hb-ből az enyémmel ellentétben 5 szál kanóc jön ki. Köszönöm a válaszodat!
Sziasztok valaki tudna nekem segíteni hogy a a belinkelt video azt a szóló hangszínt milyen torzítóval lehetne elérniBővebben: Link
'62 -es Stratocaster es egy Fender Twinreverb .
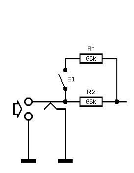
Agyaltam, plusz nézegettem egyéb kapcsolásokat is, azt hiszem hogy a rajz szerint már jó lesz, csak rábólintást várok! Előre is kössz.
Szia!
Az a lényeg ezeknél a bemeneteknél, hogy az alacsony szintű jel (pl.: közvetlen a gitár passzív hangszedője) osztás nélkül kerül az első fokozatra, a nagy szintű jel pedig (pedál, aktív hangszedő) egy osztón keresztül. Általában 68k-68k-val szoktál "felezni" a jelszintet. Tehát neked úgy kell, ahogy az "input 3" képen van. Ha magas szintű jelet kötsz rá, akkor a kapcsoló legyen zárva, ha alacsony, akkor nyugodtan lehet ott szakadás.
Várj, bocsi!
Elnéztem a rajzodat! Osztót kell képezz 2 ellenállással, tehát a kapcsolót a jelúttal sorban lévő ellenálló után kell tenned. Pont mint a mellékelt képen. Még1x bocsi.
Értem, hát köszi szépen, hogy szoltál!
Mi történt volna ha marad az én rajzom?
Igazából semmi probléma, az előző fokozat erősítését befolyásolta volna, de nem nagy mértékben.
Sikerült kipróbálnod? Lehet még játszadozni az értékekkel... Meghallgatni közvetlen gitárral, majd egy pedállal, és belőni azzal az osztóval, hogy ne legyen akkora különbség a 2 szint között, ami az erősítőbe jut. Tehát a magasabb szintű jelet "hozzábutítani".
Értem köszi! Sajnos nincs elöttem a kapcsolás, a kipróbálás még várat magára. Be fogom majd lőni a jelszinteket. Köszi szépen a segítséget!
Esetleg egy trimmpotiból készült oszókkal belőni a szinteket, majd helyettesiteni őket a megfelelő értékü ellenállásokkal?
Hello!
Igen, mert a jobb minőségű hangszedőkböl már 5 kivezetés van névszerint: slug coil - hot slug coil -negative screw coil -hot screw coil - negative ezekböl a slug coil negative és screw coil hot kivezetést szokták összekapcsolni ez a sima humbucker megpróbálom demonstrálni hogyan kell bekötni úgy hogy felezhető humbucker legyen.a képen a hídi hangszedő is humbucker csak single coil méretben azt nemkell számításba venni.Ja és a push pull potit meg helyettesíteni lehet sima 1áramkörös vagy 2áramkörös kapcsolóval. Üdv!
Elég hozzá egy trimmer is, azt helyettesíted 2 ellenállásból felállított osztóval.
Úgy a legegyszerűbb... kiméred, majd helyettesíted az ellenállókkal. Javaslom inkább, hogy az R1 ellenálló helyére rakj be egy potit, és azzal szabályozz.
Hello én torzítóra gondoltam ami ilyen hangot produkál nem tudom hogy amit írtál azok közül valamelyik az de szerintem nem mert az egyikre egy gitárt a másikra meg egy kombot dobott ki a google.Én torzítóra gondoltam meg valami rajzra amennyibe te is arra gondoltál akkor ne haragudj tudatlanságomért.
Igazából azt a hangot az a cucc párosítás hozza! Ez klasszikus párosítás, mint a vintage marshallhoz egy les paul...Torzítóból pont ilyet biztos nem tudsz csinálni. Pláne, ha más a gitár...Próbálkozni lehet, inkább valami enyhe kompresszor esetleg. :nemtudom:
Hello nekem egy Squier Bullet Strat gitárom van akkor ezek szerint lemondhatok erről a hangzásról ugye?
Kene egy Buffer ->eloerosito+kompreszor+enyhe torzitas, EQ( hangszin szabalyozas)-> reverb( rugos HAMMOND utozengeto de ha nincs digitalis is megteszi ).
De ez csak nagyon hozzavetolegessen kozeliti meg az adott hangzast . A Squier OK lenne , ott egy gitarerosito szol ami kozep hangszin savban sol nagyon, 100-4500Hz . Mindenesetre Fender tipusu , rugos zengetovel. Valoszinuleg elektroncsoves erosito , enyhe torzitaig vezerelve.A hangszoro +doboz is hozzajarul a hangzashoz .valamint a felvetel elegge amator es nem tul jominosegu. Amilyen hangzast az illeto gitaros szeretett volna az Itt halhato..de halgass tobb szammot is Hank Marvin ,"The Shadows".Eredetileg VOX-AC 30 es a Stratocaster +viszhang volt a hangzas "titka" , es jo vastag/feszes tidszta uj hurok (0,11) .Itt egy "medley" a Shadows egyuttessel itt halhato a vilaghires Str...ngzas az emlitett felallitasba * Strato,VOX,+visszhang)
Meg anyitt hogy a szamokat kell hagyni , jonnek egymas utan automatikussan .( azt gondoltam hogy egy osszemikszelt szam lessz az elso link de latom teljes szamok amik automatikussan jonnek egymas utan ).Ha osszeadod a nezetsegi szamokat elamulsz hany millio gyulik ossze.
Sok gitaros alma ennek a hangzasnak .
Hát igen pedig az a kor talán nem is volt ilyen dolgokban fejlett talán nem is igen voltak torzítók.
Csao, hát a The shadows t úgy 58-60 tól lehet számolni, és 62 ben üvöltött a fuzz, de lehet előbb is
Bővebben: fuzz 62 ből The Shadows (wiki)
Van fuzz t... de az meg sem közelíti azt a hangot amire én gondoltam.
Nem is azért írtam
![]() Egyébként szerintem, egy megfizethető pod, twang, vagy crunch modellje, némi chorusal vagy deleyel, , elég szépen megközelítené a bulettel a hangot amit keresel. |
Bejelentkezés
Hirdetés |












