Fórum témák
» Több friss téma |
- Ez a felület kizárólag, az elektronikában kezdők kérdéseinek van fenntartva és nem elfelejtve, hogy hobbielektronika a fórumunk!
- Ami tehát azt jelenti, hogy a nagymama bevásárlását nem itt beszéljük meg, ill. ez nem üzenőfal! - Kerülendő az olyan kérdés, amit egy másik meglévő (több mint 17000 van), témában kellene kitárgyalni! - És végül büntetés terhe mellett kerülendő az MSN és egyéb szleng, a magyar helyesírás mellőzése, beleértve a mondateleji nagybetűket is!
Hali!
Jól számoltál! Máté.
Sziasztok!
Neten keresgéltem, de nem találtam szinte semmilyen információt következő hangfalról: Beag HX 301-8 Ennyit találtam róla: Bővebben: Link Szeretném megkérdezni, hogy valaki ismeri-e ezt a típust, vagy tud-e róla valamit? Pl teljesítmény, hangnyomás, stb.
Köszönöm a gyors választ. A tökörszerkezet sajnos nincsen meg hozzá. A képcső a következő: 40CB4Bővebben: Link
Leirást sajnos nem találtam róla. Egy kép az eszközről: Bővebben: Link
Szia!
Sajna semmit se találtam SP E120-ra, ami a nyákon található. 4 darab dióda megvan, szóval elvileg 9 Voltról üzemel, igaz? Találtam egy adaptert ami papírforma szerint 6V 300 mah-es, de multimétert rákötve majdnem 9 Voltot ad le. Megfelel ez, vagy terhelés alatt lehet kevés lesz? Köszi
A nyákon kell hogy legyen egy 8 lábas IC. Annak kellene a típusára rákeresni.
Sziasztok, minap megelégelte a laptopom tápkábele az állandó hurcolászást, megtört a csatlakozó mellett. Szeretném kicserélni a csatlakozót, de hozzá zavaróan közel van egy fekete henger a kábelen. Az a fekete henger micsoda, s mire szolgál? Elhagyhatom? Általánosan az adatkábeleken is van ilyen. Előre is köszi!
Zavarszűrő fojtótekercs. Ha kihagyod, lehet, hogy zavarja a rádió TV vételt. De meg is lehet toldani azt a drótot és máris maradhat.
Szerintem a hosszabítóban meg van cserélve a 0 a védővel-nagyon veszélyes! Nézd meg, ha így van-szereld át!
Csáó ! Csináltam egy LED füzért, mivel ki akartam rakni a szobába. Rákötöm a 4V elemet, de nem működik. Mindenkét felét polaritást próbáltam de nem megy. Mi lehet a baj. 23-24 LED van. A mellékletben van , hogy hogy kapcsoltam össze a LED-eket.
Ott van fölötte néhány adat, de nem voltam sosem 3-asnál jobb oroszból. Az is100éve volt.
Idézet: „800гр.-пара.50вт.,30-7000гц.97дб. 30гц.резонанс.Магнит-Кобальт(экранированные)” Amit érteni vélek: 50W, 30-7000Hz, 97Db. Talán 30Hz rezonanciafrekvencia?
Hali!
Ezeket szépen sorba kapcsoltad.Általános iskola,fizika óra.Soros kapcsolásnál a feszültség megoszlik a fogyasztókon.Tehát egy leden most 4V/23=0,17V esik.A LED nyitófeszültsége úgy 2,5-3V körül van.Ezért nem világít.Javaslom a segédprogramoknál az előtét-számoló programot. Máté.
Kipróbáltam 11 volton, és így sem megy. Akkor valószínűleg azért nem
Több tápot összekapcsolok, akkor úgy jó lesz ? Nem tudom, butaság -e, de ha eléraknék valamilyen tranzisztort? Mondjuk egy " nagyfeszültségű " BD243 C-t?
Ez így felejtős dolog.Számoljunk utána! Ha egy LED 3V-on nyit,akkor 23*3=69V-os tápegység kellene.Másik megoldás a párhuzamos kapcsolás.Így ~2,5-3V-os feszültségre van szükség.Itt azonban figyelni kell az áramerősségre.Ha egy LED 20mA-t vesz fel,akkor minimum:23*0,02=0,46A-es tápegység kell.Ez már egy kicsit csábítóbb szerintem.De akár egy áramgenerátorral is meg lehet próbálkozni.
Na akkor semmit se ért a munkám
Csak ez az egy tápom van. Output-ja : 5-11 V . Esetleg máshogy kössem a ledek ~ +--++--++--+ ? !
Hello!
Jani! Tanulmányozd egy kicsit az alapokat. Mert ezzel cserélgetős a stílussal, 10 év alatt sem fogsz egy centit sem előre haladni.. üdv! proli007
Ilyet nem szabad mondani!
Milyen terhelhetőségű a tápegységed?
Annyit ír rajta hogy : Input: 60-250 V , Output: 5-11 V .
Hja, és köszike, hogy te is mondtad, hogy ilyen csúnyát nem szabad mondani!
Szia!
Kösd őket párhuzamosan úgy, hogy mindegyikhez használsz előtétellenállást.
Valahogy így: Bővebben: Link
Aztadurva, ez mi? Nekem ez nagyon magas, lehet jobb ha hagyom az egészet
Ezen mi a 'durva'?Minden LED-hez egy 100Ohm-os ellenállás,párhuzamosan az 5V-ra kötve.
Na , ez nekem nem ér ennyit
. Akkor hagyom az egészet. Nincs itthon semmi ellenállásom
Veszel és lesz ellenállásod. Filléres dolgokról beszélünk. Nagyon szépen világítanak, érdemes velük foglalkozni.
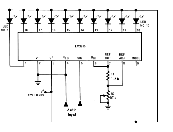
Itt van ez a Vu méter. Elég egyszerű nekem működött. Tölts le egy EAGLE-t, itt van a nyák is.
Ha jól sejtem a lila-sárga vezetékpár az egyik eltérítés, a kék-piros a másik. Hogy épp melyik a vízszintes, fogalmam sincs. A nyákból forraszd ki az egyik párost (jegyezd meg melyik szín hol volt), majd mérd meg (szakadásmérővel), hogy valóban egy tekercs két pontja-e. Ha igen, forraszd vissza őket felcserélve. Ha eltaláltad nyertél, ha nem akkor a másik az, de ezt is cserélheted vissza.
Ahogy elnézem az alkatrészek :
LM3915 IC, 10 db LED Jack dugó ? ! az audio input?! 10k Potenciométer ( trimmer?) 1.2k ellenállás
Ennyi. A jack szerintem 3.5-ös legyen.Trimmer legyen mert a nyákon is ilyen van. Mind megkapod a HEStorban.
|
Bejelentkezés
Hirdetés |





Több tápot összekapcsolok, akkor úgy jó lesz ? Nem tudom, butaság -e, de ha eléraknék valamilyen tranzisztort? Mondjuk egy " nagyfeszültségű "






