Fórum témák
» Több friss téma |
Fórum » Csöves erősítő készítése
Ne feledd betartani a fórum viselkedési szabályait, és a topik megmaradásának feltételeit. [link]
A téma átmenetileg fagyasztva lett, hozzászólni nem tudsz!
Akkor jó, nagyon örülök neki, ezek szerint most nem én hibáztam, de még sajnos mindig híjja egy kimenőtrafó!
Eggyel nem lehet sztereót építeni. De egyébként nagyon tetszetős hangja van ennek az erősítőnek, és szerintem sikerült egy pofás dobozt összeütni neki. Itt van pár kép róla. Web album
Ami a galériádban van, én abban két kimenőtrafót, és két PCL86-ot látok.
Igen, abban még kettő volt, de az egyik trafó menetzárlatos lett, és a 230ohmos tekercsének ellenállása 76ohmra csökkent. Ez drasztikus!!
A helyett kéne egy másik. Ha jól tudom ilyen kimenőtrafók voltak a régi csöves tv-kben.
Egyszer nekem 5,1W kimenő teljesítmény produkált 1Khz-en. Szemre torzítatlan volt. Csodálkoztam is.
Kicsit sok (300V) anódfeszt kapott. Ami nem lenne túl nagy baj de a katódellenállás 230V-hoz volt méretezve. Szegény cső anóddisszipációja 13W-volt. Szerintem nekem elég ez a 3W, csak próbára építettem meg, és jól szól, hát adtam neki dobozt, és szeretném ha stabilan működne sokáig, kerítek hozzá egy kimenőt valahonnan, és újra szól.
Persze hogy elég. Az nem rendeltetésszerű üzem volt. A cső hamar kimúlt volna. Én most ezt hallgatom. Két szélső ECL86, a két középső megy EZ80 (egyencső).
Lenne egy hülye kérdésem. A PICCOLOknál az a relés panel az valami féle védelem, vagy milyen célt szolgál?
Az egy késleltető. Azért van hogy amig nem fűt fel a cső addig ne legyen rajta az anódfesz. Először a katód közepe kezd felmelegedni és az akarná elvinni az áramot de nem bírja. Sok ilyen felfűtéskor károsodhat.
Nekem lehet, hogy van egy olyan kimenőm, ami neked kell. Szívesen elajándékozom, ha ilyen típus kell.
Sziasztok.Úgy tűnik összeáll a 6c19p se.CK 1006-os egyencsővel,6n1p és 6e5p hajtja és van eggy 2k visszacsatolás.Jó mélyek gyönyörű magasak nem is gondoltam,hogy ekkorát tud szólni.Van eggy kis gondom vele a magashangok eggy nagyon kicsit seppegnek mitől van ez?Az előfok munkapont beállitása okozza ezt? 6N1P anódban 22k 160 voltal katódban 470 ohm 2,6 voltal.Mig nem tettem a 6e5p elé a 6n1p-t ezt nem észleltem de ekkor nem volt elég ereje kihajtani.Különben teljesen brummentes.Nem biztos még hogy marad a 6e5p lehet ide is kerül eggy white féle katódkövető szintén 6n1p-vel de ha már idáig eljutottam végigkisérletezem ezt a megoldást is.
Helló!
Igen, pont erre a típusra lenne szükségem. ![]() Ha ajándékozni szeretnéd, akkor nagyon megköszönöm, de fizetek is érte ha kell! De azért azt mérd már meg hogy van-e rajta egy kb. 200-400ohmos tekercs, és egy 1-2ohmos.Köszi szépen a segítséget!
Sziasztok!
Jelentem elkészült a 6p41s PP. Kb egy hét szerelés, és két hét finomítgatás után elmondhatom, hogy hangilag már ott van ahol lennie kell. Doboz még véglegesítésre vár, szerelés kész. Egy plusz meghajtó csövet még be kellett építenem, mivel a fázisfordító kevés volt. Egyenirányítás, diódás, oldalanként külön LC szűrés, Wima kondik, 5%-os ellenállások, önhordó szerelés, Mayky kimenők. Brumm nincs, teljes hangerő közelében már hallható zajosodás, de ott már akkora hangerő van, ami bőven elnyomja. Háromnegyed hangerőn, csak a hangfalra tapasztott füllel hallani valamit. Próbapanel most sem volt, kísérletezés nélküli készre szerelés. Szerencsére bejött, pedig volt kockázat, pl a 300W-os toroid szórása. Kissé tartottam is tőle. Hangja finom, részletező. Kottázható mélyek, gyönyörű énekhangok, csilingelő magasak. Várom az észrevételeket.
Már megmértem előtte, azért gondoltam, hogy erre lehet szükséged (a képekről nem láttam rendesen a típust, inkább csak átsejlett, hogy ilyen lehet). Ird meg privátba a címedet és jövő héten elküldöm. Nem kell érte semmi, ez nekem fölöslegben van, örülök, hogy nem rohad el a műhelyemben. Régebben próbáltam PCL86-os SE-be, eléggé jóhangú típus ez szerintem is, nekem is 3 W alatt volt a kimenőteljesítmény (ami egyébként teljesen normális, mert a megengedett disszipáció kb. negyedéig érdemes megkergetni "A" osztályú beállításban a csövet).
Jól néz ki kívül-belül szerintem. Mekkora teljestményű (ha mérted) ?
Bemérve nincs, elvileg 25W-ot tud csatornánként. Ez kb. reális. Teljesítmény felvétele 160W, ebből 50W körül van a fűtés. Melegít rendesen.
Próbáld meg kisebb áramú beállításban a 6N1P-t (pl. 1 Kohm katódellenállás, 40-50 K anódellenállás). Nem tudom mekkora tápfeszt tudsz neki adni, nem ártana 300 V fölött valamivel, ami az anódon többé-kevésbé feleződne (20-30 V-al lehet féltáp felett is, anódellenállás megválasztásával).
Szia!
Ha az extra nagyteljesítményű csöves végfokok érdekelnek akkor kedvcsinálóként 500W "néhány" PL(EL)36-al: http://www.chambonino.com/construct/const8.html Vagy egy mégszebb, szintén innen (csak erős idegzetűeknek! A következő két link egymás folytatásai: Bővebben: Link - Bővebben: Link20db 807 = 1kW
Köszi holnap még ezt is kipróbálom.Max 300 voltot tudok neki adni.
Szerintem egy DIY-er erősítője soha sem készül el
Mindig alakít valamit rajta az ember. Én pl. megpróbálnám egy kicsit nagyobb áramú meghajtással. E88CC-kel vagy 6n1p-kel. A csövek felállása megfelelne ENNEK is
Még egy kérdésem lenne hozzád: Ugye két cső esetén 6k Raa-ra kell méretezni. Ha jól értelmezem, ahány pár cső, annyival osztódik a trafó Raa-ja. Ha maradok a "spórolósabb" megoldásnál, akkor 3 pár csővel, 1,66k Raa-ra kimegy a 270W elméleti primer teljesítmény. Ja és még egy apróság: kell-e a g2-re ellenállás, vagy csak mehet a segédtápra?
Szia! Lehet hogy igazad van, mindig lehetne új dolgokat kitalálni, és variálni. Én úgy vagyok vele, hogy ha elértem egy általam jónak tartott szintet akkor már nem fejlesztem tovább. Meg aztán a hangminőség javítása egy bizonyos szint felett már nagyon drága mulatság. És ki az aki ezt meg is hallja, vagy meg is tudja fizetni?
Sziasztok, nem tudjátok véletlenül mi lett Gubán Gabi GU-monsterjével
2x500-as GU81M PP már majdnem teljesen készen van, csak teljesen átgyúrtuk a belső felépítményt, egyszerűsítettük a meghajtást, mostmár 6P14P push-pull a meghajtó fokozat, mely anódból hajtja a végcsöveket, a csak annak kimeneti feszültsége 120V, 0-csúcsig, szabályosan ráz
Hamarosan képek róla.Meg már készül a web oldala, ahol fennt lesz az egész. Most épp ráérős időmben 2 vizsga közt tekerem a másik 3000-es toroid magra a másik kimenőt.
Gabikám, mióta is épül már a szörny? Nem most kezdted. De kíváncsi vagyok rá.
Elvileg G2-nél nem kell ellenállás, de a párhuzamos csövek miatt én tennék 100 ohmokat. Az Raa jó, 1,7K. Közben eszembe jutott, hogy ha úgy csinálod a tápfeszt, ahogy mondtam, azaz 2x300V DC- kötöd sorba a 600V-os anódnak, akkor megvan a 300V jól terhelhető segédrácsfesz is. Vagy úgy is egyenirányíthatsz mint az APX 100-ban, ott a középleágazásról veszik le a féltápfeszt segédrácsnak.
Szia.Köszi szépen igy már jó lett.6n1p anódban 30k-val 158 volt 300 volt táppal, katódban1k 3 voltal a seppegés eltünt igy már érdenes megépiteni.Érdekelne mégeggy dolog véleményed szerint érdemes-e megpróbálni ezt a kapcsolást meghajtásra?Nem hiszem,hogy nekem a dc csatolás összejönne de egy csatolókondival talán menne a dolog.Ezt csak azért gondolom,hogy igy kikerülném a 6e5p-t.
Mindent belevéve 1 éve épül kb, mivel ugye egyetemre járok mellette így kevés időm jut rá
. Rengeteg munka volt vele. Csak a végcsövek fűtése 12V 50A és 6-os vezetékeken megy fel a trafótól, és még az is langyosodik. Fél kivezérlésnél a 25A-es megszakítót le le veri néha
Üdv!
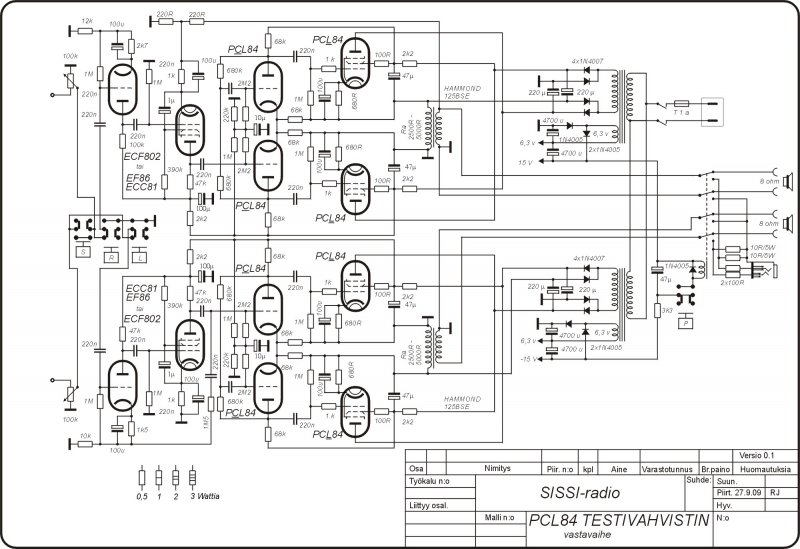
Volna valakinek használható ötlete arra, hogy hogyan tudnám a mellékelt erősítő(k) tápellátását megoldani? A problémám az, hogy a jelenleg rendelkezéste álló táp egy plazma tv-ből lett kimentve (kapcsolóüzemű), és kb 215V (+apróságok) jön ki belőle.
Volt egy kis időm (kd másfél óra
) és életet vertem a fél éve pihenő PL36 PP-be. Visszacsatolás nélkül jobban tetszik a hangja, viszont nem vagyok elégedett a mélyeivel. A várt hangerőt viszont szépen gond nélkül kihajtja. Holnap rá is teszem a PA ládáimra kiváncsiságból.Ja, és bedobozolom, bár azt nem hiszem hogy holnap. És ha ez dobozba került jöhet a 6C33C PP. Remélem. |
Bejelentkezés
Hirdetés |


Eggyel nem lehet sztereót építeni.
Kicsit sok (300V) anódfeszt kapott. Ami nem lenne túl nagy baj de a katódellenállás 230V-hoz volt méretezve. Szegény cső anóddisszipációja 13W-volt.




Hamarosan képek róla.
. Rengeteg munka volt vele. Csak a végcsövek fűtése 12V 50A és 6-os vezetékeken megy fel a trafótól, és még az is langyosodik. Fél kivezérlésnél a 25A-es megszakítót le le veri néha



