Fórum témák
» Több friss téma |
Fórum » Időzítő
Témaindító: Mekkmester, idő: Dec 25, 2005
Témakörök:
Sziasztok! Tudnátok-e kapcsolási rajzot adni egy időzítőről, ami +12 volton kb 5-10 sec-on belül bekapcsol és úgy is marad, míg a tápfesz rajta van. Relét üzemeltetne.
Köszönettel: a
Hello!
Ajánlom ezt a viszonylag egyszerű kapcsolást. Csak polaritáshelyesen sorba kel kötni a relével, amit kapcsolni szeretnél. Az időt, az R1 és C1 határozza meg, jelenleg kb. 20sec körül van. Tirisztornak használhatsz szinte bármit, pld. BT149-et is. Kétbázisú diódának (UJT) pld. 2N2646-ot, ha a 2SH20 nem kapható.. üdv! proli007Késleletető
hi!
Ez nem egy kivezérlésjelző véletlenül? hegusp
hi!
Ez elég jó... Egy kis gondolatébresztő: 230VAC-re is van valami?Vagy beteszek egy diódát, meg nagyobb értékű kondit, és a 230V behúzótekercses relé be is fog húzni? hegusp
Hello!
Azért nem ilyen egyszerű a dolog. - Az áramkör egyenfeszültségről dolgozik, tehát nem lehet nullátmenet. - A tirisztornak esetleg nem , de az UJT-nek kicsit sok lesz a 230V. - A relének, viszont kicsi az árama, lehet az is gondot okoz. - De ki lehetne próbálni egy Graetz átlójába helyezni a kapcsolást, UJT helyett egy DIAC, és valami kondi is kell, hogy a tirisztor ne aludjon ki a nullátmeneteknél. (De ne is lője ki a tirisztort, mikor begyújt.) - Szóval azért ezt még cseppet ki kellene próbálni. üdv! proli007
Szia! Jó a kapcsolásod.
Közkívánatra.. Felteszem a nyákrajzot is, de nem freeCom részére, mert Ő azt sem mondta "bakfitty"!
üdv! proli007
Na összedobtam.Ilyen lett.A feladatra amire szántam tökéletes lett.Kicsit nehéz volt belőni a 3 min./2 min. ciklust de azért sikerült 0.5s pontosságra.
Hello!
Jó látni, hogy valami el is készül, mert én csak rajzolok, aztán kész.. El is felejtem hogy valaha létezett üdv! proli007
Hát nekünk akik nem értünk annyira ezekhez az elméleti dolgokhoz sokat jelent az,hogy tudunk építkezni valamiből.Ám,ha meg értenénk az elektrotechnikai kapcsolások tervezéséhez akkor meg valószínű építeni nem szeretnénk.Jobb ez inkább így...
Sziasztok!
Van 2db ganz kk időrelém Led vilogtatására szeretném felhasználni! Anyit tudok róla hogy lehet percre és másodpercre is átálítani ha átforasztok benne egy áthidalást!(nekem a másodperc kel) Elvileg 220w kel neki és amit én akarok a ledeknek az 12 w *** megy 3 másodpercet kikapcsol és a másik bapcsol 3 másodpercig ha az kikapcsol kapcsol az 1 és így tovább... Ehez kérnék én kapcsolási rajzot hogy mit hogyan nagyon kezdő vagyok hozzá szóval csak szájbarágósan ![]() Bővebben: Link Bővebben: Link
Erre inkabb egy multivibrator kellene.
Értem én de nekem sajnos csak ez a cuccom van :S
Ebböl szeretném megoldani gondolom megérted... ![]() Valahogy tuti meglehet csinálni mert egy vilanyszerelő ismerős megoldta csak azóta már nem beszélek vele(összevesztünk) És most tőletek kérnék segítséget!
Ez a relé kétféleképpen indítható.
1: A1 - A2 fix 230V-ot kap és a B1 - B2 pont áthidalásával lehet indítani az időzítést. 2: ( S rendszerint ebben van használva. ) A B1 - B2 pont áthidalva és az A1 - A2-őn megjelenő feszültség indítja az időzítést. Szerintem vétek egy ( pontosabban kettő ) ilyen időrelével LED-et villogtatni. Mert az időrelé ennél kicsit többet is elbír. S egy 555-ös is kényelmesen megoldaná az igényed. De jó kísérletezést! A B1 - B2 pontokon a hálózati feszültség is jelen van. A relében nincs leválasztó transzformátor! Csak a kontakt pontok ( 15, 16, 18; 25, 26, 28. ) tekinthetők a hálózattól függetlennek.
Ugye nem gondolod komolyan, hogy abból a két időreléből akarsz egy két ledes villogót csinálni? Na ne... Ez teljesen ésszerűtlen és rossz ötlet. Én lebeszéllek róla. Kár erre elpazarolni.
Amit az előbb belinkelt a kedves fórumtárs, az 555 IC-vel, azzal csináld meg, vagy a tranzisztoros astabil multivibrátorral.
nem 1-2 led lenne pont azért választotam ezt hanem 2-300 db idővel lehet hogy több is amolyan club hangulatfény
na meg amugyis van ithon feleslegesen vagy 4-5 db relé sosem kelülne felhasználásra ....
Értem. Ennek ellenére is lebeszéllek erről. Szakszerűen kell megcsinálni, erre a célra kitalált kapcsolási rajzzal. Az alapja lehetne az 555, a led végfok meg akár tranyó, vagy akár fet. Abból rengeteget lehet tanulni. Nagyon szívesen segítünk.
Nekm aztán ugyan mindegy miböl van csak müködjön
![]() Azért szeretném ezzel mert ez már megvan és nem kel alkatrészeket venni ( de ha jobb és muszály akkor megveszem) valamint nincsenen hozzá semin ez alat értem a nyák a különleges forasztások stb... csak normál forrasztó pálkám van :S De ha vagy olyan kedves és tudnál nekem egy rajzot készíteni meg hogy mi kel hozzá azt nagyon szépen megköszöném de legyen előted hogy soha nem csináltam még de ha mindenre rávan irva hogy mi az meg a rajzon is akk elszórakozom vele
Valahogy így gondoltad ?
A 12 w egy külső trafórol lenne megoldva na de az a kérdés az hova kösem elméletileg elég csak 1 pórust megszakítani. viszont azt nem tudom hogyan és hova kösem aztán meg a másik relével össszehangolni... Azt hiszem a 25-n kel bevinni a 12w de nem vagyok benne biztos
Hali
Ez 12 wattos, vagy 220 wattos kapcsolo?
220 w de valamelyik részén lehet adni neki 12 hogy azt szakítsa mikiözben A1 és A2 alat üzemelakapcsoló
Nem veletlenul 220 Volt, 12 Volt? A"W" a teljesitmeny jele nem a feszultsege.
Értem, világos. Nos, akkor én előbb valami két ledes egyszerű áramkört javasolnék elkészítésre először. Ehhez találsz itt az oldalon kapcsolást. Panelt is lehet hozzá tervezni.
Nyákot meg egyszer el kell kezdeni csinálni. Miért ne kezdenéd el most? Akár először filccel rajzolva, vagy vasalva. Aztán majd később fotózni. villogó
Valóban jobb lenne kisebb feszültségű áramkörökkel kezdeni.
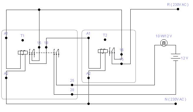
De ha mégis van kedved kísérletezni akkor itt egy kapcsolás. A T1 a lámpa bekapcsolását késlelteti. A T2 a kikapcsolást ( alaphelyzetbe állítást ) késlelteti. UI: A 230V-aln nem jó kezet fogni! Csak óvatosan!
Már kezdem érteni... de lenne egy kérésem amit én csináltam rajzot azt nem tudnád nekem befejezni ?
Tudom hogy próbálkoznom kéne..de várom a sült galambot a számba
Sziasztok!
Egy olyan időzítő kapcsolásra lenne szükségem amelynek a tápfeszültsége 24V (akkumulátortöltő) de egy 12V-al működő mágnesszelepet nyit 2mp-re. Az időzítőnek külső mikrokapcsolóval és az autó gyújtás feszültségére (15) +24V is működni kell.
Éppen be lehetne fejezni de abból csak egy kusza vezeték köteg lenne.
Hidd el! Nem nehéz lekövetni az elvi rajzot! A bekötések is jelölve vannak. Valamint a könnyebb érhetőségért a két relét szürkével körbe is kereteztem. Ezek után csak annyi a teendő, hogy a megfelelő pontokat össze kell kötni. PL: Nulla -> T1, A2 -> T2, A2. R-Fázis -> T1, 15. T1, 18 -> T2, 15 -> T2, A1. T2, 18 -> T1, A1. Valamint egy soros kapcsolás a T2 25 - 28 as kontakt ponttal.
hid el én kigobozom azt a rajzot csak létszi csináld meg
|
Bejelentkezés
Hirdetés |















