Fórum témák
» Több friss téma |
- Ez a felület kizárólag, az elektronikában kezdők kérdéseinek van fenntartva és nem elfelejtve, hogy hobbielektronika a fórumunk!
- Ami tehát azt jelenti, hogy a nagymama bevásárlását nem itt beszéljük meg, ill. ez nem üzenőfal! - Kerülendő az olyan kérdés, amit egy másik meglévő (több mint 17000 van), témában kellene kitárgyalni! - És végül büntetés terhe mellett kerülendő az MSN és egyéb szleng, a magyar helyesírás mellőzése, beleértve a mondateleji nagybetűket is!
Köszönöm.. Ez lesz belőle.
Udv minenkinek ! Hat jeleneleg ott allok hogy eleg sok mindennel tisztaban vagyok de az egyetlen hianyos leiras a fejemben az a tekercs leirasa nem erossen tudom a fontossagat azon kivul hogy magnessesseget kereal azon tul vagyok,hanem azon kivul 1)mire hasznlhato 2) ha felcsavarom a drotot es rateszem egy fesz forrasra akkor nem lessz zarlat vagy esetleg ha megfeleloen tekerem a kabelt a fesz fugvenyeben akkor nem lessz zarlat? Es ha jol mondom ami nem biztos akkor van egy olyan keplet amibol konnyen megtudo hatarozni hogy megkkora fesznek mekkora tekercs kell elore is koszonom turelmeteket Udv : Levente
Az a trükk az egészben, hogy a tekercsnek egyenáramon ohmos ellenállása van, tehát úgy viselkedik, mint egy darab megfelelő hosszúságú drót. Mindjárt más a helyzet, ha ezt a tekercset váltakozófeszültségű forrásra kapcsoljuk. Ebben az esetben a tekercs induktivitása (menetszám, van-e benne vas)és a feszültségforrás frekvenciája határozza meg az ellenállását. Arra (is) jól használható, hogy a váltakozóáramnak útját állja, de az egyenáramot meg átengedje.
Es mostmar van olyan hogy valhalol sorba es valahol parhuzamba kell kotodjon?vagy csak egy bekotes es az a parhuzamos?Es az induktivitas az mit jelent mit erdmenyez?
a kisfrekvenciának (egyenáram) kis ellenállást jelent, a nagyfrekvenciának meg nagy ellenállást. Ez igaz a párhuzamos és a soros kapcsolásra is. Ha nagyobb az induktivitása (menetszám), akkor a kisebb frekvenciáknak is nagyobb ellenállást jelent.
Az induktivitás a tekercs geometriai méreteitől függ,menetszám,átmérő,van-e benne vas.Az induktivitástól pedig a váltakozó áramú ellenállása(reaktanciája) függ és a rákapcsolt feszültség frekvenciájától.Egyenáram esetén csak a menetszámból adódó ohmos ellenállása van,egyébként a frekvenciával egyenes arányban változik.Ha jól tudom.
Helló. Feszültségosztóval kapcsolatos kérdésem lenne. Van egy PIC, előtte egy fesztültségosztó. A feszültségosztó azért kell, mert a jel amit mérni akarok, hogy 1 vagy 0, az 12V. Ezért kell az osztó. A bejövő jel egy motor akkuja, ami persze nem pont 12V, lehet akár 13V is, ezért az osztót 13Vra számoltam. Soros ellenállás 10K, párhuzamos 4,7K, így az érték már csak 4,1 V. Így ha a bejövő érték 12-13V, a PIC mutatja hogy igen, van jel...
Pontosabban az olajszintet szeretném mérni. Egy polisztirén úszó kapcsol egy kapcsolót stb stb. A jelzés a műszerfalon, hogy már kevés az olaj, vagy hogy még van elég. Tehát IGEN-NEM, egy égővel. Gondoltam hogy 12V ha igen, 0V ha nem. De nem így van. Egy mérőceruzával mértem rá (Egy krokodilcspiesz, kábel, és egy hegyes tű a mérő, egy izzóval) Ha nincs olaj, jön a 12V erősen világít az izzó. Ha elég a szint, nem oltódik el teljesen az izzó, halványan világít, és a PIC még mindig úgy érzékeli mintha 12V lenne. Egy szó mint 100, olyan összeállításra lenne szükségem ami a PIC bemenetén olyan értéket adjon hogy ha kell bekapcsoljon, ha kel kikapcsoljon. Érthető valamennyire?
És ha az analóg bemeneten feszt mérnél és azt értékelnéd ki?
Hoppá! A google! Én meg járatom a számat...
Hello!
Nem lett volna egyszerűbb megmérni a jelszint változást a 12V-on? Mert akkor el lehet dönteni mire van szükséged. Nem saccométerrel. Amúgy azt is kell tuni melyik prtát használod, hogy TTL szintű a bement, vagy ST. De ha kicsi a jelváltozás a PIC bemenetén az osztó után, az osztó felső tagjával sorosan egy zéner, tehát lehet zéneres feszültségeltolást is készíteni.. üdv! proli007
Hali. Nem ADC portot használok. Legközelebb ha ottleszek megmérem
Elég lenne csak egy + zener dióda?
Sziasztok! Van egy microsoft laser mouse 5000 egerem és nem müködik. Nem viszi a nyilat a képernyön. Kattintásra reagál. Anyit meg állapítottam, hogy az ugyan olyan jó egérnél a lézer részre menö fesz nyugalmi állapotban 0.20v mozgatásnál 0.14v. A rosznál pedig 0.12 és 0.27 között ugrál folyamatossan a fesz. Mi lehet a baja lézer dióda? Vagy valami más? A válaszokat elöre is köszi.
Sziasztok nekem az lenne a kérdésem hogy ez így működhet-e?Az ért gondoltam hogy jó az IRF540 mert valami egytranyós erősítőben is láttam.
Sziasztok!
Az lenne a kérdés,hogy mi a szerepe a 0,02es ellenállásnak és a kondiknak,itt nem váltóárammal megy az áramkör. Illetve a következő kapcsolásban mivel tudnám helyettesiteni MC34161-et.
Ugye nem poros, vagy más módon szennyezett az egér?
Az ellenállás a tranyónak kell a kondik meg szűrnek.
Bocs,hogy értetlenkedek,mert nem értem az ellenállás értéke olyan kicsi,hogy szinte alig esik rajta feszültség.
Ha elhagyjuk tönkre megy a tranzisztor vagy nem tud szabályozni.Esetleg ez egy szokványos érték vagy valamihez viszonyitott.Köszi.
Bocs hogy ide írok de nem találom az amatőr audiókészítők találkózója című témát. Nemtudná nekem belinkelni valaki?
Én sem tudom de amúgy nemtudom miért van ott ha nem azért
Biztosíték helyett.
Bővebben: Link A kereső csodákra képes
Ez az?Bővebben: LinkLátom más is tud keresni.
Hello!
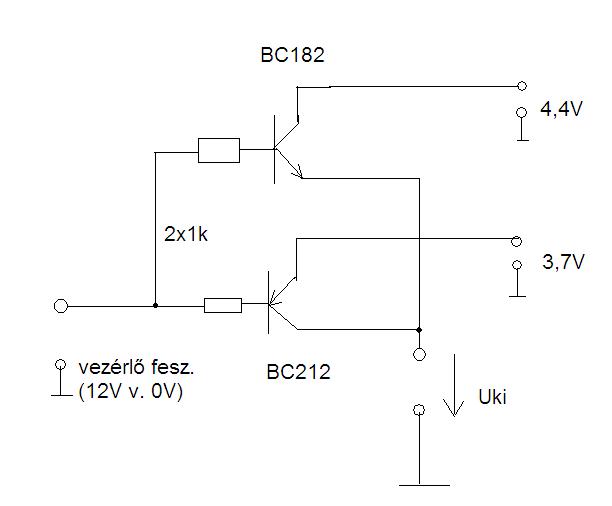
Szeretnék készíteni egy áramkört ami két különböző feszültségszintet kapcsol egy kndenzátorra. Az elképzelésemet cstoltam. Összeraktam a kapcsolást dugdosós panelon, de az eredmény, hogy a kimenet a vezérvőfeszültséggel egyenlő. Mit csináljak vele, hogy jó legyen?
Próbálkozz: Bővebben: Link
De hogyhogy két különböző feszültségszintet? Úgyis a nagyobb fog győzni.
Nem egyszerre, nyilván. Szerintem azt szeretné, hogy a 12V-ra az egyik, a 0V-ra a másikat tegye rá.
Ma lemértem multival. Érdekes hogy mindig 12V volt. Amikor azzal a lámpás mérővel mértem amit tegnap említettem, akkor ha nincs olaj, erősen világít, ha van olaj, akkor csak halványan, de ha multivel mérem, mindig 12V. Nem egyszerű kapcsolón keresztül megy az olajszintmérő, hanem a feszültségszabályozón keresztül.
|
Bejelentkezés
Hirdetés |












