Fórum témák
» Több friss téma |
- Ez a felület kizárólag, az elektronikában kezdők kérdéseinek van fenntartva és nem elfelejtve, hogy hobbielektronika a fórumunk!
- Ami tehát azt jelenti, hogy a nagymama bevásárlását nem itt beszéljük meg, ill. ez nem üzenőfal! - Kerülendő az olyan kérdés, amit egy másik meglévő (több mint 17000 van), témában kellene kitárgyalni! - És végül büntetés terhe mellett kerülendő az MSN és egyéb szleng, a magyar helyesírás mellőzése, beleértve a mondateleji nagybetűket is!
Hát majd holnap.Éjszaka lenyugszok és olnap fitten üdén esek neki.
Köszi proli a válaszodat, neked is jövök egy sörrel
Szóval akkor azt mondod, hogy hagyjam a csudába a darlingtont és inkább egy IRLR024-el oldjam meg? sajnos az elmélettel még nem vagyok tisztába, viszont nagyon sürget a határidőm, és ha ezzel nem kell annyit szívnom, akkor megfogadom a tanácsodat ![]() Ha netán lenne még kérdésem, zaklathatlak priviben?
Hali!
Pár észrevétel: A földpont bejelölése nélkül nem egyértelmű a kapcsolás. Ahogy Proli007 is mondta, a terhelőáramot is tudni kéne. Kicsi áramnál elég egy kicsi tranzisztor, aminek nagy az áramerősítési tényezője (és persze kell bázisellenállás). Ha szükséges a BD243, akkor a kisebb tranzisztor kollektorát én a 7V-os tápra kötném, a bázisát közvetlenül a vezérlőjelre, az emitterére pedig egy ellenállást akasztanék. A nagy tranzisztor (azaz a BD) bázisára menne az ellenállás másik vége, az emittere a földre, és a kollektor a fogyasztóra. Így a kicsi emitterkövető lenne, az ellenállás pedig korlátozná a nagy tranzisztor bázisáramát. A pontos értékekhez számolni kell, de 20 és 100 Ohm köztire lehet számítani. (Ez viszont nem az az ellenállás, ami a Te kapcsolásodban van a kicsi tranzisztor bázisán. Ott kiloOhmok kellenek.) 1A kapcsolásához jó a 100 Ohm, és a BD maradékfeszültsége is elég alacsony lesz. Valószínűleg melegedni sem fog. 1-2A fölött azért ez sem az igazi. Akkor már tényleg sokkal egyszerűbb egy db FET. Vagy talán mindenképp egyszerűbb, ha van kéznél.
Én is totál kivagyok fáradva, nem megy a munka... S:
Ismét sziasztok.
CMOS IC-k védődiódáiról szeretnék tudni pár dolgot. A CD40-es sorozat adatlapjain azt írják, hogy ajánlott -0.5V és Vdd+0.5V közt tartani a bemeneteket. De ott a diódák még nem nyitnak ki. Nekem most olyat kéne tudnom, hogy mi van, ha kinyitnak? Mennyi áramot bírnak el, és úgy általában milyen feltételek mellett nem lehet baj? Bármi infónak örülnék. Egyetlen áramérték, vagy akár egy teljes tanulmány is jöhet karakterisztikákkal. Előre is köszi!
A digitális kapuk, ha nincs a bemenetükön semmi, akkor véletlenszerűen állítják be a kimenetet. Ha pedig van a bemenetükön valami, akkor a működésüknek megfelelően. A nem használt digit kapuk bemeneteit célszerű GND-re kötni. Az OP2-es még mindig nyílt hurkú erősítőként működik. (Vagyis ha a nem invertáló bemenet jelszintje magasabb, mint az invertáló bemenet jelszintje, akkor a kimeneten megközelítőleg a "+ tápfesz." mérhető. Ha fordítva, akkor pedig
"- tápfesz." mérhető. Nos az erősítés értéke invertáló erősítő esetén: -(Rvisszacsat./R bemeneti). Nem invertáló erősítő esetén: 1+(Rvisszacsat./R bemeneti). De ez édes kevés. Javaslom hogy olvass át egy könyvet a műveleti erősítőkről. (Offset., nyílt hurkú erősítés, ill. az alkalmazástechnikák.) Ha ezekkel tisztában vagy, akkor már nem lesznek ilyen problémáid. De hogy az itt jelenlévő problémában is segítsek: R5: 40k; R3:10k (Ekkor az OP1 erősítése: 5X-ös.)
Miért szeretnéd te a bemeneti fesz. szintet a Vdd fölé vagy a Vss alá vinni? (A diódák csak ebben az esetben nyitnak ki. ) Az én véleményem szerint 10mA-es nagyságrend lehet ezeknek a diódáknak a max. áramuk. (De biztos van róla pontosabb infó. Keresgélj.)
Én is 10mA körülre tippelek, de ha valaki tud biztosabbat, az lenne a jó.
Azért érdekel a téma, mert egy schmitt triggeres bemenettel akarok egy feszültséget figyelni. Tudom, hogy nem lesz pontos, de az mindegy. A gond az, hogy ez a feszültség üzemszerűen felmehet akár 18V-ra is. Persze közé teszek majd egy nagy ellenállást, de zenerrel nem foghatom le a bemenetet, mert a billentési szint a tápfeszültséggel együtt változhat. Plusz kicsi helyre kell majd beépíteni, és nem fogyaszthat sokat, így a legjobb az lenne, ha a belső védődióda fogná meg. Ehhez viszont tudnom kell, hogy mit bír, és mire számíthatok közben. Még nem biztos, hogy lesz belőle valami, de egyelőre ezen kell átjutni.
Van egy Fuji finepix 4900zoom fényképezőgépem, arra lennék kiváncsi hogy a vakujában a fénycsövön és a fényérzékelön kivül mi az a kis tekercs?
Feszültség szintet komparátorral szokás figyelni, aminek a pontossága akár mV nagyságrendű is lehet. A komparátor kimenetén, ha úgy állítod be logikai szintek is lehetnek, amit aztán bárhogy feldolgozhatsz. A logikai áramkörök Schmitt triggeres bemenete csak arra való, hogy pl. az inverter fel tudjon dolgozni lassú és esetleg ingadozó szintű jeleket. Ez csak abban segít, hogy határozottan eldöntse, hogy a bemenetén logikai 0, vagy 1 állapot van. Ez csak ilyen értelemben komparátor.
Kaptam egy fénycsöves világítótestet javításra. Ohmmérővel hogy tudom ellenőrizni a gyújtókat? A kondi miatt egyre növekvő ellenállást kell mérnem?
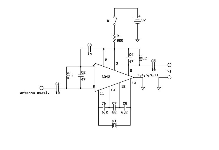
Hello. Itt egy égi kapcsolási rajz, itt másik a jelölések mint a mai kapcsolási rajzokon. Az lenne a kérdésem hogy a C6, C7, C8 kondenzátorok alatt mi az az x1?
A gyújtókat úgy lehet biztonságosan tesztelni, hogy kicseréled őket újra. Ha ettől nem javul meg a lámpa, akkor csőcserét kell csinálni.
Sziasztok tudnátok segíteni egy kicsit?Szeretnék csinálni egy ütemre villogó cuccot IRF 540 MOSFETtel valaki be tudja rajzolni hogy hogy kössem be?
Itt egy régi kapcsolási rajz. Az lenne a kérdésem hogy a c6 c7 c8 alatt mi az az x1? És a kondenzátorok mikro Farad-ban vannak megadva?
Az x-es egy kvarc és a betűjelzés nélküli kondenzátorok pF-ban értendőek. De mit akarsz ebből kihozni?
A tranzisztor helyére beteszed a FET-et úgy, ahogy a FET-rajzán látod.
Nekem is lenne egy kérdésem.
Vannak a potik közül A és B félék.Az lenne a kérdésem hogy mind a két félével lehet erősítőben hangerőt szabályozni?
Ez egy régebben használt OIRT/CCIR rádió kétnormásító. A kristály X1 27 MHz környéki, a kondenzátorok pF -ban értendők.
Az "A" az lineáris, a "B" az logaritmikus karakterisztikájú potméter. A hangerőt log karakterisztikájúval kell szabályozni a fül érzékenysége miatt, a lin potmétert pl balansz célra használhatod.
Akkor így jó?
Jó, de arra ügyelj, hogy az IRF teljes kinyitásához 10V-os gate-feszültség kell. Ha ennél kisebb a feszültséged, akkor logikai FET-et használj (IRL).
10v???Jaj.De ez mosfet.akkor lehet hogy inkább tranyós lesz...
Válassz az IRL sorozatból és akkor nem lesz jaj.
Az kinyit a jack kimenettől?
Ez jó? Bővebben: Link
Jó, de ha kisebb VDS feszültségűt választasz, az még jobb lenne, mert kevesebb energia válna hővé.
Ez 30v ennél kissebb nem nagyon van ezzel fog menni a villogó? Bővebben: Link
Ez ugyan nem kifejezetten logic level típus, de jó lesz.
Egy biztosan jó típus: Bővebben: Link |
Bejelentkezés
Hirdetés |




Szóval akkor azt mondod, hogy hagyjam a csudába a darlingtont és inkább egy









