Fórum témák

» Több friss téma
Fórum » Páratartalom érzékelő
 
Témaindító: Pepör, idő: Szept 23, 2006
Lapozás: OK   3 / 6
(#) moltam válasza proli007 hozzászólására (») Júl 19, 2010 /
 
Úgy értettem, hogy figyelembe veszik-e a légkör párakapacitását. Nem akarok hygrometert építeni, csak kíváncsi voltam.
(#) dudzsi válasza moltam hozzászólására (») Júl 20, 2010 /
 
Nem egészen értem a kérdést. Ha arra gondolsz hogy figyeli e a hőmérségletet is és a pár hőfokhoz viszonyitva jön ki a megfelelö feszültség. Akkor elméletileg igen.Én ugy tudom van benne egy termisztor is ami a hőfokot figyeli.
(#) ToMikaa hozzászólása Aug 24, 2010 /
 
Üdv!

Nekem olyan problémám lenne, hogy a Lidl-ös, kínai időjárás állomásomban tönkrement a páratartalom-érzékelő. A valósnál kb. 15-20%-kal kevesebb páratartalmat mér.

Az érzékelő maga ilyen: Kép
Annyi a különbség, hogy az enyémen alul van egy 75-ös szám.

Tanácsot szeretnék kérni, hogy mit lehet ilyenkor tenni. Van valami lehetőség utólagosan "kalibrálni"? Esetleg egy ellenállást/potit az áramkörbe rakni és beállítani? Vagy helyettesíteni az alkatrészt?
(#) ToMikaa válasza ToMikaa hozzászólására (») Aug 25, 2010 /
 
Némi kis kiegészítés: kb. 50%-os RH mellett mérek 33 kOhm ellenállást. Ha az érzékelő 2 lába közé beforrasztok egy 50 kOhm-os trimmerpotit és azzal beállítom, akkor utána valós értéket fog mérni, vagy a poti miatt csalni fog? Gondolok itt a hőmérsékletfüggésre.
(#) dudzsi hozzászólása Aug 28, 2010 /
 
Sziasztok!
Elkészült a művem. Páratartalom változásra működtető szellőző lamella plusz ventilátor.
A lelke az egész szerkezetnek egy 16F676-os PIC és egy SYH-2T páraszenzor.
A lamellák 55-58% páratartalomnál kinyitnak és kb. 50% visszazáródnak. Óránként nézi az aktuális páratartalmat, aminek az értékéhez képest működtet egy ventilátort. Minél nagyobb a páratartalom annál tovább megy a ventilátor. Be lehet zárni és ki is lehet nyitni manuálisan is. Amikor persze le áll a ventilátor illetve elindul.
(#) dudzsi válasza dudzsi hozzászólására (») Szept 7, 2010 /
 
Itt van pár kép a müröl ha érdekelne valakit.
(#) dudzsi válasza (Felhasználó 15355) hozzászólására (») Szept 7, 2010 /
 
Pedig igen. Amugy már kész van már jó rég óta. Csak lusta voltam fényképezni. Nem a Proli007 féle analoggal meg, hanem a pic-töl kapja az 1kHz-et. Az eredeti feláláshoz képest a plusz ventilátor kapcsolgatás változott és annak az idözitése. A program fő része változatlan maradt. Csak a zsinorral való ki-be nyitogatás és a ventilátor kapcsolás miatt kellet sokat tökölnöm. Mert nem akart beleférni a picbe. De aztán meglett a megoldás és tök jól megy.
A H-hid az egy kicsit eröslett. Ilyen tranzisztor volt kéznél.
Egy dologra nem jöttem rá. Ha ébresztem a picet megszakitással "meghúzom a zsinórt" akkor nem indul el a timer0. Ez igy normális? Mert valaki azt mondta hogy indul. Hát nálam, nem.
(#) sniperx hozzászólása Szept 28, 2010 /
 
Az SY-HS-230 modulhoz nem tudnátok valami egyszerű analóg kapcsolást ajánlani?
Valami olyasmire gondolok, mint pl egy termosztát kapcsolás differenciál erősítővel.
Nekem is 230V-os ventihez kéne egy pincébe, ahol a mosógéptől néha nagy a pára.
A lényeg: amíg nem esik vissza a páratartalom, addig mehet a venti.
(#) sniperx hozzászólása Szept 28, 2010 /
 
Ez vajon mit csinálhat pontosan?
páratartalom érzékelő
Találkoztatok már ezzel?
Beállításra nem látok lehetőséget, hacsak nem külső potis valamelyik sorkapoccsal.
Egyáltalán tápfesz?
Érdekes így árulni valamit, hogy szinte semmi adat nincs hozzá...
(#) lapose válasza sniperx hozzászólására (») Szept 28, 2010 /
 
Szia!

Adatlap:Bővebben: Link
Remélem tudsz lengyelül.
(#) Imi69 válasza sniperx hozzászólására (») Dec 16, 2010 /
 
Szia,

a Google fordítóval ezt mondja az adatlap: Bővebben: Link
(#) kipi0804 hozzászólása Jan 26, 2011 /
 
Üdvözlet mindenkinek!

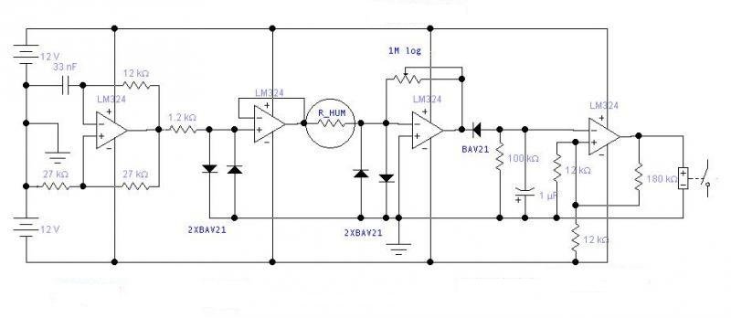
Kérdésem a következő lenne ez a rajz életképes SHY-1-el? A válaszokat előre is köszönöm!

humidity1.JPG
    
(#) proli007 válasza kipi0804 hozzászólására (») Jan 26, 2011 /
 
Hello!
Nekem még nem volt ilyen szenzorom, de a kapcsolás működhet (működőképesnek találom.)
Perszer a kimentre érdemes tenni egy tranyót a relé meghajtásához, mert így a relé, a komparátor alacsony és magas kimeneti szintjénél is behúzna, csak egyszer a -12V-ra, egyszer meg a +12V-ra.. Meg egy reverz diódát is kell a relére kötni a visszarúgása miatt. (Ez csak egy szimulátoros rajz..)
üdv! proli007
(#) kipi0804 válasza proli007 hozzászólására (») Jan 26, 2011 /
 
Köszönöm a gyors választ!

A tranzisztor nem okoz gondot viszont ez a reverz dióda a relé tekercsére menne párhuzamosan?
(#) proli007 válasza kipi0804 hozzászólására (») Jan 26, 2011 /
 
Hello! Természetesen, csak záró irányban. üdv! proli007
(#) kipi0804 válasza proli007 hozzászólására (») Jan 26, 2011 /
 
Köszönöm!
(#) poros válasza kipi0804 hozzászólására (») Jan 26, 2011 /
 
Holnap felteszem a kapcsolásomat SHY1el, két hete üzemel csak még dobozra vár.
(#) kipi0804 válasza poros hozzászólására (») Jan 26, 2011 /
 
Üdv!
Kíváncsi vagyok a rajzra, pincébe tervezem alkalmazni. Ez átalakítható lenne-e mivel nem kell külön táp.
(#) poros válasza kipi0804 hozzászólására (») Jan 27, 2011 / 1
 
Az enyém jelenleg egy peltiert működtet. Panel trafó adja az állandó feszültséget, ez kapcsol egy nagyobb trafót. Az energia fogyasztás miatt oldottam így meg.
A relére bármit köthetsz annak a teljesítményének figyelembe vételével. A sokfordulatos potméterrel be állíthatod a neked tetsző pára tartalmat e felett a relé behúz . Majd ha a pára tartalom a beállított szintre vissza esik kikapcsol. Korában úgy terveztem a borda hőmérsékletet is figyeltetem de erre úgy látom nincs szükség de a panelt ehhez terveztem . Csak nem kötöttem be. Egy ilyen pára tartalom érzékelő működteti a szellőző ablak nyitását már több mint egy éve azzal sincs gond.
(#) kipi0804 válasza poros hozzászólására (») Jan 27, 2011 /
 
Köszönöm a rajzot!
(#) kipi0804 válasza poros hozzászólására (») Jan 27, 2011 /
 
Még egy kérdésem azért lenne, hogy milyen szezor végzi a hőmérséklet figyelését a nyákrajzodon?
(#) poros válasza kipi0804 hozzászólására (») Jan 27, 2011 /
 
Ha jól emlékszem ilyen. Ha érdekel annak a rajza is kiegészíthetem az előzőt.http://www.hestore.hu/prod_10025436.html
(#) kipi0804 válasza poros hozzászólására (») Jan 27, 2011 /
 
Kösz a gyors választ, érdekel a rajz is.
(#) poros válasza kipi0804 hozzászólására (») Jan 27, 2011 / 1
 
Itt a kiegészítés is.
(#) kipi0804 válasza poros hozzászólására (») Jan 27, 2011 /
 
Ezer hála!!!
(#) kipi0804 válasza poros hozzászólására (») Feb 7, 2011 /
 
Üdvözlet!
Megépítettem a kapcsolásodat és remekül működik. A kérdésem egyedül az lenne,hogy a beállított értéket hány százalékos pontossággal képes tartani? Gondolok arra, hogy a beállított páratartalom 50% akkor 48-52% között tartja ?
(#) poros válasza kipi0804 hozzászólására (») Feb 7, 2011 /
 
Szia. Örülök, hogy sikerült összehoznod és működik. Nem mértem menyire képes tartani a beállított értéket. De a kapcsolás elég érzékeny amit írtál szerintem tudja.
(#) kipi0804 válasza poros hozzászólására (») Feb 7, 2011 /
 
Azért kérdeztem, mert a hőfokmérőnél a visszacsatoló ellenállásk kicseréltem nagyobbra és így 4 fokon belül tudja tartani a beálított értéket. Mégegyszer köszönöm a rajzokat!
(#) z3r0 hozzászólása Feb 8, 2011 /
 
Szevasztok!
Egy kis segítséget szeretnék kérni.
Egy olyan kapcsolásra lenne szükségem ami tartani tudja a keltetőgépemben a beállított páratartalmat. Egy 230V-os ultrahangos párásítót kellene neki szilárdtest relével kapcsolgatnia. Semmi extra nem kell rá, a lehető legegyszerűbb legyen, és legfőképp üzembiztos. Tápfeszültségnek a DC 12V a többi szerelvény miatt adott a gépben. Egy poti elegendő amivel szabályozni tudom, és egy aktív párásítást jelző kontroll led. A gépben van hygrométer, így az alapján gondoltam beskálázni a potit.
Szezornak valamelyik SYH-t néztem ki, esetleg SY-HS is szóba jöhet, amelyik jobb erre a célra.

A segítséget előre is köszönöm!
(#) z3r0 hozzászólása Feb 13, 2011 /
 
Látom eléggé kihalt a topic, nem foglalkozik már senki páratartalom szabályzással.
Következő: »»   3 / 6
Bejelentkezés

Belépés

Hirdetés
XDT.hu
Az oldalon sütiket használunk a helyes működéshez. Bővebb információt az adatvédelmi szabályzatban olvashatsz. Megértettem