Fórum témák
» Több friss téma |
Fórum » Csöves erősítő készítése
Ne feledd betartani a fórum viselkedési szabályait, és a topik megmaradásának feltételeit. [link]
A téma átmenetileg fagyasztva lett, hozzászólni nem tudsz!
Attól még benn a kimenő, hogy az anódon mérsz. A kimenő primerje a munkaellenállás, és ez frekvenciafüggő, ha kicsi az induktivitása alacsony frekin beterhel, ha kicsi a légrés telítődik a vas, beterhel, torzít. Próbáld meg nagyobb légréssel is mérni.
Amúgy, ha 100 Hz-en jó, az már nem is annyira rossz.
Megmértem... és úgynézki jól hallottam, mert rosszabbnak tűnik... a 100Hz-et is csatoltam képbe...
Na, elkészültem a 6P3S egyik kimenő trafójával.
Végül 4x500 menet lett, soronként 100 menet 0.2 mm-es cerimel szigetelésű huzalból. Szekunder tekercs 3x90 menet 0,4 mm-es huzalból. Összerakok egy kapcsolást és ha minden rendben tekerem a másikat is.
Már kérdeztem, de mi volt a kifogásod az eredeti meghatjással? És ez most miben jobb?
Szia!
Első neki futásra nekem sem hozta a GU50 SE a várt eredményt.Az enyém nem gerjedt de nagyon brummos volt ami engem kimondottan zavart.Az átalakítás során kapott egy egyenirányított 6,3V-os fűtést az ECC85 és most várakozással telnek a napjaim mert még nem futott be az 5C9S egyenirányító cső.Azért 1-2 alapvető hibát elkövettem én is...(közel van a hálózati trafó az ECC85-höz,fa dobozra szereltem stb)
Ez melyik kapcsolás? A müszi féle? Ha igen, ajánlom, hogy mindenképpen próbálj meg másikat, akár anódkövetőt, akár srpp-t. Nekem az a kapcsolás nem jött be. Szólni szólt, de a mostani lényegesen jobb, már amennyire egy év távlatából emlékszem.
A foglalatokat te készítetted?
Jól látom, a jobb oldali RCA gnd-je nincs bedrótozva?
A kimenőket forgasd el 90 fokkal, a hálózati ebben a pozicióban szórja meg legjobban.
Sziasztok, azt szeretném kérdzni, hogy 6p45sz-ből SE-be kb mekkora teljesítmény várható, illetve nagyjából meggora teljesítményű táp trafó kellene?
Üdv. D.
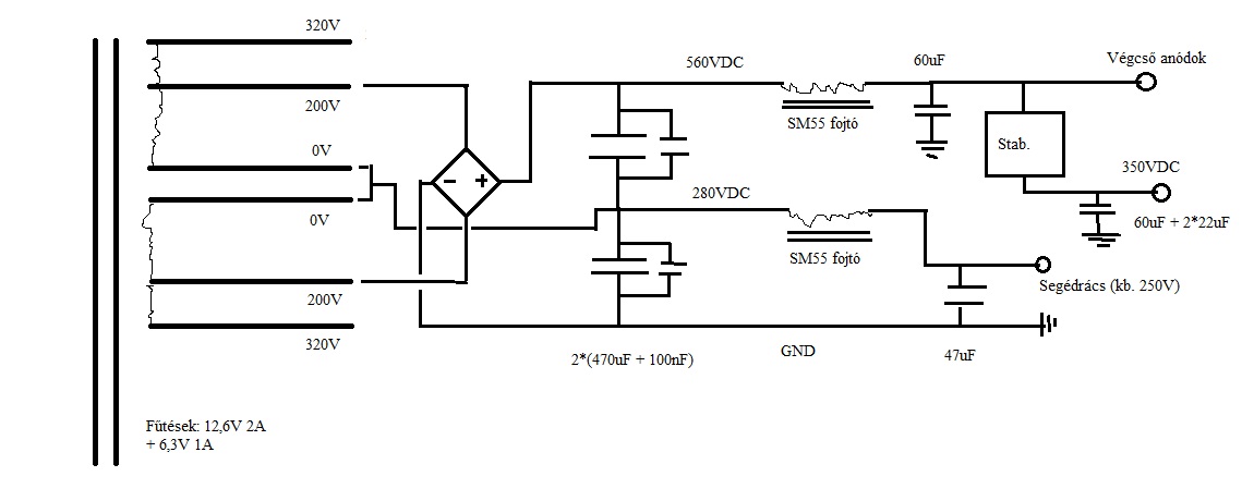
Igen, ez még egy lépéssel a mostani előtti verzió. Kísérletképpen nem raktam rá, mivel a szerkezetet gépről hajtom és gondoltam, hogy elég egy GND (jack a másik vége). Hát azért nem, most már úgy van megoldva, hogy az előfok GND pontjához van forrasztva. Kicsi módosulás még, hogy az előfok szűrése a csokiba lett csavarozva (60µF eredővel) és azért még közvetlenül a novál foglalatok anódkivezetésénél mindkét oldalon 22µF-al szűrve. A két nagy 470µF-os kondi pufferként üzemel, külön fojtóról megy a segédrács, 47µF-al a fojtó után a kettő. A végcsövek szűrése szintén 60uF. A fűtések még nincsenek kiközepelve, de tanácsra inkább egy 75Kohm/220Kohm-os osztón keresztül az anódfeszre lesz kötve. Most tervezgetem, hogy fogom véglegesre építeni. Azt hiszem szimmetrikus lesz, mint a legtöbb itt látott megoldás. Még talán kerül bele EM cső, ezzel a fetes stabtáppal nagyon egyszerűen lehet neki 250V körül adni. Felrakok egy képet a tápról, hogy kb. érthető legyen miért így néz ki.
Persze lemaradt ez előfeszültség, ami a trafón egy 60V-os tekercs, ami az elektroncso.hu-n látható kapcsolással van a csövekre adva.
Szia
körülbelül akkora teljesítményt tud SE ben mint a GU50, a hasonló anóddisszipáció miatt. Viszont Anódfeszültségben a 400V lenne ideális, így megfelelő meghajtással 8-10W kivehető belőle. 100W-os toroid trafó bőven elegendő a 2 csatornára.
Hát most fejből meg nem mondom melyik kapcsolással építettem meg :no:
Majd át fogom(szeretném) építeni és akkor már figyelembe veszem a trafók mágneses szórását is.Köszönöm a tippet.
SziA ! Azért az átépítés előtt tehetnél kísérleteket a fennállt gonddal kapcsolatosan .
Első lépésként a trafók közelségét ellenőrizd itt már sokszor leírtuk a legegyszerűbb módját , így ahogyan van is megteheted . A táp trafóról az elmenőket lekötöd és a kimenők primer oldalait is felszabadítod , majd a hangszóró kimenetre rákötsz egy fülhallgatót és bekapcsolod a hálózati trafót . Így a zaj nagyságáról máris megbizonyosodsz , aztán lehet eldönteni sok vagy , egyáltalán van -e valami ? A fa dobozzal kapcsolatosan azt mondanám csak hogy abba is lehet zajmentes csöves erősítőt építeni , de ahhoz hogy zajmentes legyen sok más egyéb szerelési szabályt előtérbe kell helyezni . Ez az általad épített GU50se az melyik terv , kapcsolás szerint készült ? Idézet: „fejből meg nem mondom” Kapcsolási rajz nélkül akkor hogyan építetted ? Ha fejből akkor meg rajzold le !
Szerintem kevés lenne a 100W-os toroid trafó. Anódonként 35-40W+ a fűtések az önmagában is van 100W. Én minimum 200W-os trafót tennék hálózatinak.
Hát ha azt nézzük, hogy az EL84 SE-mnek 200W-os (toroid) hálózatija van.. Azért a fűtés nincs 100W. 30W, jó ráhagyással legyen 45. Anódonként 40W, az úgy lesz 150W. Végülis mindegy, a 100W-os kevés így is.
Nem a fűtésre értettem a 100 wattot hanem az egészre.
Mekkora nyugalmival mennek ezek körülbelül? Illetve olyan 12cm2 már elég lenne neki?
Ha még 100W valóban nem is lenne elég, de minek tesztek oda 200W-ost? 150 W, ha nagyon túl akarom méretezni 30+30W anódonként +40W fűtés =100W ami 50% os túlméretezéssel 150W max de több felesleges, főleg, ha toroid, mert azt a maximális teljesítményükre méretezik, és ott is jelentősebb melegedés nélkül dolgoznak nem túl jelentős szórással.
Én a 2x200W os OS51PP végfokomra csináltatok 50%-os túlméretezéssel 630W os toroid trafót.
EL84 SE-re a 200W rengeteg, nem trudom mit számoltál, de 300V ról a 12W anóddisszipációjú cső max 40mA áramot vehet fel. 300V/40mA=12W akkor kerekítsük 20W ra (bő ráhagyás). Ez nem anódonként, ahogy te írtad, hanem összesen lesz 40W, ehhez hozzájön a fűtés, ami 6,3V on a 2 végcső, plusz az 1-1 kicsi cső max 2,5A ami 16W, ezt kerekítsük 20, max 25W-ra szintén nagy ráhagyással. Ez sincs közel se 40W. Összesen, ráhagyással számolva: 40W+25W=65W az EL84SE teljesítményfelvétele. ha még kis biztonsági további csőfejlesztésre (kivezjelző) alkalmassá téve se kell több mint 80W-os toroid. 200W az nagyon brutális túlméretezés. Felesleges.
Nekem ez a véleményem. Legalább rosszul ne számolj, ha beírsz ide. 80W kb a fele, mint amit te számoltál.
Gábor! Nem kötekedésből mondom, de!
1: A 6P3Sz-t számoltam. Tudod, hogy mindig ráhagyok. Inkább a Te ötleted húz félre kicsit, 100W egy ilyen SE-nek? A GU50 SE-mben a 180W-os (M) hálótrafó 5 óra használat után igencsak meleg. 2: Azt csak érdekességképp írtam. Ja, és ilyen volt. Szerintem nem pazarlás, mert toroid magot még ma is gyártanak, így aztán már csak a pénztárcám szab határt. És ehhez a trafóhoz elég olcsón jutottam hozzá.
Szerintem az Ágoston Lajos féle kapcsolások korrektek,
ajánlom az ECC82 meghajtócsöves kapcsolást. Link:http://elektroncso.hu/cikkek/gu50.php
A hálózati trafót nem árt túlméretezni, Én a számolt
teljesitményfelvétel kétszeresére szoktam...
Írtam privátot, amiben részletesen kifejtem, miért írtam amit írtam
Minap találtam két darab egyforma képkimenőt, nem tudom miből lett bontva, és milyen az osztása. ohmosan 2 - 350 ohm.
Próbáltam az ecl86osba kimenőnek berakni, és egészen jó hangja van. Mennyire használható az ilyen trafó kimenőnek?
Hali!
Köszi az infót de sajnos a hálózati trafómra már 1 menet sem fér rá.Így ez a kapcsolás számomra nem jó :no: |
Bejelentkezés
Hirdetés |


Amúgy, ha 100 Hz-en jó, az már nem is annyira rossz. 







