Fórum témák
» Több friss téma |
- Ez a felület kizárólag, az elektronikában kezdők kérdéseinek van fenntartva és nem elfelejtve, hogy hobbielektronika a fórumunk!
- Ami tehát azt jelenti, hogy a nagymama bevásárlását nem itt beszéljük meg, ill. ez nem üzenőfal! - Kerülendő az olyan kérdés, amit egy másik meglévő (több mint 17000 van), témában kellene kitárgyalni! - És végül büntetés terhe mellett kerülendő az MSN és egyéb szleng, a magyar helyesírás mellőzése, beleértve a mondateleji nagybetűket is!
Ja, meg mégegy kérdés! Mit ajánlotok, mekkora fúróheggyel fúrjak majd panelt, ha a kövtkezőt készítem?!
0,9mm...de még jó az 1mm-es is. 104k=100nF=0,1uF
Természetesen nem jó 9V elem a referencia felszültség előállításához ezzel tisztában vagyok. Itt én most a számítást nem értettem, de valóban kihagytam a belső referenciát.
Most mással kell foglalkoznom, de mivel hajt a kíváncsiság később átszámolom.
Gyakorlatilag mindegyiken érthetően van rajt a kapacitás.
Mondtam én, hogy 39nF helyett 47nF is jó. Amúgy, ha értékelhető szám van a kondira írva az pF kapacitású. 1 2 4,7 100 220 stb Ha az van rajta, hogy 103 akkor az 10 nF, ha 104 az 100 nF, ha 473 akkor az 47 nF stb.... Bővebben: Link Bővebben: Link Mások már leírták. Olvasd el és megvilágosodsz.
kezdésnek elég, ha 1mm fúrót használsz. Aztán úgy is egyre kisebbeket használsz ahogyan jön a tapasztalat.
Én 0,6mm használok persze van ahova nagyobb kell. Ha lehet ne kézből fúrj használj állványt. Vagy vegyél sok fúrószárat Ha csak pisztoly fúród van használd, de idővel szerezz be egy magas fordulatú fúrót.
Aha, köszi! És a 0.1 µF-re való a 33n. Mert ez az egy fajta kimaradt!
Sziasztok, azt szeretném kérdezni, hogy ha van egy +-12V-os szimmetrikus tápom ami ugyebár a + és - oldal közt mérve 24 Volt akkor abból lehet-e oly módon 12V-ot csinálni, hogy egy 7812-es stabi IC-t beteszek a - táp lenne neki a test és a + táp meg a plussz be.
Működne ez így? -vagy szaladhatok? (ne kérdezzétek, hogy miért akarok így 12V-ot hamár úgyis ott van 2X12Volt is) hosszú lenne leírni (a plussz-mínusz táp másra kell az áramkörben függetlenül a stabi IC-től) köszi...
0.1 µF = 100 nF nem tudom a kapcsolásod mennyire örül neki, ha csak a harmada kerül bele.
Jólvan, na ! Ne harapd le a fejem !
A nyákon a +-ba megy a + tápfesz, a - a negatív? Vagy a negatívot a GND-re kössem? Lassan az egyik kész ! Most keresek egy átalakítót, ami DIN-RCA !
Nem harapok nem vagyok kutya.
Igen (-) GND.
Sziasztok!
Olvasom a fórumot de nem találok választ, remélem valaki segíteni tud majd nekem. Van a kocsiban egy 4x45w fejegység, 2-hangszóró kalaptartóban és 2-az első ajtón. Nincsen erősítőm és nem is szeretnék. Ma vettem egy mély hangszórót meg egy mély hangváltót és ezeket szeretném rákötni az egyik hátsó hangszóróra, hogy működjön. A boltban rendes volt az eladó mert tanácsolta hogy ne sorosan hanem párhuzamosan tegyem be, (vagy fordítva) és hogy mit hova kössek. De eltelt egy kis idő és full össze zavarodtam. Pedig amikor ezt tegnap megálmodtam akkor még egyszerűnek tűnt Most akkor mit hova kellene kötnöm, hogy ne lőjem ki és működjön? Előre is köszi.
Se sorosan , se párhuzamosan nem lesz jó. Akarjál erősítőt. Ha párhuzamosan ráteszed túlterheled a fejegységet. Ha sorba teszed, nem fog, illetve nagyon szarul fog szólni, bár tönkre nem megy semmi. Ráadásul amivel sorba kötöd, azt is "megsávszűröd".
Legjobb lenne ha a fejegység vonal-kimenetére tennél egy erősítőt és onnan tudnád hajtani.
Hmm, ez akkor nem jó. Lehet tényleg erőlködő lesz belőle, csak ahoz zsebbe kell nyúlni. Meg akkor már kondenzátor... :rinya: Azért köszi.
Ha már egy ilyen elektronyos oldalon vagy: mi lenne, építenél egyet annak a mélynek?!
Az a kondenzátor, az parasztvakítás. Persze ha 5000 wattot akarsz, akkor kell, de egy átlag cucchoz minek?
Félek hogy a női énem eluralkodna rajtam és nagy lenne a galiba.
5000w ááá dehogy, a kis mélyke 100watt össz vissz. Itt a gond maga az autó (matiz) kb robogó méretü az aksi. De igazad van, ha már itt vagyok. Csak nem bonyolultabb mint a legó. (remélem)
Ha a mellékelt labortápon áramot akarok mérni akkor a 9-es ponton kell megszakítani és betenni egy kis értékű ellenállást amin panelmérővel majd feszültséget mérek, igaz? Ha oda teszem az jó lesz?
Hali mindenkinek.
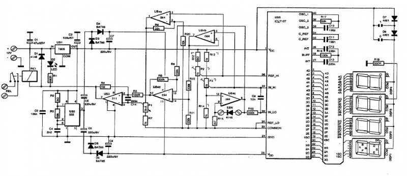
Segítségetek kérem! A mellékelt kapcsolási rajzhoz szeretnék egy leírást szerezni.
Sziasztok azt szeretném kérdezni hogy van e valakinek tda 2030 mono erősítőhöz nyákrajza(az a fajta aminek nem kell szimmetrikus táp)Köszi.
Szerk:ja és még valami ha 19v 3A ről szeretném járatni akkor hány K/W-s hűtőborda kell rá?(természetesen stereo lesz de inkább 2 panellal oldom meg )esetleg pc tápból szermányolt borda elég?
Szia!
Itt minden van: Bővebben: Link
no még 1 kérdés TO-3 tokot hogyan lehet praktikusan rögzíteni hűtőbordához?
Sziasztok! Megcsináltam ezt a kapcsolást: #80514 (a csatolmányban jelzett módosításokkal) azzal a szándékkal, hogy trafó teszternek (tekercsarány megállapítására) használom, most épp az a probléma ugye, hogy kellene tudnom mérni a szekunderben (is) a feszültséget. Erre a célra egyébként vettem két glimmlámpát, hogy ne kelljen magas feszültséget mérnem. Ha világít a glimmlámpa, akkor "megfordítom" a transzformátort (a szekundert használva primernek). Szóval ott tartunk akkor a fentiek miatt, hogy feltehetjük, hogy 220 voltot nem meghaladó feszültséget kellene mérni, csak most épp lüktető feszültségről van szó, és tekercsarány számításához az effektív feszültségeket kellene mérnem. Vagy elég ha tudok mérni feszültségmaximumot?
Az okozza itt a nagy dilemmát, hogy ha a primer helyére beteszek mondjuk egy voltmérőt, ott mások a körülmények mint a szekunderoldalon lennének (ha a primerben nem folyik áram, akkor a tranzisztor épp szakadásként funkcionál, míg a szekunder ellenállása ilyenkor véges), és nem tudom hogy pl multiméterrel váltóáram (vagy valamilyen más) állásban a kapott értékek összehasonlíthatóak lesznek-e. Esetleg csináljak-e egy Graetz-hidat, majd a végére egy kondit, s mérjem a kondit egyenáramú módban, bár ezzel a módszerrel kb. feszültségmaximumot fogok kapni, illetve abban sem vagyok biztos, hogy ezt az előtétet csak egy példányban kell-e megcsinálnom, vagy bizonyos méréstartományokban más-más ((értékű) alkatrészekből álló) előtétet kell-e alkalmaznom. Szóval röviden tömören az lenne a kérdésem, hogy akkor most hogyan tovább? Előre is köszönöm a válaszokat.
node hogyan tegyem rá? ott lógnak a lábai, ha meg átfúrom akkor ott vannak a "bordák" ráadásul kimegy a dobozból.
Köszi.
Bizony. Olyan borda kell hozzá, akármilyenre nem megy föl. Lehet csalni 40 x 40 x 4 mm -es L-idom közbeiktatásával, ilyenkor az L-idomra szereled a tranyót, a másik oldalát pedig a bordára. Mindjárt keresek képet róla.
TO3-as borda L-idommal
Képletesen mondtam ! OK, köszi !
Most csináltam meg a hűtőbordámat. Most az a kérdés, ugye azokat a kondikat, amiket az előbb kérdeztem, azokat mindegy, hogy hogy kötöm be? Nem látok rajta semmi jelölést. A másik pedig az, hogy a hangfalam kábelének az aljzata olyan, amit csatoltam a rajzon! Nem szeretném szétvágni, de meg szeretném csinálni, hogy RCA-t dughassak be az erősítőbe. Namost, ha úgy csinálnám, hogy az egyiket rákötném az RCA egyik lábára, a másikat a másikra, akkor működne. Üzletben nem találtam megfelelő átalakítót. Én szerettem volna saját magamnak csinálni, de úgy sem találtam alkatrészet.
Elvileg jónak kellene úgy lenni. Ha ismered a panelműszer méréshatárát, szépen ki lehet számolni, mekkora figyelő-ellenállat kell. Olyan 0,1 ohm nagyságrendű legyen!
De nézegesd át a labortáp topikot is. |
Bejelentkezés
Hirdetés |







Most csináltam meg a hűtőbordámat. Most az a kérdés, ugye azokat a kondikat, amiket az előbb kérdeztem, azokat mindegy, hogy hogy kötöm be? Nem látok rajta semmi jelölést. A másik pedig az, hogy a hangfalam kábelének az aljzata olyan, amit csatoltam a rajzon! Nem szeretném szétvágni, de meg szeretném csinálni, hogy RCA-t dughassak be az erősítőbe. Namost, ha úgy csinálnám, hogy az egyiket rákötném az RCA egyik lábára, a másikat a másikra, akkor működne. Üzletben nem találtam megfelelő átalakítót. Én szerettem volna saját magamnak csinálni, de úgy sem találtam alkatrészet. 





