Fórum témák
» Több friss téma |
Ez a három sor van ráírva:
HCF4027BE GK8192DQ VW 6K CHN Én úgy kértem, hogy CF4027.
Ha az adobe design premium programcsomagot felteszed, akkor lesz egy viruális nyomtatód (azt hiszem az acrobat professional, vagy a distiller része)
De! Ha nincs szükséged ezekre a programokra, akkor a legegyszerűbb, ha letöltöd az ingyenes PDFCreator nevű progit, ami egy virtuális PDF nyomtató. Tudom, hogy alap, de azért szólok, hogy ha később a pdf-et nyomtatod papírra, akkor ne legyen a fit to printable area beállítva, legyen none. Így igaz, hogy a nyomtató lehagy 5-5 mm-et a lap széléről, de legalább pontos lesz a méret. Tehát egy szó mint száz, a rajzot húzd beljebb a lapon nyomtatás előtt. http://sourceforge.net/projects/pdfcreator/ Köszönöm a nyákkészítési tippeket. Egyébként jól látod, a tranyok lábait a vezetősávhoz kellett forrasztanom ![]() Vasalásos technikánál lehet használni azt a variációt, ahol fentmarad a GND?
Délután veszek még 2-3 IC-t, visszahajtom a lábait egynek és beteszem úgy. Bár nézegettem a alldatasheeten (kezdő vagyok, ezért biztos ami biztos megnéztem), hogy hogy vannak a lábak és szerintem jó így. Felül nézetnél fönt van a kis félkör, és balra az első láb az egyes.
Igen, balra fent... De neked a nyákrajzon jobbra fent van. Nyákot mindig beültetés felől nézve tervezünk.
Akkor ezek szerint nyák oldal felől tervezted a panelt. Rajzolod? Vasalod? Fotózod? Ha rajzolod, akkor persze ne gond, mert simán egy az egyben átrajzolod. De ha vasalsz, vagy fotózod, akkor - jelen nyák esetében- tükrözve kell nyomtatni, hogy jó legyen. (De csak is erre a nyákrajzra igaz!) Egyébként pedig beültetés felől tervezünk és egy az egyben nyomtatjuk ki a rajzot, majd ezt fordítjuk rá a rézfelületre. A nyáktervnél az IC nem kap tápot. 16 és 8-as láb Üdv!
vettem egy k940-es fet et
mosfetből pedig 2n60b-m van
na ez a 2n60b-vel készült változat rajza ez így is jó?(diódát utólag tettem a bele mert nem volt ilyen lábkiosztással diódás mosfet)
A kép a panel B kép meg kapcs rajz
Köszönöm szépen az infókat! Vasalással csináltam, és tükröztem nyomtatás előtt. Amit írtál, hogy beültetés felől tervezzek, legközelebb úgy fogok! Most világosodtam meg, hogy alapértelmezve miért "fordítva" dobja rá a szöveget a sprint layout
![]() De visszatérve a fő problémára, az eredeti kapcsolási rajzon nincs semmi a 16-os és 8-as lábra téve. Ezek szerint a kapcsolási rajz rossz?
Szia!
Nagyon szívesen! Ha megnézed az adatlapot, akkor a 8. láb a GND, a 16-os láb pedig a táp láb. E nélkül nem működik a kapcsolás. Ott egy teszt áramkör van printscreen-el kinyomva, nem feltétlen jelölik a táp csatlakozásokat. Szóval. 8 és 16 a táp. Üdv!
Sziasztok.
Olyan kérdésem lenne hogy egy 4011 el megépített egy nyomógombos kapcsolást alakítanák át úgy hogy nem relé hanem például mosfet legyen benne POSITIV tápot kapcsolna az ötlet kész csak az a baj hogy a 4011 nek 5v al kell mennie így amikor magas szintet ad ki az 4.15 körül van ami nem elég a fetnek sikerült össze hoznom egy npn és egy pnp tranyoval hogy a mos legyen kapcsolva de nem nyit elégé szóval a táp 14v körüli amit kapcsolni kéne de ö csak 10v körül enged átt (12v g feszel) kérdésem az hogy energia takarékosan hogy tudom megoldani a szabályzást?vagy esetleg egy fet típus kellene ami akár 5v os gate fesznél már nyitva van és 1A tud. és igen tudom hogy a 4011 15v is simán szaladgál de amibe készül az 5v előlappal van szerelve amire ez kerülne.. remélem érhető volt. Köszönettel:Suhanc ctrl+c a kezdők topicbol ide ctrl+v vel
Igen lehet de én át szoktam festeni filccel még.Bővebben: Link
Szia!
Köszönöm szépen, valóban csak ennyi volt a baj! Még jó is, hogy nem ment egyből, mert így legalább sok mindent tanultam belőle! Köszönöm mégegyszer!
P típusú FET-et használj, úgy, hogy az S van a pozitív tápon, és a D a kimeneten. R6 ekkor nem kell, R4 helyét zárd rövidre, és a tranzisztor bázisával sorba tégy egy pár k-s ellenállást!
Nekem ezekkel a rajzokkal az az alapvető problémám, hogy szimulátorban lehet, hogy jól működnek, de a valóságban szerintem nem fog. Ugyanis nincs olyan mechanikus kapcsoló, nyomógomb, akármilyen érintkező, ami a zárás pillanatában ne peregne, azaz ne történne a végleges záródás előtt jópár zárás-nyitás (sőt, nyitáskot is ugyanez történik). Ezek a digitális áramkörök (jelen esetben "sajnos") olyan gyorsak, hogy ezeket a pergéseket ("prell"-eket) simán tudják követni, így a megnyomás vagy elengedés után csak attól fog függni a tároló kimenete, hogy éppen páros vagy páratlan számú prell történt.
A fentiek miatt a mechanikus érintkezőkkel működtetett digitális áramköröknél mindenképpen valamilyen prell-mentesítést kell alkalmazni. Ez legegyszerűbb esetben egy elég nagy időállandójú RC tag. Komolyabb, és talán a legkorrektebb megoldás a sima nyomógomb helyett váltóérintkezős nyomógomb és egy RS tároló használata (pl. itt a legfelső rajz).
Az IC-s nyomógombos topicban válaszoltam neked, hogy hogyan kellene csinálni. A 2N60B N-FET, ha a k940 a 2SK940 akar lenni, akkor az is az. Neked P-FET kellene, ha a pozitív tápfeszt akarod kapcsolni.
Sajnos a kapcsolás nem jó mert a mosfet ellentétes SD polaritása miatt nem működne rendesen. A belső védődióda nyitott helyzete miatt a kapcsolt erősítő a diódán keresztül tápfeszültséget kapna. Azaz nem lehet kapcsolni a tápfeszültségét.
Hali mindenki!
Az alábbi relés megoldást szeretném úgy átalakítani, hogy egy 65-ös szerelvénydobozba beleférjen. A relékkel is belefér, csak nehezen, és a két relé viszonylag drága. Ha a piezzó zümmer még szaggatottan is szólna az maga lenne a tökély. löre is köszi!
A +/-12V azt jelenti, hogy 24V-os reléket akarsz használni?
Itt egy egy nyomógombos be-ki kapcsoló. Én egy 12V-os reléhez terveztem. Tökéletesen működik.
Bocsi hogy nem voltam 1 értelmű, de a két pozitív egy-egy hibajelzés, a nyomógomb pedig a hangjelzés némítására van.
Hello!
Ez a téma itt OFF! De nem kell ehhez fia drága relé sem. Néhány olcsó alkatrész, és zümi már szaggatottan is fog szólni.. üdv! proli007
megcsináltam multisim 10-el, de valamiért nem működik
Hello!
Akkor most javítsam meg a multisim-et? De amikor azt írjátok "nem működik" Nem lenne ésszerűbb azt leírni, hogy mi nem működik? Mert ennek a "nem működik-nem működik" szövegnek, információ tartalma szinte semmi nincs. Ez csak egy bit. Szerintem rakd össze, és akkor működni fog.. üdv! proli007
Az elvi rajzzal nincs gond. A szimulációban kellene körülnézni...
( A tranzisztornak kellene bázisellenállás. )
Hello! Nem kell, mert emitterkövetőként működik.. üdv! proli007
Rendben, hogy elektronikusan nem kellene.
De egy tranzisztorhiba esetén az IC kimenete mégis csak védve lenne valamennyire.
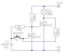
Ez a kapolási rajz on- off ugyanazzal a gombal ha jól látom, pergésmentes? És magyobb tapfesszel mondjuk 12 v tal lehet hajtani komolyabb változtatások nélül? Egy 12 V os relét kellene bebillentsen...
Hello!
Igen pergés mentes. De.. Alapvetően lehet, ez a kapcsolás, kimondottan az alacsony tápfeszültséget célozta meg. Ugyan is nem használ bázisosztókat, és csak kis teljesítményt kapcsol, lévén, hogy egy kapcsolóüzemű fokozat ShutDown jwlét szolgálta. Nagyobb feszültségekre van egy kazal más megoldás, itt a fórumon is. üdv! proli007
Hello!
De hogy a kedvedre tegyek, rajzoltam egy 12V-osat is. Remélem elég egyszerű. Ezzel akár ampereket is kapcsolhatsz. (Lámpa az természetesen nem kell, csak szemléltettem a terhelést.) Grátiszként a Q2 nagyobb Cgs kapacitása miatt, tápfeszültség bekapcsolásakor, mindig kikapcsolt állapotban van. Természetesen más teljesítmény Fet is alkalmas bele. Kikapcsolt állapotban a fogyasztása mindössze 120uA. üdv! proli007 |
Bejelentkezés
Hirdetés |












De amikor azt írjátok "nem működik"







