Fórum témák

» Több friss téma
Fórum » Akkutöltő kerékpárra, alternatív világítási módszerek
Lapozás: OK   1 / 4
(#) Vincenzo hozzászólása Jún 7, 2007 /
 
Dinamóval hajtott akkutöltő és világítás...
(#) Vincenzo hozzászólása Jún 7, 2007 1 /
 
Namármost...

Adott:

Lámpák elöl hátul amik elemről, esetünkben aa illetve aaa akkukról működnek. Ezeket akarom egy olyan körbe csatlakoztatni lehetőleg egyszerre, ami működés közben tölti az akksikat. (persze ha megálok világítanak a lámpák . és a töltőelektronika nem terheli az akkukat.)

Mindezek tetejébe mi más lenne a forrás mint egy igenrégi de annál jobb dinamó annak minden rossz és jó tulajdonsásával.

Fonotos az is hogy láma vagyok. Bonyolult dolgokat nem tudok megvalósítani. Tehát ha valaki le tudja gyártani a dolgot nekem akkor árajánlatokkat is szívesen veszek.

De ha valami hasonló dolog akad a amiből meríthetek akkor egy link is elég minden plusz magyarázat nélkül. ))

ELőre is köszi a segítséget.
(#) PCB válasza Vincenzo hozzászólására (») Jún 7, 2007 /
 
Mennyi feszt ad a dinamó ?
Ha csak annyit amennyi a világításhoz elég, akkor a töltőt szerintem csak annyira érdemes megcsinálni, hogy erre a feszültségre teszel egy áramgenerátort.

5V - 9V alatti feszen nem nagyon működik más.

Üdv!
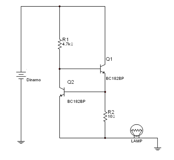
(#) PCB válasza PCB hozzászólására (») Jún 7, 2007 /
 
Szia !

Erről beszéltem ! (kép)

R2 a töltőáram beállítása.

Üdv

dinamo.gif
    
(#) Sanyi87 válasza Vincenzo hozzászólására (») Jún 7, 2007 /
 
Hali...de ismerős ..hasonlót én is készítettem...
de szerintem ezt nem lehet akármijen akksikkal megoldani...mivel én ugytom h hamar kipurcannak...(mert nem minden akksit lehet tölteni bármikor ..) ..kivéve ha az aksi rendes savas ólomaksi...v lítiumos (ami elég drága még)..SZAL én úgy készíttettem el 1 ehez hasonlót h amig tekerek a bicajjal egy ízzó világit és közbe tölt a dinamó 2 db 1F os kondenzátort..és amikor megállok bicajjal akkor ezek az 1 farados kondik hajtanak meg 2 db extra fényes 5 mm-es kék ledet..(ami akkor is világít amikor az izzó...csk az ízzo mellett nem nagyon láccik)...és vagy 2 percig világítanak a Led-ek a kondikról.....tökszép ...és fényereje is elmegy...
(#) huhuu válasza Sanyi87 hozzászólására (») Jún 7, 2007 /
 
Hol vettél ilyen kondit és mennyiért vesztegetnek ilyet?
Amúgy elfért könnyen a bicajon, nem nagy ez a kondi?
(#) Vincenzo hozzászólása Jún 7, 2007 /
 
aham...
Szóval a Ni - MH akkukat halálra ítélem ezzel a megoldással. Kezdek azon agyalni hogy pótakksikat viszek inkább.......

Mellesleg köszönöm a gyors válaszokat. Tetszik az oldal meg a banda aki lakja.



Más...

A dinamó ugye a hagyományos állandómágneses kivitel. A házába kalapált betvek szerint 6v és 3W az ő üzemi tartománya. De a multimétert AC 200 V tartományba kapcsolva jó gors kerekezés mellet én 20 v-ot is mértem. Ez mire utal?

Megint más.....

ha ezeket az aksikat nem lehet fröcstölteni akkor lehet olyan elektronikát beépíteni ami figyeli és csak akkor tölt ha kell, sőt figyelmezete. .... vagy egyszerűen ha kezd gyengülni a fény rákapőcsolom a dinamót....

De akkor is megoldásra vár az üzemközbeni töltés.. Ha már választ adtál PCB akkor bocs csak még nem olvadtam el az akkutöltös topikot.
(#) PCB válasza Vincenzo hozzászólására (») Jún 7, 2007 /
 
Szia !

Idézet:
„Szóval a Ni - MH akkukat halálra ítélem ezzel a megoldással.”


Miért?

Gondolj azokra a vezeték nélküli telefonokra amiben AA Akku van. Azt is teljesen össze vissza teszik töltőre és évekig megy bennük az aksi.

Szóval tapasztalataim szerint az ilyen akkunak egy halála van, ha hagyod teljesen lelapulni.

Üdv!
(#) Dr.Megavolt hozzászólása Jún 7, 2007 /
 
szia!
van egy tippem amihez 4 darab kisteljesitmenyu egyforma
DIODA kell.
ha a dinamo tul sokat tolt koss egy ellenalast a dinamo utan

dinamo.gif
    
(#) tatabike válasza Vincenzo hozzászólására (») Jún 7, 2007 / 1
 
Szia Vincenzo,

gondolom kiderült számodra is, hogy nekem mi a fő hobbim... Na most, rengeteget túráztam régen, voltam bringás futár is, úgyhogy van bőven tapasztalatom. Anno én is dinamóval nyomtam, igaz, akkor még álmodni sem mertünk LED-es lámpákról meg hasonlókról... Kicsit nem értem ezt a dinamós dolgot, pláne a mai fejlettségi szinten. Tudnod kell, hogy egy dinamó a kerékre kattintva halál, kínlódás. Ha mindenképpen dinamót akarsz, akkor lehet már kapni olyan kerékagyat, amibe bele van építve egy áramfejlesztő, és a gördülési ellenállása töredéke a hagyományosénak. De ami nekem a legjobban bevált kerékpárvilágításként, az elöl egy Cateye 3 Ledes lámpa, nagyon erős fénye van, és 120 órát bír négy darab 2600 mAh-s AA-akkuval. Hátul egy sima 3 Ledes Cateye villogó, két 800 mAh-s AAA akkuról megy, hasonlóan sokat bír. Tehát ha nem mész haza egy hétig, és minden éjjel tekersz, akkor sem merülnek le az akkuk. Én két hetes bringatúrákra sem vittem magammal soha pótakkut, vagy töltőt, pedig sokat tekertem éjszaka... Nem éri meg a kínlódást ez a töltő, amit szeretnél. Mert nem sok értelme van. Nem olcsóbb, nem jobb, nem is igazán kihívás...de Te tudod.

TaTa
(#) pista91 válasza Vincenzo hozzászólására (») Jún 7, 2007 /
 
Nekem is lenne egy ötletem.
A bss-en van ojan hogy szünetmentes tápellátás.

Ezt átalakítva, talán, de csak talán...
(#) huhuu válasza Dr.Megavolt hozzászólására (») Jún 7, 2007 /
 
Igen, kell az egyenirányító híd, mert a "dinamó" váltóáramot ad le! Érdekes, hogy dinamónak hívják, mert ez úgy működik, mint egy generátor, csak a diódák hiányoznak belőle...
Amúgy én mindíg valami akkus cuccot használtam lámpának, mert nem szerettem a dinamó hangját. Egyszer egy régi panasonic G-450 es telefon aksiját használtam, ami nagyon sokáig működtette az izzókat, a telefonnal meg már meg se nyikkant. Aztán valami balf*sz k*cs*g ezt a kibuherált aksit is lelopta a kerómrol. Sajna, hogy ilyen tahók is vannak...
Gondoltam is rá, hogy valami nagyfesz cucccot kéne rátenni
(#) Vincenzo hozzászólása Jún 7, 2007 /
 
Nagyon fasza ez a banda....
Előszöris hódolatom az itt összegyültek előtt. Idáig ez a legfrankóbb fórum amivel dolgom volt.
Mély tisztelet előtettek...


Naszóval...

Tatabike :

Nekem a te véleményed tetszik márcsak azééé is mert már más helyen is láttam a Cateye márkát és idáig mindenki dícsérte. Szóval szinte 100 % hogy ezt a jelentősen egyszerűbb megoldást választom.

Köszönöm hozzászólásod

Többiek :

Látom sokakat izgat a dolog és ha kikerekedik valami jó kis téma csak hajrá. Én már választ kaptam a kérdésre, de csak gyerünk tovább mert engem érdekel a téma. Új dolgokat megtanulni sose hátrány )))
(#) Braf válasza Vincenzo hozzászólására (») Jún 7, 2007 /
 
„Szóval a Ni - MH akkukat halálra ítélem ezzel a megoldással. ”


ni-mh aksikat bármikor (bármilyen töltöségi állapotban ) töltheted! nem fognak tönkre menni

ni-cd aksikat nem töltheted bármikor! (vagyis lehet csak) mindig annyi energiát tudsz belőlük kivenni amennyit az UTOLSÓ töltésnél "beleraktál" (tehát ha szakaszosan töltöd az nem jó megoldás... --> megálsz, nem tölt...)

li-ion/li-poly aksikat is bármikor lehet tölteni csak bonyolult elektronika kell a töltésükhöz

zselés/ólomakukat is lehet bármikor tölteni (pl az autóaku)

neked a ni-mh vagy a zselés/ólomaku jöhet szóba
(#) tatabike válasza huhuu hozzászólására (») Jún 7, 2007 /
 
Szia Huhuu,

azért ez nem teljesen igaz, a dinamó nem ugyanaz, mint a generátor, mert a dinamó önmagában forgással is képes áramot termelni, de egy generátort hiába pörgetsz, ha nem adsz a tekercseinek gerjesztést, nem fog áramot "gyártani"...

TaTa
(#) tatabike válasza Vincenzo hozzászólására (») Jún 7, 2007 /
 
Szia Vincenzo,

örülök, hogy tetszik itt Neked, tényleg jó a társaság, annak meg külön örülünk, ha tudunk egymásnak segíteni. Én is anno egy kondi miatt tévedtem be ide, aztán itt ragadtam...szerencsére... Azóta van 3x annyi erősítőm itthon, meg hasonló ketyerék...
Amúgy, hogy ne offoljak sokat, tényleg jók a Cateye lámpák, akkunak meg az Energizer termékeit ajánlom, nekem van 3 éves ilyen gyártmányú akkum, és hibátlan. Olcsóbb kategóriában még a Hama gyárt elfogadható minőségű akksikat, ebből is van 4 nekem, ami már 3 éves, de észrevehetően gyengébbek, mint az Energizer, de az ár/érték aránya jó. Konkrét példa: Energizer AAA akku 3 éves, 800 mAh kb. 100 vakus fotó digikamerával,
Hama AAA akku 3éves, 900mAh kb. 80 vakus fotó.


TaTa
(#) lgyk hozzászólása Jún 7, 2007 /
 
Ez lehet, hogy hülyeség, de nem lehetne az egyik fék mellé egy olyan dinamót bekötni, aminek nagyon nagy a mechanikai ellenállása, és csak fékezéskor kapcsolódna a kerékhez?

Így gyakorlatilag rásegít a fékezésre és adna némi energiát...


Ami biciklis túráknál esetleg segíthet, az esetleg napelemes megoldás. Lehet kapni flexibilis napelemeket, ezek extrém körülmények között is működnek.

Szerintem egy alternatív világításrendszer semmiképpen sem felesleges egy biciklin.

Bátyám annak idején telerakott egy méretre vágott hypo-s flakont Ni-Cd akkukkal, ami egy halogénspotot táplált. Ugyan tölteni otthon kellett, de volt fénye rendesen... És sokáig bírta.
(#) Vincenzo hozzászólása Jún 7, 2007 /
 
TaTaBike:

Megnéztem a lámpákat tüzetesen, és tetszik.. Az áruk se rossz. 4000HUF-ért már van is kedvemrevaló. Nem vagyok nagy cangás, csupán elmacskásodtam és újra kellene indítani a mozgóközpontomat


Igyk:

Tetszik a kezdeményezés.. Mostantól a topik szoljon az alternatív cangavilágításról. Valamint ne csak kerékpár. Legyen minden más alternatí világítás mindenféle közlekedőezközön.....

Na mit szoltok ????
Hogyn lehet topikcímet változtatni?


(#) Norberto válasza lgyk hozzászólására (») Jún 7, 2007 /
 
lgyk!

Ezzel a gonadolattal egy baj van

Ha valaki biciklire pattan, akkor nem az lesz az elődleges célja, hogy folyamatosan fékezzen, amint lehet (elvégre a legtöbbször azért pattan az ember cangára, hogy előbb célba érjen, mintha gyalog tenné meg az utat...de ha sokszor nyomja a féket az energiatermelés miatt, akkor ott van, hogy lehet: jobban jár gyalogosan )

Általában akkor szokott az átlagember fékezni (azt is csak 2-3 mp-ig) a biciklin, ha akadály van előtte, vagy éppen lámpa állítja meg (ha épp közúton halad)...szóval az ötlet az nagyon jónak mondható, de sajnos nem lehetne felhasználni azt a nagyon picike, "fékezéssel termelt" energiát...szerintem...
(#) lelkes amatőr hozzászólása Jún 8, 2007 /
 
Én a mellékletben látható megoldást választottam.
Az akksi 2 db. rossz laptop akksiból kitermelt (még jó) lithium-cella párhuzamosan kötve (4.4 Ah). A 2 rudat beletoltam egy darab zsugorcsőbe ami így pont belefért a nyereg csövébe. A lithium akksikhoz elengedhetetlen töltőáramkört egy rossz teló akkuból termeltem ki. A dinamó után kell egy dióda, izlés szerint egy simító kondi (ezek is beleférnek a nyereg-csőbe), a korlátozó ellenállás a feszültségkülönbség kiegyenlítését szolgálja.
A világítás tetszés szerint lehet LED vagy izzó, LED-el gazdaságosabb, a fehér szinű még *szereti* is az akksi által adott 3,6 Volt körüli feszt.

bringa1.jpg
    
(#) tatabike hozzászólása Jún 8, 2007 /
 
Sziasztok,

ezek itt nagyon jó ötletek, amiket leírtatok, de egy nagyon fontos dologról elfeledkeztetek, ami egy biciklimániásnak (pl. én... ) előszőr az eszébe jut, ha valamit rá akar szerelni a cangájára. És ez a nagyon fontos dolog a SÚLY. Ugyan hétköznapi használatra, munkába járni stb. nem kell carbon bringa menetkészen 7 kilós súllyal, de ismét csak tapasztalatból írom, hogy hosszabb távon, hosszú túrákon 10 deka plussz súly is írtózatos raklapnyi tömeggé növi ki magát, és keseríti meg a "motor", azaz a kerékpárt hajtó "balek" életét. Persze, nem azt akarom ezzel kifejezni, hogy minden plusz dolog, alternatív megoldás ezért felesleges, de érdemes mérlegelni, hogy megéri-e a befektetett energia azt a többletet, amit egy ilyen nyújt. Ezért (is) száműztem a saját bringáimról mindenféle felesleges csicsát, meg "extra" tuning kiegészítőt. Tehát mindenképpen érdemes a súllyal is foglalkozni egy kicsit, ha nem akar sok-sok kilót cipelni az ember feleslegesen, mert ugye mint tudjuk, sok kicsi sokra megy...

TaTa
(#) tatabike hozzászólása Jún 8, 2007 /
 
Sziasztok,

azt még el is felejtettem, hogy pl. egyes tartozékai a kerékpároknak többfunkciósak is. PL. a Led-es lámpát használhatod zseblámpaként éjjel, sátorozáskor, a kulacsot ugyanúgy használhatod folyadék tárolására, ha dekkolsz valahol, a frissen mosott gatyád meg megszárad a vázon, ha nincs hova kötelet akasztani....

TaTa
(#) Vincenzo hozzászólása Jún 8, 2007 /
 
na ez is fontos szempont amnit TaTaBike mond. ... Ezért dobtam fel az elején, hogy adott két hagyományos(Led vagy nemled az mindegy) canga lápion amnire fabrikálok egy csatit, amivel egy töltőkörre tudom csatolni. Ha lemerül a téma akkor benyomom a dinamót és tőlt meg meghajt. Vagyis töltés közben használható a cumó.

Kezdetnek az se rossz ha egy különálló töltő berendezés van a cangán... Tudom Tatabike kezd velem elszaladni a ló .. és űrhajót csinálok a bringából. ....
(#) Macsek71 hozzászólása Jún 8, 2007 /
 
Minden megszállott bringásnak ajánlom a kerékagyba épített generátort.
Kb két éve használok egyet /Shimano PowerGenerator 6V6W/ gördülési közben nem érezni, hogy termel-e vagy sem. Világításnak egy 3W halogén pislákol elöl, hátul "hagyományos" dinamóhoz ajánlott ELSŐ izzó van
(valszeg utálnak is az autósok...)
(#) Vincenzo hozzászólása Jún 8, 2007 /
 
a világítás megvalósítása csak egy dolog. Ebből továbbfejlődhet a téma egy univerzális akkutöltő berendezéssé, ami képe a fényképező telefon laptop pda meg miegyébb elemeit is feltölteni, menet közben, Ez pedig hasznos lehet a mai világban, ahhol mindenki GPs-el szaladgál. Még gyalogosan is.

Ha vah fasza dinamó az agyba ahhoz meg miért ne lehetne egy tuti ki kompakk elektronikát elrejteni az ülés alatt.

(#) Macsek71 válasza Vincenzo hozzászólására (») Jún 8, 2007 /
 
Én főleg melóbajárásra használom a gépt, de így is megvan a havi ~1000 km.

Gondolkodám a kulacstartó helyére felpakolni akku(kat), megoldani töltést,ellenőrzést.

Szeretném újra beindítani a féklámpát, "installálni" parkfényt. Városban ezek asszem szükségesek.


/Agydinamó, ha forog-> termel !! /
(#) tatabike válasza Macsek71 hozzászólására (») Jún 8, 2007 /
 
Sziasztok,

egy korábbi hozzászólásomban én is ajánlottam "űrbringa-építő " elvtársunknak az agydinamós megoldást, mint esetleges alternatívát. Abból már tényleg érdemes valami töltőféle ketyerét kreálni, és olyan akkukat használni, amik bírják a szakaszos (fröccs) töltést. Ez azt feltételezi, hogy kényelmi szempontból nem fogja az ember fia ki-be pakolgatni az akksikat, hiszen azok mindig a helyzet magaslatán fognak állni. Továbbviszem az eszmefuttatást: Fix hely kell az akkuknak. Valami olyan hely, ami nem szúr szemet tolvajoknak, és mondjuk vezetékekkel csatlakoztatni az első/hátsó lámpákat, amiket azért érdemes leszedni, és magunkkal vinni, ha sokáig olyan helyen tároljuk lezárva a kerót, ahol nem tudunk rá figyelni. (Velem megtörtént, hogy a munkahelyem beléptető-kártyával(!) nyitható, zárt, bekamerázott parkolójában lerámoltak minden mozdítható kacatot a bringámról. Mikor szóvá tettem, azt mondták, oda pont nem lát a kamera... a 6-ból egy sem, na persze... Mondjuk egy hónap múlva lecserélték a biztonsági szolgálatot, nem kis érdemem volt ebben, de hát a k... életbe, lopkodjon a rokonaitól, ne tőlem....) Szóval szerintem lehetne csinálni egy cső alakú akku-tartót, ami mondjuk belerakható a nyeregcsőbe, vagy ha egyenes a kormány, akkor oda. Esetleg kompakt kis csomagban nyereg alá. Vagy fordítva, minden fix, csak az akkucsomag lecsatolható. Vannak lehetőségek... Nekem régen volt riasztó is a bringámon, mozgásérzékelős. Jó az is, csak drága, meg NEHÉZ....

TaTa
(#) Sanyi87 válasza Vincenzo hozzászólására (») Jún 8, 2007 /
 
Hali ..bocs h íj későn válaszollok...az 1 Farados kondik 5,5V-osak szal elég kicsik...kb 1.5cm átmérőjű henger és nincs 1 centi magas...bocs a pontatlanságért...Ja és pestről valók (Lomex), ojan 500ft volt darabja h jolemlékszem...
(#) dusinnhht hozzászólása Jún 9, 2007 /
 
Hali!

Hogy ez a topic még nem került a szemem elé...
Én egyszer poénból (április 1-ére)[mert ilyen lökött elvetemült kos vagyok] átalakítottam egy régi vasvázas versenybicót egy igazi "hummerré"... Volt rajta 40W-os hangfal, erősítő, 4 házi készítésű "LED-neon", sőt még riasztó is(olyan, aminek ha kihúzod a bütykét akkor sípol mint a hülye).
Az első két képen maga a bringa van, a harmadikon, hogy milyen szépen világít(bocsi az elmosódásért, de nincs jobb), a negyediken pedig a csodálatos bealufóliázott erősítős-elemes doboz belseje van. Amint látjátok az erősítő a nagyi régi hifijéből van( ), melynek van AM/FM rádiója, hangszíbszabályzója, vonalbemenete(discmanről ment a zene), sőt még a bakelitlemez lejátszót is hozzá lehet kötni ott a kép közepén látszódó összetekert fehér-piros kábellel. No igen, voltam vagy 14 éves amikor ezt csináltam. Irtózatosan menő voltam ezzel a bringával 1 napig, de a TÖMEGE (nem a súlya) miatt nem használtam túl sokszor(Magyarországon összesen egyszer, de azért elvittem a tengerpartra 1 hétre, ott is nagy sikere volt, főleg a havercsákóknak tetszett), pedig eszméltem rajta vagy 2 hónapot és 3 teljes napig csináltam.
Várom véleményeiteket.
(#) Vincenzo hozzászólása Jún 9, 2007 /
 
űrbringa...


Beteges....

Tetszik :yes: :yes:
Következő: »»   1 / 4
Bejelentkezés

Belépés

Hirdetés
XDT.hu
Az oldalon sütiket használunk a helyes működéshez. Bővebb információt az adatvédelmi szabályzatban olvashatsz. Megértettem