Fórum témák
» Több friss téma |
- Ez a felület kizárólag, az elektronikában kezdők kérdéseinek van fenntartva és nem elfelejtve, hogy hobbielektronika a fórumunk!
- Ami tehát azt jelenti, hogy a nagymama bevásárlását nem itt beszéljük meg, ill. ez nem üzenőfal! - Kerülendő az olyan kérdés, amit egy másik meglévő (több mint 17000 van), témában kellene kitárgyalni! - És végül büntetés terhe mellett kerülendő az MSN és egyéb szleng, a magyar helyesírás mellőzése, beleértve a mondateleji nagybetűket is!
Elem: I = U / Rb, ahol I a rövidzárlati áram; U az üresjárati feszültség; Rb az elem belső ellenállása. Ez nem üzemszerű állapot, az elem túlhevülhet. Ha a telep kapacitására vagy kíváncsi, annak a mértékegysége a C coulomb, Ah amperóra, mAh milliamperóra.
Ezaz. Ezt nem értem. A ceruzaelemen 2100 mAH -van, de nem annyi biztos.
NA holnap ki - képletezem magam. :pirul:
De. A 'h' az óra, hour jele, és mivel nem természetes személy, ezért kisbetű. mAh ( milli Amp`ere hour ).
Akkor valójában 2100mAH = 2 A ?
Nem.
2100 mAh az azt jelenti, hogy 2100 mA-t képes az elem leadni összesen 1 órán keresztül maximum azaz ha rákötsz valamit ami pontosan 2100 mA-t használ akkor az 1 órán keresztül tud üzemelni. Persze ez nem azt jelenti, hogy egy óra után teljesen nullán lesz az elem, csak nem lesz képes 2100 mA-t leadni.
Üdv!
Kérdésem: Gitárerősítő fej és láda kombinációnál ha pl a fej 100Wattos a láda 300Wattos akkor csak 100Watt lesz a teljesítmény vagy hogyan működik ez? Köszönöm
Aha, értem. Akkor valószínűleg veszek majd egy 12 V elemet, mert nincs mivel meghajtanom a VU metert, az 500mA táp meg szerintem gyönge, ahogy nézegettem. Remélem az elem lesz 500mA-os. :yes:
Van itt egy ilyen -e : Bővebben: Link
Ezekben többnyire sorba kötött gombelemek vannak, Bővebben: Link
Kétlem hogy tudna 500mA, első sorban távirányítókba stb.. lett kitalálva. Ugyan ez a GP elem: 12 v @ 55 mAh Közepesen tartós 9V-os elemek vannak valahol 500mAh körül.
És nincs " erős " elem? Esetleg kb milyenek szoktak lenni, a kis zsebrádiók trafói. Múltkor szétszedtem egyet, abban volt , csak én nem tudom, nem merem megmérni.
:pirul: Idézet: „Persze ez nem azt jelenti, hogy egy óra után teljesen nullán lesz az elem, csak nem lesz képes 2100 mA-t leadni.” De azt jelenti. Ráadásul szerintem ekkora terheléssel a névleges teljesítményét sem tudja.
Ha félsz megmérni, márpedig máshogy nem lehet megállapítani, akkor vedd meg ezt: Bővebben: Link 'Erős' elem tág fogalom, de ha a hely nem olyan lényeges (nem tudom hova, mihez kell) vennék 2db 6V 4Ah akkut, 600Ft/db-ért már kapsz és azt aztán elég..
Hát, de a gyönge erősségű ledek gyöngén világítanak, meg a 9-10 erős fényerejűek már nem világítanak szerintem. Plusz ha mindent összerakok, nem fogja meghajtani tudni a 2 erősítőt, meg a VU metert.
Az erősítőket magában sem. Azokhoz építs másik tápot.
Hát de csak egy TDA 2003-as kb 5W-ot tud. Meg ha építenék az sok pénzbe jönne ki. Több ezer forint. Arra meg nincs pénzem.
2-3000Ft nem nagy költség ha azt nézzük mit kaphatunk érte. Ha jó helyen keresgélsz sokkal olcsóbban is találsz több mint elegendő teljesítményű trafót.
Lomtalanításkor nézz szét. Ma már mindent ellep az elektronikai hulladék. Trafó meg szinte minden készülékben van, csak keresni kell.
Hali
A kezdo kollegaknak ajanlanek konyveket, ami egyszeruen elmagyarazza az elektromossag alapjait. Letoltheto a kiserletezo konyv es a "Meg szaz kiserlet". Nem mai a konyv, de nagyon szepen elmagyarazza az elektromossag alapjait, es sok hazilagos eszkozt, kiserletet mutat be.
A hálózati transzformátorokban általában milyen átmérőjű réz huzalok szoktak lenni?Csak azért kérdezem ,mert nekem 0,2 ... 2,5 mm átmérőjű huzal kellene. Érdemes -e szétbontani egy transzformátort?
Idézet: Ez fugg a trafo teljesitmenyetol. De a meglevo trafo huzalvastagsagat egyszeruen meg lehet merni. „A hálózati transzformátorokban általában milyen átmérőjű réz huzalok szoktak lenni?”
Sziasztok!
Van egy Acer laptop, a képernyő egyre csíkosabb, mi lehet a baj okozója? Eddig egy csík volt, aztán most 2 van. A képernyő mehetett tönkre, vagy a szalagkábel? Vagy mi? Válaszokat előre is köszi.
Gondolom tolómérővel lehet megmérni? De az sajnos nincs.
Fogsz egy ceruzát, rátekersz szorosan, 1 rétegben k*10 menetet, vonalzóval megméred, utána osztod a menetszámmal.
sziasztok!
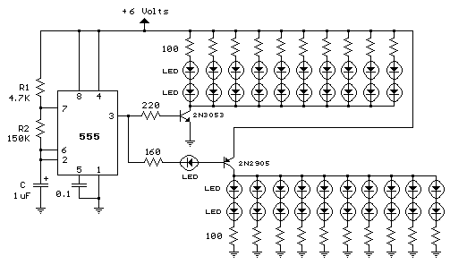
Lenne egy kérdésem van ez a kapcs. rajz és ki szeretném cserélni a 2 db tranzisztort bc 547 re (npn) és bc 516 ra (pnp) tranzisztokra fog vele működni?
Elvileg kell neki, mert kapcsolóüzemben megy a tranyó!
akkor elvileg működik nem inkább az a lényeg hogy NPN&PNP legyen
Sziasztok!
Akad egy kis problémám az áramgenerátorokkal. ![]() Azt olvastam, hogy függetlenül a kimeneti terhelő ellenállástól és a kimeneti feszültségtől stabil konstans áram folyik a kimenetén. De ez teljes homály mert ha van mondjuk 10 voltom a kimeneten és 10 ohm ellenállás akkor azon ugyebár 1A áram fog folyni. De hogy a fenébe lehet azon keresztül tuszkolni mondjuk 2A-t ugyanilyen 10V -os feszültség mellett?
Hello.
Egy egy ledes villogó kapcsolását akartam megcsinálni a TINA nevü programmal. De idáig jutottam :S Ha valaki tud létszíves segítsen.
Köszönöm ! Ezt a módszert örökre meg fogom jegyezni.
Hát igen, ez a gondom nekem is. Úgy gondoltam, hogy a feltöltött kondit vezetem rá a LED-re, de nem volt ötletem, hogy hogyan valósítsam meg.
|
Bejelentkezés
Hirdetés |




NA holnap ki - képletezem magam. :pirul:
:pirul:







