Fórum témák

» Több friss téma
Fórum » Tesla tekercs építése
 
Témaindító: finenet, idő: Júl 17, 2006
Lapozás: OK   114 / 227
(#) Collector válasza pcroland hozzászólására (») Feb 9, 2011 /
 
A válasz az, hogy ÉS-el nem kezdünk mondatot, és önállósítsd magad, mielőtt ki nem adod valakinek utasításba, hogy építse meg helyetted az egészet.
(#) pcroland válasza Collector hozzászólására (») Feb 9, 2011 /
 
Rendben. Amikor majd nekiállok és lesz kérdésem felteszem.
(#) Big Blaster válasza _BiG_ hozzászólására (») Feb 9, 2011 /
 
Na ma sikerült kipróbálnom az új primerrel a Tesla tekercset. Végre vannak biztató eredmények, habár nem feltétlenül a primer miatt. Ugyanis rájöttem, hogy nagyon nem mindegy, hogy mi van a szekunder tekercs tetején. Gyakorlatilag ha nem hegyes a cucc akkor nem alakul ki korona az istennek sem. Gömb, golyó, tányér nem vált be. Csak akkor alakult ki szikra, ha valami jó hegyes dolgot használok. Ezt már kombinálhatom más testekkel, pl. golyó tetején tű, stb. úgy már működik a dolog. Egyébként az mennyire normális, hogy csak a csúcs esetében koronázik? Jó ez így, vagy ez valami működési problémára utal?

Egyébként amit sikerült elérnem az határozottan felülmúlta a korábbi kis szekunderrel elért eredményeket. Kb. 5 cm hosszú szikrákból álló folyamatos pamacs szerű korona van, de áthúzás pl. a tenyeremhez ennél nagyobb távolságból történik. A fénycső is kb. fél méterről már kezd világítani a tekercs környezetében.

Másik érdekes megfigyelés, hogy azonos áramfelvétel mellett, az anódfeszültség lényegesen magasabb mint amit eddig el tudtam érni. Korábban 600-650V jött le a MOT-ról most el tudtam menni 1000 V-ig is úgy, hogy a MOT primer tekercsén mindkét esetben 3-4 A körüli áram volt mérhető. Ez lehet annak az eredménye, hogy most lényegesen nagyobb lett a primer tekercs menetszáma ezáltal az induktivitása is?

Most majd azzal akarok kísérletezni, hogy minél jobban össze tudjam hangolni a primer és szekunder tekercset. Kíváncsi vagyok, hogy mit sikerül még kihoznom ebből a meghajtásból.
(#) Collector válasza Big Blaster hozzászólására (») Feb 9, 2011 /
 
A kisebb teljesítményű teslák esetén természetes, hogy nem képes egy szabályos felületből koronázni, túl egyenletes a térerőeloszlás a kapacitás körül. De törekedni kell rá, hogy minél közelebb legyél ahhoz a határhoz, ahol már éppen szikrázik, akkor érhető el a legjobb hatásfok.
(#) pcroland válasza Collector hozzászólására (») Feb 9, 2011 /
 
Hello! Lehet hülye kérdés, de szerinted elég két kiló tekercs? Skori számolójával 1.7-1.8 kiló jön ki, de nem tudom mekkora a dupla zománcos huzalnak. Vagy inkább vegyek 5-6 Kg-ot, mert még kellhet más tekercshez és úgy olcsóbb?(valahol azt olvastam, hogy 20000Ft-on alul nem adnak[vagy 20kilóig?] Jövőhéten elég sok dolgot meg fogok venni. Még odébb van, de nem sokára konfirmálok (református vagyok) és ha elég pénzt kapok az egészet meg tudom csinálni.
(#) Collector válasza pcroland hozzászólására (») Feb 9, 2011 /
 
Ha kiszámoltad, akkor annyi. Átszámolhatod papíron is, és akkor még biztosabb lesz. Én vettem 20 méter huzalt is a villért telephelyén. A keresőt továbbra sem használod, ezt már mind elmondtam párszor.
(#) Big Blaster válasza Collector hozzászólására (») Feb 9, 2011 /
 
Rendben, akkor megnyugodtam.

Volt olyan összeállítás (pl. csapágygolyó egy kis kiálló csúccsal), amikor csak viszonylag nagy bemenő feszültségnél kezdett szikrázni. Talán intenzívebb is volt ilyenkor a szikra, de nem volt túl látványos, így inkább maradtam a vékony, hegyes lezárásnál.
(#) pcroland válasza Collector hozzászólására (») Feb 9, 2011 /
 
Köszi! Hidd el kerestem csak erről nem nagyon találtam infót.
(#) BULL1988 válasza Big Blaster hozzászólására (») Feb 9, 2011 /
 
Végül is milyen primert tekertél (illetve vcs-t)?

A héten úgy volt, hogy csinálok új primert én is, de aztán csak a mostani vcs tekercset növeltem, kivezetésekkel 10-20-25 menetesre. A primer most 10-18 menetes, kivezetésekkel. Amikor a vcs tekercset megnöveltem, nem kaptam szikrát, csak ha közelítettem a szek. kivezetéséhez. Megpróbáltam a primer menetszámát is emelni ilyenkor, de nem vezetett eredményre. A legnagyobb szikrákat most (nem feszduplázóról) akkor kapom, mikor 10 menetes a primer és a szekunder is. (természetesen a cső még halványan sem piroslik) A hétvégén szerzek új csöveket, a mostaniak régiek és használtak....

Az alapkacsolást módosítottad? Én az R1-et értékét fokozatosan csökkentettem, most jelenleg 100 Ohm. (a szikrák nagyobbak lettek, nem látszódik, hogy jobban izzadna a cső)

_BiG_: amikor beraktam egy RL szűrőt az anód elé, akkor a szikrahossz jelentősen kisebb lett. (végül kivettem....)
(#) Big Blaster válasza BULL1988 hozzászólására (») Feb 10, 2011 /
 
A primerem most egy változó átmérőjű hengerre lett tekerve. Az alja kb. 90 mm a teteje kb. 100 mm átmérőjű. A menetszám kb. 23, de meg akarom toldani és leágazásokat kialakítani rajta. A vcs. tekercs ha jól emlékszem 20 menet körül van, 110 mm-es csövön. A vcs. tekercs csévetest tetejét lezártam egy bakelit lappal és azon áll a primer illetve szekunder tekercsem.

Neked is 2 db cső van párhuzamosan? Nálam sem izzik egyáltalán az anód, viszont az egyik csőben látszik egy kis halványkék derengés. Egyébként nem tök egyforma a két cső. Az egyik eredeti orosz, a másik Unitra gyártmányú. Az oroszban látszik ez a kékség.

A kapcsolást annyiban módosítottam, hogy betettem az általad is említett RL szűrőt az anód körbe. Nekem egy 56 ohm-os huzal ellenálláson van kb. 12 menet szigetelt réz huzal. Lehet én is megpróbálom enélkül.

Az R1-hez még nem nyúltam. Annyi az értéke mint a rajzon. Viszont gondolkodom, hogy érdemes lenne-e a primer illetve vcs. tekerccsel párhuzamosan kötni ellenállást, mint ahogy _BiG_ javasolta. És ha igen, akkor mekkora értékűvel próbálkozzak?
(#) BULL1988 válasza Big Blaster hozzászólására (») Feb 10, 2011 /
 
A tervem az, hogy 4 csövet kötök össze párhuzamosan. Általában mindig kipróbálom az egyikkel az újítást és aztán növelem a csövek számát. Sajnos most csak 3-at tudok egyszerre használni, mert a negyediknek szakadt volt a fűtése..... Valamint mindegyik csővel más nagyságú szikrát ad, gondolom nem vadi újak voltak, amikor hozzám kerültek. Szóval a lényeg az, hogy a hétvégén próbálok szerezni 4 új csövet, majd meglátjuk, hogy mire megyek velük. Amúgy a kékes fény az én esetemben szinte mindig látható a csőben (az anód belső falán), de mindegyik csőnél más erősségű.

Az egészet mot nélkül csinálom (szépen bedobozolom, ha kész lett), így a hálózati feszültséget egyenirányítom máskor meg a feszkétszerezőt használom (igaz, így nem ad akkor szikrát, de nem akarom a dobozba berakni a motot, valamint mobillá akarom tenni, ergo nem akarok a későbbiekben variakot használni hozzá - ennél a projektnél a szikrahosszt feláldoztam az elképzeléseim miatt ).
(#) _BiG_ válasza Big Blaster hozzászólására (») Feb 11, 2011 /
 
A magasabb feszültség melletti azonos áram annyit jelent, hogy jobban illesztetted a primer tekercs impedanciáját a csőéhez. Nagyobb lett az anódkör induktív ellenállása.
Ez is segíti a jó eredményt.

Miként Collector mondotta, a kialakuló egyenletes térerő nem kedvez a koronának.
Azt eltalálni, melyik az a legkevesebb csúcs, aminél éppen megindul a szikra. Mert ekkor fut a legmagasabbra a feszültség.

Megfigyelésem az, hogy ha kicsit tompítottam a hegyet (zárt anyával), akkor recsegősebb lett a szikra, míg nagyon hegyessel halkan üzemelt.
(#) Collector hozzászólása Feb 11, 2011 /
 
Folyamatosüzemben viszont a korona maga lehet a kitörési pont. Az nagyon jól néz ki, amikor egy nagyobb golyón elindul a plazma, úgy néz ki, mintha egy láng futkosna a felszínén.
(#) _BiG_ válasza BULL1988 hozzászólására (») Feb 11, 2011 /
 
A régi csövek emisszióképessége és meredeksége csökken, ez okozhat eltérést a csövekben kialakuló térerőeloszlás között és emiatt más viselkedést.
Az ilyen üzemórával változó viselkedést fel szokták tüntetni az adatlapokon is (pl: 500 óra után már kisebb a kivehető teljesítmény)

Az RL szűrő a nagyfrekvenciás gerjedés ellen van, ha a kapcsolás eleve megahertzen üzemel, akkor tényleg gátol, célszerű akkor a menetszámát csökkenteni. De ha nem tapasztalsz gerjedést, akkor akár el is maradhat. Én a GU81-nél használtam (csak 170kHz-en ment), mert ha az rendetlenkedik, nem kicsit okoz galibát.
(#) BULL1988 válasza _BiG_ hozzászólására (») Feb 11, 2011 /
 
Én honnan veszem észre, ha gerjed? (mert eddig nem tapasztaltam semmi rendelleneset, szikrázott egyenletesen) A félig kész gu-81m-es tekercsnél viszont be van építve a RL szűrő, amit javasoltál.
(#) _BiG_ válasza BULL1988 hozzászólására (») Feb 11, 2011 /
 
Gondolom az extra áramfelvételből, a szekunder olyan helyen való melegedéséből, ami eltérő hullámhosszú rezgések jelenlétére utal. Illetve a szikra is megsínyli, hogy egy másik rezgés is viszi a delejt.
Esetleg a kis szikra melletti csőizzás is gyanús lehet.
(#) pcroland válasza Collector hozzászólására (») Feb 11, 2011 /
 
Hello! Apám adott a teslámhoz egy porszívó motort, hogy ha tudom használjam fel. Viszont tengelye nincs ami kilógna belőle. Az egyik felén látom a tekercseket és a csapágyat a másik oldalon pedig a csavart. típus: BOMEL (vagy DOMEL) MKM 3392 230V ~50Hz I. CL. B 2897. Tudom ezt használni forgó szikra köznek?
(#) Collector válasza pcroland hozzászólására (») Feb 11, 2011 /
 
Fel. Csak meg kell oldjad a felfogatást.
(#) pcroland válasza Collector hozzászólására (») Feb 11, 2011 /
 
Kapjam szét? Alulról csak egy kis menet látszik és rajta az anya. Azt kitudom cserélni hosszabbra?
(#) pcroland válasza Collector hozzászólására (») Feb 11, 2011 /
 
Na szét szedtem. Le lehet venni az anyát! Lehet kapni valahol 2-3 cm hosszú anyát? Azt csak rá csavarnám a csavarra és bele egy másik csavart és kész is a bővítés. Csak olyan anyát honnan szerzek? (Tudom, hogy létezik csak még a nevét sem tudom)
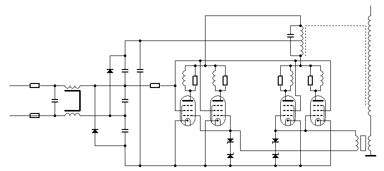
(#) BULL1988 hozzászólása Feb 12, 2011 /
 
A minap hozzájutottam 4 új GU-50-es csőhöz. Az eddig konstrukciómban az új csövek jobban teljesítenek. (pl a kékes fény teljesen eltűnt, emellett a szikrák is nagyobbak lettek valamivel) Ki is próbáltam mint a négyet párhuzamosítva, úgy, ahogy eddig is akartam. Először feszkétszerező nélkül próbálkoztam, majd pedig a kétszerezővel. A g2-t először a tápvonalra kötöttem, ahogy az alapkapcsolásban is. Ekkor a csövek 630 volt környékén már erősen melegedtek, nem is vártam meg, hogy izzani kezdjenek.... Ezek után ennek a mintájára kötöttem be a g2-t, így a csövek egyáltalán nem melegedtek, emellett sikerült a 18 menetes primert 10 menetesre csökkentenem anélkül, hogy a csövek elkezdtek volna izzadni.... Ekkor viszont a szikra (egy tárgy és a szek. kivezetése között) "sivítós" és nagyon vékony lett. Próbálkoztam a vcs-t is növelni, de nem sikerült.... (szikrát csak akkor adott, ha közelítettem a csavarhúzóval) A mostani állapotban primer kondi(k) nagyon melegednek, úgyhogy növelem majd a számukat (értelem szerűen).
(#) pimi9 válasza BULL1988 hozzászólására (») Feb 12, 2011 /
 
Jobban járnál ha push-pull kapcsolásba fognád inkább őket, ehelyett az együtemű párhuzamosítgatás helyett.
(#) pimi9 válasza pimi9 hozzászólására (») Feb 12, 2011 /
 
Sőt, érdemes lenne a vcs. jelet egy kis ferrit trafóval a szekunder áram jelből venni, így a vcs. kiesne mint hibaforrás. (Úgy mint a skory féle mini teslában)

Ill. kondikat csinálj egy oldalas nyákból, úgy hogy a szabad felét alu csíkkal tele ragasztod, a széleitől legalább másfél cm-re, hogy ne üssön át.
Jól hűl, és elnyűhetetlen.
A kivánt kapacitás meghatározásához kell egy mérő is.
(#) pimi9 válasza BULL1988 hozzászólására (») Feb 12, 2011 /
 
Ilyenre gondolok.

Egy 10+10 menetes priméren így 1800Vpp lenne, ami 90V menetenként, nem kevés, illetve jobb a csövek kihasználtsága is.
A primért hozd minnél szorosabb csatolásba a szekunderrel.
Az induktivitását, és a vele párhuzamos kondit a szek. rezonanciájára kell behangolni, ha meg adsz adatokat segítek számolni.

A meghajtó trafónak egy olyan 50:50 menet szükségeltetik saccra egy jó ferrit magra, porvasra elkélhet 100-100 vagy több is, zénerek 33V-ak szintén saccra.
Anódköri csillapítókat kisérletezni kell.
G2 ellenálása lehet hogy nem is kell, kb. 470-2k első próbára.
Puffereknek 2x220u 400V, középre 470n 400V AC, pufferekkel práhuzamosan 1200V DC-s min. 47n-s MKP!

Illetve, ha deprez műszerrel megméred az áramfelvételét, akkor lehet hogy a csöveket lehetne sorbakötve fűteni a felvett árammal.

ui: Illetve lehet hogy elkell majd egy soros fojtó az anód betápjába, olyan 100uH körüli. (Így lényegében már egy flybackhez való royer(zvs) oszcillátorról beszélünk)

vttc.png
    
(#) velkey hozzászólása Feb 13, 2011 /
 
Sziasztok!

Szeretnék én is építeni egy csöve teslát lenne hozzá egy 1500 menetes szekunderem 0,3-as huzalból 63mm-es átmérőn. Szerintetek ez a kapcsolás működik? (Ha igen mekkora szikrát ad?)Bővebben: Link
(#) pcroland válasza velkey hozzászólására (») Feb 13, 2011 /
 
Szerintem építsd ezt. A tekercseddel szerintem lenne szikra, de kérdezd meg collector-tól, hogy a képeken milyen szekunder látható(mert nincs odaírva).
(#) velkey válasza pcroland hozzászólására (») Feb 13, 2011 /
 
Csak GU50-es csövem van, azzal is menne?
(#) BULL1988 válasza pimi9 hozzászólására (») Feb 13, 2011 /
 
Már teljesen összeállt, hogy mire is gondoltál. A neten ugyanis nem sok helyen láttam ezzel a megoldással épített tekercset, pedig sokat kerestem, még a youtubeon is... Most még csak két csővel fogom kipróbálni (most van 6 jó csövem), mert a foglalatokat már kb két-három hete beépítettem a vttc-nek szánt dobozba és a vezetékezést is megcsináltam, ennek köszönhetően tudtam kipróbálni a négy csövet egyszerre. Minden esetre, ha két csővel jobb eredményt érek el, mint két párhuzamosított csővel, akkor nem habozok a négy átépítésével. Köszönöm a segítséget!
(#) pcroland válasza Collector hozzászólására (») Feb 13, 2011 /
 
Nem vacakoltam. Vettem egy flexet. Straus Austria 900W. 4490Ft volt 5990Ft helyett. Találtam trafókat HQVideo-n. Melyik lenne jobb? A 2140Ft vagy a 3897Ft/db-áras? A 2140Ft-osakkal is lenne 1 méteres szikra?
(#) BULL1988 válasza pcroland hozzászólására (») Feb 13, 2011 /
 
Ezek nem motok.
Következő: »»   114 / 227
Bejelentkezés

Belépés

Hirdetés
XDT.hu
Az oldalon sütiket használunk a helyes működéshez. Bővebb információt az adatvédelmi szabályzatban olvashatsz. Megértettem