Fórum témák
» Több friss téma |
egyébként kb. már fél órája keresek pc-táp átalakítással kapcsolatos topicocat de egyikben sem írják le hogyn lehet 20-30voltot nyerni.csak pl:5voltról beszélnek....lehet,nyitok egyet...köszi
1: szerintem keress egy AT-s PC tápot (ezzel biztosabb, ATX-et még nem piszkáltam)
2: Meg kell keresni benne 3 db ellenállást. Az egyik a +12-ről jön a másik a +5ről a harmadik meg ezek találkozása és a földre megy. Ahol találkozik a 3 ellenállás az megy a vezérlőIC-re. (rajz). Az 5V-ra menő ellenállást ki kll forrasztani, arra nincs szükségünk. Ezután fogod azt az ellenállás ami megy a földre azt kicseréled egy hasonló értékü trimmerpotira. Majd beállítod úgy a potit hogy maximális legyen az ellenállása, és bekapcsolod a tápot, multiméterrel figyeled a kimenő feszültséget, a potival állítod. Szerintem azért 17,5V fölé ne menj (a tda7375 ennyit bír biztonságosan). Az ellenállásokat nem egyszerű megtalálni, figyelni kell a vezetősávokat hogy merre mennek. célszerű a piros és sárga kábelektől kiindulni ahol a nyákba vannak forrasztva. Ezután a +12-v os ágban lévő elkókat is ki kell 25V-osra kicserélni, az 5V-os ágban lévők elvileg nem mennek 10V-fölé,de azért azokat célszerű 16V-osra cserélni (pl arra ami kiszedtél a 12V-ról)
20-30V-okról ne álmodj PC tápból ahhoz át kell tekercselni a trafót, meg gyakorlatilag újra kell építeni az egész tápegységet... (Lásd Kapcsolóüzemű táp 230V-ra c. topicot) Én egyszer fél percre csináltam vele 25V-ot de aztán abba is hangytam az ilyen irányú kísérletezgetést. Nem akartam hogy elszálljon a táp.
Szerk.: Az előző hszból lemaradt a rajz
köszönöm szépen.majd ha lesz vmi fejlemény szólok,további ötleteket szívesen fogadok!további jó fórumozást!
Üdv
Lehetséges hogy ennek az IC-nek két hidalt kimenetét párhuzamba használjuk? Vagy ennek semmi értelme sincs?
Pontosan, semmi értelm sincs.
Nagyobb teljesítmény akkor jön ki a készülékből ha nagyobb feszültséget tud szolgálni. Azért van hidalva az IC hogy nagyobb feszültséget tudjon szolgáltatni a kimenetén. De ha még párhuzamba kötsz mégegy ilyen hidalt erősítőt akkkor nem kapsz nagyobb feszültséget (mintha két elemet párhuzamba kötnél), ezért nagyobb teljesítményt. Igaz párhuzamba nagyobb áramot tud szolgáltatni, De ennek akkor van értelme ha nem lenne elegendő a kimeneti áram, (pl túl nagy lenne a belsőellenállása, párhuzamba kötve csökken igaz a belsőellenállás, nőhet a kivehető áram ezért a teljesítmény)... De mivel az IC-nek elég kicsi a belső ellenállása, tehát normálisan ki tudja vezérelni a hangszórót egymagában is, ezért hiába kötünk velke párhuztamba mégegy erősítőt nem tudja jobban kivezérelni a hangszórót. Szóval semmit sem ér ha párhuzamba kötöd. Ráadásul mivel nincs 2 ugyanolyan IC ezért a kimenetek egy kicsit egymást is terhelnék, ami vagy melegedésben nyilvánulna meg, vagy világítana egyfolytában a diag LED.
De ha már a rajzodon 2 hangszóró van akkor nyugodtan használhatod külön bekötve őket, ugyanazt éred el mintha párhuzamba kötnéd a végfokokat és a hangszórókat....
Szevesztok!
A TDA7375A 2X37W 4 ohmos terhelésen. A Sini Kft-nél 700 Ft/db. Ugyanitt a TDA 7386 1400 Ft/db. Én ezt használom. Szerintem ez még jobban szól, mint a TDA 7375.
Szóval:
- adatlapot inkább linkelj, vagy rakd fel a katalógusba - koránt sincs 40W kimenőteljesítménye. Ha elolvasod a a részletes leírást+ a táblzat alatt az a kis csillagos megjegyzést: square wave: Négyszögjel, tehát itt már hang átvitelére teljesen alkalmatlan, nem szinuszjel hanem négyszögjel kerül át a kimenetre, akkora a torzítás.... Tehát csak 28W-od marad, de az is 10% torzítás mellett (ami már nagyon soknak számít, ilyenkor villog a DIAG LED a TDA7375-ön)...14V-ról...
Nagyon durva dolgot találtam ma: egy Blaupunkt autórádió, melynek a levehető előlapján meghaltak a gombok, ezért használhatatlan (ic kommunikálnak egymással, nem pedig szimpla kapcsolók). És mi van a belsejében? 2db TDA7375A! Úgy megörültem neki, hogy már gondolkodok is rajta,hogy átépítem egy másik nyákra! Boltban elég drága lett volnam, és régen áhított diag kimenet is megtaláható az ic-n! Ilyen szerencsés napot!
![]() Egyébként az van ráírva, hogy 4*45watt.... Ezt nem bírom, mikor a nagy cégek "hazudnak"... Hidalva vannak hajtva az ick, de így is 18volttal, 10% torzítás mellett ad le maximum 38wattot...
Sziasztok! Van egy problémám. Én nem vagyok nagy műszerész, tudok ezt azt és szeretek műszerészkedni, de csak hobby szinten és mostanában már időm se nagyon van rá. Középiskolában ellestem a technikát és építettem egy UV kamrát, tehát fotózásos eljárással szinte gyári minőségű panelokat tudok gyártani, de ennyi magamról, nem ez a lényeg. Szóval egy PC táp házába építettem direkt kocsiba egy erősítőt TDA7375-el és 12V-ról szimpla tápos sztereo kivitelben nagyon szépen ment. Aztán most elromlott. Ha bekapcsolom (azthiszem villan egyet a diagnosztika led és) egy pillanatra megszólal a zene, és ennyi. Led kialszik és se kép se hang. Zárlat stb nem nagyon lehet kívülről semmi nem látszik se az IC-n se a panelon. Ez IC csere lesz? Abban lenne valami belső zárlat, vagy ilyesmi? Esteleg valami pufferkondi szállt el? (Ezer éves és kiszáradt és zárlatot csinál az elko vagy ilyesmi?) Láttam valaki írta, hogy javít ilyeneket. Ha valaki tud segítsen! Előre is köszi! Üdv: Kovy
Hello!
Forraszd ki a pufferkondit, és mérd ki, hogy jó-e. (a becsatolókondik valószínűleg jók, mert 4db egyszerre biztosan nem szárad ki). Forrassz át minden forrasztást, hátha valamelyik elengedte magát. Ha ezek után se megy az erősítő, sajnos IC csere lesz.
Sziasztok! nemrég reggeltem az oldalra mert csinálok egy ien IC-s erősítőt azt megteccet ez az elektronika feeling.
Eddig jol haladok vele a végfok mellé még rakok egy LM1036N-es hangszinszabályzót, és tervezek bele még egy VU-metert is. Lomexnél vettem hozzá tápot meg müszerdobozt, és az IC-nek egy régi procihűtőt. A kérdésem pedig az lenne h ez az IC kb menyire melegszik? Mekkora hűtőt tegyek rá? maj vmikor a héten rakok föl képet a "művemről" előre is köszi
Én ekkora bordát raktam a két IC-re, plusz lesz még egy jó erős venti is, ami fújja rá a hideg levegőt, így bőven elég lesz a borda. Sok sikert!
elkészült
már csak a hangszínszabályzó kell bele (azzal még sok macera lesz mer nem müxik ugy ahogy kéne )Képeket holnap teszek.
hali.
ezzel a hangszínnel lesz még bajod sztem bőven...rengeteg embernek nem működik (persze van, akinek tökéletes!), és nagyon sokunk tapasztalata az ,hogy nem lehet vele az erősítőt teljesen kivezérelni, mert hamar elkezd torzítani. Én is megépítettem egyszer, de sehogy sem akart rendesen menni. általában a loudness kapcsolóval van baj, meg a potik a kapcsoló állásától függően néha maxra "csavarodnak". további tanácsokat a IC nevével megegyező topicban kaphatsz!
Hello
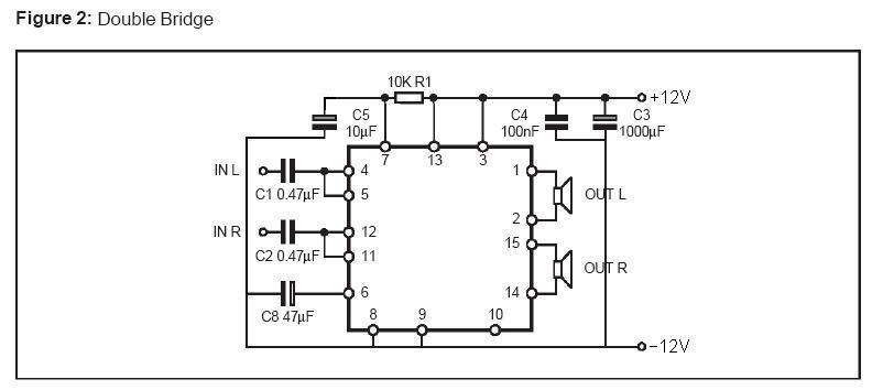
Megépítettem a csatolt képen található dupla hídat... A baj az hogy folyton készenléti állapotban van, nem reagál a ST-BY-ra semmilyen fesz.el.. Mit csináljak másképp ???? üdv!
Hello!
Én is megépítettem leírom, én hogy csináltam! Két kapcsoló van rajta: egyik megszakítja a +12V-ot, a másik meg kapcsolja a stand-by lábra. Tehát, akkor van stand-byban, ha a 13 és 3-as lábon +12V van a 7-esen nincs. Bekapcsolt állapotban a 7-esen is tápfesz van! Ha ezeket mind tudtad, akkor bocsika!
aham...en így köttem be, hogy ne legyen stand-by... de mégis abban van. talán nem így kéne ??
Jaajj a 8-9es lábakat nem köttem a --12Vra, azért nem éledt fel az IC
Szégyen hogy már ezt is elrontom.... Azért kösz a segítséget !!!
Szivesen!!
Örülök, hogy működik! Nekem ebből az IC-ből van egy "kicsi" hordozható erősítő építve, több mint meg vagyok vele elégedve!
Hali!
Jól értelmezem, hogy a két kapcsoló működése a következő? először bekapcs a 12V, majd a másik kapcsolóval stby-ből aktiválod, kikapcsnál pedig fordítva, 1x stby, majd kikapcs a 12V? Ez olyan funkció amivel megspórolom a koppanásgátlót? Ezt egy alapbekötéssel nem lehet megoldani? Nem igazán értem ezt a stand-by funkciót illetve a bekötését, használatát.(ha segítenél) :help: Bocsi a "laikus" kérdésekért, amatőr hobbysta vagyok, nem túl bonyolult áramköröket tudok értelmezni, nyákot készíteni, megépíteni, de ha át kell tervezni vmit, vagy multiméteren kívül más műszert használni, már nem állok neki, de ezt a 7375-ös erőlködőt összedobnám.Eddig sikeresen megbirkóztam egy tda2030+bda vékfokkal megfejelt gitárkombóval. Üdv és köszi
Hello!
Én is elég amatőr vagyok amúgy Nem kötelező külön bekötni kapcsolhatod egyszerre is! Nincs hangszóró koppanás úgysem, ezt amúgy (ha jól tudom) pl autós fejegységről jövő +12V-ra lehet kötni (mind a gyári erősítőkön a REM csatlakozó). A bekapcsolási késleltetésért a 6-os lábra kötött kondenzátor a felelős. Ha bármi kérdésed van, csak nyugodtan tedd fel! Sikeres építést kívánok! (most is erről a végfokról hallgatok zenét )
Hello mindenki!
Énis megépitettem ezt még tavaly. Nagyon teccik Épitek egy nagyobb erősítőt de ennek a dobozába tenném. De nemakarok megvállni tőle ezért betenném a számítógépbe A kérdésem az lenne, hogy a gép tápja elbirná-e? éshogy melyik ágban? Amúgy 3A-s biztosító van benne. Sajna tápom egy f*s: 300W-os mercury, és félek hogy tönkreteszem mert akko visz magával mindent a halálba... köszi
Hy!
A csatolmányban szereplő kapcsolással megoldható a koppanásgátlás, már ha van... mikor bekapcsolod, akkor először a STBY kapja meg a tápfeszt, és utána kis idővel pedig a MUTE láb. kikapcsoláskor pedig pont fordítva történik, a dióda segítségével. Előbb MUTE, aztán STBY. Hello!
Köszi!
A gyakorlatban ez úgy működik, hogy a rajzon levő st-by/mute bemenet kapcsolóval történő tápfeszre kapcsolgatásával történik az erősítő ki/be kapcsolása? A többi áramköri elem pedig állandóan feszen van? Bár gondolom ilyenkor az áramfelvétel minimális. Én egyébként az urbános LM1036-ost tervezem eléépíteni. Ebben az esetben a bekapcsolást hogy kell megoldani? Kétáramkörös kapcsolóval? Köszi a választ!
igen, adsz neki tápfeszt, és működik az erősítő. Akár kétáramkörös kapcsolóval is megoldhatod. Igen, az IC nyugodtan kaphatja folyamatosan a tápfeszt, nyugalmi állapotban nagyon keveset vesz fel (vagy akár csinálhatsz egy fő-fő-főkapcsolót a trafó elé)
|
Bejelentkezés
Hirdetés |







maj vmikor a héten rakok föl képet a "művemről"
)








