Fórum témák
» Több friss téma |
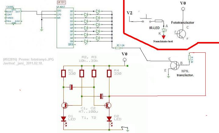
A _rajzodban_ van pár hiba.
1: Az IR-led jelölése megegyezik a hagyományos LED jelölésével. 2: Az NPN-es fototranzisztornak és a bipoláris NPN-es tranzisztorok Emittere a - UT fele álljon. Mert csak úgy működik jól. 3: A bázis áramot illik ellenállással korlátozni. Mellékelem a javított rajzot. A 4017-es kimenetére kötött LED-ek csak akkor világítanak, ha a fototranzisztor fényt kap. Vagyis ha az IR-LED, vagy külső fény azt megvilágítja.
Köszönöm szépen.
Rövidesen lesz közeli fotó. Igen sejtettem h van hiba ezért is nem mertem megépíteni. Az áramkorlátozó ellenállások értéke jól sejtem hogy a tápfeszültség függvényei lesznek? Jelenleg a futófényem 2.4 voltról megy. van esély szerinted h ennyiról menjen az egész? Ha igen nem értem, miért választanak sokan 5, 9 vagy akár 12 Voltot. Ezt a döntést miféle szempontok kell hogy vezéreljék? Az utolsó mondatod viszont engem rosszul érint. Az ok, hogy a futófény ledjei csak akkor világítanak, ha a fototranzisztort megvilágitja az IR led, ez cél. De ezekszerint a normál fénytől is működnek? Merthogy ez nem kéne. Az egér amiben a fototranzisztor és fotoled volt, szétszedve fényben épúgy működött mint összeszerelve.
Nos.
A kiforrasztott fotoalkatrészeket sikeresen a munkahelyemen felejtettem. Azonban van rossz egerem dögivel. De ujabb meglepetés: Ebben az egérben viszont 2 lábu a fotoled és 3 lábu a fototranzisztor. Ez viszont ellentmond laszlokunstar hozzászólásával. Nekem talán jobb is ha elösször ennek a variációnak a működését értem meg, s utána jön a 3 és 4 lábas variáció. Íme a sztárfotók:
Sikeresen duplakattintottam szombaton, azóta flood miatt tiltva vagyok.
De hiába irtam emailt, Prome el van hallgattatva. Szóval a kérdésem a következő: Amíg ez a dióda kérdés lezárul, szeretném tesztelni ezt a lehetőséget, s ezért multivibrátorral szagattnám meg a 4017 ledsor testét. A mellékelt kapcsolás működhet? Köszi
Kérés: Lehetne prometheuszt véglegesen törölni?
Küldözgeti az emaileket ha hozzászólok promeként, s be se tudok lépni, hogy lekapcsoljam... köszi
Szóval ha félreértés lenne, én vagyok Prome és Prometheusz is.
Ezenkívül Spartacus is. De Prometheusz már nem mert tiltották. témára térve megépitettem a fenti példakapcsolást, és működik. Frankon villog a ledsor ép égő ledje mig ép, aztán továbbmenve villog a következő: A kérdés: nehezen indult be összevissza logikai csavarokba bonyolódtam, a tranyót forditva kötöttem be mert az icből jövő jelnek értelmeztem a testet ami a ledekhez megy, csak aztán jöttem rá hogy ebben az esetben a ledekből megy az ICbe a folyamat. Végül viszont nem a rajzon megadott helyről vezetem a multivibrátorba az órajelet, hanem a tranzisztor és a led közé forrasztottam. De most hogy végre működik, hozzá se merek nyulni. A kérdésem, ennek van e jelentősége? Merthogy minden kapcsolási rajzon a tranzisztor és a kondenzátor közül vezetik ki a négyszögjelet. Viszont akor végre most következik az igazi téma ami nem off, most hogy kész a teszter, most kell elvágnom a multivibrátorból a 4017 testét engedélyező vagy tiltó áramkör részlet között a köldökzsinort, s közé tennem a
fototranzisztor, melyre rávilágitok az infrafényt kibocsájtó led diódával.
Nos kész az áramkör.
Az egér kétlábú fotódiódáját beszereltem egy a gyerekemtől lenyúlt két gombelemmel működő led helyére. Gyerekem üvölt, de nyitott szülő vagyok, szerintem üvölthet, ha igaza van. Szabad szemmel gombnyomással semmi, de mobil kameráján keresztül nézve látszik, hogy működik az infraled. A fototranzisztort meg egy nyákra tettem, egy kilóohmos ellnálláson keresztül 5 Voltot kap találomra az egyik vége, a másik végét rátettem a led pozitiv lábára a led másik vége pedig testen van. A második bekötési kisérletre működött, ha az infra lámpámmal közelitettem a fototranzisztorhoz majd megnyomtam a gombot a led halványan világitani kezdett. Meg is lepődtem, mert azt mondtátok a természetes fény bezavarja a fototranzisztort. Ekkor beraktam egy bc 182-est erősitőnek, hogy a led rendesen világitson és lehessen ezzel a fotótranyóval vezérelni is valamit. Ekkor azonban már eleve ég a led halványan. Fotodiódával közelitve erősödik, de még mindig nem ég teljes fényerőn. Eltakarva a fotoranzisztót, a kontrolled teljesen kialszik. Mégis igazatok volt, a természetes fény bezavarja a fototranzisztort, azonban az infraled egyértelműen hatással van rá, természetes fényben is. A kérdésem, hogy lehetne digitálisá tenni ezt a jelenleg analóg folyamatot, hogy a kontrol leden bizonyos feszültség értékig egyáltalán nem világitson s egy bizonyos feszültség érték fölött átbillenjen s attól kezdve a teljes tápnak megfelelő fényerővel világitson. Elképzelésem szerint ezt a feszültséget potmeterrel álitanám be, majd a tapasztalati uton nyert ellenállást direkt ellenálással pótolnám, de az is nyerő ha az áramkört az elején kalibrálni kell. Elvileg a háttérfénytől függ a folyamat igy elképzelhetőnek tartom hogy kontrol fotódiódával az áramkör maga állitaná be a pillantnyi háttérfény szerinti záráspontot ami fölötti fény esetén megnyitna. De ez a jövő zenéje, elösször ürülnék kézi beállitási lehetőséget leiró kapcsolásnak. Köszönöm
Köszi.
Sajnos azzal kell dolgoznom, ami van. Mit értesz leválasztó fokozat alatt?
Üdv
Egy kis segítségre lenne szükségem. Fényintenzitást szeretnék mérni egy fotodiódával. Az eddig olvasottak alapján 2 módon tudom ezt megtenni: Rövidzárnál mérem a fotodióda áramát és ha jól tudom, akkor a rövidzárási áram a fotoárammal egyenlő. vagy mérem a két végén a feszültséget és akkor az üresjárati feszültség logaritmikusan függ a fényintenzitástól ( de ez csak nagy fényerőnél mert van egy +1 es tag az ln után a képletben) A kérdésem az lenne hogy melyik elven tudok pontosabban mérni? (nem ijedek meg a logaritmikus skálától sem) de a probléma az első esetben, hogy az ampermérőnek amivel mérem mindig lesz egy kis belső ellenállása ill kérdés hogy meddig marad lineáris az összefüggés? A másik elvnél viszont csak relativ nagy fényerőnél tudok mérni. Talán ha egy műveleti erősítőt beiktatnánk és az erősített jelet mérnénk... Ha valaki felhomályosítana ezügyben vagy adna valami tippet azt megköszönném. Bombast
Szeretnék segítséget kérni.
Csatoltam egy rajzot. A rajzon egy PS2-es görgős egér IC-jének gyártó által javasolt kapcsolási rajza látható. Kérdésem: A rajz jobb oldali felén látható 2db sorba kötött infraLED. Közvetlenül tőle balra látható 1-1 alkatrész, aminek keresem a nevét. Dupla fotodióda vagy dupla fototranzisztor? Az alkatrész a valóságban úgy néz ki mint egy tranzisztor, 3db lába van, nincs ráírva semmi, fekete színű (mobiltelefon kameráján értelem szerűen teljesen átlátszónak látszik). A középső lábára van 5v kapcsolva, és a 2 szélső láb megy az IC-be. A szélső láb és a gnd között feszültséget mértem: optotárcsát tekergetve 2v - 4v között ugrál. IC: TP8452AP Megköszönném ha tudnátok segíteni ![]() Sermonis.
Szia!
Mint ahogy a rajzjel is mutatja fototranzisztorról van szó, abból is egy dual. Lényegében 2db fototranzisztoregymás melett, így ad enkóder jelet.
Sziasztok!
kérdésem lenne: Van egy UV tartománybeli fényre érzékeny dióda: GUVA-S22ED, datasheet: http://www.roithner-laser.com/datasheets/pd/guva-s22ed.pdf Namost ebben a datasheetben van egy diagram, ami megmutatja, hogy mekkora az UV index a fotoáram függvényében. Ez eddig tök jó, de ugye az adott besugárzás hatására meginduló fotoáram függ az előfeszítés mértékétől (ha van). A diagram jobb alsó sarkában van egy "Ve=0V" felirat (bár nehezen kivehető), ami gondolom arra utal, hogy 0 az előfeszítés. Előfeszítés nélkül jóval kisebb értékeket kapunk mint ami reális. Ezt a kapcsolást használtuk: http://www.robotroom.com/ReversedLED/PhotodiodeAmplifierSchematic.gif Ha viszont úgy kötöttük be, hogy egy 3.3V és föld közé tettünk sorban egy ellenállást és a fotodiódát és az ellenálláson eső feszültséget mértük, akkor úgy jobb volt a helyzet az áramérték tekintetében, de hát mekkora előfeszítésnél ad releváns értéket?.. A forgalmazó és a gyártó nem nagyon akar reagálni a megkereséseinkre. Van ötlet? Köszönöm! Ádám
Sziasztok! Egy olyan problémát szeretnék megoldani, egyelőre csak elméleti szinten, hogy van egy terepasztal ami üveggel van befedve. Ez alá szeretnék egy számítógépet tenni és ezt vezérelni üvegek keresztül. Első körben valami lézeres megoldáson goldolkodtam (úgy hogy szétkapok egy lézeres egeret és megfordítom a mozgását szoftveresen, de az a lézer elég kis hatótávolságú. Az infrás egér meg pirosan világít, amit nem akarok hogy szembevilágítsa az embert.
Aztán úgy gondoltam, hogy valami fotocellás megoldás kéne... Nem vagyok elektronikai szakember, csak elméleti szinten érdekelne a dolog... Előre is köszi!
Szevasztok!
Van az alábbi áramköröm, de nem akar működni. *** .
Sziasztok!
Az erősítőm távirányítójának a vevője egy fotodiódával van megoldva, de nem reagál a távirányítóra(távirányító működik) Kérdésem az lenne, hogy ha diódavizsgáló üzemmódban rá mérek a multiméterrel, akkor fény hatására változnia kell, mert egyfolytában 430ohm-ot mérek rá. esetleg 3 lábú infra vevővel tudom helyettesíteni?
Fotodioda nem azonos a fotoellenallassal, azaz nem az ellenallasat hanem a vezetokepesseget valtoztatja meg. Merni kezimuszerrel korulmenyes mukodes kozben, mivel olyan gyors a jel valtozasi sebessege, hogy a multimeter nem tudja kovetni. Ha lenne oszcilloszkopod, akkor azonnal le tudnad ellenorizni at jon e a vezerlojel.
Szeretnem megjegyezni, hogy a legritkabb esetben megy tonkre elektronikus szempontbol egy fotodioda. A fotodioda, mint alkatresz csak 2 labu, 3 labu eszkoz az nem csak a fotodiodat, hanem egy jelerositot is tartalmaz, vagyis nem igazan helyettesitheted vele.
Hogy arról már ne is beszéjünk, hogy az a 430 Ohm az nyitórányban van amit mért a kolléga, működnie meg záróirányban kellene neki...
Sziasztok. Hogy oldható meg az, hogy amikor az infra fotodióda kapja a fényt akkor nem csinál semmit, de amikor hirtelen az megszakad akkor felkapcsol egy relét vagy csak ad feszt, ha egy másiknál szakad meg akkor lekapcsol?
Üdv!
Van egy ilyen relépanelem, ami itt a képen. Jelenleg, ha a P-re negatívot teszek, akkor a relé kapcsol. Egy lámpát akarok vele kapcsolni, riasztóra kötött morgásérzékelő segítségével, de csak sötétben. A riasztó PGM-je állítható, lehet NO és NC is. A kérdé az, hogy hogyan kell átvariálnom a panelt, hogy csak sötétben világítson a lámpám? (sajnos nem értek hozzá túlságosan) Jelenleg a legegyszerűbb verziónak az tűnik, hogy utánakötök még egy relét - az első sötétre kapcsol, a másik mozgásra -, de lennie kell ennél egyszerűbb megoldásnak is A hozzászólás módosítva: Feb 27, 2016
Sziasztok!
Segítséget szeretnék kérni PIC 12043s típusú alkatrésszel kapcsolatban. 4.5V-os elemről működve tökéletesen üzemel viszont ha az 5V-os USB-ről szeretném tápolni felforrósodik és finom szagot áraszt. Ez miért lehet? Adatlapja szerint 4.7V-5.3V lehet a tápja.
Lehet, hogy elrontottad a polaritását. Bekötések.
Hello! Ezt azért írtad ide, mert a nick neved megegyezik a topik címével? Mert akkor én nem is írhatnák a fórumra, mert proli topik nincs..
Nem, nem azért írtam ide hanem mert az alkatrészt úgy véltem ebben a topikban többen ismerhetik.
Igen ez elképzelhető, mivel a földet és a negatívat felcseréltem, mert egy másik ábra úgy mutatta.
Egyre komplikáltabb a helyzet. A PIC-ben egy fia fotó dióda sincs, viszont számtalan PIC-es és USB-topik van..
Csak a kódja vezet félre, ez egy infra vevő.
Hopp, bocsi! Akkor itt van a kutya elásva..
Most új probléma merült fel.
A vevő kimenetén 237µA sötétáram folyik. Ha IR LED-le rávilágítok ennek csökkennie kellene, de nem változik. Lehetséges hogy leégettem benne valamit? A LED-en 1.1V esik és 6mA folyik. Lehet hogy gyenge a fényereje? Ugyanis mikor teszteltem távirányító elektronikájával akkor 10mA-t kapott 0.4V-on. |
Bejelentkezés
Hirdetés |



















