Fórum témák
» Több friss téma |
Mielőtt kérdezel, a következő két dolgot ellenőrizd!
I. A helyes tápfeszültségek megléte.
II. A kimeneten van-e egyenfeszültség.
Élesztés.
A KT 818 adatai 100W 10A 40V 3Mhz
Szerintem a 2N 3055 megfelel
Sikerült megoldani egy kicsit egyszerübben, annyit módosítottam, hogy a 2 oldalt figyelő ellenállás megy egy pontba, onnan pedig 2 ellentétes irányú dióda viszi a figyelőáramkörhöz és így már működik is nem kellett semmitse módosítani. Ha nem teljesen érthetően fogalmaztam akkor lerajzolom
A szám utáni betűjelzés is fontos! A feszültségtűrést ez határozza meg! Helyettesítő: Bővebben: Link
Szép Estét!
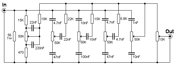
Kérdés: a csatolt képen látható kapcsolási rajz működőképes? Az eredeti olalon, ahol találtam: Bővebben: Link, nem látok betápot...
Nem nagyon van benne olyan alkatrész aminek kellene.
Persze, hogy működik, csak nagy a csillapítása, ez egy passziv szűrő, nem ártana utánna kötni valami előerősítőt, mert így nagyon kevés lesz a jel ami kijön végén. Bővebben: Link Ez is olyan elven működik, csak ez egyszerűbb, két sávos.
Emögé egy FET bemenetű előerősítőt tennék, utánna jöhetne a többi. Pl: TL082 tökéletes választás.
Sziasztok
Építettem egy 2*100w-os erőkődőt tda7294-es icből, de ha a hangerőt feltekerem teljes végkitérésre akkor nagyon búg. (a poti 50K-s) Mi lehet a gond. A táp teljesen szűrt, a jelkábelek árnyékoltak.
Üdv!
Isjmeri valaki ezt? - http://www.sonido.hu/hun/aam210.htm - Jó lenne hozzá kapcsolási rajz.... Tényleg annyira jó, mint ahogy hirdetik? Jobb lehet, mint pl. egy JLH? - Minden infó érdekel! Köszi.
2X10 Watt, 60 000 Huf. Az durva! Nekem IC-s van 2x20W. ami kb. kijött cakk&pack 5 000 Huf-ből. ( persze tarfóm az volt...)
Köszi, látom az árát..Itt most elsősorban a hangminőség számít... De látom már, hogy elég válogatós lehet, a damping-faktora alapján....
Bocs, nem nézem sűrűn a fórumot... Nem vagyok benne biztos, hogy jól működik a védelem, le kellene tesztelni. De rajzold le, és megnézem a rajzot.
Ha nem érted mi a különbség az ic-s meg e között, akkor maradj az ic-nél
A poti simán van hangerőpotiként bekötve, vagy valami áramkörbe van iktatva? Első próbaként kösd ki, és simán rakd rá a zenét, mondjuk mp3 lejátszót, az biztos nem zajos. Ha megszűnik a búgás, akkor a poti ---> kuka
Ha ugyanúgy búg tovább, akkor máshol kell keresgélni. "A táp teljesen szűrt" Ez mit jelent? ELKO+fóliakondi? Idézet: „Első próbaként kösd ki, és simán rakd rá a zenét, mondjuk mp3 lejátszót, az biztos nem zajos. Ha megszűnik a búgás, akkor a poti ---> kuka” Ez egy az egyben baromság. Az mp3 lejátszó nagyon is zajos, gyakran még néhány hertzes frekiket is megjelenít a kimeneten és leng a hangszóró tőle. Az pedig egyenesen kizárt, hogy egy potitól búgjon a rendszer, kivéve persze ha túl nagy az ellenállása, a bemenetnek pedig túl alacsony, de akkor sem kell kidobni semmit.
Nem próbáltam sok mp3 lejátszót, nekem egy Sonym van, és egyáltalán nem zajos. De a "zajos" alatt a búgás értendő ez esetben. De ajánlja valaki jó szívvel a kollégának a rádiósmagnót.
A potiról annyit, hogy találkoztam már megégett, selejt potival, ami kb akkora ellenállású volt, mint a kollégáé, és használhatatlan volt. Amikor tekered recseg, és zajos, búg. Persze ha nagyon vitatkozni akarunk, fényerő szabályzásra még használható Ezért jobb a sönt, a hangminőségen se ront. A másik, ami jó eséllyel kiküszöbölhető az MP3 lejátszóval, az a földhurok.
Lehet benne valami, de hangerőszabályozónál ritkán ég el a poti
HY!
És a poti ritkán szokott búgni Max recseg serceg.A búgás kicsit összetettebb földhurok ,egyen fesz jut a bemenetre bár az általában halált jelent a végfoknak .Csatolási probléma.
Ott nem, de mit sem tudunk szegény poti előéletéről
![]() De lehet gerjedés, amiben besegít a rossz minőségű poti. Mivel a hangfrekvenciás jelnek át kell haladnia ezen az ellenállás rétegen, ami a potiban van.
Talán furcsán hangzik a válaszom: nem
Az elején, arról az 56 ohm-os ellenállásról még nem esett szó... Gyakorlatilag nem tudod mivel meghajtani. Egy végerősítő kell hozzá! Vannak sokkal jobban átgondolt kapcsolások is. Megjegyzem: a belinkelt oldalon található rajzok sem képviselik a technika csúcsát...
Sziasztok !
Egy kis segítségre lenne szükségem egy kapcsolást egyik csatlakozását illetően. A kapcsolás itt található :http://sound.westhost.com/project23.htm Kérdésem az lenne, hogy a "EXTERNAL" lábra minek kell ,hogy kerüljön Szeretném megépíetni ezt a clipp indicatort, remélem működni is fog , bár amik ezen az oldalon szerepelnek kapcsolások azok azért elég kiforrottak , az úriembertől. A segítségegeket előre is köszönöm !
Én arra tippelnék, hogy az áramkör első részét rá lehet ugyanoda kötni és akkor egy led fogja jelezni, ha a kettő vagy több közül bármelyik klipel.
Nagyon tetszik ez nekem én is megcsinálom
Szia
Nem elko+kerámiát használtam a táphoz. Mindig így szoktam még nem volt vele gond. Az erősítő doboza rá van kötve a GND-re. Ha kikötöm a poti akkor is búg. Amugy simán van bekötve ( lábkiosztás szemből: GND, Jel az erősítőbe, jel a keverőtől) Hol keressem a hibát? A jelnél??
Mit jelent a búg? Kéne egy felvétel a hangjáról.
Szia
Itt van hogy milyen hangot ad ki az erősítő
Ez miaz? Mit kell kezdeni az arm file-al?
|
Bejelentkezés
Hirdetés |




És itt mit nézzek?






