Fórum témák
» Több friss téma |
Szia!
A kerámia-rezonátorok 5,5 és 5,7 MHz-es-ek, tehát ezt a frekvenciát engedik át. Az 5,5 MHz a CCIR hangsegédvivő frekvenciája, az 5,7MHz pedig a német A2-szabványú sztereó-hangsegédvivő frekije.
Sziasztok!
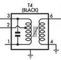
Egy másik topikban már kérdeztem,hogy az alábbi alkatrészeket honnan tudnám beszerezni,de mostanra elbizonytalanodtam. Én eddig azt hittem,hogy oszcillátorok,-és különböző színjelölések,az értékeit mutatják-de már nem vagyok benne biztos. Ha tudtok akkor kérem segítsetek. Köszönöm!
Szia!
Ezek kis rádiófrekvenciás (középfrekvenciás) transzformátorok. Ahhoz, hogy oszcillátort építhess belőlük meg kell spékelni egy tranzisztorral is ezeket a tekercseket. Bővebben: Link
Köszönöm válaszod! Itt a komplett kapcsolási rajz,ahol csak színjelölés volt,és igen kezdőként azonosítottam hibásan,de így már remélem eligazodok.
Ezek nem oszcillátorok, hanem csak a 430 - 470 kHz közötti KF ek hangolt csatolókörei. a piros jelőlésű is csak a KH oszcillátor hangolt köre. De hogy honnan lehet beszerezni, azt nem tudom, leginkább bontani lehet, ahogy azt előttem szólók is írták. (jobb híjján gugli)
Köszi szépen!
Igazából arra gondoltam, hogy valamilyen PIC-es áramkörhöz esetleg jó lehetne, de ha ilyen szörnyű a frekvenciájuk, akkor csak valami nagyon igénytelen (mármint pontosságra...) felhasználás jöhet szóba. Még egyszer köszi!
Köszönöm,már találtam is. Így könnyű volt,hogy megmondtátok,hogy mi is ez
Sziasztok!
Kis segítségre lenne szükségem. Van valakinek ötlete hogy 2SD5841 mivel helyettesíthető? Régi Crown erősítőben van belőle és az 5841-es párjából egy halommal. Köszönöm!
Sziasztok. Van egy ilyen 14 lábum amire ez van irva . 74HC164d . lehet ilyet nálunk kapni? vagy valamit helyette?
Kösz mindenkinek. Laci!
Próbáltam de lefagyik tőle a gép
Akkor HEStore (jobbra fent)
Kaptam egy trafót, hogy mérjem be, szakadt-e, zárlatos-e. Úgy találták (méh), szóval valószínűleg rossz, de az a(z első) kérdésem, hogy mégis miben lehetett? Mikrohullámú sütőben?
A másik, hogy a rajta lévő adatlap (hála az égnek, hogy van) tanúsága szerint 220V-on 1342VA-es, míg 2270V-on 1566VA-t ad le (bár nem tudok németül, lehet hogy tévedek), szóval ez egy fénykapus cucc (hatásfok 110% ??), vagy én nem értek valamit? Köszi!
Azt, hogy szakadt, azt ohmmérővel tudod kimérni. Azt, hogy zárlatos, azt úgy, hogy a 220 V -os tekercsét rákötöd a hálózatra, egy 230 V -os, 60 - 100 W -os izzón keresztül. Ha terhelés nélkül felizzik az izzó, zárlatos.
110 % az nincs, de lehet meddő teljesítmény (VA) Aminek az abszolút értéke lehet nagyobb a sec oldalon. (más a cosφ) És ha nincs fénykép, honnan találjuk ki, hogy mit látsz, és miben lehetett?
Bocsánat, a kép lemaradt..
![]() (a méréssel nincs problémám, a "honnan jött" , és a "milyen teljesítményű" az igazi kérdés. Amúgy a cosφ az ugyan az (az is rajta van az adatlapon))
Nagy valószínűséggel mikrohullámú sütő trafója, elég újnak néz ki. Azt, hogy mennyire terhelhető, az nem jeleni azt, hogy azt mindet le is kell tudnia adni. Még az is bonyolítja a helyzetet, hogy a magasabb szekunder nagyfesz tekercs teljesítményéhez, még hozzá kell adni a fűtőtekercs, és a 19 V os tekercs valós teljesítményét. A számítógépes tápok szekunder teljesítmények összege is több, mint a hálózatból felvett max teljesítmény. Ez a trafó durván 1.5 kWA -es (1342 VA). A cos φ kapacitív terhelés esetén lehet példának okáért negatív is. A bánat tudja, hogy a magnetron, meg az előtte levő egyenirányító milyen terhelést képvisel, de biztosan nem rezisztívet.
Köszi!
Bár azt hogy új, nem hiszem, már csak a 220V -os hálózati fesz megadása miatt se. Közben rátaperoltam ohm-mérővel, és a "Secondary" csatlakozón kívül mindegyiknek van 'párja', tehát valószínűleg az a szál szakadt. HA jól értelmezem a rajzát, akkor a "Secondary" volt a nagyfesz közös pontja, a fekete/piros kimenetek, pedig a különböző teljesítményfokozathoz tartozó tekercsleágazások, igaz? Másrészt, a 'harmadlagos' (Tertiär) tekercs megvan /19,3V - 2A/, de az adatlap szerint van egy brutált 3,2V-os tekercs is, kivezetést viszont nem látok, illetve van egy "Lead wire harness" {vezető kábelköteg}, az lenne a hunyó?
Azért gondoltam, mert elég újszerű állapotban van. A Fűtés vezeték, és a nagyfesz tekercs egyik vége közösítve van, ennek kellene lennie a "Secondary" kivezetésnek. A fekete a fűtés, a piros a nagyfesz kivezetés. A kábelköteg valamilyen "terhelésszabályzó" kivezetés. Nem hiszem (de nem tudom) hogy a teljesítményt a magnetron fűtésével szabályoznák.
Jó lenne egy oldalsó kép is, mert meglehet, hogy a szabályzó vezetéken keresztül történik előmágnesezéssel a teljesítmény szabályzás.
De ebben a topikban jobban értenek hozzá.
Sziasztok.
Segítséget szeretnék kérni. A Pioneer előszeretettel használ ilyen(VSG1024, DSG1079) mikrokapcsolókat a cuccaiba. Kellene pár db, mert tönkrementek. (Találtam Mo-on, 750Ft/db, néhol 1000Ft/db, vagy külföldön, ott ugyan olcsóbb, de onnan a pk a drága.) Kérlek titeket, ha valaki tud valahol ilyeneket jó áron szóljon. Más is jó aminek ugyan így középen van két lába/5mm-re egymástól/ és 4.5mm magas.
Szögletes nyomógomb nem fér el ott?
Végszükség esetén ez jó lesz?
Sziasztok!
Talán ebbe a topikba illik a kérdés. Új albérletbe költöztem (angliába) és "járt" hozzá egy fűnyíró is. De nem tudom használni mert nem tudom bedugni a konnektorba. Mellékelek egy képet a dugójáról. Ugyan ilyen dugó van még egy sövény- és egy szegélynyírón. Voltam már egy pár boltba de nem láttam hasonlót sem. Valaki tudja hogy mi ez? Mi a neve hogy az ebay-en megtaláljam? Előre is köszömöm.
Talán kérdezd meg egy mezőgazdasági boltban, vagy a fűnyíró gyártójánál.
Mezőgazdasági bolt nem sok van erre, mondhatni nincs
Egyedül a Homebase ami olyan mint az Obi. Tele agyonképzett eladókkal... Annyira nem érdekel hogy a gyártóval vegyem föl a kapcsolatot. Csak gondoltam hátha itt tudja valaki.
Szia!
Keresd úgy, hogy: grass cutter extension cord. És azon belül is a földeletlen változatot.
Ez a csatlakozó minden bizonnyal egy aránylag (angliában) gyakran használt speciális készülék csatlakozó. Mégiscsak abban az OBI szerű boltban kellene kutakodnod, gondolom ott is árulnak fűnyírót, sövényvágót, aminek valószínűleg ugyanilyen csatlakozója van. És ha olyanokhoz kérnél hosszabbítót?
A Homebase-ben néztem de semmi, esetleg a B&Q-ban megpróbálhatom. Köszi szépen.
Sajna nem vagyok ismerős azon a vidéken
Jó estét.
Tudtok e segíteni ezeknek az SMD alkatrészek be azonosításában? 64 pin "ST interbus PP2AB0310", 8 pin "28AB 2672 M5.0", "611 316", 14 pin "34E6Y6K HC14" Köszönöm a segítséget. |
Bejelentkezés
Hirdetés |











Egyedül a Homebase ami olyan mint az Obi. Tele agyonképzett eladókkal... Annyira nem érdekel hogy a gyártóval vegyem föl a kapcsolatot. Csak gondoltam hátha itt tudja valaki. 




