Fórum témák
» Több friss téma |
Fórum » LM1036 sztereo hangszínszabályzó áramkör
Témaindító: Krajcsooo, idő: Máj 29, 2006
Témakörök:
Gyors kérdés: Mennyi a kapcsolásnak a nyugalmi áram felvétele?(kapcsolás alatt az lm1036 adatlapján lévő rajzot értem)
Helló!!
Nagyon minimális áramfelvétellel rendelkezik. Régebben mértem még meg, pontosan már nem emlékszek, de 100mA alatt van mindenképp. Ha jól rémlik max. áramfelvétele 55mA az lm1036-nak.
Köszönöm!
Akkor nekem nagyon nem jó valami 0mA-t vesz fel. A nyákot kétszer át ellenőriztem, semmi hibát nem találtam IC-t is vettem újat de nem merem berakni nehogy füst legyen. Egyszerűen nem tudok mit kitalálni
És magát az áramkört kiprobáltad?? Vagy csak üresjárásban mérted meg az áramerősséget???
Kipróbáltam, egy nesz se jött ki a hangszóróból.
Persze: Jel-> Hangszín-> Erősítő-> Hangszóró.Ha a sorból kihagyom a hangszínt akkor szól tehát nem ott van a bibi. Tápfeszültség 12VDC pufferelve.
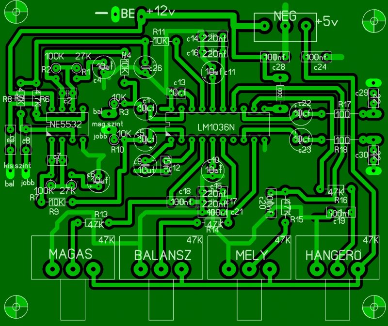
Tegyél fel egy nyákrajzot, hátha segíthetünk valamit! A gyári adatlapban lévő kapcsolást csináltad meg?
Felteszem, Igen a gyári adatlapban lévőt csináltam meg.
Nekemis ugyanezvolt a hiba... ha nincs megfelelő simított - pufferelt egyenfszültséged akkor csinálja azt hogy meg sem nyikkan. Én úgy oldottam meg hogy pár 16V 1000µF -os kondit párhuzamosan ráakasztottam a betápjára és minden kondira raktam egy-egy 10-100nf os fóliát szintén párhuzamosan , ja és még a graetz is kapott egy kerámia szűrést. Nekem így tökéletesen működik.
A szűréssel kapcsolatos hibát nagyon könnyedén ki lehet probálni. Ráteszed egy 12V os akkumulátorra és arról probálod meg. Ha úgy sem jó akkor másban van a hiba. Ha pedig jó, akkor szükség van egy szürt tápforrásra.
Sziasztok!
Lenne egy problémám. Találtam itt lentebb egy NYÁK rajzot beültetéssel meg minden. Én is megszeretttem volna csinálni az áramkört, de a beültetési rajzot nézegetve feltünt, hogy van pár jelölés, amihez nem tartozik alkatrész. Melléklem a rajzot és bejelölöm rajta, hogy melyik jelöléshez hiányzik alkatrész. Nagyon megköszönném, ha valaki tudna egy pontos HE STORE-os bevásárló listát mellékelni. Tisztelettel: downhill
Szia! Azt kérdezném, hogy Neked van NYÁK rajzod a betáp puffereléshez.
Bocs mindenkitől, de az előzőből kimaradt a kép. Remélem mindent bejelöltem, amit akartam.
Kicsit visszább még a rajz is megtalálható: Bővebben: Link. Ebben szerepel minden alkatrész.
Egy másik megoldás: Bővebben: Link
Hello!
Itt az oldalon található egy cikk az LM1036-os hangszínszabályzóról. Ott mindent megtalálsz amire szükséged lesz. Kapcsolási rajz, nyákrajz stb: LM1036 sztereo hangszínszabályzó Mellékletben van egy Word dokumentum, abban találsz alaktrészjegyzéket. A nyákjaimat fotozni, szoktam, de az ilyen egyszerűbb paneleket mint pl. ennek az áramkörnek a stabilizált szürt tápegysége kézzel csináltam. Maga a nyáktervezővel való megtervezés több idő lenne, mint ahogy kézzel elkészítettem. Nem beszélve a fotozás stb. idejéről. Ugyhogy sajnos ahhoz nem tudok nyáktetrvel adni.
Van itt fent több nyomtatott áramköri rajz is a fórumon. Általában a gyári adatlapban lévő kapcsolást vagy az előerősítővel kiegészített kapcsolást szokták megépíteni. Keressetek vissza a topic képeiben.
Szia! A nyák hibátlan és jól is működik ha akarod nyugodtan megépítheted. Kitöröltem belőle a zavaró számozásokat. Így már remélem boldogulsz vele.
A képek ikonra kattintva vissza a második oldalon megtalálod hozzá a teljes leírást rajzzal és alkatrész listával együtt.http://www.hobbielektronika.hu/forum/files/b7/b73681e8c22814e08fd7a3720aa31b54.jpg Az 5 voltos stabilizátor mellé csak a 2db 100nf kondenzátort építettem be valamint a diódát kihagytam. A 12 voltos tápfeszültséget az erősítő tápjáról kapja egy 78 S 12 -12 voltos stabilizátor ic keresztül ezért hagytam ki ezt a két kondenzátort.Ott viszont nem spóroltam ki semmit . A gyárilag is ajánlott kondenzátorok benne vannak. Arról már kelőképen szürt feszültséget kap az 5 voltos stabilizátor ic .
Annyit csináltam eddig hogy átnéztem a forrasztásokat, vezetősávokat, kicseréltem az összes elkót, kicseréltem az IC-t, átforrasztottam a potmétereket, de még mindig semmi hang illetve most az új ic-vel bekapcsoláskor koppan egyet amit a rossznak vélt ic nem csinált. Valaki adna nekem ötletet mit mérjek, mi lehet rossz?
Esetleg ha valamit nem mondtam vagy nem világos kérdezzetek bátran!
Ezek alapján, csak arra tudok gondolni, hogy a panelen lehet valami hiba. Vegyél elő egy nagyítót aztán vizsgáld át nagyon alapossan. Továbbá végezz méréseket, hogy hol mekkora feszültség esik, illetve eljut e mindenhova. Áramokat is mérhetsz, mert ha egy alkatrészen esik feszültség, akkor valamekkora áramnak kell folynia. Annak az áramkörnek jónak kell lennie. Szóval ez egy komoly kihívás, hogy megtaláld a hibát. Nekem volt olyan, hogy egyszerűen nem tudtam rájönni a hibára. Szétforrasztotam az egész panelt és akkor végigcsipogtattam mindent és azt tapasztaltam, hogy összeért két vezetősáv. Szabad szemmel észre sem vettem, hogy összeért, nagyítóval viszont egyértelművé vált. Eltávolítottam az érintkezést és utánna tökéletes lett az áramkör. Tehát nézz meg mindent nagyon alapossan.
Köszönöm nagyon!
Nagyítóval megtaláltam a hibát javítottam és MŰKÖDIK!! A probléma egy zománcozott vezeték helytelen beforrasztása volt mert, vagy elfelejtettem lecsiszolni a zománcréteget, vagy nemeléggé csiszoltam le és nem vezetett.
Nagyon szívesen. Örülök, hogy müködik.
Tiszteletem
Az lenne az én nagy problémám, hogy megépítettem ezt az lm1036n-es hangszínszabályozót és a Volume poti nem csinál semmit se hiába állítgatom. Lehet le van már írva de nem találtam. Ebben az ügyben szeretnék segtséget kérni mi lehet a gond. A poti jó zárlat nincs benne, tisztán megkapja a 12V-ját. Egységcsomagban vettem mindent előírás szerint csináltam és elakadtam. Ha tudna valaki segíteni megköszönném.
Szia!
Teljes szöveget máskor ne írj félkövér betűkkel! Tegyél fel egy nyákrajzot arról az egységcsomagos panelról, ha a kész panelt is lefényképezed és feldobod, akkor sokkal többet tudunk segíteni!
Ő rendben elnézést.
a kész áramkört hiába fotózom le nem lehet kivenni belölle semmit se :S de mellékeltem a kapcs. rajzot
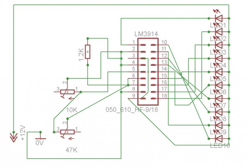
Sziasztok , lehet hogy nem pont ide tartozik , de az LM1036 IC-vel van kapcsolatba . Ugye ezt feszültséggel van vezérelve amit én ki akartam használni és gondoltam egy LM3914 IC-vel ( pont modban ) megfejelve tudnám figyelni eredetileg a balansz szabályzás kb hol van . Aztán jött a nagy ötlet hogy mi lenne ha mind ( balansz , magas , mély ) tudnám ugy igy monitorozni ( látványnak sem roszz) , de ugy akarom-akartam hogy ez automatikusan , oda váltan arra a szabályozott feszre , de eddig nem jutotam semmire . A kérdés : ugye adott három poti három különbözö leosztott fesszültséggel és egy LM3914-es ledmeghajtó egy bemenettel . Van e olyan egyszerűbb áramkör ami figyelni tudja hogy megmozdtottam az egyik potit ( gyakorlatilag fessz. változást érzékel bárhol is áljon az )
Hello!
Véleményem szerint megoldható lenne az elgondolásod. Nem szükséges feszültség figyelés, összehasonlítás, az IC képes erre. Tehát ez megoldható komparátor nélkül. Bár szerintem ez úgy lenne látványos, hogy 3 külön IC-vel, 3x10 leddel és sor üzemmodban lenne a megjelenítés. Tehát a poti "kitekerésének" függvényében minél több led világítana. Maximális állásba az összes led világítana. minimálisban meg egyse, vagy 1. Ezt meg lehetne oldani. Nekem készült már LM3914-ből ledes hőfokmérő, és az teljesen ugyenilyen elven müködik. Van benne egy termisztor ellenállás, ami változtatja az ellenállását hőmérséklet függvényében. Tehát ez felfogható egy potinak is, ahol ellenállásváltozás függvényében változik a világító ledek száma. A hangszínszabályzó potiira kötnéd rá az IC-t. A lényeg, hogy elméletbe müködőképes elgondolás. Némi kisérletezgetés és számolás után szerintem összehozható a dolog. Ha gondolod készítek hozzá egy rajzot, hogy egyértelműbb legyen.
Persze elfogadok bármilyen megoldást , hátha ki tudok valamit okoskodni a rajzodból .
Hello!
Hamar, gyorsan összedobtam Eagleben egy kapcsolási rajzot. Remélem nem hibáztam el semmit amiket kigondoltam. Talán azért kivehető melyik vonal hova megy, mert eléggé keresztbe hosszába sikeredtek. (siettem). Amiket még fontos megjegyeznem. Először is az IC lábszámozása nem a valóságnak megfelelő, szerintem, ez úgyis egyből szembetűnik, azt építéskor korrigáld. Sajnos még csak most kezdtem el az Eaglevel rajzolni, úgyhogy nem találtam LM3914-et azért lett ez a megoldás. Tinában sem találtam ilyen IC-t, úgyhogy ezért rajzoltam Eagleben. Tinába jártasabb vagyok, de ezt is meg kell tanulni. A 47 k poti az a hangszínszabályzó potencióméterét takarja. A 10 k Ohmos poti az a pontos bekalibrálás miatt került bele. Az IC sor megjelenítés üzemmódban működik. A tápfeszültség jelen felállásban 3-16V-ig mehet. Remélem érthető a rajz és hozzá a magyarázat. holnap délután, ha lesz időm, összeépítem én is. Rakd össze te is, kíváncsi vagyok a végeredményre. A kapcsolási rajzot csatolom.
Szerintem LED2-től LED10-ig pont fordítva van a sorrend. De lehet hogy tévedek nézz adatlapot
A ledek jól vannak, mert az adatlapot is megnéztem amikor csináltam. Szerintem az tévesztett meg, amít írtam is, hogy az IC lábainak a számozása nem megfelelő, mert sajnos nem találtam meg az Eaglemben az LM3914-et, ezért lett ez a megoldás. Remélem bikau is majd figyel erre megépítéskor.
|
Bejelentkezés
Hirdetés |













