Fórum témák
» Több friss téma |
Szia mazsi258!
Bocs hogy csak most írok de nagyon sokat dolgozom.Azt megköszönöm megnézem de azért leírom a vezeték színeket neked,hátha könnyebb. V.E.T. SW nincs benne csatlakozó V.E.T. GND 3 LOCK nincs benne csatlakozó 2 +12V 1 UNLOCK 11 LED szürke 10 S.D. fehér 9 SIREN rózsaszín 8 +12V piros 7 ACC citromsárga 6 GND fekete 5 NO- sötétkék 4 NO+ lila 3 M/D zöld 2 P.L. narancssárga 1 H/T kék-fehér csíkkal benne Ha ez többet segít neked akkor nagyon megköszönném. Sikerült küldenem ide is.Az elöbb valami miatt nem tudtam.
Üdv Mindenkinek!
Van egy Enforce E-100B riasztóm. Nekem felesleges a riasztó. Arra lennék kíváncsi, hogy valahogy át-e lehet alakítani, hogy vezéreljen 2 központi motort. Lényegében csak 2 kimeneti jel kéne valahogy, amit meg lehet különböztetni. Van valakinek erre valamilyen ötlete? Előre is köszönöm! Közben gondolkoztam. Index villogtatás tudná zárni, ez egy jelnek jó is. Már csak egy nyitás kéne!
Szinte minden riasztó tud központi zár vezérlést. A régebbieken 2 kimenet szokott lenni, negaív kimenetek a nyitásnak ill. zárásnak. Újabban 6 kimenet van, ez szabadon variálható.
Áááá...kicsit szét kellene nézned, mielőtt kérdezel...
Idézet: „A KÖZPONTI ZÁR VEZÉRLÉSE - 3 PÓLUSÚ CSATLAKOZÓ Ez a csatlakozó a meglévô központi zár reléinek vezérlésére szolgál. A nyitott kollektoros (OC) kimenet a legtöbb relé meghúzását biztosítja. A zár nyitásakor az UNLOCK, záráskor a LOCK kimenet kapcsolódik 0,7 (3,5) másodpercig a test felé. NE KÖSSE EZEKET A VEZETÉKEKET KÖZVETLENÜL A KÖZPONTI ZÁR MŰKÖDTETÔ MOTORAIHOZ, MERT EZ BIZTOSAN A KÖZPONT MEGHIBÁSODÁSÁHOZ VEZET. Az installálás nagyban függ az alkalmazott központi zár típusától. A legtöbb esetben külön relé modul alkalmazására van szükség (SECO-LARM SR-5201-RMB).” A google egyből talál hozzá magyar nyelvű beszerelési leírást. Van benne kimenet erre, nem tud közvetlenül motorokat hajtani, de 2 relé és már igen. De ha már 2 relé, akkor kell hozzá még egy félmarék olcsó alkatrész és egy komplett kp zár vezérlőt építesz, ami alapból tudja az 5 vezetékes motorokon keresztül az ajtózárást, az Enforcerrel pedig a távirányítottat... Üdv Inhouse
Üdv! Jogos a két pont! Elnézést. Elsőre találtam egy leírást, és abban nem volt egy szó sem a 3 pólusú csatlakozóról. Tovább meg nem kerestem, azt hittem ennyi van hozzá
Azért köszi a türelmet!
Sziasztok!
A régi Trax Silver Light 2 bekötése már tárgytalan, mert ott valami a PIC-ben történt... Kakukk... :no: Nincs valakinek egy alap, használt riasztója? Elvárás: ajtónyitás(ok)(-), belső védelem (mikrofon), sziréna és valami fényvezérlés kimenet és persze egy bekötési. Köszönöm! gal.gal@freemail.hu
Esetleg itt kicsit visszább, CsemanAttila-nak...
![]() Üdv Inhouse
Üdv!
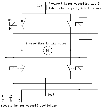
Megvan a 3 pólusú csatlakozó a központihoz. A gond az, hogy nincs 5 szálas motorom, viszont van 8db 2 szálas motor. Gondolkoztam, és a végére az jött ki, hogy 4 relével tudnám vezérelni a nyitást és a zárást. Felteszek egy móricka rajzot, megnézné valaki, hogy van e egyszerűbb megoldása, illetve, hogy az általam kigondolt kapcsolás életképes lenne-e. Előre is köszönöm! Remélem el lehet majd igazodni a rajzon.
Bővebben: Link :guluszem1:
Neked nem egy váltott polaritásu vezérlés kell... egy zárra két motort akarsz kötni? Enforcernél a három szálon van egy +12v 500ma terhelésű a rellék behuzótekercseinek a másik kettő meg egy egy-egy impulzus nyitásra zárásra.
Huuu..
Nem lenne egyszerűbb befektetni egy 5vezetékes motorba? Kerül még 1000Ft-ba is.Amúgy a Fordokban elég szorosan működik a zárreteszelés, és többnyire bovdenes, nem rudazatos, macerás lehet az univerzális motorral összehozni.
Huuhhh...ez nem semmi...
Vovozs lerajzolta, hogy mi kell hozzá ahhoz, hogy zár állapotától függetlenül a riasztó vezérelhesse a motorokat. A kimenetnek el kell bírnia a reléket... Ha azt akarod, hogy ajtókapcsolóra és kulcsra is menjen, akkor kell egy pár alkatrész még hozzá, de nagyon egyszerű... a legegyszerűbb kp zár vezérlő Persze a bal elsőbe kell hozzá egy 5 vezetékes motor! Üdv Inhouse
Üdv!
Vovozs: Nem, egy zár egy motor. Csak én így fordítottam polaritást. Értem a rajzod, csak ahoz 5 lábú relé kell, nekem meg csak 4 lábú van. Egyenlőre nem ez a legfontosabb a kocsin, így nem akarok hozzá venni semmit, ami van itthon az megy be. De köszi a rajzot, idővel ez fog bekerülni! Akos70: Egyszerűbb lenne egy 5 szálas, de ahogy fent is írtam nem ez a legfontosabb. Zár az rudazatos, tegnap darabokra szedtem az egészet, pucolás, zsírozás, oljazoás, beállítás és olyan lett mint forró kés a vajban. Motorok már bent vannak, és le is vannak tesztelve, simán működik minden. Inhouse: Lehet, hogy az a legegyszerűbb, de nekem bonyolultnak tünik Majd tanulmányozom még, de így hirtelen nem tudok kiigazodni rajta! Köszönöm Mindenkinek a segítséget!
A te rajzod nem jó, csak 2 relé fog bármit is csinálni, mivel a másik kettő behúzótekercsének csak az egyik fele van bekötve...sőt akkor sem fog semmi történni, mivel az érintkezőiknek is csak a fele van bekötve...amúgy is "érdekes" rajz...
Talán inkább így, mint a mellékletben... A kimenetnek el kell bírnia 2 relét egyszerre! A biztosítékot ne hagyd le, 15A-es szokott lenni...és még így sem biztos, hogy jó lesz, mivel lehet, hogy van annak is szerepe, az értelemszerűségen kívül, hogy váltóérintkezővel vannak ezek egyébként megoldva...mivel az impulzus lejárta után rövidre zárja a motort, így fékezve azt, ez meg így nem fogja, a motor kapcsai nyugalmi helyzetben szabadon vannak... Üdv Inhouse
Üdv! Valóban lemaradt a 2 behúzótekercsről a +12, de a többi be van kötve, azért írtam oda, hogy majd mit fog kapcsolni, testet vagy +12-őt.
Elhiszem, hogy agyament a kapcsolás, és azt is elhiszem, hogy 2 5 lábú relével, meg 1 5szálas motorral egyszerűbb lenne, de mivel jelenleg munkanélküli vagyok, így jobban örültem egy agyament kapcsolásnak, amit konkrétan 0 forintból raktam össze.......
Elég nagy gond, ha egy 4 relés rajzról lemarad a fele összekötés, és alul a motornál 2 pár vezeték van...
Egyébként jó, hogy elfoglalod magad. Szóval jó lett? Üdv Inhouse
Igen működik a vezérlés. Csak a riasztóval van valami, mikor olyanja van, akkor egymás után kétszer akar zárni.
Azt nem tudom miért van, de az általam linkelt egyszerű vezérlővel ezt ki tudnád küszöbölni, mivel ott nem enged zárni, ha zárva van és fordítva...
Üdv Inhouse
Sziasztok
Vásároltam egy riasztót és szeretném holnap beszerelni ezzel kapcsolatban lenne pár kérdésem.Csatolok egy képet (sajnos nem tudtam gifbe szkennelni) a bekötésről, végigmennék a színeken (fentről lefelé) és ami nem tiszta kérdeznék. Segítségetek előre is köszönöm. -Kapcsoló (ilyet nem vettem hozzá) -Törlés kapcsoló (tiszta) -Led (tiszta) -Piros (van az autóba 4 elektromos ablak,akkor ezt be kell kötnöm vagy ez csak akkor fontos ha ablakemelő modul is van ami riasztásra felhúzza?) -Kék/fekete (mi az oldalajtó? ez más mint a központi zár?) -Kék (lásd előző) -Sárga (ez okozza a legnagyobb fejtörést,ezt mire,hova kössem?) -Fehér (ezt gondolom gyújtásra) -Narancs (tiszta) -Uh-s érzékelőm nincs -Ütésérzékelő (tiszta) -Barna (tiszta) -Barna (tiszta) -Zöld (ide gondolom külön relé kellene) -Piros (ezt gondolom a motortérbe kell kivinni) -Fekete (lásd előbb) -Rózsaszín (tiszta) Központi zár már más téma,holnap kiderül mire jutok vele. Ami még nem világos hogy kaptam egy indításgátló relét is,ezt muszáj beszerelni vagy ki lehet hagyni? Ha muszáj akkor hogy kell bekötni,mert ez nincs a leírásban. Üdv!
Szia.
Az el. ablakemelőt akkor kell bekötni ha van modul. Az oldalajtó amin beszállsz. Elvileg a kék kell neked. A sárgát a gyújtásnál kell megszakítani, ami az önindító reléhez megy és közbe iktatni a relét amit kaptál. A fehért szintén a gyújtásnál egy olyan pontra, ha ráadod akkor van rajta +12V. A zöld a csomagtérnél lévő elektromos nyitást vezérelné, de ehhez kell külön nyitó motor vagy valami ami kinyitja. Piros az állandó plusz, fekete a test. A relét amit kaptál érdemes szerintem bekötni, de ezt eldöntheted. Bekötéshez teszek fel rajzot. Üdv Jani
Köszönöm a gyors választ!
A relé bekötés rajzod nagyon jó és érthető,amit nem értek benne hogy a 30,86 -ról induló kábeleket ugyanoda kell kötni? Szerintem kihagyom a beszerelésből,ebben az esetben a sárga vezetéket nem kell bekötnöm ha jól értem. Szerinted befolyásol bármit is a bekötésekben ha most is van az autóban távirányítós kp. zár?(nem tudom hogy gyári-e)
Közben lenne még egy kérdésem,most a kp. zárral kapcsolatban.Az autóval kapcsolatban (Ford Explorer) azt sikerült kideríteni hogy "reverse polarity" a bekötése,illetve van ahol negatív triggernek írják.Ebben az esetben jó ha így kötöm be?
narancs: cut fehér: door lock (-) sárga: föld narancs/fekete: cut fehér/fekete: door unlock (-) sárga/fekete: föld Az autónak az oldalajtó kioldója pozitív így gondolom ezt a riasztónak a kék/fekete (+) részével kell bekötnöm.
Én nem szeretem ezt a fajta (a többit sem igazán) gyújtástiltást...
Megszakítasz egy pontot, hogy ne indíthasson...ki? Akinél kulcs van? Nem...elvileg nem lehet nála, mert ő a raboló, tehát babrálni fog a gyújtással...és nem fogja észrevenni a megszakítást? Nem fogja kapásból átkötni? Szerintem ezzel csak plusz munkát csinál az ember magának, nameg későbbi hibalehetőséget, rosszabb esetben pedig komolyabb hibát... A kp zárnak és az ajtónyitás érzékelőnek jónak kell így lennie. Az a csomagtartó telep plussz áramforrás lenne? Üdv Inhouse
Szia Inhouse!
Köszönöm a reagálást a kp.zárral kapcsolatban,nemsokára kiderül hogy jó-e,de megnyugtató hogy Te mint szakértő azt mondod működnie kell.A gyújtásletiltásnál mire gondolsz?A relére amit nem szeretnék bekötni(sárga -)?Az utolsó kérdésedre a válasz hogy van egy zöld (+) ami a csomagtartóhoz mehet,de gondolom ennek más is kéne hogy nyissa a tetőt,úgyhogy ezt sem kötöm be,vagy nem erre gondoltál? Ja igen,mégegy dolog,okozhat bármiféle károsodást ha mégse így kell bekötni a kp.zárat?
Bekötöttem a riasztót,a sziréna,jelzés,ütésérzékelés működik,a központi zár nyitás zárás nem.Próbáltam többféle bekötést, negatív pozitív vezérlést,de egyik sem hozott sikert.A gyári központi zár távirányítója ugyanugy nyitja,zárja mint eddig.
Szia.
Megmondom őszintén én nem értek az elektromos kp. zár vezérléshez, de a razon szerintem elég egyértelmű. Ebben a kérdésben ajánlom Inhouse-t és persze a többieket is. A relét pedig igen össze kell kötni a 30 és 86 lábakat és úgy megy tovább a gyújtáskapcsoló felé. Szerintem célszerű bekötni, de ez embere válogatja. Ha már van, akkor miért ne. A távirányítós kp. zárat pedig célszerű a riasztóval vezérelni, mert elég furcsán veszi ki magát két távirányító. de ez is mint minden más csak rajtad múlik. Az oldalajtóval kapcsolatban peedig nem biztos hogy plusszos, mert engem is megvezetett az izzón vissza folyó áram és azt hittem de itt felvilágosítottak. Célszerű egy keresőlámpát 'építeni' (egy 12V-os izzó rajta 2 db vezeték) és azzal ellenőrizni. Ja és még nem árt minden ajtótól, motortetőtől, csom. tartótól jövő vezetékre sorba kötni egy-egy diódát. Ez meggátolja, hogy esetleg visszafele folyjon az áram és nem hülyül meg a riasztó. 1N4007-es a legalkalmasabb de jó kisebb és nagyobb is. Amilyen van otthon.Jó barkácsolást és sok türelmet nem egy fél órás művelet lesz.
Amúgy ha visszább olvasgatsz szinte minden kérdésre lesz válasz. Kicsit keresgélj, ajánlom azokat ahol nekem is segítettek.
Üdv Jani.
Köszönöm, az autóhoz letöltöttem egy leírást ott + nak írják az oldalajtó kioldót.A fórumot végigolvastam már tegnap mielőtt kérdeztem volna,de nem találtam megoldást erre.
Nem tudom, hogy hova kötötted...?
Meg kell keresni a bal első ajtónál az 5 vezetékes motor mikrokapcsolóinak a szálait. Ott már el kell dőljön, hogy mit kapcsol. Egy izzós próbalámpával kipróbálható, ha pl. testet kapcsol, akkor az izzón keresztül azt kell neki adni. Az egyik pontra érintve zárni, a másikra nyitni fog. Erre kell kötni a riasztó megfelelő szálait. A gyújtástiltásra értettem, szerintem nincs sok értelme, nem szoktam bekötni. A többi relét is lehagyhatod, ha nem akarod. Üdv Inhouse
Emlékeim szerint 2 vezetékes a motor az ajtóban,de utána járok.
Ha zárod a bal első ajtót kézzel (kulccsal vagy belülről gombbal), záródik a többi?
Üdv Inhouse |
Bejelentkezés
Hirdetés |




Azért köszi a türelmet!



Nem lenne egyszerűbb befektetni egy 5vezetékes motorba? Kerül még 1000Ft-ba is.







