Fórum témák
» Több friss téma |
Mielőtt kérdezel, a következő két dolgot ellenőrizd!
I. A helyes tápfeszültségek megléte.
II. A kimeneten van-e egyenfeszültség.
Élesztés.
Megcsináltam az Nmos 200-at, éppen most teszteltem.
+/-37,4V tápfesz mellett csak 40,5W tiszta szinuszt adott le 8 Ohm-ra. Remélem magasabb táppal jobb lesz. 1 pár IRF 640 -et raktam bele egyenlőre, 30mA a nyugalmi áram. Nem gerjed, zaja nincs. Az eredeti nyákot egy kicsit átterveztem, 3 pár végfet megy majd bele.
Szia! Az enyémet már kidobtam, de a rajza még megvan. Ha segít rajtad nekiállok, beszkennelem
![]() A tápfeszültségre már nem emlékszem de a 7NZ70 zenerek feszültségét pár volttal meg kell haladnia, különben biztos torzít.
A teteje, az éleknél egy kevés ragasztóval van a kerámia substrat-ra ragasztva, viszonylag könnyen lepattintható egy csavarhúzó segítségével (szépen végig kell feszegetni, hogy mindenhol elengedje). Minden esetben a végtranyók szálltak el, hiszen semmilyen védelem nincs benne. Azért érdekes, hogy gyakorlatilag az összes elszállt, pedig biztos, hogy sokan úgy vigyáztak rá, mint a szemük fényére... A rossz tranyók (chip-ek) kivezetéseit elvágtam, és helyettük BD243 tranyók kerültek a kapcsolásba. A tranyók persze csak kívül fértek el, ezért a tok tetején (felső él, a normál kivezetésekkel pont szemben) fúrtam 6-12 db D=1,5mm furatot, és ezeken vezettem át a tranyóhoz menő vezetékeket. Így a tranyókat "külön" kellett a hűtőfelülethez csavarozni. Fényképet sajnos nem tudok mutatni róla.
Ezek az IC-k olyan gyengék voltak, hogy a kis ORION tornyokban végülis áttértek inkább a sokkal megbízhatóbb Csehszlok tranzisztorokkal működő erősítőkre. Ez lett a 1025B jelő erőlködő.
Köszönöm az infót! Továbbítom!
Amúgy azért tértek át, mert beszüntették a japánok a gyártást. Volt kisorionom, és össze is sikerült zárni a kimenetét egyszer.. Hirtelen leégett a hajam ijedtségemben, de szerencsére a védőbiztik tették a dolgukat.
Lehet, hogy beszüntették, de még most is lehet kapni koreában, meg az ebajon. Az okát nem tudom, csak sejtem (lehet, rosszul).
Tényleg mákod volt, hogy túlélte. Jól értem, hogy a Te Sankened még él? Biztosan egy vagyont érhet! Egyedi darab.
nem is szabad csodát várni tőle, nem mai technika
Hát nem az eredetileg kérdezett ,de gondolom ez sem rosszabb és letölthető a nyákterv.Bővebben: Link
Lassan elkészül az erősítő "alaplapja is" bár fele cucc még hiányzik róla sajnos, de majd a héten majd pótolom a hiányosságait.. Terveztem bele egy extra hőfok védelmet is a hőfok szab venti hűtés mellé, ami 85 c nál visszaveszi az előfok kivezérlési szintjét amíg le nem esik ez a hőfok 75C ra!
Az előfokhoz nem is gondoltam volna hogy ilyen nehéz lex majd opa-t szereznem, de a hq-nál hála ég volt Idehaza van TL071 em. Egy próbát majd lehet ejtek azért vele mire belekerülne az opa. Szerintetek? Lábkiosztásnak azért még utánna járok a TL071-nél. http://sound.westhost.com/project88.htm#photo
És mi lett a VAS tranzisztor? Maradtál az eredetinél?
Nem az eredeti szerint csináltam, BD 139-et tettem helyette. Holnap kipróbálom 3 pár fettel és nagyobb nyugalmi árammal. Ha érdekelnek a módosításaim, akkor felrakom a LAY-t.
Szia! Nekem B101 sztereo az ismerős 81-82 évekből. Annak a végfoka tranzisztoros hangszínszabályozóval kezdődik és MBA810-s (TBA810 ugyanaz csak picit jobb) végerősítő van benne. Javasolt gyári alkalmazásban az IC "grízes" hangú. Kicsit lehet rajta javítani még 1 visszacsatoló körrel, de a TDA2003 végfok minőségét nem éri el akkor sem.
Sziasztok!
Köszönöm a gyors válaszokat,sztem holnap megyek alkatrészt vásárolni,aztán majd meglátom mi lesz belőle...
MBA vagy TBA en ugy tudom csak a mas gyartot jeloli.
Igen. Viszont Kicsit jobb minőségű a TBA810AS, de vele bekötés szerint kompatibilis a TCA940(Csak többet: 10W-t tud. Nem összetévesztendő a TCA940E-vel, mert azt más feszültségű és 15Ohm-s TV technikai alkalmazásokra szánták) Ha érdekel a hangminőségét javító ellenállás bekötése 1-2 napon belül előkaparom a rajzot. Az AS jelzés azt hiszem azt jelzi van benne termikus védelem, a sima S jelzésűekben nincs.
Sziasztok!
Van nekem egy Dual márkájú cv-1260 erősítőm. Eléggé öregecske már és a passzív alkatrészek se mind úgy működnek ahogy az kéne, meg a hangja se a régi, arra jutottam h néhányat ki is cserélek benne, át szeretném elkozni főleg puffer részét, meg a végtranyókat akarom kicserélni és ez lenne a kérdésem h kedvező áron milyeneket ajánlotok? Eredeti tranyó benne (2SC2579 és 2SA1104) én erre gondoltam: 2SC5200 és 2SA1943, vagy valami bd249c ha nem hamisított. Szerintetek milégyen? 2X60W 8Ohmon rms az erölködő
Szia!
A végtranyókat botorság lenne kicserélni, hiszen semmi bajuk sem lehet, ha szól az erősítő. Inkább az elkókra kellene koncentrálni.
Mostanában feltűnt nekem valami. Sokan tudjátok már hogy a mániám a high-end / audiofil erősítők tanulmányozása és a jó hang okának kutatása. Nos, észrevettem hogy nagy nevű erősítőkben, végfokokban sokszor, szinte következetesen nincs koppanásgátló / relés hangsugárzó-védelem. Miért ? Gondolom csekély az esélye a meghibásodásnak, olyan magas a gyártási színvonal. Vagy más oka van ? Továbbá még két dolog: az egyik, hogy a nyugalmi áramot beállító / hőfigyelő tranyót nem teszik a bordára, főleg alacsony nyugalmival működő végfokok esetében, vagy nincs is ilyen, mint egyes fetes végek esetében, ahol csak 1db ellenállás vagy poti van erre a célra. A fetek állítólag nem futnak meg hőre 100mA nyugalmi felett (Ágoston könyv, stb.) A másik, hogy egyes erősítőkben a meghajtó tranyókat sem teszik a bordára, mert direkt jót tesz a hangnak a 70-80 C fokos hőmérsékletük. Hozzá tudnátok ezekhez szólni ? Köszi! ( főleg a relés védelem hiánya érdekelne.)
Szia.
Relés védelem valószínűleg azért nincs azokban a végfokokban mert rontaná a relé ellenállása a Dynamic Damping Factory Szintet! Tehát kimutatható , hogy pl 2-3egymással sorba kötött relé a mélyeket simán úgymond "csonkítja" Ezt kihasználva ők nem tesznek ezért bele koppanásgátlót. Ez az offset dolog is csak tulajdonképpen olyan megfoghatatlan hülyeség pl, ez semmi más minat az emberek fejébe vett hülyeség, Az erősítőt hangját ill működését abszolulte nem befolyásolja az hogy 5 vagy 25mV van ott... Legjobb Sztem a Hybrid fokozat. csöves elő majd tranyós végfokozati rész. És amit a nagy emberek a legjobb tranzisztornak tartanak , ill elismernek az az MJL3281A . Remélem érted már ezt a koppanásgátlós dolgot
Üdv mindenkinek.
Nem tudtam hova írjam ezért ide írom. Van egy JVC pc-A5L es erősítőm átépített végrésszel. Egy olyan kérdésem lenne, hogy ha benyomom a loudness-t akkor kb a felén túl húzom a potit kikapcsolja, nem lehetne valahogy megcsinálni, hogy csak akkor kapcsolja ki ha én kikapcsolom a kapcsolóval? A válaszokat előre is nagyon köszönöm.
Biztos ez is ügyes munka mint a többi műved. Megköszönném a módosított nyáktervet ha megosztod. Hát ezzel lepipálod a 7294 -et és nem csak a teljesítményre gondoltam. Későbbiekben én is belevágnék egy hasonlóba. Most egy kicsit szerényebbet építek (60W) én is bd139 használok nyugalmihoz.
Üdv Urak!
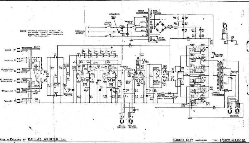
Segítséget szeretnék kérni! Van egy régi csöves erősítőm, ami eléggé búg, méghozzá egy szép G hangon. Már végigmentem a kapcsoláson. Kicseréltem benne az össze szűrőkondit, rossz ellenállást. Visszaállítottam az eredeti állapotába minden vezetékelést. Megnéztem az előfok csöveket, azok is jók. Igyekeztem a földelést is csillagban lekötni, de az a nyamvadt búgás még mindig hallható. A hangerő potikkal nem szabályozható a zaj, így feltehetőleg utána lehet a probléma, viszont most már teljesen tanácstalan vagyok! Mit nézzek még át? A trafó okozhat ilyet? Vagy valamelyik végfok cső? Vagy a lakásom földelése nem megfelelő?!?! Mellékelek egy kapcsolási rajzot is! Köszönöm!!
Meghallod a relé hangját, ha jó a rendszered,de ha DC csatolt gépben valami borul, akkor a méregdrága mélyek, mélyközepek porrá éghetnek, ha kijut a táp a kimenetre, és nincs semmiféle védelem az erősítőben. Megaztán a hangszóró javítóknak,és a gyártóknak is meg kell élni valamiből
)
Oké, akkor majd holnap felrakom (az otthoni gépemen van). Nagyobbra terveztem, 5W-os source ellenállásokkal, 10mm-es nyugalmi potival és 3 pár végfettel. Valószínű hogy a párhuzamos fetek alá hűtőtönköt teszek, hogy gyorsabban hűljön. Remélem jó választás volt az IRF 640, nem akartam drága IRFP450-ekből csinálni.
Még azt kéne valahogy kikalkulálni, hogy hány voltos (PWM) tápot csináljak neki. Jó lenne 300W-ot kivenni beőle 8 Ohm-ra, akkor már valóban lepipálná a 7294 hidat
hali
valaki tudna segíteni hogy egy 10w mono erősítőt át-e lehet alakítani egy 10w sztereóvá ? :help:
Meg kell duplázni
Csinálsz még egy ugyanolyat és máris kész a 2x10W sztereó.
Sajnos nem tudod megváltoztatni. Poti kiviteléből következik, loudness kivezetés a pálya felénél van. Nem is lenne értelmes dolog ezen módosítani, mivel funkciója, alacsonyabb hangerő mellett mély emelés, fül fiziológiai görbéjének megfelelően. Nagyobb hangerőnél már csökkenő mértékű a kiemelés, majd teljesen megszűnik, mivel mély érzet csökkenés csak kisebb hangerőnél érzékelhető. Hangszín szabályozására nem alkalmas (szerintem a hangszín szabályozó sem megoldás a hangzás minőségének javítására).
Üdv.
Van lehetőségem mély és magas szabályzásra de így nem szép a hangja. Ezért szeretném ezt valahogy megoldani de ha senki nem tud segíteni akkor majd valahogy megoldom. Ja és a fele után teljesen kikapcsol a loudness. Azért köszönöm a választ.
Miért nem használsz Toshiba 2SK1530 at?
Azok még ,megfizethető áron vannak és nagyon jó linearításuk! Mellesleg Hangferkvenciális célra van evégett.,és nem utolsó sorban Japán
A toshiba cuccok sosem voltak olcsóak, ami az eredetieket illeti, 1000 Ft körüli fetekkel nem lett volna költséghatékony a project.
Te hol láttál ilyeneket? Egyébként tök jól szól IRF 640-ekkel is, ma meghallgattam. Hangosítási célra teljesen jó lesz.
Még tavaly építettem haveromnak egy fetes véget, Melody féle kapcsolás volt, elég jó hangú kis dobozzá vált a végére mikor kész lett.
Én akkor a hqvideo tól rendeltem. Sztem fetbe ezek kivállóak, Egy kis barangolás: http://www.aussieamplifiers.com/modules.htm bár gondolom láttad már az úriember munkáit, Nagyon profi paneleket csinált. Én max a 2rétegesig jutok el, de azt is már csak protelbe merem beválallni Visszatérve az irfp is jók, én építettem már 240/9240-el is jónak mondható hangút. |
Bejelentkezés
Hirdetés |














