Fórum témák
» Több friss téma |
Sziasztok!
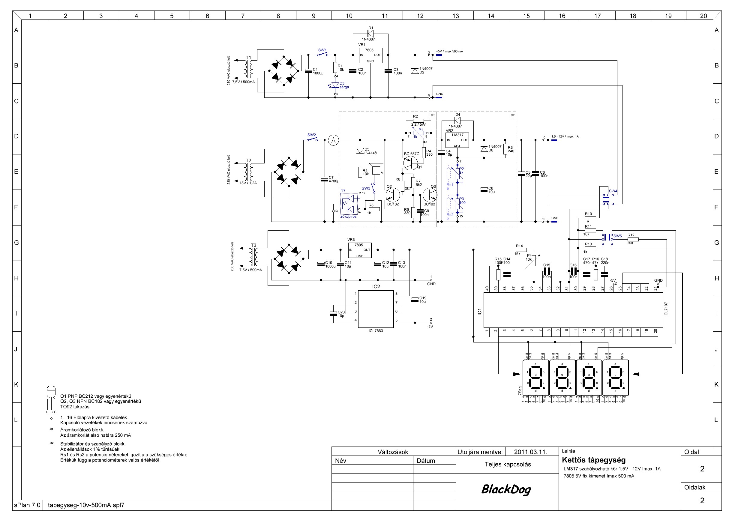
Elkészültem első 'nagyobb' kapcsolási rajzommal. Nekem nem sikerült szebbre, jobbra. A piros elemek azok amelyek kikerülnek a doboz előlapjára. Nekem valahogy nem tetszik. Tudtok adni gyakorlati tanácsokat? Akár konkrétan ezzel a rajzzal kapcsolatban is.
Szerintem megfelelő a rajz, mivel ez az első, nagyon is szép. Persze mindig és minden lehet másmilyen is. Kapcsolástechnikailag nem foglalkoznék Én vele, biztos jó. Perzse található benne rajzolási hiba is, pl a D1 dióda egyik oldala nincs bekötve, C8-nál nem lépcsözném a vonalat. A rajz így kissé a levegőből indul, mert a trafók primer olda nincs bekötve. Egyébként a saját rajzaimban is utólag felfedezek hasonló "bakikat". A szinezés ötlete nagyon jó, egyre inkább rászokom én is, manapság szinte mindenki számára rendelkezésre áll szines nyomtatási lehetőség. Ki kell használni. Mutatósabb, áttekinthetőbb tud lenni a rajz. "Régi" módszer a fizikailag másutt levő (távoli) rajzelemek ábrázolására a rajzelem vagy kapcsolási részlet szaggatott vonallal való bekerítése és odaírva vagy jelezve , hogy az hol is található a térben. Javaslom még a külömböző csatlakózók, sorkapcsok, stb. ábrázolását melyek mint mérőpontok is lehetnek a valóságban. Ezek is utalhatn ak arra, hogy pl. a panelon kívül folytatódik valami.
Köszönöm az észrevétel. A hibát javítottam.
Maga a kapcsolás jelenleg is működik próbaszinten. Még próbálom kicsit átrendezni hátha jobb lesz.
További mondanivalóm úgy általában a rajzoláshoz:
SPlannak két rajz rétege van, a alsó a rajzkeretnek ajánlott, van is hozzá "gyári" keretek. A keret szebbé és informatibbá teszi a munkát. Keret szélén-tetején elhelyezett skála több lapos rajz esetén a kereszt hivatkozást segíti. Az eredetiket idegen nyelvüsége miatt nem használom. Készítettem magamnak sajátokat, külömböző lapméretekre illetve lap tájoláshoz, ezek *.sbk kiterjesztésűek. Általam praktikusnak tartott információkat helyezek a keret mezőibe: rajz címe, szerző-rajzoló neve, rajzolás dátuma, nyomtatás dátuma, esetleg eredeti rajz dátuma, forrása. Több lap esetén az összes lapok számát illetve a jelen lap hanyadik ebben. Ha sokfélét rajzol az ember érdemes feltüntetni a file nevét is, hogy késöbb tudjuk, a szám.gépen melyik is az. Ezek közül több automatikusan aktuális értékekkel jelenik meg ha így állítjuk be a szövegmezőt. Sok-sok praktika van még de nem akarok túl hosszan írni, hacsak valakinet van rá kérdése.
Nos kicsit még alakítottam rajta.
Vannak esetleg írott rajzolási szabályok, hogy bárki számára érthető rajz készüljön?
Nos így már rajz kinézete van. Alapos a keret is. Elhelyezési probéma van csak vele, a lap bal oldala nagyon üres, balra kellene húzni a lapon a kapcsolási rajzot.
Én nem követem az aktuális szabványokat, olyan hivatalos rajzot nem szoktam készíteni. egyébként úgy tapasztalom, hogy mindenki úgy és azzal a progival rajzol ami éppen a keze ügyébe kerül. Sokszor találkozom valami ingyenesnek vélt progival gagyi rajzzal. Akkor jó egy rajz ha áttekinthető, más is könnyen eligazodik benne. Én jellemzően vezérléstechnikai áramutas rajzot szoktam készíteni, ezek jellemzöen pótlások, funkció bővítések. Erősáramú rajzoknál kialakult egy európai ill. USA beli rajz és betűzési forma. Ez megtalálható a Moeller zsebkönyvben is. Linkjét mellékeltem. Moeller Ha a SPlan helpjére vagy kíváncsi, magyarul is megtalálható a http://www.t2cnc.hu/sPlan6_hu.htm honlapon. Sok sikert
Sziasztok!
Valahogy nem akar menni a kapcsolási rajz készítés. Próba panelen építettem egy riasztó központot. Most szeretném megrajzolni a művem, de nem akar menni a dolog. Nagyon kesze-kuszára sikerül. A kapcsolás összesen 13db IC-t tartalmaz amik itt-ott kapcsolatban vannak egymással. A rajzon még csak a 7. IC-nél tartok, de már most nem tetszik az eredmény. Vannak szabályok arra, hogy az IC-k állítva legyenek vagy fektetve? Kapcsolódási pontok, ha messze vannak? Nem akarom körbe vonalazni az egészet. Elveszik az ember szeme a sok vonal között. Milyen alapvető szabályok vannak egy 'komolyabb' rajz esetén?
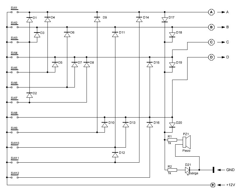
A billentyűzet rajz rossz változatát küldtem. Itt a jó...
Egy összetettebb rajz készítésekor nem biztos, hogy elsőre áttekinthetően sikerül megrajzolni. Kitartás! Többször át kell szerkeszteni, hogy áttekinthető és tetszetős is legyen. Egyik megoldás, hogy a tápfeszültsége(ke)t nam huzalozzuk be a rajzon csak jelöljük. Ugyan így a közös viszonyítási pontot is ami szinte mindig a test ill. nulla potenciál (föld). Elrendezésileg ajánlott, hogy mindig a legpozitívabb potenciál legyen a lap felső részén ill. a legnegatívabb vagy a test (nulla) legyen alul. Ezzel a jelek áramlási irányai is jóbban megérthetőek. IC-ket ennek megfelelően függölegesen célszerü ábrázolni ha funkció blokként ábrázoljuk. Az IC-k bekötési láb számokat is célszerű feltüntetni a megépített valóságnak megfelelően, ez most leginkább a kapu áramkörökre értem. Késöbbi javításkor sokat segít. Az sem baj ha több A4-es lapra van megrajzolva ha ezzel az áttekinhetőség jobb lesz, csak a lapok közötti hivatkozásokat jelölni kell. Később itt küldök egy általam modosított formát.
Modosítotam az elrendezésen és huzalozáson, lehet, hogy kapcsolási hibát vétettem átrajzoláskor. Ezt ellenőrizd! Tovább tudod rajzolni az *.spl7 filet melyet visszaküldtem. Ha nincs meg a test ill. +táp rajzjeled, innént kimentheted az alkatrész könyvtáradba. Az &kapu rajzjel egyikét kibővítettem lábszámozással, ezt is mentsd el, e formát tovább használat esetén könnyen átszámozhatod. További csinosítást biztosan még lehet a rajzon elkövetni. Törekedni kell, hogy egy-egy vezetékben minél kevesebb zikk-cakk, törés legyen.
Szia!
Köszönöm a fáradozásod! Mindenképpen merítek belőle ötletet. Arra vonatkozóan nincs szabály, hogy a feliratokat hogyan kell elhelyezni? Én gépész rajzokban vagyok jártas és ott kötött szabályok szerint kell dolgozni. Az elektronikai rajzoknak nincs szabály gyűjteménye?
Korábban már írtam az erősáramú jellegű rajzokkal kapcsolatban, ezt ismerem mindennapi alkalmazás szerint. Elektronikai rajzokat is szoktam szükség szerint készíteni ill. elektronikát tervezni de hivatalos szabályokról nem tudok. Olyan szigorú megkötések biztosan nincsenek mint a gépészetnél. Lényege szerintem, hogy áttekinthető, mások által is megérthető legyen. Feliratokat is ezen elvek szerint célszerű elhelyezni.
Találtam egy anyagot a rajzoktatásról. Küldöm. Általános anyagnak megfelel. A 4., 5. oldalakon lévő ábrák helyesen balra elforgatva értendők. Furcsálom, hogy egy neves intézmény kiad ilyen hibával anyagot. Hiányolom a "német" áramutas ábrázolást.
Néhány idevágó szabvány a sok közül:
EN/IEC 60617 - a villamossági tervekben használható elektromos szimbólumok és azok jelölése EN/IEC 61346 - az elektromos szimbólumok a tervekben való jelölése, a szimbólumok közötti hivatkozások EN/IEC 60204-1 - gépek villamos berendezései - a villamossági tervek tartalma, alkatrészjegyzék, kapcsolási rajzok, stb., huzalok azonosítása, a külföldi megrendelőnek szállított dokumentációnak a fogadó ország nyelvén kell készülnie EN/IEC 61082 - villamossági tervdokumentációk - vonaltípusok, betűtípusok, szimbólumok, rajzméretek, rajztípusok, csatlakozás és további listák. A nem szabványos szimbólumokat a tervdokumentációban elkülönítve magyarázatokkal ellátva kell listázni EN/IEC 60439-1 kapcsolószekrények, vezérlőpultok EN/IEC 62023 - a tervdokumentáció struktúrája EN/IEC 62027 - alkatrészjegyzékek EN/IEC 60757 - színjelölés EN/IEC 60446 - vezetők (huzalok, sínek, stb.) jelölése EN/IEC 60445 - sorkapcsok jelölése EN/IEC 60947-1 és -4 - az alkatrészek csatlakozópontjainak egyértelmű megjelölése EN/IEC 61666 - csatlakozópontok a rendszeren belüli azonosítása EN/IEC 61355 - a dokumentációk referencia jelölései és kódjai EN/IEC 61175 - jelek (signals) és csatlakozások referencia és kód jelölései EN/IEC 61082-3 és -4 - földelés és nullázás rajzolása és jelölése EN/IEC 62079 - gyártási utasítások EN/IEC 61310 - gépek biztonsági előírásai - jelzések, jelölések, vezérlések EN/IEC 61666 - ipari rendszerek, installációk EN/IEC 60529 - IP kódok
Sziasztok!
Szerintetek fejleszik még ezt a tervező programot? Elég nagy a csend körülötte. ![]() Gyakorlatilag 3 éve csak 1-1 kis update jön hozzá.
Hát igen, nálam is felmerült ez a kérdés miért ez a nagy csend a cégnél. Nekem továbbra is ez A RAJZOLÓPROGRAM. Most is voltam szakkiállításon, ajánljgatják a CAD programokat, nagyon jók, elismerem de túl sokat tudnak, sokat kellene gyakorolni, tanulni, hogy azokat jól kihasználhassa az ember. Nagy munkákhoz persze azok a jók. Jeleztem Nekik ezt a programot, nem is ismerik pedig ezzel is nagyon sok minden megoldható szinte fillérekért.
Sajnos olyan szinten nem tudok németül, hogy megírjam a fejlesztőknek a számomra egyik nagy hiányosságát, hogy a háttéren(rajzkeret) kívül praktikus lenne több rajz réteg is. Valaki megírná nekik?
Németül én sem tudok, de ők tudnak angolul. Én is gondolkodtam rajta, hogy írok nekik. Jövő héten lehet meg is teszem.
Sziasztok, nincs meg valakinek a sPlan 7.0-ás rajzoló programja,ami nem demó?. Le szedtem a nettröl egy jó párat, de mind demó sajnos, és nem engedi hogy el mentsem a már meg rajzolt rajzokat, de még azt se hogy ki nyomtassam!. Ha valakinek meg van az tegye mar fel nekem, nagyon fontos volna!. Előre is köszönöm!
Ejnye! A fórumon nem warezolunk! A program nem olyan drága, érdemes megvenni.
Sziasztok,van egy kis problémám ezzel a programmal!. Előszór is le töltöttem **Törölt link** a programot, telepítettem, és mindent úgy csináltam ahogy san398 forumtarsunk javasolta, amúgy ő tette fel az oldalra a programot, ezzel nincs is gond, hanem azzal, mikor le mentem az első munkámat, azt le is menti, de mikor a második munkát akarom le menteni, nem engedi!, be jön egy ablak valami hiba jelentéssel, nem értem mi az, mert németül írja, és teljesen meg fagy a program!. Mit tudjak vele csinálni?, tegnap bele rajzoltam egy jó kis erősítő rajzot ere fel nem tudtam le menteni, és dolgoztam rajta legalább egy másfél órát, nagyon idegesítő volt!
Aki tud ere magyarázatot, azt kérem segítsen. Köszönöm. A hozzászólás módosítva: Okt 28, 2012
Elnézést, érte, de azt se tudom hol lehet meg venni, könnyebbnek gondoltam le tölteni.
Idézet: Az üzenet szövegének ismerete nélkül nehéz segíteni. „jön egy ablak valami hiba jelentéssel, nem értem mi az, mert németül írja, és teljesen meg fagy a program!” A hozzászólás módosítva: Okt 28, 2012
Itt van a hiba jelentés, remélem segít?.
sooscsaba-ment egy mail.
A hozzászólás módosítva: Okt 28, 2012
Oké.
Nem sikerült meg fejtened, miért csinálja ezt a figurát a program?.
Már mások is írták az Abacom szoftver termékekre (SPlan, Srint Layout), hogy olyan kis pénzért kaphatóak, hogy meg kell venni őket és biztosan müködnek. Legalábbis nálam biztosan. A Klavio Kft-nél keresd.
A közölt monitor kép nagyon rossz felbontású, nem igazán olvasható az üzenet, egyébként ilyen stílusú üzenet akkor jelent meg nekem ha pl. nem tökéletesen van telepítve vagy ha az alkatrész könyvtár nem ott van ahol legutóbb volt. Tehát nem talál valamit a regisztrált helyen.
Szevasz, így hátha jobban latszik, mit jelentene ez az üzenet pontosan?.ITT Amugy mit lehet tenni ez ellen ha az alkatrész könyvtár nem ott van ahol legutóbb volt?
A hozzászólás módosítva: Okt 28, 2012
Nagyon meg szeretem ezt a programot, nem válnék meg tőle, és ezert nagyon fontos volna hogy működjön rendesen. Most megint fel tettem újra a programot a 7.0-ást, de ugyan az a hibajelentés jön elő!, persze minden egyes fájlt ki töröltem minden mappából, ami csatlakozott a splan-hoz, mielőtt fel installáltam volna az újat.
Hát ez nagyon jó, most nincs lóvém ilyesmire. Nem lehet meg oldani másképp egy régebbi verzióval?. Már fel tetem a 6.0-ást is de azzal is ezt produkálja sajnos!
|
Bejelentkezés
Hirdetés |














Aki tud ere magyarázatot, azt kérem segítsen. Köszönöm.

