Fórum témák

» Több friss téma
Fórum » Erősítő mindig és mindig
Mielőtt kérdezel, a következő két dolgot ellenőrizd! I. A helyes tápfeszültségek megléte. II. A kimeneten van-e egyenfeszültség. Élesztés.
Lapozás: OK   762 / 2568
(#) peter1995 válasza peter1995 hozzászólására (») Márc 11, 2011 /
 
Ahh.Az csak a test és a- között van.Akkor a D6 nem.Nézegettem a rjzot a végtranyó és a meghajója lehet még ludas de az ok jó értékekete mitatnak.
(#) Jaksi válasza reloop hozzászólására (») Márc 11, 2011 /
 
A C9-nél a leírás 33pF-et ír és 160V-ot. Elég oda a 33pF 50V, mert nekem olyan van ott?
http://www.hobbielektronika.hu/forum/files/5c/5cc8484362686ff4b8ac1...62.pdf
(#) reloop válasza peter1995 hozzászólására (») Márc 11, 2011 /
 
Helló! A D6 a B2 biztosíték kiolvadása esetén kap szerepet. A diódavizsgálód a táp kondenzátorok jelenléte miatt sípol.
A kimenet és a tápok között nincs ohm-os ellenállás a kapcsolásban, ha nem mérsz semmit a mínusz ágban az még nem hiba. Az 59 ohm a + ágban elég különös, vedd ki a T10-et és mérd meg újra, Ha megmarad az 59 ohm akkor T8 lesz a hunyó.
(#) reloop válasza Jaksi hozzászólására (») Márc 11, 2011 /
 
Igen elég.
(#) peter1995 válasza reloop hozzászólására (») Márc 11, 2011 /
 
Egy pillanat és megmérem.
(#) peter1995 válasza reloop hozzászólására (») Márc 11, 2011 /
 
Ezlesz az.Lekötöttem a T10et egy darabig ugrált az adat aztán átment végtelenbe.szerinted holnap vegyek két új végtranyót?Hátha megoldódik azzal?Csak párba cserélem őket.
(#) reloop válasza peter1995 hozzászólására (») Márc 11, 2011 /
 
Bár ilyen egyszerű volna. Első lépésben próbáld ki a diódavizsgálódat, kimutatja-e a 2N3055 hibáját.
(#) peter1995 válasza reloop hozzászólására (») Márc 11, 2011 /
 
Az a helyzet hogy mértem én azt de nem zárlatos(nincs 0 ohm) de minden kivezetés között van valamennyi kapcsolat vagyis mégis csak zárlatos.
A poti 0ra volt tekervve amít előbb kérdeztél attól gerjedt valószínű.
(#) reloop válasza peter1995 hozzászólására (») Márc 11, 2011 /
 
Mi a helyzet, ha a diódavizsgáló tapogató csúcsait felcseréled és úgy mérsz bázis-emittert meg bázis kollektort?
A potit már most csavard át a másik végállásba, ez a jelerősítést állítja be. Ha minden kész és, a jelforrásoddal nem tudod elérni a maximális hangerőt, akkor kell csak hozzányúlni.
Végtranzisztornak mit választasz?
A T4, T8, T9 helyén milyen tranzisztorok vannak?
(#) peter1995 válasza reloop hozzászólására (») Márc 11, 2011 /
 
Minden létező irányba vezet.Nem 0 ohm-ba de vezet.Ha megcselélem akkor is ugyan azt az adatot adja mint ha nincs megcserélve.
T8,9 a rajzon szereplő de nem gyári de típus megfelelő a T4 gyári.
(#) gesa válasza Jaksi hozzászólására (») Márc 11, 2011 /
 
Pedig én írtam itt a fórumban hogy fordítva van az Ac és Clip csati.
(#) reloop válasza peter1995 hozzászólására (») Márc 11, 2011 /
 
Mégis írd meg a tranzisztor típusokat, mert így nem értem.
(#) Jaksi válasza reloop hozzászólására (») Márc 11, 2011 /
 
Nem igazán találtam így ránézésre hibát a panelen. Ha a szakadásmérőt rárakom a táp bemeneténk + - végeire akkor ott szakadást kell mutatnia?
(#) peter1995 válasza reloop hozzászólására (») Márc 11, 2011 /
 
Mindet?
T1:BC557
T2:BC557
T3:BC547
T4:BD139
T5:BC547
T6:BC547
T7:BC557
T8:BD139
T9:BD136
T10,11:2N3055.
(#) reloop válasza Jaksi hozzászólására (») Márc 11, 2011 /
 
Ha a szakadásmérőd diódát is vizsgál, akkor a D7, D8 diódákat érzékelnie kell, remélhetőleg jól vannak beültetve
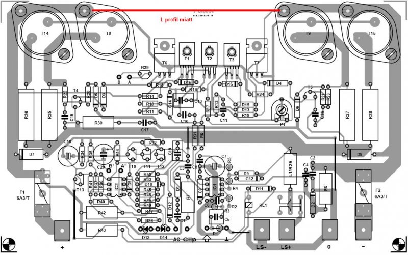
(#) Jaksi válasza reloop hozzászólására (») Márc 11, 2011 /
 
De nekem az L profil miatt a pirossal jelölt részen is össze van kötve, mert fém csavarokkal van ugye lefogatva a T8,9 és T14,15.

L.JPG
    
(#) steelbird válasza Jaksi hozzászólására (») Márc 11, 2011 /
 
Uhh!
Nem hallottál még olyanról, hogy a tranzisztorok alá szigetelés kell (pl. csillám), a csavarokat meg szintén el kell szigetelni a bordától a végtranzisztoroknál ??
(#) Jaksi válasza steelbird hozzászólására (») Márc 11, 2011 /
 
Kövezzetek meg. Ez a hiba akkor. Ha a táp elött volt 39R ellenállás tönkremehettek a tranzisztorok a probánál?
(#) gesa válasza Jaksi hozzászólására (») Márc 11, 2011 /
 
Nem mondod hogy nincs szigetelés a tranyók alatt?
Mérd ki a tranzisztorokat ha szerencséd van akkor megúszták de ennek kicsi a valószínűsége. Ha már méregetsz akkor az összes félvezetőt mérd ki.A meghajtó tranzisztorokat a védelem tranzisztorait is. A végtranyók alá tegyél csillám szigetelőlapot és a csavarokat is szigeteld el a bordától.
(#) saraha válasza Jaksi hozzászólására (») Márc 11, 2011 /
 
Szia.Édes istenem nem szúrta ki a szemedet,hogy rövidzárat csinálsz így?Kicsit jobban figyelj oda mert így lehet,hogy sokba fog kerülni neked ez az erősítő.
Itt nyugodtan megkérdezhetsz bármit nem szégyen az,ha nem tudod majd meg tanulod csak lehetőleg ne a saját károdon.
Ha eljutsz a tápegység kivitelezéséhez ajánlom járd körbe jól a dolgot,ne érjen meglepetés és kérdezz bátran! Valószínűleg jók még a végtranzisztorok...
(#) fleta válasza Jaksi hozzászólására (») Márc 11, 2011 /
 
Mérd ki a tranzisztorokat. Az ellenállások valószínű hogy megvédték.
(#) peter1995 válasza reloop hozzászólására (») Márc 11, 2011 /
 
Húhh.Most nézem rossz T3at adtak nekem.A BC547 az NPN oda meg PNP kell.Akkor holnap veszek egy BC 557-et és egy 2N3055-t.
(#) reloop válasza peter1995 hozzászólására (») Márc 11, 2011 /
 
A T9:BD136 nem fogja bírni, legyen feltétlen BD 140.
A BCxxx tranzisztorok jók, a T2, T3 gondolom a csere miatt nem egyforma, javaslom cseréld egyformára, és legyen inkább ez a két tranzisztor 60V feszültségtűrésű.
T10,11 esetén ha maradsz a TO-3 toknál akkor érdeklődj, mit lehet jelenleg jó ár/érték arányban beszerezni. A 2N3055-öst sajnos nem tudod +/- 36V-on járatni. A BD 249C-t ajánlanék, az viszont SOT-93 tokozású.
(#) peter1995 válasza reloop hozzászólására (») Márc 11, 2011 /
 
BC 249 van egy itthon.Szerezzek neki egy párt?Hűtő feület van rettenet sok úgyhogy nem baj a tokozás.
Akkor holnap:BD140
MEg egy társ a BD249nek
(#) Jaksi válasza saraha hozzászólására (») Márc 11, 2011 /
 
Már így is sokba van! A tápegység kész fleta segítségével.
(#) gesa hozzászólása Márc 11, 2011 /
 
Csatlakozom saraha hozzászólásához. A fórum azért van hogy segítsünk. Egyébként lassan elkészülök a Pa300-as leírásának fordításával akkor azt felteszem ide a hasonló balesetek elkerülése végett. Azért magyarul kicsit érthetőbb.
(#) Directors válasza Jaksi hozzászólására (») Márc 11, 2011 /
 
Indításánál használj áramkorlátot. Most megúszhattad volna ezt szerintem.
+- tápágba egy-egy izzót 230V-os 80W-os.
(#) Jaksi válasza Directors hozzászólására (») Márc 11, 2011 /
 
Volt elötte 39R ellenállás.
(#) reloop válasza Jaksi hozzászólására (») Márc 11, 2011 /
 
Két jó R39 aranyat ér, bár a biztosíték kivédte volna ezt a hibát. Azért amikor elvillan két bizti ennyi munka után, az fájt volna. Jöhet a szigetelés, a clippre - 60V nem tűnik tragikusnak.
(#) gesa hozzászólása Márc 11, 2011 /
 
Ez egyébként egy elsőre működőképes kapcsolás ha mindent jól csinálsz.
Következő: »»   762 / 2568
Bejelentkezés

Belépés

Hirdetés
XDT.hu
Az oldalon sütiket használunk a helyes működéshez. Bővebb információt az adatvédelmi szabályzatban olvashatsz. Megértettem