Fórum témák
» Több friss téma |
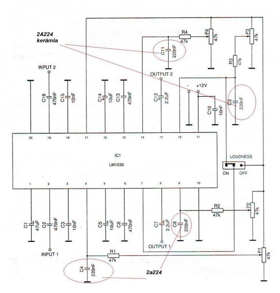
Fórum » LM1036 sztereo hangszínszabályzó áramkör
Témaindító: Krajcsooo, idő: Máj 29, 2006
Témakörök:
Probapanelon működik
Örülök neki, hogy jó
. Nálam is müködik, úgyhogy beválltak az elgondolásaim. Bár én egy szimpla 47k-os trimmer potival probáltam, a hangszínszabályzó potiát "szimulálva". De elméletben a hangszínszabályzóban is müködnie kell. Te a hangszínszabályzóban probáltad ki, vagy te is egy szimpla potival?? Ha gondolod, van egy majdnem ehez illő nyákom, ami picike kis módosítással tökéletes lenne. Ha érdekel akkor átalakítom ehhez az áramkörhöz.
Hello!!
Készítettem nyákot, ha érdekel megosztom veled.
Üdvözöllek Téged és Bikaut is egyben!
Lacek29 ami nyákot belinkeltél azt ismerjük, és ez alapján már el is készült a hangszínszabályzó. Én és Bikau ehez a nyához "kifejlesztettünk" egy olyan áramkört, ami a hangszínszabályzó poti állását megjelenítti. Tehát a ledek a poti "kitekeréssének" függvényében lineálisan világítanak. Tehát teljes állásnál mind a 10 led világít, félállásnál 5db led világít és így tovább értelemszerűen. Az elméleti gondolatokat Bikau adta, és én készítettem hozzá kapcsolási rajzot, és most már nyák is van hozzá. Megosztom veletek a nyáktervet, aki gondolja megépítheti. Müködőképes. Szép kis látványelemet tud nyujtani a hangszínszabályzónak...
Tudom hogy működik,csak a kapcsolást,és a NYÁK-rajzot,1 fórumtársnak raktam fel ide.
Akkor most már harmadszor is felkerült ugyanaz a kapcsolás ebbe a topikba. Bővebben: Link
Sikerült megcsinálni hogy szóljon ,de ha leállítom a zenét nagyon búg.És ez zavaró .Mit tudnék vele kezdeni hogy ne búgjon?
Miről táplálod? Mert igényli a stabIC-t, csak azzal megy rendesen.
Uh akkor az lehet a baj mert simán rákötöttem egy 12Voltos tápot egy 4700 mikros kondival
ajánlanál hozzá egy megfelelőt? mert annyi féle van, szerinted melyik lenne jó?
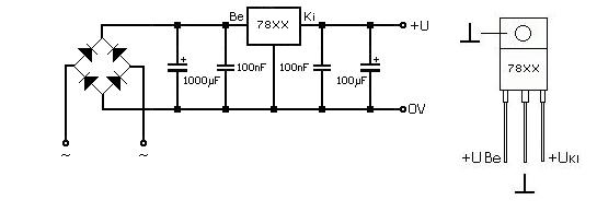
7812.
Bővebben: Link Itt van adatlap is, amiről a bekötését lelesheted. Kell még rá 2 db 100nF minél közelebb a stabIC lábaihoz: egy a bemenetére, és egy a kimenetére. Ha csak ezt az áramkört hajtod róla, akkor nem kell hűteni. Viszont a 12V bemenő feszültség kevés neki, legalább 14-15V -ot kell neki adni!
Olvasol is vagy csak írogatsz?
Idézet: „Kell még rá 2 db 100nF minél közelebb a stabIC lábaihoz”
Gondolod, hogy a sztereo-hoz kettő kell?
Egy db 7812 kell.
neeem
csak eladó rámtukmált kettőt hogy annyikell mer mer annyikell azt gondoltam megkérdem . de azt a 100 nanosat azt most hogy rakjam be? az in-gnd lábakat kössem vele össze meg a gnd-out lábat?
Sziasztok !
Ennek az lm1036-os hangszínszabályzó áramkörnek a volume potmétere az mono ugye? Az lenne a kérdésem hogy hogyan lehet a 2 csatornát külön hangerőszabályozni?
Na emberek aki nem boldogul a 7812-vel!
én a 220 mikrós helyére egy 4700 mikrósat tettem és nagyon babán működik
Akkor gyorsan rakd át a stabIC elé, mert kivégzi a stabIC-det! Ha elkót kötsz egy stabIC után, akkor kell egy dióda is!, ami visszacsatol a bemenetére!!
De gondolom neked csak ez a 4700 µF van puffernek téve, ezért ez a stabIC elé kerül!!
Szép rajz, csak a puffer-kondi a stabIC elé kell!
A stab. IC után is szoktunk tenni egy kisebb értékű elkot. A diódára nincs szükség, mert gyárilag is van beépítve a tokban egy ilyen. A stabilizátor előtt pedig gondoltam van puffer kondi az egyenirányító után. Különben az elektrolit nélkül is megfelelően működik. Az alábbi kinézetre gondolok:
Így van, ez a helyes megoldás, ezt építse meg Grindi. Bár, azért a pufferelés lehet nagyobb is. Ez csak trafó függvénye. He elegendően nagy a trafó teljesítménye, akkor elegendő lesz 1000uF. Továbbá egy picike kis hűtőborda még jó ha van az IC-n hosszútávú használat mellett.
Szoktál te, az lehet, én nem mert tudom, hogy nem jó:
- nem jó, mert előtte már van egy nagyobb elkó, így felesleges - nem jó, mert rontja a stabilizátor jóságát, lassítja a reakció idejét - nem jó, mert visszatáplálhatja a stabIC-t, amibe az belehal Ha nagyon sima feszültséget szeretnénk, akkor is maximum 1-2 µF-ot teszünk csak mögé, mert ott még a negatív hatások nem érvényesülnek (a kolléga 4700 µF-ot tett oda, ha emlékszel) Végül kíváncsi lennék, hol láttál beépített védő diódát, mert nem lehetetlen, hogy van olyan is, de általában nincs benne , sajnos (lásd adatlap) 78xx
Érdekes nekem még sosem végzett ki egy darab IC-t sem. A diódát én sem látom a rajzon, de sikerült már egy-két IC-t fordított helyzetben bekötni és feszültség alá helyezni és túlélték. Komoly szakemberek mondták, hogy ezekben van beépítve dióda, lehet ők tévedtek. :nemtudom:
Különben sok kapcsolásban láttam stabilizátor után elektrolit kondikat 1µF-tól 220µF-ig amik működtek. |
Bejelentkezés
Hirdetés |




. Nálam is müködik, úgyhogy beválltak az elgondolásaim. Bár én egy szimpla 47k-os trimmer potival probáltam, a hangszínszabályzó potiát "szimulálva". De elméletben a hangszínszabályzóban is müködnie kell. Te a hangszínszabályzóban probáltad ki, vagy te is egy szimpla potival?? Ha gondolod, van egy majdnem ehez illő nyákom, ami picike kis módosítással tökéletes lenne. Ha érdekel akkor átalakítom ehhez az áramkörhöz. 

csak eladó rámtukmált kettőt hogy annyikell mer mer annyikell azt gondoltam megkérdem . de azt a 100 nanosat azt most hogy rakjam be? az in-gnd lábakat kössem vele össze meg a gnd-out lábat? 




