Fórum témák
» Több friss téma |
- Ez a felület kizárólag, az elektronikában kezdők kérdéseinek van fenntartva és nem elfelejtve, hogy hobbielektronika a fórumunk!
- Ami tehát azt jelenti, hogy a nagymama bevásárlását nem itt beszéljük meg, ill. ez nem üzenőfal! - Kerülendő az olyan kérdés, amit egy másik meglévő (több mint 17000 van), témában kellene kitárgyalni! - És végül büntetés terhe mellett kerülendő az MSN és egyéb szleng, a magyar helyesírás mellőzése, beleértve a mondateleji nagybetűket is!
Hello!
Azért,mert kapcsolgatásnál a relé tekercse ellenkező polaritású feszültséget indukál, ami az érzékeny alkatrészeket (pl. ic) tönkre teheti, és a dióda ezt zárja rövidre.
Hello!
Azért,mert kapcsolgatásnál a relé tekercse ellenkező polaritású feszültséget indukál, ami az érzékeny alkatrészeket (pl. ic) tönkre teheti, és a dióda ezt zárja rövidre.
Hali!
Szilva féle PICkit2-t ti mibe dobozoljátok? A hestore dobozok közül van olyan, amit érdemes erre használni? (Így látatlanba nem akarok rendelni, csak olyat, amit valaki már kipróbált.)
Szevasztok!
Kérdés: milyen szivacsot tegyek a pákatartóba(ón lehúzó)?Eddig nem használtam, de most találtam egyet(vadi új, csak nincs szivacs). Gondolom a szokásos PVC szivacs leeszi a Wellerem hegyét. Üdv: Kálmán
Hát SZIVACSOT tegyél bele! És véletlenül se műanyaghabot, vagy művackot, mert az ráolvad. A hagyományos tengeri szivacs teljesen jó.
(jav.: öngyújtóval pörköld meg a csücskét, és ha összeolvad, akkor a lehet, hogy nem igazi szivacs)
Sziasztok!
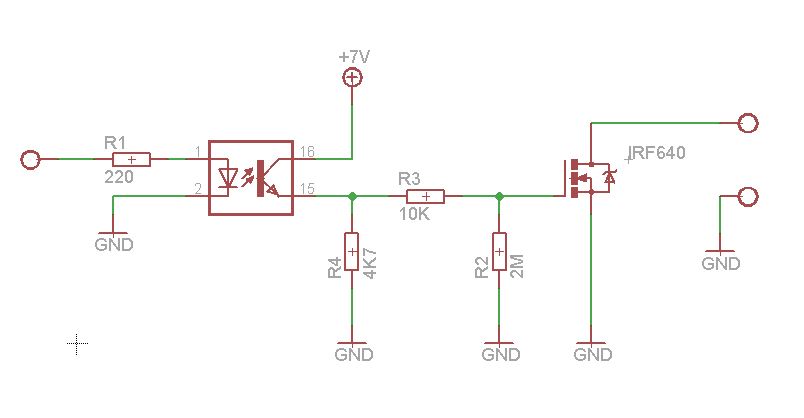
Fet-et szeretnék vezérelni mikrovezérlővel, leválasztva, de nem akarom hogy az optocsatoló invertálja a vezérlést. Így működig ? ( melléklet ) Köszi
Igen, ez így működhet, de az a R2 teljesen fölösleges, R3-at pedig kisebbre is vehetnéd.
Kb annyira, hogy (7V-Uce.sat)/Iemitter max.
Értem.
Az R2 úgy tudom azért kell, hogy a G-S kapacitás azon kisüljön, mert így gyorsabb. Vagy ez nem számít ?
Igen, biztosan gyorsabban fog kisülni (mondjuk elhanyagolhatóan gyorsabban), de annyival lassabban fog feltöltődni a gate kapacitás, annyival lassabban fog nyitni.
Ezért is kéne R3-at kisebbre méretezni.
Sziasztok!
Elolvastam Electro cikkét a "12 kapcsoló 4 vezetéken"-ről. Nem lehetne ezt valahogy AVR nélkül megcsinálni? Nekem csak annyi kell, hogy minden gombhoz legyen mondjuk egy tranzisztor, és, ha benyomom az egyik gombot, akkor a hozzá tartozó tranzisztor nyitna. Megvalósítható lenne? Üdv!
Szia!
Sajnos nem igazán. Talán meg lehetne oldani valamilyen digitális shiftelő IC-re építve az alapokat, de a körítése nem lenne egyszerű. Sokkal könnyebb, ha nem 4 vezetéken csinálod, hanem minden kapcsolótól direktben elvezetsz egy vezetéket. Bár gondolom, távolra vinnéd a jelet, különben eleve így csinálnád.
Sziasztok
Megépítettem ezt a hőkapcsoló áramkört. Működik is, állítható rajta a hőmérséklet, csak annyi a hibája, hogy a kimenetén amikor a led kigyullad csak 2,5V-ot mértem, ahogy ezután a hőmérséklet emelkedik kb 2,8V-nál elkezd a relé zizegni és 3V-nál húz meg, de még 3,8V-ig tovább zizeg rezeg. Ennek nem egyből a -12V-ot kellene kiadnia a kimenetre? Hol keressem a hibát, Az ic lenne rossz? A beforrasztásnál vigyáztam biztos nem melegedett túl. Mellékelem az elkészített nyákot.
Szia!
Igen távolra kell a jel. Reméltem, hogy valahogy meg lehet csinálni, de, ha nem hát nem. Köszönöm a választ! Balázs
Szia!
Nem tudom, hogy máshol lehet-e jobbat találni, de ha nem, akkor én kozmetikai cikkek közt keresnék sminkeléshez használt szivacskorongot. Az van eredeti szivacsból is. Vagy talán csak olyan van.
Szia!
Talán szűretlen a tápfeszültséged és azért zizeg. Miért nem használsz pufferkondit a Graetz után?
12 V-os a relé és csak 3-4 V jut rá,ezért zizeg éppen hogy meghúz. Az a kérdés miért csak annyi az ic kimenetén a feszültség.
Helló Oleg!
Köszi az ötleteket, én is tengeri szivacsra gondoltam, de hogy ilyen helyen keressem, az nem. Üdv: Kálmán Szucsip; Köszi az ötletet neked is. :lookaround:
Kérdeztem valamit az imént... Pufferkondi kellene a stabkocka elé, a diódák után.
És mi lenne, ha te is ott vennéd, ahol mindenki? Tudod: cipőt a cipőboltból . . .
Bővebben: Link
(Most inkább globálisan köszönök.)
Sziasztok! Az eredeti kapcsolásod és a 74132-es változat is elvben működik, de mint ahogy mások is írták, szaggatott hangot adnának. A kapuk párhuzamos kötésének tiltásával azért szembeszállnék. Bizonyos körülmények közt alkalmaznak párhuzamosan kötött kapukat kimeneti ellenállások nélkül is. Csak annyi kell, hogy biztosan ne nyissanak szembe. Ha jól sejtem, az eredeti rajzon is működne, de nem tudom, hogy konkrétan 7414-es késleltetésbeli különbségei megengedik-e. Az ellenállások értékeit azért átgondolnám, mert egyrészt nem ajánlott fölöslegesen leterhelni a kimeneteket, másrészt a hangot megszaggató oszcillátornak a másiknál jóval lassabban kell működnie. Plusz még egy észrevétel: Az eredeti rajzon a kimeneti kondenzátor pozitív lábának az IC-k felé kell néznie. Ja, és még egy: A hangszóró elég nagy terhelés egy digitális IC-nek. Nem számoltam utána, de szerintem mindkét kapcsolás megölheti őket. Ajánlatos lenne egy tranzisztort akasztani rá.
Megpróbálom a pufferkondit, de nekem a kimeneti feszültséggel vannak fenntartásaim. Egy 12 V-os relé nem húzhat meg 3-4 V-tól rendesen. Egy 40u kondi elég lenne?
Azért egy párhuzamos-soros, majd egy soros-párhuzamos átalakítás segíthet.
Kell egy táp, egy föld, egy adat, egy órajel, és egy reset vezeték. A szükséges IC-knek mindjárt utánanézek. Mondjuk lehet, hogy legalább az órajelet védeni kéne a külső zavarok ellen.
De ha nincs pufferelés, akkor nem fog a feszültséged sem normális értéket felvenni. Azért egy 220-470 µF-os elkóval megkínálnám a Graetz kimenetét. Persze feszültségtűrésben illeszkedjen a trafóhoz.
OFF:
Na ezért írtam, hogy ha máshol nem lehet jobbat találni. De mivel nekem csak egyszer kellett, és akkor kozmetikai boltban találtam... Én a cipőt is a fűszeresnél veszem.
Hello!
Akkor nem menne tönkre az IC meghajtó tranyója, ha PNP lenne, és emittere a plusz tápra kapcsolódna. (De szerintem az IC-ben nem ilyen van.) Minden esetre, a kapcsoló tranyó zárásáról is kellene gondoskodni, legalább egy bázis-emitter ellenállással. De két végranyót (PNP-NPN) is lehetne vezérelni egyszerre, ha a meghajtó kollektora és emittere ki van vezetve. De a 2V tápfesz elég kicsi. üdv! proli007
Köszönöm, rátettem egy 100u -st így tökéletesen működik.
Szasztok.
Szánom bánom bűnöm de újra meg kell kérdezzem a 4017 ic 12-és 13-as lábával mit kell csináljak ha semmi extrát nem akarok csak azt hogy egy 555el vagy egy picel léptetni a 10 "kimenetét" a 4017-esnek. Ezt már megkérdeztem, és kaptam rá egy nagyon jó választ elmagyarázva leirva hoyg mi mit csinál, de sehol nem találom Esetleg ha valaki lenne olyan kedves. . . :zavart1: Köszi |
Bejelentkezés
Hirdetés |






