Fórum témák

» Több friss téma
Fórum » Elektronikában kezdők kérdései
- Ez a felület kizárólag, az elektronikában kezdők kérdéseinek van fenntartva és nem elfelejtve, hogy hobbielektronika a fórumunk!
- Ami tehát azt jelenti, hogy a nagymama bevásárlását nem itt beszéljük meg, ill. ez nem üzenőfal!
- Kerülendő az olyan kérdés, amit egy másik meglévő (több mint 17000 van), témában kellene kitárgyalni!
- És végül büntetés terhe mellett kerülendő az MSN és egyéb szleng, a magyar helyesírás mellőzése, beleértve a mondateleji nagybetűket is!
Lapozás: OK   1265 / 4052
(#) bankimajki válasza Vacok hozzászólására (») Ápr 1, 2011 /
 
Természetesen mindkettő az. De nem szoktak 2 szűrőt alkalmazni. (Ebben 2 van.)
(#) szucsip válasza kupi hozzászólására (») Ápr 1, 2011 /
 
Igen, bármekkora lehet a két érték között. Amit épp. találsz otthon.
(#) Doncso válasza szucsip hozzászólására (») Ápr 1, 2011 /
 
Így van,a vendéglőbe azt kapsz amit kérsz, és a pincér is tudja, de ez a kezdő topic, itt az egyszerűbb, jobb megoldás felé kellene terelni a fiatalokat, nem a sülthal felé.
(#) Vacok válasza bankimajki hozzászólására (») Ápr 1, 2011 /
 
Értem. Köszi a segítséget!
(#) szucsip válasza Doncso hozzászólására (») Ápr 1, 2011 /
 
Oké, értem a vétó jogát. Viszont mindezek tudatában válaszolok a kérdezőnek: Nem, nem tudunk olyan tranzisztort javasolni, ami nem fűt, viszont nagyon sok kisméretű tranzisztor jó lehet számodra, például a BC182, BC546, BC547, BC639, MPSA14 stb.
(#) jdani válasza Doncso hozzászólására (») Ápr 1, 2011 /
 
Az az áram max 300mA volt, és a BC337 tranyó tüzes volt tőle.
(#) Doncso válasza jdani hozzászólására (») Ápr 1, 2011 /
 
Tettél neki előtét ellenállást? Esetleg stabbal lehetne előcsökkenteni a feszt, így nem fűtene akkorát a kis tranyó, van pár megoldása ennek a dolognak. 12v ról járatod, 300mA-en a stabon kb 3w disszipálódna, egy megfelelő értékű 5w-os ellenállás is jó lehetne, vagy ha zavar a "fűtés" akkor igaza van szucsip-nek, kapcsoló üzem kell.
(#) johndoe83 válasza bbalazs_ hozzászólására (») Ápr 1, 2011 /
 
Szia!

Ha tudsz nekem jobb ötletet adni, akkor légyszi tedd meg! Ezt most komolyan mondom. Én azért válaszottam ezt mert szinte mindenki ezt csinálja. Hallottam olyat is, ahol fényvisszaverőt kell a fejre tenni, és egy valamilyen erős infra fénnyel megvilágítani a cuccot a kamera irányából. Csak az se valami egyszerű dolog szerintem. Honnan szerezzek olyan baromi erős szélesen világító infra fényt? És milyen a jó visszaverő anyag amit szépen meglehet hajlítani? Ezeke hiányoznak ebből az ötletből. Ha tudsz valami jobbat kérlek, mondd el! A magyarázatot köszönöm! Így már tiszta!

üdv:john
(#) vadsuhanc hozzászólása Ápr 1, 2011 /
 
Sziasztok!

Bevallom sose vágtam a tekercsek méretezését meg hoy mi meg hogy, és hogy milyen szép az élet most megkapom. Segitsetek!!!
Van egy alaplapom abban az egyik vasmagos tekercs/trafó leégett/átégett.
A kapcs rajzon az egyetlen értelmes infó: 1:2:2
Mellékeltem egy darabot a kapcs rajzból, az L59-esről lenne szó!

A másik: AO4900 IC. Ez elvileg két fet meg két schotky dióda egy tokban. Valami jó ötlet kéne hogy hogy lehetne kiváltani diszkrét alkatrészekből, mert megrendelni... ráadásul ilyen kis mennyiséget...

KÖSZI!

L59.JPG
    
(#) Doncso válasza vadsuhanc hozzászólására (») Ápr 1, 2011 /
 
Rosszul értelmezed, nem 1:2:2 hanem 1:2,2 azaz 1 aránylik a 2,2-höz, például 5 menet és 11 menet vagy 10 és 22 menet.
(#) vadsuhanc válasza Doncso hozzászólására (») Ápr 1, 2011 /
 
uh. hát igy rázoomolva igazad van.
Na de ezzel valahogy nem érzem hogy előrébb lennék. Ezzel nem adnak a lomexban tekercset sztem szal ennél valami épitöbb jellegű esetleg? )
(#) bbalazs_ válasza johndoe83 hozzászólására (») Ápr 1, 2011 /
 
Vannak olyan, fejre helyezheto szemuvegek, amikben van fejpozicio erzekelo. A legtobben ezt vagy nem hasznaljak vagy kiszerelik, szerintem potom penzert hozzajuthatsz. Az RCforum.hu oldalon a FPV repules topicba nezz be vagy ott kerdezz.
(#) Pepito23 hozzászólása Ápr 1, 2011 /
 
Sziasztok!

Valaki leírná nekem a PIC16F690 Mikrokontroller műszaki paramétereit (magyarul)?
Előre is köszönöm szépen.

Üdv.:
Peti
(#) bbalazs_ válasza Pepito23 hozzászólására (») Ápr 1, 2011 /
 
Szerintem tul nagy falat lenne. Mire vagy kivancsi?
Vannak netes forditok, a mA meg a us meg szerintem ismert szamodra is es kulfoldiul is ugyanugy mondjak.
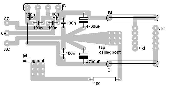
(#) Vacok hozzászólása Ápr 1, 2011 /
 
Sziasztok!
Készítettem egy erősítő tápjához nyákrajzot, arra lennék kíváncsi, hogy ez így megfelelő-e? Ránézésre nincsen-e benne valami hiba, ami esetleg zúgást eredményezne?
(#) bbalazs_ válasza johndoe83 hozzászólására (») Ápr 1, 2011 /
 
Itt van eppen egy

Bővebben: Link
(#) Black King hozzászólása Ápr 1, 2011 /
 
Sziasztok azt szeretném kérdezni hogyha egy megadott értéknél több Wattos ellenállást veszek az nem baj ugye?
(#) szucsip válasza Black King hozzászólására (») Ápr 1, 2011 /
 
Üdv!

Nem, az nem baj.
(#) gg630504 válasza Vacok hozzászólására (») Ápr 1, 2011 /
 
AC megy a földre?
Elko-kat rövidebben, a hozzávaló 100 nF-dal úgy, mint egy létra fokait.
. ---+---+---
. = =
. ---+---+---
(#) zuzmow hozzászólása Ápr 1, 2011 /
 
Adjon Isten Nagyurak!

Tudja valaki hogy milyen paraméterekkel bír egy EMG TR 4655 2A szkóp? gugli most annyira nem volt a barátom,csak képeket találtam róla meg a kapcsolását eletrotanyán,az adatlapját sehol.Aki tud róla adatlapot,kérem küldje el!
ELőre is köszönöm!
(#) jdani válasza Doncso hozzászólására (») Ápr 1, 2011 /
 
És mi kell a kapcsolóüzemű táphoz? Esetleg valami rajz?
(#) kadarist válasza zuzmow hozzászólására (») Ápr 1, 2011 /
 
Szia!
Mire vagy kíváncsi? Két időalapos, kétsugaras, 50 MHz-es sávszélességű.
(#) Doncso válasza jdani hozzászólására (») Ápr 1, 2011 /
 
(#) kadarist válasza kadarist hozzászólására (») Ápr 1, 2011 /
 
Olvasmány.
(#) johndoe83 válasza bbalazs_ hozzászólására (») Ápr 1, 2011 /
 
Értem mire gondolsz. De ez a program csak így érzékel. És ezt a programot támogatja majdnem minden. Szóval vagy LED-ezek vagy fordítottan ledezek fényvisszaverővel.
Nagyjából már tudom mit csinálok, csak azért még kérdezeke valamit, ami miatt tuti kinevettek.
Az ellenállásnak mindegy az áram iránya? Tehát mindegy hogyan építem be?

Szerk:NA ahogy leírtam már tudtam hogy kár volt megkérdezni. Persze hogy mindegy. De égő.. :bummafejbe:
(#) zuzmow válasza zuzmow hozzászólására (») Ápr 1, 2011 /
 
Üdv!
Kb ilyesmire gondoltam,apa úgy emlékezett hogy 10 Mhz-ig mér,és hogy nem egy "nagy eresztés",kezdőnek jó,de nem egy nagy gép....Kb mennyit érhet?Milyen minőségű?
(#) kadarist válasza zuzmow hozzászólására (») Ápr 1, 2011 /
 
Kezdőknek és haladóknak is való ez a műszer. Nagy tudású szerkezet.
(#) zuzmow válasza kadarist hozzászólására (») Ápr 1, 2011 /
 
Köszönöm Uram! A legjobbakat!
(#) janikukac válasza janikukac hozzászólására (») Ápr 1, 2011 /
 
<--- Valaki tudna nekem akkor ebben segíteni??? >
(#) zolika60 válasza janikukac hozzászólására (») Ápr 1, 2011 /
 
Sajnos ez a formátum nem megy nálam. Így segíteni sem tudok. De ezt mintha már írtam volna.
Következő: »»   1265 / 4052
Bejelentkezés

Belépés

Hirdetés
XDT.hu
Az oldalon sütiket használunk a helyes működéshez. Bővebb információt az adatvédelmi szabályzatban olvashatsz. Megértettem