Fórum témák
» Több friss téma |
- Ez a felület kizárólag, az elektronikában kezdők kérdéseinek van fenntartva és nem elfelejtve, hogy hobbielektronika a fórumunk!
- Ami tehát azt jelenti, hogy a nagymama bevásárlását nem itt beszéljük meg, ill. ez nem üzenőfal! - Kerülendő az olyan kérdés, amit egy másik meglévő (több mint 17000 van), témában kellene kitárgyalni! - És végül büntetés terhe mellett kerülendő az MSN és egyéb szleng, a magyar helyesírás mellőzése, beleértve a mondateleji nagybetűket is!
hellosztok!
Megbízott egy ember azzal a kérdésel hogy lehe e csinálni váltó fokozat kijelzőt ami a rally autókba van mivel ő is rallys! Kérdés lehet e? hogyan lehet ezt kivitelezni?
Szoval senkinek nincs egy kapcsolasi rajza egy tesla cm130 as szalagos magnohoz?
Van kereső, van neki topikja:
Bővebben: Link
E-mail ment, véleményem szerint ilyen esetben, bármiféle mechanika nagyobb "reakcióidőt" okoz, mint egy nem szándékosan lelassított elektronika.
Sziasztok! Új vagyok még itt így nem tudom melyik témakörbe kellene irnom. NJM 2060M típusú ic-t keresek, de sajnos sehol nem találok
Ha jól olvastam egy műveleti erősítő lenne ez. Hol keressem? Esetleg valami helyettesítője?Üdv.
Szia!
Ez egy négy műveleti erősítőt tartalmazó tok. Az LM324 jó helyette, ha nem valamilyen speciális kis zajú gyors alkalmazáshoz kell.
Köszike!
A story röviden: egy négycsatornás keverőbe kellene, a gond az volt hogy egyik srácnak volt egy aktív hangfala aminek nem csak jelbemenetje volt hanem erősitett kimenet is, hogy másik hangfalat is tudjon vele hajtani. A kettő ugyanolyan 6,3as jack csatival volt megoldva és véletlenül a keverő kimenete megkapta az erősített jelet:S
Sziasztok
Lenne egy elég kezdetleges kérdésem, mostanában elkezdtem makketzeni ehhez szeretnék csinálni egy kis festő, forrasztó állványt valami hasonlót mint a link http://legwinskij.blogspot.com/2010/12/altoids-tin-portable-helping-hands-with.html Igazából nemcsak e miatt hanemm pl a 12v-os forrasztó páka, 12 v os smd ledes panel és stb miatt lenne szükségem egy egyszerű 12v-os egyenáramra. Azt gondoltam ki hgy legegyszerübb egy változtatható feszültségű 220-as adapter lenne. Namármost ebből van egy csomó féle az áramerősség szerint.Ezzel kapcsolatosan szeretném kérdezni mi az az áramerőség amire szükségem lehet. Kinéztem egy ilyet http://elektronika.vatera.hu/muszerek_alkatreszek/transzformator/tapegyseg_adapter_3_12v_1000ma_univerzalis_1451913796.html Másik kérdésem ami elég nevetséges is lehet egyeseknek de azért megkérdezem : Mekkora az az áramerőség ami még ha valami kis félrekötést vagy valami nem ok dolgot csinálok sem veszélyes az emberre? Válaszotok előre is köszi
Szia!
Nagyon sok mindentől függ az áramerősség.Hány wattos a forrasztópáka,a LED panel stb.Az emberre veszélytelen áramerősség azt hiszem 10mA.De,mivel te kisfeszültséggel(12V) dolgozol,ezért valamivel magasabb. Máté.
Hello mindenkinek!
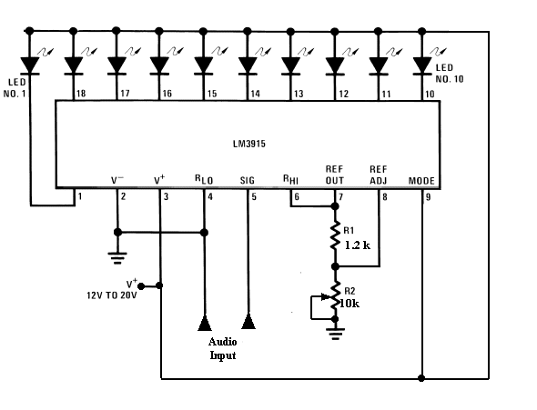
Megépítettem ez a Vu meter kapcsolási rajzot működni működik csak egy problem van vele mikor nincs zene akkor az egész led sor világít.. hogyan tudnám ezt megoldani?
Azt hiszem a forrasztó 30 vagy 40W
Az smd led panelről ezt nem tudom mert ebayről van
Nem a legcélszerűb dolog a 12V-ot választani.(Mármint páka esetén)Ha a pákád mondjuk 30W-os,akkor 2,5A-es áramerősségről beszélünk.Legjobb volna egy trafót rendszeresíteni erre a célra,abból is 24V-osat ajánlok.Az áramerősséget pedig könnyen meg tudod mérni,fogyasztóval sorba kell kötni a mérőműszert.
Máté.
Hello!
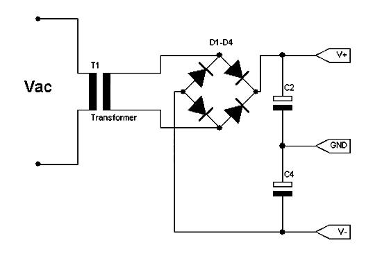
Volt egy régi hangfalam számítógéphez, és most szeretném hogyha akkuról is működhetne. Elektronikához csak nagyon alapismeretekkel rendelkezem ezért kérek egy kis segítséget. A 220 átmegy először egy trafón ami 10v 1,5 A-t csinál belőle. Ez megy a kapcsoláshoz ami rögtön 4 egyenirányítóval kezdődik.(1N5392) Aztán megy tovább egy 2200uF,25v os kondenzátorhoz és a többi dologhoz. A kérdésem az, hogy lehetséges e, és ha igen, akkor hová kössem a 10V DC áramomat. Kép mellékelve. Köszi, Márk
Szia!
A trafóval előállt az a probléma, hogy nincsen annyi huzalom, amivel vissza tudnám tekerni a régebben letekert meneteket. A két szekunder összességében ad akkora feszültséget, amire nekem szükségem lenne, de az a feszültség nekem szimmetrikusan kéne. Konkrétan DC-ben el tudok érni 30V-ot, és nekem egy DC 2x15V-os táp kell, így én egy huszárvágásra gondoltam, hogy ha ez így működik. Amúgy egy 30W-os erősítő menne róla.
Szia!
A pufferkondenzátor sarkaira kösd, polaritáshelyesen.
Ez így nem túl korrekt megoldás, de van, aki így használja az erősítőjét. Inkább akkor tekerj le a primerből, persze csak ha hozzá tudsz férni.
Köszi megy
A másik kérdés, hogy mennyi ideig megy, 9 2700mah-es 1,2v os sorbakötött akkuval?
Nem sokáig. De kipróbálod és meglátod.
Hát... a primerhez nem nagyon tudok hozzáférni, mivel rá van tekerve a szekunder, meg akkor is abban a problémában leszek, hogy a két szekunder nem egyforma feszültséget szolgáltat. Nem tudom mihez kezdjek.
Hello!
Gyanítom, hogy egy kondit tettél a bemenettel sorba. Tégy egy ellenállást az IC 4-5 lába közé, és úgy nézd meg. (Bocs, de.. ez a téma nem ide való, van erre külön topik. Ha valaki kezdő, akkor nem törvényszerű, hogy minden kérdést a kezdő topikban kel feltennie. Ugyan ez vonatkozik a nyáktervezések segítségére is. Akkor minek a többi topik?) üdv! proli007
Nagyjábol?
Csak fogalmam sincs róla és az akkukat fel kell töltenem. Utána meg szeretném élesben hasznáni ![]() A dobozán 25W van.
Sziasztok.
A problémám a következő: Digi beltéri + LCD tv. A tv analóg paneljai sérültek amikor megsült a tápegység, így a kép olykor szellemcsíkos akár scart, rca, s-video bemenetet használok. Viszont ha HDMI-t akkor az tökéletes. Viszont digi-n nincs hdmi. Ezért egy scart-hdmi átalakító beszerzésén gondolkodom. Egy ilyenre gondoltam, csak nem vagyok benne biztos hogy alkalmas a feladatra. Persze nem ennyiért mint a linken látható.Link
Ha halkan használod akkor 2 óra, ha hangosan, akkor fél. Kipróbálod és megtudod. Az akkutöltés nem okozhat gondot.
Sziasztok !
Valaki tud valami csengő kapcsolási rajzot? Lényeg, hogy ameddig a gombot nyomom, csengő szerű hangot adjon ki.. :yes:
TL 074-el lehet valamit művészkedni? Mondjuk LED-et villogtatni zenére? Rajz?
Bár nem csengő szerű a hangja,de azértBővebben: Link
Máté. |
Bejelentkezés
Hirdetés |




Ha jól olvastam egy műveleti erősítő lenne ez. Hol keressem? Esetleg valami helyettesítője?



A másik kérdés, hogy mennyi ideig megy, 9 2700mah-es 1,2v os sorbakötött akkuval?
Csak fogalmam sincs róla és az akkukat fel kell töltenem. Utána meg szeretném élesben hasznáni 



