Fórum témák
» Több friss téma |
Elvi alapon: az injektorra menő impulzusokkal töltesz egy kondit (leválsztás után), annak a feszültségét pedig tudod nézni egy led soros kijelzővel.
Sziasztok!
Szeretnék építeni egy fogyasztásmérőt PIC-kel, egy 1,3-as Suzuki Swiftbe. A kérdésem egyenlőre annyi, hogy van-e valahol egy hozzáférhető jel az autóban aminek a nagysága, kitöltési tényezője, frekvenciája vagy bármilyen mérhető jellemzője az autó sebességével arányos? A műszerfalban lévő kilométeróra milyen elven működő műszer? Mechanikus vagy elektronikus? (Nem értek az autókhoz...)
Úgy tűnik hogy eszerint mechanikus, és spirál lesz a hajtás...
Szia Attila! Emlékeim szerint a mi autónkban mechanikus, vagyis spirál meghajtású óra van. A műszer hátulján van viszont egy fém tárcsa, melybe egy körív mentén pici maágnesek vannak beépítve. Ide egy kis nyák-darab segítségével egy reed csövet beteszel, egyik vége a kasztnira, a másik mehet egyenesen a PIC bemeneteére. Felhúzó ellenállásból a felső határérték környékéről válassz, a cső hosszú élettartama érdekében. ( Ezt Neked kár volt hangsúlyoznom, de hátha még valakinek jól jön. ) Ha foszladozó emlékeim nem csalnak, 2500-2550 inpulzust fogsz kapni kilométerenként.
Üdv.: Macsek
Hello, azt javaslom, hogy szerezd meg az autód kapcsolási rajzát, s azon a fedélzeti számítógéphez csatlakozó szenzorokat azonosítva láthatod, hogy van-e az autóban sebességarányos jel. Az én esetemben (Opel Corsa, kb egy kategória), mechanikus a kilométeróra, ám van szenzor a keréken: 30 imp/ford.
Szerintem nemigen van benne, de kétesélyes... Minden esetre itt egy "közeli" rajz, talán még jó lesz valamire.
A keréken akkor van jeladó, ha ABS van a kocsiban. Egyébként minek?
Kizárt dolog, mert nem tudom
De tény, hogy nekem nincs ABS-em, de "kerékfordulat jeladóm" van. ... A fed-comp. méri nagyjából a futásteljesítményt, lehet, hogy ahhoz kell. Bár ahhoz elég finom felbontású.
És ha dugóban állsz egy órát járó motorral, akkor mi lesz? Szép lassan araszolsz előre a fogyasztás meg majd kijön 100l-re.
Nyilván l/100km adatot csak mozgó autóra lehet meghatározni. Az algoritmust úgy írom meg hogy csak akkor számoljon l/100km adatot hogyha van sebességjel. Vagyis igazából ez nem ilyen egyszerű, de a fejemben már megvan nagyjából a program.
A fogyasztásmérésnek ez a gondja, hogy nem tudsz valós értéket kijeleztetni l/100km-ben sehogy. Igazából csak azt kellene mérni, hogy mennyit fogyaszt el az autó a tankolás után. Ez a km alapú fogyasztás nagyon csalós tud lenni, főleg városi közlekedéskor, amikor piros lámpa, kigyorsítás, ismét lámpa van, mivel álló helyzetben is fogyaszt a motor. Egy olyan funkció is hasznos lehet, hogy tankolás után nullázol egy értéket, ami később a nullázás óta elfogyasztott összes üzemanyag mennyiségét méri, sebességtől és mindentől egyéb dologtól függetlenül, csak az injektorok nyitvatartási idejéből számolva.
Biztosíthatlak hogy márpedig megoldható pontosan a l/100km-es fogyasztás-mérés. Ha nem lenne megoldható akkor nem létezne ilyen, pedig van. És nem csak gyárilag az újabb autókban, hanem más hobbisták is építettek már ilyet. Konkrétan pl ha jól emlékszem Watt kolléga készített régebben ilyen műszert, az övé a fentebb felsoroltakon kívül még 0-100km/h-ra való gyorsulást is mér. De ne offoljunk, van ennek külön topikja:
Bővebben: Link Javaslom mondjuk ennek a hozzászólásnak az elolvasását: Bővebben: Link
Ha szükséges még néhány ötlet, esetleg egy "hivatalos" is adhat tippeket.
Az én autómban -sok más mellett- gyárilag van fogyasztásmérő. Úgy működik, hogy nagyjából 1másodpercenként kiír egy számot (0,0-99,9 között), ami álló autónál l/óra (általában ez nálam 0,6-es érték, de ha a klímát bekapcsolom mindjárt felugrik 1,1-re) és mozgó autónál automatikusan 1/100km-re vált. Ez így teljesen rendben is van, de azért ez nem olyan nyilvánvaló, mert a két egymás után kiírt érték, gyorsításnál erősen eltér egymástól (pl. kicsit intenzívebben indulok, akkor felugrik 60-70-re, majd visszaesik 3,6-ra). Ha halad a jármű, de leveszem a lában a gázról, akkor gyorsan beáll 0 l/100km-re. Ezen kívül van két gyüjtője is. Pontosan nem tudom, de az egyik az utolsó beindítás utáni átlagfogyasztást méri, a másik meg valami hosszabb egységet, de nem tudom pontosan. (és még ugyanerre a két időintervallumra kiírja az átlagsebességet, meg még egy csomó "fontos" dolgot, mint pl. az adott sebességgel, az adott fogyasztás mellett hány kilométerre elég még az üzemanyag, stb.) (Nem vagyunk egyformák, de mikor még újdonság volt, én is nézegettem ezt mindig, de manapság már egy kicsit se érdekel. Hetenként ha egyszer rápillantok az már soknak számít.) Kiegészítés: utólag olvasom, hogy ezt már más témában bőven kivesézték, tehát felesleges volt ennyit körmölnöm.
Üdv! Már régen írtak a topikba, de nem akarok újat nyitni.
Énis az injektor nyitási idejét mérném, ami egyébként millisecundumokban mérhető. Nekem fiat tipom van, amibe gyárilag szereltek ekonométert. A digitális műszerfalon annyit látsz hogy sok vagy kevés, az analógon meg egy mutató operál egy jelöletlen területen. Gyakorlatilag semmi konkrétum, csak hogy sok-e vagy kevés a fogyasztásod. A szemléltetést a fordulatszámból és a szívóerő nagyságából számolja. Nem egy pontos megoldás, de van benne logika. Én azonban szeretnék egy pontosabb kijelzést, ami 1 perc alatt gyűjtött adatokból átlagolna. Az injektorom Bosch, ugyanolyan mint az astrán vagy a 3-as golfon. Jó lenne egy szkóp, amin látnám a dolgokat. Ha valakinek van kedve segíteni, szeretettel várom. Egerben lakom.
Még annyit írnék, hogy én Arduino párti párti vagyok és favorizálnám az Androidos kijelzést. Úgyis tervezek a gépbe egy arduinos - androidos - bluetoothos riasztót, meg akkor egy fogyasztásmérő sem árt
Hello, ez itt egy Corsa "EKG"-ja, szintén Bosch vezérlés. 0,7-1mS-os impulzusokról van szó (az injektoron), ami egy terhelés nélküli gázfröccs esetén sűrűsödik. Így ha analóg módon akarsz mérni, elég csak átlagolni és a feszültséget mérni ugyanúgy, ahogyan a fordulatszámot mérik, csak egyszerűbben, mert a monoflop fokozat már nem kell. Én, -autóról legyen szó- inkább az analóg kijelzést preferálnám, mert készítettem ugyan digitálisat is, de vezetés közben csaknem használhatatlan volt. A hitelessége pedig ugyanúgy kérdéses, mindkét változatnak. (Én is egri vagyok)
Szia, van esetleg konkrét rajzod ehhez? Szívesen megépíteném. Ha kapok egy fogyasztással arányos feszültséget, az már bőven jó. Akár egy kis műszeren is láthatom mennyi nafta megy a motorba. Még jól is nézne ki.
Nincs kapcsolás, egy kondenzátoron történő feszültségmérésről van szó csupán, analóg műszerrel. Lehet ugyan fejleszteni, talán illik is, -nehogy sok áramot vonjunk el az injektortól-, leválasztani egy OPA-val mondjuk...
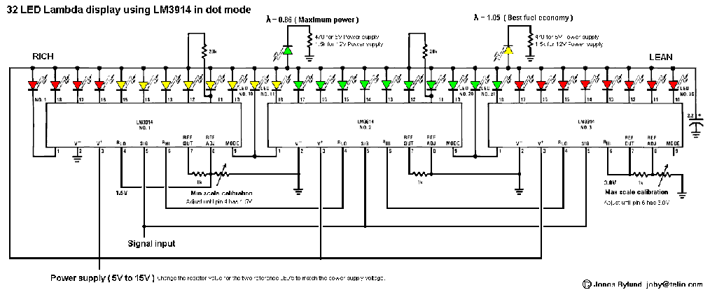
Találtam egy ilyen kapcsolást, de ez annyira nem adja vissza hogy éppen mennyi a fogyasztás, csak a lamdba értéke alapján számol.
Erről az OPA-ról tudsz valamit mondani, googlival erre a kifejezésre nem találtam sok mindent.. Tájékoztató jelleggel meg lehetne építeni. Valami kis analóg műszert hol lehet beszerezni, ami mutatóval mutatja a naftát? Gondolom az egyik út, hogy használtan valamiből kibányásszuk. Régen volt egy busz km óra mutatóm, az 0-12v-ig kérte a feszt és úgy ment a mutató. A mi jelünket is gondolom kicsit meg kellene sokszorosítani. Ugye?
Sántít nekem az a lambda indikátor, de oxigéntartalom mérésére biztosan kiváló! Ha nem segített a google, akkor hagyjuk, majd kipróbálom, ha lesz kedvem. Az első dolgom amúgy az lenne, hogy egy egyszerű 12V-os feszmérővel rámérnék az injektorra, hogy mi van ott. A te kilométerórád épp megfelelne. Hanem látva a lentebb linkelt oszcillogrammot, az 1msec viszonyul a nagyjából a 10-hez, igy kb 1V-os nagyságrendben várható az átlagfeszültség, amit vélhetőleg a műszerünk a fürgeségével kiintegrál majd. Tehát jobb lenne egy érzékenyebb, de a buszműszeren is látni fogod a lényeget, ha nem is feltűnően. Ha ennél jobb műszerparkod nincs, nem tudom, érdemes-e belekezdened.
Igazából mindenképp szeretném megcsinálni, majd be kell hogy szerezzek valami régi kacat magnóból egy kivezérlésjelzőt, és azt szeretném beépíteni valami kellemes helyre az autóba. De ugye jelenleg még nem szereztem be semmit. Elméletben legyen valami jó ötlet, aztán jöhet a megvalósítás. Mint korábban írtam, legvégső esetben marad a potméteres dolog. Azt meg simán a pillangószelepről meg lehetne csapolni. Csak azt nem tudom, hogy ez befolyással van-e bármiféle értékre (ha mondjuk lecsapolom). Mert az meg csak annyit mutatna, szintén egy kis műszeren, hogy épp 0 és max között mennyire nyomom a gázt.
-Ettől félek én is, mert bár a vezérlés eléggé robosztus, azért nem nyúljunk bele a rendszerbe elektromosan.
-A magnós műszer nem lesz jó, mert elfárad a rugózása, inkább egy gépjárműves alkalmazásra tervezett műszert válassz. Ami olyan, amilyen, nem épp mérésre termett. Talán LED sor? -A gézpedál állása meg....hát legfeljebb köszönőviszonyban van a fogyasztással ![]() -Van egy másik ötletem, könnyen megvalósítható: az impulzusok száma egyenesen arányos az elfogyasztott üza mennyiséggel. Ha nem akarsz nagyon forrasztgatni, némi osztás után még egy számológéppel is számlálhatod az elfolyt litereket
Igazából két dolog kellene:
-valami jel a sebességről -plusz az injektorból érkező jel. A kettő alapján már tudnánk számolni valamit. Talán még tapasztalati úton is ki lehet deríteni mennyi anyag be egy adott idő alatt. Bár ehhez programot írni már nyilván bonyolultabb.
Nem probléma, az Opelokon a bal első keréken van egy 32 osztású jeladó (vagy középről jön, már nem is tudom)...de számolni nemigen kell, a legmagasabb fokozatban a legalacsonyabb sebességen lesz a legkisebb a fogyasztás.
Ez tény
![]() most épp keresgélek a hálón, hátha van vmi..
Bővebben: Link
Bővebben: Link Ezeket találtam. Tehát létezik a dolog. Sajna kidolgozást még nem találtam hozzá
Én is most kezdtem el agyalni egy fogyasztásmérőn. 2 lehetőség között vacilálok. az első az injektor nyitási idő mérése, ahol több okból is az injektor áramot mérném. A második az átfolyásmérős módszer ami nem tudom mennyire pontos ilyen kis meniységek mérésénél és változó üzemanyagnyomás mellet is jól mér e. Az első módszer hátránya, hogy tudni kellene a karakterisztikáját az injektornak, hogy mekkora áramnál nyit ki és esetleg ettől az áramtól kezdve mérni vagy minden niytásnál levonni egy késleltetési időt. mert ha ezt az időt nem vonjuk le minden nyitásnál akkor változó használat mellet hülyeséget mérhet a kütyü. átfolyásmérő hibáiról nem sokat tudok ha esetleg valakinek van tapasztalata azt irja meg. röviden most itt állok nem tudom eldönteni melyik módszerrel mérjek!
Mi a véleményetek a legutolsó hozzászólásomban belinkelt kapcsolásról? Ha jól értelmeztem akkor figyelembe veszi a fordulatszámot is.
Ha nagyjából használható én megépíteném.
Ezt az ijnektorra kell rákötni? Attól függ mit akarsz látni a ledeken. ez a kitöltési tényezőt mutatná az injektornak, aminek szerintem a fogyasztáshoz semmi köze.
Igen, az injektorra kötöd. Nekem már az is jó lenne, ha egy hozzávetőleges értéket kapok arról, hogy hogy fogyaszt a kocsi. Mért nincs semmi köze ennek a fogyasztáshoz? Minél tovább tart nyitva az injektor, annál több cucc megy be rajta. Nyilván sebesség ismeretével több dolgot lehetne tudni, de tájékoztató jelleggel ez megteszi sztem.
|
Bejelentkezés
Hirdetés |




A keréken akkor van jeladó, ha ABS van a kocsiban. Egyébként minek?
De tény, hogy nekem nincs ABS-em, de "kerékfordulat jeladóm" van. ... A fed-comp. méri nagyjából a futásteljesítményt, lehet, hogy ahhoz kell. Bár ahhoz elég finom felbontású.




