Fórum témák
» Több friss téma |
- Ez a felület kizárólag, az elektronikában kezdők kérdéseinek van fenntartva és nem elfelejtve, hogy hobbielektronika a fórumunk!
- Ami tehát azt jelenti, hogy a nagymama bevásárlását nem itt beszéljük meg, ill. ez nem üzenőfal! - Kerülendő az olyan kérdés, amit egy másik meglévő (több mint 17000 van), témában kellene kitárgyalni! - És végül büntetés terhe mellett kerülendő az MSN és egyéb szleng, a magyar helyesírás mellőzése, beleértve a mondateleji nagybetűket is!
Sziasztok!
Tranzisztort mivel lehet elszigetelni a bordától a csillámlemezen és a szigetelő lapon kívül? Például ha egy vékony lakkréteget viszek fel a tranyó hátuljára az nem jó? Vagy esetleg valami más megoldás?
Illetve még 1 kérdés. TO-216-os tokhoz miért nem látok seholse szigetelő lapot?
Szia
Köszönöm a segítséget, tehát akkor elvileg elég egy megfelelően beállított MC34063 és hozzá egy komparátor ami a kívánt feszültség elérésénél lekapcsolja a töltőt? Zselé ólom aksit szerinted érdemes áramgenerátorosan tölteni sokkal gyorsabb mint feszültséggenerátorosan de azt hallottam nem tesz neki jót?
Akkor az is gond ha a feszültséget túllépem még ha az áramot nem is?
Üdv megbíztak aval hogy egy Digitális autórádiót beszereljek egy Rábába és akar egy FM transzmittert is bele az a kérdésem hogy az FM transzmitter hány V ot igényel mert a Rábában két aksi van és akkor az 24 V ha csak nem külön 12 V van húzva a szivargyújtóhoz !Vagy megy 24 V rol is?
Sziasztok ! Megépítettem ezt a kapcsolást : Bővebben: Link
Az van, hogy rákapcsoltam Volt mérőt, és az van, hogy a feszültség azt csinálja, hogy egy pillanatra leesik 0-ra, aztán visszamegy. Ezt folyton csinálja, mitől?
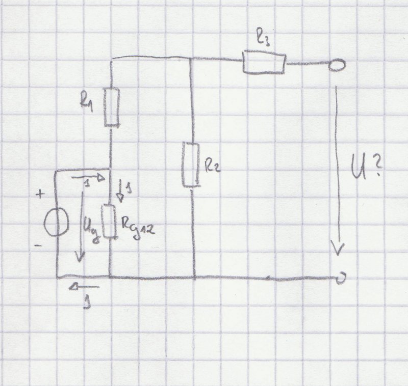
Köszönöm a választ! Rosszul rajzoltam át.
Ha feszültséget kötünk az Rg12-re, akkor a többi ellenálláson nem esik feszültség ugye (és áram sem folyik a többi felé, a teljes áram az Rg12-n folyik)? Ugye nem lesz a kimeneten feszültség?
Szia!
Rába-Steiger traktorról van szó? Mert a párhuzamkapcsolós indítású fajtánál 12V-os a hálózati feszültség.
Valamit elronthattal
)!Mekkora a tapfesz?Esetleg a Potit nem melegítetted sokat mert elég érzékenyek a hőre !vagy ha esetleg felforrositotttad az IC akkor a regulatorja kiment!
Nem.
![]() Ezzel nem mondtál sokat. Ennyit még én is tudok.
Az aksija Traktor aksi de sorba vannak kötve !Tehát 24 V
Mondok másat is !Mekkora a tapfeszed?Hajtattal róla valamit ?Mert ha több mint 0.6A akkor megint annyi neki !Ha pedig biztos vagy a munkádba akkor szú'rd jobban a bemenetet és a kimenetet is!
Ha tápfeszről beszélünk, akkor hogyan kerül ide 0.6 A.
A másik. nem hajtottam még semmit sem róla, csak egy Astabil-t, meg mért romlana el? Ne haragudj, de egy szakértő véleményét is várom, mert sok minden hirtelen össze lett itt hordva.. :no:
Hat elég rossz a felfogásod akkor azok mind külön kérdések azért van ott kérdőjel mindegyik kérdő mondat végen! Hogy akarod hogy segítsenek ha te magad sem akarod mindent nem lehet a szádba sem tenni!
Akkor legalább érthetőbben fogalmaznál. Most is aki butaságra akar gondolni, az az utolsó mondaton is.
Hagyjuk. Akkor majd keresek máshol segítséget, de én nem akarok veszekedni.
Fogalmazzunk érthetőbben?
1. Mekkora az a tápfeszültség, amit a kapcsolás bemenetére kötöttél, mérd meg multiméterrel pontosan. 2. Ahogy összeraktad, elejétől kezdve ezt csinálja? Ha nem, mit kötöttél rá ami után már így ugrál? 3. Felforrósítottál valami alkatrészt beültetéskor? Ha nem, rosszul raktad össze és valami meghalt, vagy meg fog halni. Érthetően írta a kérdéseket, de ha te mégsem érted akkor írd azt, semmi gond, leírjuk máshogy.
Na pont ezeket kérdeztem én is tőle szerintem nagyjából érthetően de ...!
21,5 V .
Nem tudom, mikor először kipróbáltam, akkor multival mértem, de két pillanatra, fel le tekertem a potit. Nem , az IC is bordán volt mikor a 3 drótot ráforrasztottam.
Váltó vagy egyen fesz? Bár mindegy bírnia kell. Ha csak nem kötöttél rá valami olyat amitől hőmegfutásba belehalt, akkor valamit rosszul raktál össze. Alkatrész értékek egyeznek? Ha igen, nézd át párszor jó alaposan mit-hova kötöttél.
Átlepted a határt és ha ilyen nagy feszültségnél sokáig hagyod a minimálison a kimenetet akkor a hűtőborda keményen izzik!
Inakabb a figyelmedbe ajánlok egy tökéletesen működő Szabályozót nekem máig is megvan igaz nem használom de meg megy!Voltage Regulator
Ez igaz, de azt írja csak egy astabilt kötött rá, attól még borda nélkül sem kéne elszállnia.
Hat az is igaz de ahogy azt nekem is tanította (huba),,mindig 6 szór nézd át mielőtt feszültség alá helyezed!''
Egyenben. Híd után.
Most megint bekapcsoltam. Multival megmértem a feszt, akkor nem ingadozik ha a táp paneljénél mérem. Ha az Alkotós kijelző paneljánál mérem, akkor viszont már a multival is ingadozik. Ez mitől lehet? Amúgy bordát raktam rá, jó nagyot.
Te valami csodagépet építettel! Majd megépítem én is hadlassam nekem milyen cselet vág be
Amúgy mert nem teszel fel róla egy képet?
Nagyon vicces. Mert az elemek töltenek. Holnap bérmálkozok, és azért.
Így nem fogok sokra menni.
Vagy terhelés rángatja a tápegységedet, vagy begerjedt a stabkocka valamilyen kis frekvencián. Ki kellene találni, hogy mi a kiváltó ok.
Lehet. Érdekes módon csak a kijelző panelen mérem ezt. :S
|
Bejelentkezés
Hirdetés |




Ha feszültséget kötünk az Rg12-re, akkor a többi ellenálláson nem esik feszültség ugye (és áram sem folyik a többi felé, a teljes áram az Rg12-n folyik)? Ugye nem lesz a kimeneten feszültség? 
)!Mekkora a tapfesz?Esetleg a Potit nem melegítetted sokat mert elég érzékenyek a hőre !vagy ha esetleg felforrositotttad az IC akkor a regulatorja kiment!
Amúgy mert nem teszel fel róla egy képet? 




