Fórum témák
» Több friss téma |
Nem vagyok ász ezekben a dolgokban, de az ottani hozzászólások alapján, meg ha a kazán motra nem fogyaszt többet 4-500W-nal (tudod mérni a fogyasztását, vagy az adatai alapján) szerintem megbírja. Persze megfelelő teljesítményű trafóval elkészítve!
Köszi a gyors választ. Mihelyst lesz egy kis időm megépitem.
Szívesen!
Az IRF-eket mindenesetre érdemes jó darab hűtőkre szerelni mert 500 W 12V-on 50 ampert jelent, a Drainek pedig rajz szerint párjában külön hűtőn legyenek!
Igaz, a 8 mOhmos DS ellenállás mellett 50A mellett sem több a melegedes 2,5W-nal...
Ha csak egy darab drótról lenne szó, akkor egyetértenék a megállapításoddal.
Újabb kísérleteket folytattam és az elméletem össze is dőlt. Ha szinuszgörbe és koszinuszgörbe metszéspontokkal állítom elő a pwm jelet, akkor annak a végeredménye háromszögjelet fog követni. Azt nem értem, hogy miért pont háromszögjelet, de kipróbáltam 1:21 arányig ( ez volt a maximum, ami a 628-as PIC-be belefért ) a generált jelet szűrettem az audacity nevű programmal. Az eredmény meg nem szinusz lett, hanem háromszög. Így aztán kipróbáltam, hogy háromszög jellel állítom elő a PWM-et. Na ez jobb eredményt hozott, csak épp a felbontást nem sikerült jól beállítani. Vagy a kapcsolófrekvencia volt kellően nagy, de a felbontás így kicsi lett, vagy nagyobb felbontást csináltam és a kapcsolófrekvencia leromlott. Visszatértem tehát az eredeti elképzelésemhez és ezt próbáltam a maximumra kihegyezni. Úgy tűnik, hogy ez 6,3kHz vivőfrekvenciát jelent. A kapcsolás ezúttal teljes hidas volt és szerintem a kép magáért beszél. A hullámformában nincs az a fajta törés, mint amit a középkivezetéses transzformátoros változatnál tapasztaltam. Összehasonlításképpen kielemeztem a hálózati feszültséget is. Meglepődtem, hogy mennyire tele van felharmonikusokkal. A következő próba már a 100VA-es trafóval lesz, hogy hátha elindulna vele az a fránya hűtőkompresszor.
Szia!
Van néhány fontos hiányossága a kapcsolásnak: 1. A kimenete egyszerű négyszög. Ezt több fogyasztó nem szereti. Egy sima wolfram izzónak jó lehet, de a motorokat a felharmonikusokat megzavarhatják; nem egyenletesen a járnak, ronda lesz a hangja. Ha ennyire szimpla négyszögjel a kimenet, és a feszültség effektív értéke megegyezik a szinuszos feszültség értékével, akkor a négyszög teteje lényegesen (gyök2) kisebb a szinusz csúcsértékénél. Ez minden olyan készüléknél problémát okozhat, amiben csúcsegyenirányítás van (magyarán graetz és pufferkondi). 2. Nincs benne túláramvédelem. Bármilyen jellegű túláram a készülék tönkremeneteléhez vezethet.
Nekem egy változtatható kimeneti feszültségű és állítható frekvenciájú inverterre lenne szükségem.
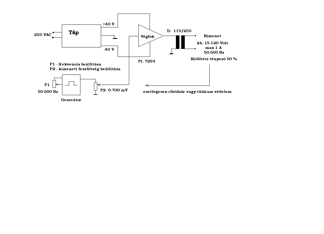
A mellékelt vázlat alapján összeállítottam a kapcsolást. A trafó 100 VA-es 115/230 V-os volt kéznél. Terhelésnek egy 60W/230V izzó szabályozhatóan világított és frekvenciáját is tudtam állítani. ( 440 Hz-en szépen ciripelte a normál "A" hangot.) A szkóp rajzolta a négyszög jelet. A végfok (7294) hűtőbordája hideg volt, a trafó viszont a vártnál jobban melegedett. Problémám a trafó kiválasztása, illetve illesztése egy nagyobb HF végfokhoz. A 4-8 Ohm terhelhetőségű 100-250 Wattos végfokhoz kellene egy trafót választani. Ha valakinek más megoldása van egy változtatható inverterre, azt is kipróbálnám.
Szia!
A trafó melegedésével kapcsolatban arra gyanakszom, hogy valamilyen normál EI lemezes trafót használtál, és a frekvencia emelése miatt megnövekedett az örvényáramú vasvesztesége. Ha így van, a trafónak a vasa melegedik, és nem a tekercselése. Szintén a elsősorban a vastest melegedését okozhatja, ha a tápláló négyszögjelben DC összetevő van (elmágneseződik), és azzal hajtod meg a trafót. Ha mondjuk a generátor kimenete és P2 közé egy csatoló kondenzátort tennél, ez kizárható lenne. Szerintem ide kifejezettem HF kimenő trafó kellene, legalábbis konstrukciójában. Nem vagyok ebben járatos, de úgy tudom, hogy a toroid és a hiperszil maggal rendelkező trafók alkalmasak erre. Ha elárulsz többet az alkalmazásról, hogy mihez kell ez a változó feszültségű és frekvenciájú négyszögjel, akkor talán könnyebb lesz találni/tervezni hozzá invertert.
Szevasz !
Köszi a válaszodat. A csatoló kondenzátort a 7294 szokásos panelja tartalmazza. A trafó egy sima EI lemezes elválasztó trafó. A kapcsolás nem kifejezetten hobbi célra kellene. Az elektromos kábító berendezések előírásai és javallatai tartalmaznak ilyen elvárásokat.( baromfinál 20-50 V, jószágonként 50-130 mA, sertésnél 70-110 V / kb. 500 mA) A horribilis árú kinti berendezések sem biztos, hogy tudják ezeket a paramétereket (univerzálisan). Egyszerűnek és könnyen szabályozhatónak tűnik a már készen beszerezhető HF végfok, csak ezt a trafó kérdést kellene tisztáznom. Ez csak az alapkapcsolás, a többi mérés és biztonságtechnikai dolog ezek köré épül. Lehet, hogy nem a legalkalmasabb topikba írtam, de itt gyakorlatilag egy inverterről lenne szó, és a sertéskábító topik leszűkült a " milyen elválasztó trafót használjak " témára. ( Megmondom kb. 90 V /63 VA .) Nem biztos, hogy ez az ideális. Üdv MGy
Ha egy darabot készítesz, akkor valószínűleg a neked legegyszerűbbet választottad, ami műszakilag megfelelő, és jól tetted.
Ha ez "termék" lesz, akkor azért lehetne spórolósabb, jobb hatásfokú eszközt építeni, valamilyen egyszeres konverziójú invertert. Ha erről van szó, és érdekel, újragondolhatjuk az egészet.
Még jó, hogy előkerült ez a kérdés is, a trafó melegedése a nagyfrekvenciától. A kísérletem azt mutatja, hogy a kicsi 1,8VA-s trafónál egy 100uH tekercs és egy 100nF-os kondi olyannyira le tudta szűrni a nagyfrekvenciás részt, hogy a kéziműszerem egyértelműen 50Hz-nek jelezte a kimeneten a frekvenciát. De szűrés nélkül elég csúnyán összegabalyodott szegény már a váltófeszültség mérésnél is. Volt a kijelzőn minden. Korábban még nem tapasztaltam ilyet.
Szóval ha a nagyfrekvenciás összetevő is átmegy a trafón, nem fogja azt melegíteni? Vagy nem számottevő? A primer oldalra nem hiszem, hogy praktikus lenne szűrést betenni, mert azzal a kapcsolótranzisztorokat terhelném, illetve a rendszer hatásfokát is jelentősen ronthatja szerintem. Esetleg egy tekercs sorban a primer ággal, de annak meg elég nagyáramú tekercsnek kell lennie. Ha csak 100W-ot nézek, az már majdnem 10A áramot igényel 12V-os szinten. A trafó soros reaktanciája ilyenkor működhet ( működik ) szűrésként? Mert hát üresjáratban a trafó is csak egy vasmagos tekercs. Nem?
Gondoljuk újra.
Spórolás nem az elsődleges szempont, mert gyakorlatilag egyedi "termék" lenne, inkább a megbizhatóság és az "univerzalitás" a lényeg. A hatásfok nem létkérdés, legfeljebb 1 számmal nagyobb elválasztó trafót, vagy "kimenő trafót" alkalmaznék. ( 250 - 400 VA) Évente egy-két darabot készítek, és kompromisszumos megoldásokkal csináltam. Elvárások: - a hálózattól galvanikusan leválasztott legyen - feszültség 15 -130 Volt között állítható legyen - frekvencia 50- 600 Hz között állítható - folyamatos terhehetőség max. 1000 mA - kimeneti négyszög jel szimmetrikus (+/- -os) 50%-os kitöltési tényezővel Ha már itt tartanánk, nem ártana egy beállítható áramkorlát és rövidzár védelem. A Volt és Amper-mérést PIC-kel megoldom. A frekvencia és a kimenet feszültség beállítását is a mikrovezérlővel csinálnám. Ugyan úgy a vészkör, hangjelzés, villogó kialakítását is. Amennyiben van ötleted, vagy alapkapcsolásod, köszönettel konzultálnék és várnám elképzeléseid. Üdv MGy
Nincs ilyen kész kapcsolásom sajnos.
1-2 darabra nem biztos, hogy érdemes fejlesztésekbe bonyolódni. Ha mégis, a főáramkör a következő lehetne: Bemenet 230VAC, szűrő, bekapcsolási áramot csillapító tag (NTC), diódás híd, kondenzátor telep (sorba kettő tagból), félhidas teljesítménykapcsoló, leválasztó transzformátor (primer egyik vége a kondik közepére, másik a félhíd kimenetére), aluláteresztő kondenzátor. Kell még persze segédtáp, vezérlő, illetve a kapcsoló elemek meghajtói, a mérendő jelek illesztői. Ha ismered a PC tápok felépítését, akkor a vezérlőn és a leválasztó trafón kívül minden megvan bennük. Szóval akár egy PC táp átalakítása is szóba jöhet. A vezérlés PWM vezérlés. A kimeneten nem lesz gyors fel/lefutású négyszögjel, de feltételezem, hogy ez nem kritikus.
Úgy gondolom a különböző frekvenciájú feszültség komponensek mindegyike melegíti valamilyen módon a transzformátort, de ha jól méretezzük a tápláló invertert, és a trafót, akkor ez elfogadható mértékű lesz.
Néhány inverterrel volt már dolgom, és azokban az inverterekben, amikbe építettek 50Hz-es transzformátor, a transzformátor szórása és a kimenetre kötött kondezátor biztosította a szűrést. A korábban tárgyalt áramköri megoldások is ilyen hálózati trafós megoldások. A szűrés annál hatékonyabb, minél magasabb a PWM frekvenciája. Elvileg szerintem is javíthatja a helyzetet a primer elé helyezett nagyfrekvenciás fojtó. Ha ez indokolt, akkor talán ferrit gyűrűvel kellene megoldani. Ha korrektek akarunk lenni, fel kellene rajzolnunk a trafó nagyfrekvenciás helyettesítő képét, és az alapján elemezni a részleteket. Elsőre sajnos nem találtam, pedig emlékeim szerint van valami irodalmam róla.
Valaha volt nekem is labormérésem trafóból. De ki emlékszik már, hogyan is volt az?
Az irány megint tetszik, és főleg, hogy van valami. Előbányászom a régi jegyzeteimet.
sziasztok!
lenne egy kérdésem. összeraktam egy FET félhidas invertert. PWM-re modulálom a szinuszt, IR2184-el hajtom őket. terhelés nélkül elmegy az idők végezetéig, kijön a kimeneten a felerősített PWM, de ha ráteszek egy terhelést, aminek hatására kb 3A indul meg, a FETek melegszenek, majd zárlatosak lesznek és leég a híd... de kb 5perc múlva. gondolom keresztbe-nyitás nincs, mivel akkor üresjáratban is gond lenne. IRFP460-akat használok egyébként, amik 20A-t tudnak... van valakinek tapasztalata, ötlete? 3 hónapja sz*pok ezzel a táppal és már nagyon unom. tettem be a FETekhez gate-source közé 1k-sokat, hogy ne tudjon lebegni, az ir2184-eket ajánlott kapcsolás szerint kötöm be, a FETek gate-charge-jait 330ohm-on töltöm fel és 10ohm-on eresztem le. a kimenetet egy L-C szűrővel szűröm, de L-C szűrő nélkül is leég, tehát nem a szűrő induktivitása "dolgozik vissza". nagyon örülnék valami ötletnek. köszönöm! ádám
Valami skiccet mellékelj már, hogy világosabban lássam a problémát! Így még nem egészen világos, hogy miről van szó. Talán tapasztaltad már, hogy egy rajz nagyon beszédes tud lenni.
jaja, teljesen jogos, csak elég sok patkolás volt, és a rajz nem volt up-to-date, de most átrajzolgattam a valóságnak megfelelőre.. csatolom.
(nem mintha számítana, de a toroid a táp elején közös vasmagon van, csak nem volt olyan trafó multisimben, illetve van beépítve lágyindító, meg a kimenetet is relé kapcsolja, de ezek elvileg nem befolyásolnak semmit) és köszönöm, ha foglalkozol vele! ádám
illetve elnézést, a kimeneti szűrő legutolsó verziója nem a rajznak megfelelő, (mivel állandóan változik) hanem egy common mode L-C filter.
a kimenő két madzagon (a FEThíd kimenete és a 162V-os középfesz) van egy-egy 6.8[mH] folytótekercs (ezek közös vasmagon vannak) majd utána a két vezeték között egy 10µF fóliakondi.
Megmondanátok, hogy egy fekete-fehér tv sorvég trafó magjára hány wattos invertert lehet csinálni?
Köszi.
Egyelőre nekem sincs ötletem. Elsőre ezeket találtam a neten, háthat segítenek neked. Terhelésnek mit szoktál rátenni?
http://www.irf.com/technical-info/appnotes/an-1107.pdf http://www.mikrocontroller.net/attachment/19950/dt98-2.pdf http://www.embeddedtronics.com/public/Electronics/uhuservo/schemati...ic.pdf
Szia!
Mennyi a szünetidő a két fet váltása között? A fetek kapcsolási idejét a terhelő áram is befolyásolja. Van szkópod? Érdemes volna a negatív sínen lévő fet gate-source feszültség alakulását megnézni terheléses állapotban. Egy ilyen kapcsolóüzemű félhíd esetén egy dolog a jó kapcsolás, legalább annyira fontos a konstrukció, a kialakítás. Egy képet tudsz mutatni a kialakításról? Ha a konstrukció engedi, esetleg áramot is lehetne nézni. Legegyszerűbben egy kis feritgyűrűből lehetne egy mini áramváltót készíteni, és ha be tudod kötni, akkor valamelyik fet áramát megnézheted vele. D7, D8, D10, D11 pozíciójába gyors dióda kellene, mondjuk az UF4006.
Szia!
Tudsz esetleg egy képet róla, vagy méreteket, netán a vas anyagának jellemzőjét?
Annyi gondolatom van még a kapcsoláshoz, hogy talán a kimeneti szűrés nélkül is ki kellene próbálni. Van egy olyan érzésem, hogy az LC szűrő nagyon beterhel. Esetleg csak a C-t kivenni belőle. 50Hz-es bemenetnél sem igazán találkoztam 0,1µF-nál nagyobb értékkel. Ez a kapcsolás viszont 400Hz-en megy ( ha minden rendben van a vezérléssel ). Esetleg számolni kellene még rezonanciát is. Az LC tagnak van egy rezonanciafrekvenciája, ahol a legkisebb ( vagy legnagyobb ? ) a látszólagos ellenállása. Ez is okozhat gondot.
köszönöm a segítséget!
rászkópoztam a gate-source-okra és úgy tűnik elég gyorsan zárnak és nyitnak illetve keresztbenyitás sincs a terhelés állapotában sem (mármint most, hogy más értékekkel töltöm a FETek gate-chagreját). a konstrukció most elég "próbaverziós", összevissza, de minden rövid összeköttetésekkel van megoldva. igazából, most 100ohm-on feltöltve a FETeket és diódán leengedve megszűnt a híd-felrobbanás probléma. a szűrővel vannak viszont még komoly gondjaim. lentebb leírom, mi. ha esetleg abban lesz ötleted, megköszönném. köszönöm eddig is. ádám
igen.
most az a helyzet, hogy 100ohm-on töltöm fel a FETeket és diódán, "0 ohm"on engedem le őket (elvileg az ir2184nek is van valamekkora ellenállása, tehát nem 0 ohm lesz a leengedés sem ezáltal). most az a helyzet, hogy szűrő nélkül a dolog tök jól működik,a PWM-et rávezetve egy hajszárítóra elmegy a cucc, gate-ekre rászkópozva közben látszik, hogy nincs keresztbenyitás meg semmi, fasza a dolog, DE: a szűrőt rátéve a dologra már vannak problémák, úgyhogy ezeket felvázolnám, hátha van ötletetek: 1.: sima L-C szűrő esetén ahhoz, hogy normálisan szűrjön a cucc, be kellett tennem egy 470uH-s folytót sorban és egy 1µF-ost párhuzamosan. ekkor a folytó melegszik eléggé (bááár jó kérdés, hogy ez mennyire baj, mert hallottam olyanokat, hogy 100 C°-ig oké a történet). Ekkor az a fő baj a melegedés mellett, hogy nagy a feszültség-esés a szűrőfokozaton, és így 115VAC helyett csak 90VAC jut a terhelésre, ami kevés nekünk. (maga a FEThíd elhanyagolható mértékben melegszik ilynenkor terhelés mellett is) 2.: próbáltunk olyan szűrőt, hogy kimenő ágban sorosan vagy egy sorba kötött induktivitás-kondenzátor páros (ezeknek a reaktanciája elvileg megegyezik a feszültségesés elkerülése végett), majd utánuk párhuzamosan egy párhuzamos-kapcsolásban lévő L-C páros, amiknek szintén megegyezik a reaktanciája. A feszültségesés így is megjelenik, illetve ebben az esetben a FEThíd nagyon melegszik. Van valakinek ötlete, hogy hogy lehetne elhanyagolható feszültség eséssel tervezni valami értelmes szűrőt? a PWM-ünk 40kHz, a rámodulált szinusz, amit vissza akarunk kapni: 400Hz. köszönöm ádám (csatolok egy móricka-rajzot a 2.-es pontban felvázolt szűrőről)
Lehet valamit tudni a terhelésről? Milyen jellegű, mekkora áramok fognak folyni? A legjobb lenne, ha a helyettesítő képét meg tudnád adni. Mennyire kell megszűrni a kimenetet, az az mekkora zaj engedhető meg (a 40kHz-es jelből), vagy másképpen megfogalmazva mekkora elnyomás szükségeltetik.
A 2. változatban ha jól értem, 400Hz-es rezonanciára hangoltad a szűrőt. Szerintem az ilyesmi veszélyes, mert a soros tagon nagyon nagyra fel tud szökni a feszültség. A fojtó milyen vasra van tekerve? Mi melegszik, a vas vagy a drót? Ha a vasveszteség miatt melegszik, akkor szerintem az az elsődleges oka a feszültség esésnek (a helyettesítő képe eltolódik ohmos irányba). Ha én szűrőt méretezek, általában igénybe veszem valamelyik szimulátor programot. Sok időt és próbálgatást lehet velük megspórolni.
A terhelés induktív jellegű, n db párhuzamosan kötött transzformátor. Sajnos pontosabban nem tudok, ez egy régi, orosz radar adóvevő egység.
3 A kell neki. Azt nem tudjuk, mekkora zajt bír el, de azért jó volna, ha a szinusz maximum 5%ban térne el a matematikai szinusztól. Igen, 400Hz-es rezonanciára hangoltuk, de igazából ezt a verziót hanyagoljuk szerintem, mert szopó Most azt találtuk ki, hogy sima L-C szűrőt rakunk be és nem feszülünk rá a feszültségesésre, hanem eleve nagyobb feszültséget kapcsolunk a FET-híddal és a szűrőn való fesz.esés után így megkapjuk a megkívánt értéket. Szerinted ez így korrekt?Szerintem inkább a vasmag melegszik egyébként mint a drót (a folytó 4A-es, tehát elvileg el kéne bírnia a delejt). Belinkelem a folytó adatlapját. Ha megnéznéd, hogy szerinted a paraméterei megfelelnek-e nekünk, azt nagyon megköszönném... nem igazán vagyok otthon folytókban, hogy miket kell nézni. http://ww2.pulseeng.com/products/datasheets/P589.pdf 51520-t vettünk. Ha esetleg nem stimmelne a folytó, akkor arról mindenképp beszéljünk. De amúgy ha melegszik is.... mondjuk 100 fokosra de tovább nem, akkor jó lehet az, hogy így használjuk és kész, igaz? (mármint hogy had' essen rajta fesz.) Jó kérdés, hogy idővel (hosszútávon) nem megy-e szép lassan tönkre a tekercs, amennyiben nem ideálisak neki a működési paraméterek?...Magyarul, ha bírja a 10órás próbaüzemet akkor elmegy-e 10 évig is?... Nagyon kösz a segítséget Ádám
Szerintem áramra és feszültség-idő területre is kicsi a fojtó.
Ha 3A a felvett ára effektív értéke, akkor a csúcsértéke több mint 4A, a fojtó meg 3,6A-es. Ha valamilyen egyenirányítós, pufferes tápegység van a radar adó-vevő egységben, akkor a 400Hz csúcsértékeinél ez akár a 3A effektív érték mellett 10A fölé is mehet. A 40kHz-es szűrő szempontjából ez "DC" áramnak tekinthető. Tehát az induktivitást a 400Hz-es áramfelvétel csúcsértékére kell méretezni. A feszültség-idő terület is kevés. 40kHz megfelel 25usec periódus időnek. Tegyük fel, hogy a kitöltési tényező 50%. Akkor 12,5usec-ig 162V van a fojtón, azaz 2025Vusec, a fojtó meg csak 420Vusec-es. Ilyen helyekre szerintem célszerűbb egyedileg méretezett, megtekert légréses fojtót rakni. Szerintem nem kéne megengedni, hogy egy fojtó 100°C meleg legyen. Ha a radar adóvevő egységbe is belepiszkálhatsz, akkor lehet hogy nem is kellene fojtó, a trafók szórását is felhasználhatod. Magyarán a trafók szekunderére teszel egy-egy kondit. Persze észnél kell lenni, mert most a trafók vasát veszed igénybe, ha azok alkalmasak erre. Az 5%-os zaj az azt jelenti, hogy 40kHz-en a szűrőtag soros elemének az impedanciája kb. 20-szorosa, mint a terheléssel párhuzamosan kötött. Nagyon meredek szűrő kellene, ha nem engedsz meg érdemi feszültségesét a soros tagon. Szóval teljesen korrekt, ha kiegyenlíted a feszültségesést. A múltkori beszámolódhoz még: Szerintem nem tesz jót az IR2184-nek, hogy kikapcsoláskor a belső áramkorlátján járatod. Lehet hogy melegszik, de akár ki is lehelheti a lelkét. Ha növelni kell a kikapcsoláskor az áramot, akkor vagy erősebb meghajtó kell megfelelő áramkorlátozással, vagy a meghajtó kimenetét kell kikapcsoláskor egy emitter követővel megtámogatni.
A google-lal keresve találtam egy ilyet kimeneti filter méretezéshez:
Bővebben: Link Egészen pontosan egy hálózatra kötött inverter kimeneti szűrőjét elemzi az írás. Ez meg egy háromfázisú inverterrel kapcsolatos. A következő írás is amúgy háromfázisú inverterhez kapcsolódik, de azért a benne szereplő példa talán hasznos lehet egyfázisú inverter készítéséhez is: IRF mintapélda illetve egy ott található inverter kapcsolás: Ez egy egyfázisú inverter tervezést mutat be: Talán még ez is segítség lehet Ez az oldal meg valami repülőelektronikáról ír, ahol is a 115V / 400Hz szükséges: bővebben... 400Hz -es átalakító |
Bejelentkezés
Hirdetés |













