Fórum témák
» Több friss téma |
Hali!
Talán most észreveszed.. :kalap: P21 helitrimm esetleg több darabból, P22 nagyobb wattitású, ha van pogácsás leszedővel, melegedik.
Sziasztok, jól láttam hogy ez Elektrokontha-ba van MAX038 nettó 5285Huf-ért?Csak hogy jól láttam-e, mert éppen a napokban határoztam el hogy építek egy generátort XR2206-al,vobblerre úgy néz ki nincs szükségem, így három kapcsolással szemezgettem:
1. RTÉK '97 2. Elektoros verzió 3. Urbán elektronikás Szükségem lenne nagyjelű kimenetre, és csak HF sávra kellene, ezért az RTÉK'97-es verziót építem meg. A kérdésem hogy ezt megépítette-e már valaki?A TDA2030 nagyon gyenge lehet a végére?100kHz-ig csak el kellene mennie, elvileg 140kHz a felső határfrekije.
Egyébként ha mást is érdekel újrarajzoltam a NYÁK-ot, kisebb módosításokkal.
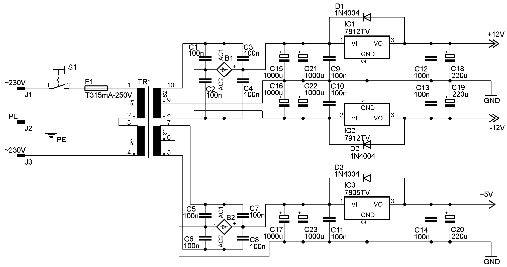
Valamint kiszeretném egy frekvenciamérővel is egészíteni a generátort, ez pedig itt a fórumon vicsys által publikált frekimérő lesz.Terveztem egy tápot is a készüléknek:
Én az Elektoros kapcsolást szintén a Vicsys által közreadott frekimérővel egészítettem ki, ajánlom hogy az XR2206 11-es lábáról hajtsd meg direktbe, így nem fog sem a jelalak, sem az amplitúdóváltozás belezavarni. Ha az Urbán félénél is földön van ez a láb szinusz és háromszög esetén akkor nyugodtan leveheted róla, nem fog átgerjedni. A TDA2030 szerintem több mint elég. Vizet lehet majd vele forralni!
Szia! Jól láttad a Max038-at, de már rég nincs nekik! Ez melyik generátor amit újrarajzoltál?
Ez az RTÉK'97-ben található, a TDA2030-as végfokkal.Sejtettem egyébként hogy nincs nekik MAX038, csak fenntmaradt nekik a listában.
Ennél a kapcsolásnál a 11-es lábról egy tranyóra megy a jel, ami TTL-re szintre állítja a négyszögjelet, ez nincs erősítve a TDA-val.Csak a szinusz és háromszög van erősítve,a nagyjelű kimeneten 100mV-10Vpp a jel.
Akkor nyugodtan kösd a TTL-kimenetre, a frekimérő FET-es bemenete úgysem fog ráterhelni jelentősen. Sikeres utánépítést!
"Apek" miatt nem törölheted talán 5 évig a listárol.
Szevasztok!
Itt a végfoknál az ún. impedanciaillesztőnek mi a feladata? (AD818-as) Miért van rá szükség, és mi történne ha elhagynánk? Köszi!
Hello!
Ha elhagynád az IC-t, a generátor nem bírná kivezérelni a tranyós végfokot, ha meg leterhelnéd akár ki is nyírhatja a generátor IC-t, de a kimenő jelbe mindenképpen beleszólna. Nagyjából arra jó, hogy a magas bemeneti impedanciájával nem terheli a generátort, így nem mászik el a frekvencia, (Lehet hogy az amúgy sem, nem ismerem a belső felépítését) megfelelő meredekségű lesz a négyszögjel, és a szinusznak/háromszögnek is kisebb lesz a torzítottsága. Meg persze a végfokozat meghajtására.
Nem is annyira az impedancia illesztés a probléma, mert a MAX038 nak a kimenőimpedanciája 12 ohm. De a max kimeneti feszültsége 2 Vpp, ami kevés lehet egy végfok kihajtására, vagyis éppen elég 0.77 Veff., de semmi tartalékod nem marad, a túlvezérlés mérésére. Mivel az IC maga elég gyors, szükséges egy viszonylag nagyfrekvenciás végfok használatára, ami a kimenőszint szabályozhatóságát a kívánt határok között megoldja, és nem rontja az IC kimenőjelének (négyszög, fűrész) tulajdonságait, és a kimeneti impedanciát is megfelelő kis értéken tartja. (nem egyszerű feladat)
Sziasztok!
Építettem egy függvénygenerátort XR2206-tal, és azt szeretném kérdezni, hogy a frekvencia stabilitását lehet-e valahogy javítani? A finomhangoláshoz 10 fordulatú potenciométert használtam, amivel szépen be tudom lőni a frekit, de utána elkezd mászkálni, pl 1 KHz-nél 5-6 Hz-t mászik ide-oda. Lehet valami AFC fokozatot kapcsolni ehhez, vagy az meg a jelalakot túrja szét? Nyugodjak bele, hogy ennyit tud az IC? Egyébként ezt az áramkört építettem meg: Bővebben: Link
Hello, a táp gondolom stabil, igy a hőmérsékletét lehetne még stabilizálni szerintem.
Vedd figyelembe az adatlapon közölt adatokat. Lehet, hogy nem ez a megfelelő áramkör a számodra.
Excellent Temperature Stability, 20ppm/°C, Typ. Wide Sweep Range, 2000:1, Typical Low-Supply Sensitivity, 0.01%V, Typ.
Köszi a válaszokat, ezekszerint hőmérsékletfüggő a dolog.
Jó az áramkör arra amire használom, de kíváncsi voltam, hogy mi a max ami kihozható. Akkor hagyom így, hobbi célra tökéletes, esetleg egy hűtőbordát teszek rá szilikon lappal, hogy nagyobb legyen a hőtehetetlensége. Üdv: Schnitt
A hűtőbordával nem lesz nagyobb (lényegesen) a hőtehetelensége, viszont jobban fog függeni a környezeti hőmérséklettől. Lecsökkented a hőellenállást a tok, és a környezet között. Ez a szerepe a hűtőbordának. Inkább szigeteld el a környezetétől, valamilyen hőszigetelő anyaggal, mint a termosztátoknál szokás. Ha nagyon precíz akarsz lenni, az IC mellé, a hőszigetelő búra alá építhetsz egy hőkompenzálást, thermisztor, és egy disszipáló ellenállás, vagy tranzisztor alkalmazásával, ami mondjuk 40 C fokon tartja az IC -t. (ha megéri)
Ezek szerint épp rossz tippet adtam, mert ha low és excellent, akkor épp nem függ (lényegesen) a táptól és a hőmérséklettől.
A szigetelés jó ötlet, köszi, ezt gondolom a forrasztási oldalon is meg kell csinálnom, mert az IC lábak onnét is átvezetik a hőt.
Viszont ha a szigetelés alá teszek aluminiumlapot, ami az IC térfogatának többszöröse, az már tényleg a hőtehetetlenséget növeli.
Miért, a 20ppm/C-be belefér, amit írtam.
Ha sikerülne 1 fokon belül tartanom, a táp meg nem ingadozik, közelíteném az ideálisat. Mostmár csak elektromosan semleges tűzálló szigetelőanyagot kell találnom, mégsem tömhetem ki a dobozt vattával
Ami jól vezeti a hőt, az nem növeli a hőtehetetlenséget, legalábbis nem nagyon. Nem tudom hogy a hőszigetelőnek miért kell tűzállónak lennie, mikor 40 C fokról beszélünk, de ha fontosnak tartod, pakold bele egy agyaggolyóba, tűzálló is, hőszigetelő is, meg a hőtehetetlenséget is növeli. De szerintem purhab, vagy nikecell bőven megteszi. Ha ezt a kis áramkört is ráteszed, bőven jó, ha már kristályos időalapoknál is bevált. És ha ügyes vagy, akár 0.1 C fok pontossággal is tarthatod az IC hőmérsékletét.
Az IC re (nem tudom milyen tokozású) ha rászorítasz egy BD hűtőlapját, és arra egy termisztort, megoldott az érzékelő, és a fűtőtest is, és azt beborítod purhabbal. Meglehet nem lesz szép, de jó biztosan
A gyári adat 20ppm/C. vagyis nagyjából 1 MHz-en 1 fok különbség 20 Hz változást fog okozni a kimenő jelben. Kályhát a legegyszerűbben úgy készíthetsz, hogy egy rézlemezt ragasztassz az IC-re, rá egy termisztort, meg valamilyen TO220 tokozású tranyót. A termisztorral egy feszültségosztót alakítassz ki, aminek a másik tagja egy potméter, amivel a főfokot állítod be, és az osztóról vezérled a tranzisztort. A rézlemezed hőtehetetlenségétől függően, így pár perc alatt be kell állnia a stabil hőmérsékletnek, onnantól kezdve lehet pontosan méricskélni. Nekem van egy csöves voblerem, az fél óra alatt melegszik át annyira, hogy lehet vele értelmesen mérni
![]() (Már megint nem vettem észre hogy az új lapon ott a megoldás...)
Tán ha beállítanád az "idő szerint csökkenő" opciót, mindíg az utolsó hozzászólás van legfellül.
bmajor, pucuka, koszonom mindkettotoknek a tanacsokat.
A tranzisztorra nem kell valami terheles, hogy melegitsen is? Mar csak azt kell valahogy megoldanom, hogy a termisztor ellenallasat merni tudjam a vicsys -fele frekimero PIC-jevel, es homerseklet formajaban kiirassam a kijelzore. Akkor latnam egybol, hogy uzemi hofokon van-e az IC Idézet: „latnam egybol, hogy uzemi hofokon van-e az IC” Ha csak ez a feladat, a tranzisztor állapotát egy LED-del indikálva is meg lehet oldani ezt a problémát. Tekintve a tranzisztor tömegét, valószínűleg kapcsolgatni fog. Terhelés nem kell, mert az lehet a tranzisztor maga.
Szervusz!
Szerintem a problémád inkább a frekvenciameghatározó RC elemek hőfokfüggéséből ered, ami jóval nagyobb az IC 20 ppm-es értékénél! A kondenzátoroknál már 100-200 ppm is igen jónak számít. Kritikus helyzetekben pozitív és negatíf hőfokfüggésű kondenzátorokat kötnek párhuzamosan... Ellenállásoknál azért jobb a helyzet, főleg ha fémréteg ellenállásról van szó. A fémoxidot (200ppm) kerülni kell. De ha már termosztátot akarsz készíteni, akkor az RC elemeket kell temperálni, sőt legjobb lenne nem az IC-vel közösen, mivel annak a melegedése hathat az RC elemekre... IstvánBővebben: Link
Szia! Érdekelne a tápegység kapcsolása, amivel táplálod. Szerintem ott van valami probléma. A hőtehetetlenség aránylag kevéssé szól bele a dologba, bekapcsolás után minden áramkörnek kell némi idő, amíg beáll. Nekem az Urbán féle mászik egy kicsit, de nem 5-6 hertzet. Először pár tized, némi kis idő után pár század az elmászás. Mielőtt a tápomat rendesebben megszűrtem volna, nekem is mászkált rendesen. Ha stabkockát használsz, mindenképp tegyél a lábakhoz lehető legközelebb a ki és bemenethez egy egy 100 nf kondenzátort. Nekem ez nagyon sokat javított rajta.
|
Bejelentkezés
Hirdetés |


















