Fórum témák
» Több friss téma |
Fórum » Transzformátor készítés, méretezés
Ha kérdésed van, az alábbiak segítenek a hatékony választ megadni:
Mag típusa: M, EI, UU/LL esetleg I-kből összerakott, tekercselt, toroid. Lehetőség szerint képpel.
Méretek: magkeresztmetszet a*b (amit a tekercs körbeölel) ablakméret, lánc és toroidnál, belső-külső méretek.
Primer-szekunder feszültség(ek), teljesítmény igény.
De légyszi, tanuljátok már meg: nincs olyan trf ami +- os!!
A trf váltakozófeszültséget kap és ad le! Egyenirányítás után lesz belőle egyenáram csak. A transzformátorod tehát 2x24V-ot tud szekunder oldalon. Egyenirányítás és egy nagykapacitású kondenzátoros szűrés után már nem egy egyszerű trf, hanem tápegység. Ez már lehet +- 24V-os. (Bár a Te trafóddal gyök2 x 24 vagyis +- 34V -os tápegység építhető - ez terhelés nélkül mérhető rajta)
had kötözködjek egy kicsit: (24V-1,4V)*gyök2=31,866V
az 1,4 a graetz egyenirányítás miatt van
Jólvan jólvan!!!
Tehát 2x 17 voltom van(AC), csak nem akartam formáliskodni... Értettétek így is De akkor tényleg lehet hogy az lesz hogy leágazást csinálok róla... vagy nem. Azért köszi mindenkinek! Peti
Én is kötözködnék, mert ne az effektív értékből vond le a diódák nyitófeszültségét
Én is had kötözködjek egy kicsit: A hálózati trafók névleges szekunder feszültségét egy kicsit szándékosan túlméretezik. Üresjárásban szinte mindig nagyobb a szekunder feszültség a névlegesnél: nekem 24V-os trafónál 26,2VAC mérhető.
Azért csinálják így, mert a szekundert folyamatosan terhelve egy kicsit lecsökken a feszkó, ezért túlméretezik kb. 10-20%-al, hogy névleges terhelés esetén még a névleges feszültség maradjon. És szerintem 3 tizedesig meghatározni a feszültséget már kicsit túlzás. Ráadásul a hálózati színuszjel csak nagyon nagy jóindulattal mondható színuszjelnek, mert inkább a trapézra hasonlít, ebből adódóan a gyök2 sem fedi a valóságot .
Nemrég néztem és nálunk majdnem színusz, de semmiképpen sem trapéz. A többi korrekt.
Megint én...
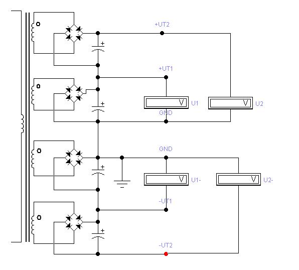
HA a leágaztatást választom és meg csinálom a trafót olyanra, mint a rajzon (sematikus) és megvannak a kivezetéseim, akkor hogy csináljak belőlük egyenáramot???? Két egyenirányítóhíd kell az már biztos... De hogy kössem be őket? Köszi. Peti
oké, értem a célzást, nem kötözködök
(egyébként azért lett 3 tizedesjegy pontosságú a számítás, mert csak beilleszettem a számológépből)
Sajnos ez így csak kompromisszumokkal használható.
:yes: Ha a nagyobb feszültségen akarod használni: K1 - V2 - közös K2 - poz. ág dióda (anód) V1 - neg. ág dióda (katód) Ha a kisebb feszültségen akarod használni: L1 - V2 - közös L2 - poz. ág dióda (anód) V1 - neg. ág dióda (katód) Ha a legkisebb feszültségen akarod használni: K1 - L2 - közös K2 - poz. ág dióda (anód) L1 - neg. ág dióda (katód) Persze használhatsz diódahidat is egyenirányításra (ez aj obb). Ekkor az K2 - V1, L2 - V1, ill. K2 - L1 kivezetésekre a diódahíd váltó kapcsait kötöd, a poz. ill. neg. ág pedig a híd megfelelő kivezetése. OK? :yes:
Helló
Basszus amiket most elolvastam az alapján csak azt tudtam leszűrni, hogy nekem van 2 toroidom, mind a 2 egyforma és csak 1 szekunderuk van. wSzeretnék a kettőből kettős tápot csinálni, szóval arra gondoltam, hogy összekötöm a szekunderek 1-1 végét abból lesz a 0 a másik kettő a + és a - . De akkor most ezt nem lehet megvalósítani, vagy hogy van ez? Idézet: „Szeretnék a kettőből kettős tápot csinálni, szóval arra gondoltam, hogy összekötöm a szekunderek 1-1 végét abból lesz a 0 a másik kettő a + és a - .” ezt lehet, ha a trafók, minden hogyan egyformák, VA és VAC. üdv
Ha jól értem, akkor neked kellene 2 szimmetrikus feszültség.
én ugy képzeltem ezt, hogy minden diódahíd egyik bemenetére a tekercsk közösített vége jön, a másik végeire pedig a többi leágazás. A 4 diódahíd megfelelő kimeneteit összekötni közösnek, a maradék kimenetek pedig adnák a közöshöz képest a feszültséget. Tulajdonképp nem csináltam mást, csak 2 szimmetrikus tápot közös földponttal. Valahogy így csinálnám meg, elvileg működnie kéne. Többiek szerint ez így jó?
Huh... :no:
Nézd át a rajzodat, rossz! A pozitív és a negatív táp közöse a trf. tekercsek közösített tekercsvégeinek kell lenni! :yes: Egy-két zárlatot raktál a rajzodba.
hát nem tudom... szimmetrikus tápot azt mondták, hogy ilyen felépítéssel jobb, bár abban csak két diódahíd volt és két kimenet. Azért gondoltam, hogy a négy kimenettel rendelkező tápot is így építsem fel. Ezek szerint nem jó, de ha lesz időm kipróbálom. Te hogyan gondoltad a felépítést??? rajzot küldesz?
Több probléma is van vele.
- Eltérő potenciálú pontokat testelsz össze, ami füstöt eredményez. - Középleágazásos trafónál miért Graetz hidat használsz? Kell feszültségenként 2 db. dióda és megfelelő polaritással bekötve őket kiadódnak a szükséges feszültségek. A test pedig a trafó középleágazása lesz.
"Középleágazásos trafónál miért Graetz hidat használsz?"
Azért, hogy kétutas legyen az egyenirányítás (mind a két periódust kihasználja, úgy a pozitív, mint a negatív irányban). Te is azt ajánlottad: "Kell feszültségenként 2 db. dióda és megfelelő polaritással bekötve őket kiadódnak a szükséges feszültségek." Hajól megnézed, az a 2x2 dióda éppen 1 diódahíd. :yes: A 33969-es hozzászólást nézd meg. :yes: Attól még rossz a rajza, és valóban kijön belőle a működtető füst.
Egyet is értünk meg nem is...
Középleágazásnál elég a 2-utas egyenirányításhoz 2 db dióda...ami persze (+-) - os tápnál kiadja a hidat ![]() Azt hiszem ugyanarról beszélünk......én a rajot értelmezve nem értettem, hogy miért használ egy (+-)-os ághoz 2 hidat.....
Megnéztem a 33969-et , mostmár biztos, hogy ugyanarról beszélünk
Szia Peti_85.
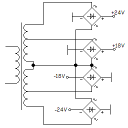
Szerintem készítsd független kivezetésükre! Azaz minden tekercs legyen elkülönítve a többitől. Mivel a tekercsek menetirányi megegyeznek, ezért nehéz bármilyen helyes megoldást javasolni, ha a megcsapolást választod!!! A Négy teljesen független tekercsre, csak egy-egy (4DB) egyenirányító kell. S az egyenáramú kivezetésekkel kell a megfelelő kapcsolást kialakítani. "Két Db, soros kapcsolást a megcsapoláshoz, és a +- oldal kialakítása." Ezzel kifogástalan lesz az egyenirányítás, és elvileg így, a legnagyobb energia vehető ki a trafóból... Kép mellékelve... Egy kérdés a ráérőknek, vagy akinek kedve van hozzá : Mekkora feszültség mérhető a kivezetések között, ha az alábbi módon tekerem meg és kötöm el? Veszek két huzat. Ezeket, egymás mellet, sorról sorra vezetve feltekerem. Meneteik teljesen megegyeznek. Az egyik tekercsen a fesz "mondjuk, legyen" 12VAC. A kezdő végeket össze kell forrasztani, de lehet akár a befejező véget is. U egyik: 12AC U másik: ? U soros: ? És kérek egy indoklást is! Köszönöm. _jani_
üdv
kiszedtem egy commodore 64 monitorjából egy trafót ez van ráírva: 3138 108 30620 YN 840402 TWN.PAT.NO.24906 a primer feszültsége: 220V és a szekunder menetszám sokkal kevesebb. Mekkora a feszültsége és a teljesítménye?
U egyik: 12AC
U másik: 12V AC U soros: 0V Az azonos végek ekvipotenciális pontok. Aki végigolvasta a topicot, az már találkozott vele. :yes:
Persze ez nem soros, hanem párhuzamos kapcsolás.
Kösd rá a primer oldalt 220V-ra, a szekunder feszt megméred.
Ha nem férsz hozzá a primer tekercshez, nem tudod megmérni az átmérőjét, akkor a terhelhetőséget vagy a vasmag keresztmetszetéből (ehhez sem igazán lehet hozzáférni), vagy kisérletezéssel határozod meg. Ehhez a trf-t először kb. 25-30 VA-el terheled folyamatosan kb 1,5-2 h, ha 40-45 fok fölé melegszik, akkor elérted a terhelhetőség felső határát. A további lépések azt hiszem magától adódnak... :yes: Azt azért jó tuni, egyes transzformátorok üresjárásban is erősen melegednek, ha már kb. 20-25% terhelés van rajtuk, akkor szinte "kihülnek". Ritka, de ilyen is van (túlgerjesztett mag)!
Igen Erről lenne nagyvonalakban szó! :yes:
Csak elő elő fordul h előbb kérdez, s aztán (talán) olvas, ha nemkap azonnal válasz. Meg hátha így, egy példával jobban megmarad, ha egy "(jóértelemben vett) KEZDŐ" is utáma gondol... Aki még tud, irhat más indoklást is!!!
hali!
Valaki tudna nekem segíteni? lenne egy olyan kérdésem ha egy áramkörre nagyobb Amper-ral rendelkező trafót kötök rá mint amekkora kéne mi történik.Vagy honnann tudom meghatározni azt hogy mekkora kell?
Mint ismeretes, a primer és szekunder tekercsen nagyjából egyforma a teljesímény. Szóval ha én letranszformálom feszültséget, akkor a szekunderen nagy áramnak kell lenni kis feszültség mellett. Tehát ha a maximális áramot akarom a szekunderen, akko csak nagyon-nagyon kicsi ellenállás lehet az áramkörben (Ohm-törvénye alapján)?
Vagy pedig tranyóval kell erősíteni az áramot?
Tekerj a szekunderre 1! menetet!!! CSak jóóóóó vastag réz"drót" legyen!!!
Peti
1; Meglehet, h. :yes:
2; Ha a berendezésre nagyobb teljesítményű táp.trafót teszel mint amekkora feltétlen kell, az nem baj. "Némi teljesítmény tartalék nem árt!" Ekkor a készúléket (áramkört) védő biztositékot kell megfelelően métetezni, mert ha a készülékben (áramkörben) azárlat keletkezik, az a nagyobb teljesítményű trafónál sokkal magyobb áramot eredményez, aminek hatását gondolom nem kell, h. részletezzem. 3; Legegyszerübben a P = U * I képlettel tudod meghatározni a minimálisan (optimálisan) szükséges teljesítményt. Több szekunderrel rendelkező trafónál, a szekunder teljesítmények összeadódnak... |
Bejelentkezés
Hirdetés |




.
(egyébként azért lett 3 tizedesjegy pontosságú a számítás, mert csak beilleszettem a számológépből)
:yes: 

más indoklást is!!!





