Fórum témák
» Több friss téma |
Fórum » Transzformátor készítés, méretezés
Ha kérdésed van, az alábbiak segítenek a hatékony választ megadni:
Mag típusa: M, EI, UU/LL esetleg I-kből összerakott, tekercselt, toroid. Lehetőség szerint képpel.
Méretek: magkeresztmetszet a*b (amit a tekercs körbeölel) ablakméret, lánc és toroidnál, belső-külső méretek.
Primer-szekunder feszültség(ek), teljesítmény igény.
Ez stimmel. Arányos a primer ellenállással (2.8 Ohm). Mi a meglepő abban , hogy 3 egyforma tekercsnek egyforma az ellenállása? Akkor lenne baj, ha nem így lenne.
A hozzászólás módosítva: Ápr 22, 2013
Csak az az egy marék tranzisztor és dióda...
Persze semmi infó erről az áramkörről vagy készülékről. S ha van is csak annyi, hogy tonnaszám készítik ( készítették ). Javítani úgy elég nehéz valamit ha nincs róla semmi infó. De nem is ez a lényeg hanem, hogy a normál ( vagy elfogadható ) üzemállapotot visszaállítsam a ti segítségetekkel. A segítőkész szándékot meg köszönöm.
Egy visszarajzolást megpróbálhatnál készíteni, hogy lássuk, mi a csel benne. Szerintem más baja lesz. A trafó jóságát ki tudod próbálni kisebb 3~ú feszültségen, pl. a 630-as trafó 42V-járól. Ha ott szimmetrikus, áttétel-arányos feszültségeket, áramokat mérsz, bátran leterhelve, akkor más a bibi. Ez a trafó, -mivel lemezelt, kiválóan tesztelhető 50Hz-ről is.
Saccolgattam: ha megnézzük, kb. mennyi lehet a primer menetszám, szorozzuk közepes menethosszal, és ró x l/A; cca. stimmel a 2.8 Ohm. A hozzászólás módosítva: Ápr 22, 2013
Csak a + közös ágba egyet. Sajnos nincs több izzó kéznél. De ez is jól szemlélteti ha nem stimmel valami az áramkörrel.
Pár paraméter a tranzisztor panelről: 6db BU208A 5A 700V ( teljes hídba kötve ) egy-egy roppant kicsi, 50mm * 34mm * 1mm-es L aluminium lemezen. 6 BY133 soros dióda. Ezek a tranzisztort védik. ( BY299-esekkel helyettesítve. ) 6 KД411 Ellenpárhuzamos ( eredeti ) dióda. 600V 2A. [off]A tápegység ennél kicsit izmosabb... A hozzászólás módosítva: Ápr 22, 2013
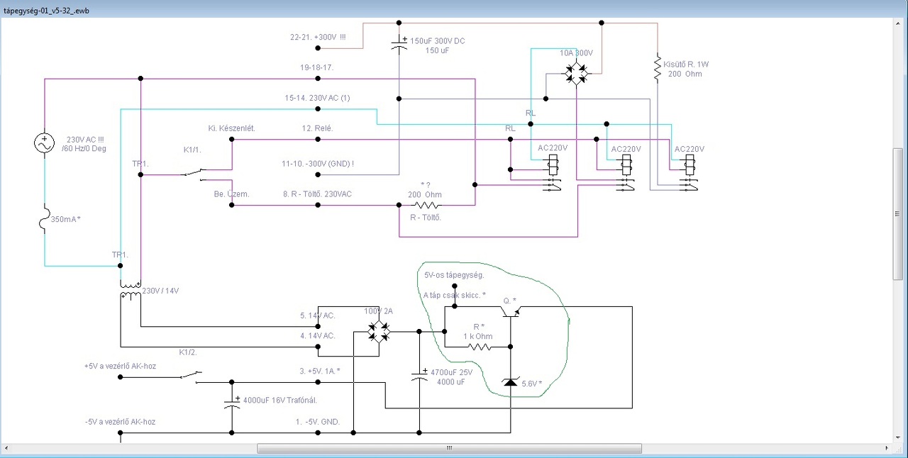
Van már pár EWB-s kapcsolás. Előre is elnézést kérek a gyenge minőségért de hirtelen csak így tudtam nézhető formátumra konvertálni a látottakat.
Tudom lesz benne hiba. Majd javítom... A berendezés ebben a formában érkezett meg hozzám javításra! A tápegységnél az 5V-os stabilizátort nem rajzoltam vissza! Azzal nem volt bajom. A K1/1 és K1/2-es kapcsoló egy két áramkörös váltókapcsoló. Sok helyen egyszerre van jelölve a 320V-os panel csatlakozószáma az IC-s vezérlőpanel számával. Remélem el lehet majd igazodni bennük. Amit nem volt biztos azt kicsillagoztam. Ilyen PL a tranzisztor BU208A E-B védő diódája is. S az R-töltő ellenállás is ki volt égve. Ennek az eredője KB 200 ohm lehetett. Az impulzustranszformátor ellenállásértékei: Primer: 4.2 - 4.5 ohm között. Szekunder: 2.2 ohm . S a rajzok:
Megpróbáltam a visszatáplálást a motor felőli oldalról.
630VA-s trafó primer feszültsége 204V - 240V - 250V. ( Kicsit sántít még az inverter. ) A törpefeszültség a 630VA-s trafó 42V-os kivezetésén az orosz ( üres járású ) trafóval "megterhelve": 27.5V - 27.6V - 30V ( Y - ponthoz mérve: 13V - 15V - 15.7V Hmm, igen. ) 174V - 181V - 195V az üresjárati kapocsfeszültség az orosz trafón. ( Az Y - ponthoz mérve: 85V - 100V - 104V ) Vagyis a csillagpontokhoz képest mérve közel arányosan jön át a feszültség. Most fáradt vagyok utánaszámolni. De látszik. Sajnos csak ez az inverter tud részemre 3-fázist előállítani úgy ahogy... Nem tudom mennyit segítenek ezek az adatok. Egy fázis 42V 50Hz-vel még meg tudom próbálni az orosz trafót ha van értelme.
Sziasztok!
A múltkor vettem a börzén két pacsirta hálózati trafót. Véleményetek szerint mit lehetne tenni vele, mert dízelolaj vagy fűtőolaj szaga van? De annyira, hogy ha behozom a szobába akkor kb. 5 perc múlva nem lehet megmaradni tőle. Már kétszer lemostam vízzel, és 4 napig kint aszaltam a napon, hogy hátha rendbe jön. Amúgy hibátlan a trafó, és jó volna használni, viszont ilyen büdösen nem tudom beépíteni a készülékbe. Hogyan tudnám ezt szagmentesíteni?
Na ez vicces, jót derültem rajta
![]() Neked gondolom nem annyira vicces... Nem lehet hogy a szigetelő anyag szagát érzed? Bár gyanítom hogy pár évet eltöltött valami műhelyben félredobva és ott szívta meg magát. Még az is lehet hogy direktben is kapott az "áldásból". A teljesség igénye nélkül, csak ami az eszembe jutott: - Ha az a baj, hogy olajos helyre pakolták le, akkor lehet hogy csak a vasmag szívta meg magát. Akkor talán segíthet a benzines ruha, vagy kivasalni és mosóbenzinben átmosni a vasat. - Ha tekercs (is) megszívta magát, akkor az nagyobb szívás (azt már nem áztatnám be) bezinbe. Talán izopropil alkoholba áztatni? Az talán nem bántja a huzalt sem és a szigetelést sem, viszont jó drága. Síma alkohol sem biztos hogy nagy kárt okoz... - Vákumban megíteni (ahhoz meg nincs otthon eszköz)? - Esetleg lehetne lakkal impregnálni... Kíváncsi vagyok a többieknek milyen ötletük van...
Az izopropil alkohol a megoldás. Az egészet be kell áztatni.
A hozzászólás módosítva: Ápr 23, 2013
Egy rezsón felmelegíteném 70-80C°-ra, akkor kipárolog belőle. Foltbenzines áztatás is jó lehet az nem olyan drága mint a izopropil.
Sziasztok!
Hát annyira sajnos nem vicces a dolog, mert szeretném használni őket, és egy SE erősítőt építenék belőlük. Azt azért meg nem igazán lehet az erkélyen tárolni... Hát nem tudom, hogy a szigetelőanyagnak van-e ilyen szaga, gyanítom nem, mert a bakelitszag is jellegzetes dolog és azt megismerem. Szerintem is lehet hogy beleömölhetett valami cucc, vagy le lett festve, hogy "szebb" legyen, vagy nem tudom. ujfalusi: Az izopropilos áztatás jól hangzik, de nem tudom, hogy hol lehet kapni ilyet. Az Azúr vegyszerboltban van ilyen? _vl_: A műgyantás kiöntés nekem is eszembe jutott, de ezt sem tudom hogyan lehetne megvalósítani. Nekem a méhviaszban való kifőzés jutott eszembe, mert hallottam, hogy Bodonyban van egy fickó aki kifőzi a tekercseket méhviaszban, és hogy az jó. zolika60: Hát a napon aszaltam a trafókat bő 4 napig, forró volt mint a nyavalya, de nem segített. Nekem még az is eszembe jutott, hogy csinálnék valami dobozt a trafónak, ami hermetikusan lezárja és akkor nem tud kijönni belőle a bűz. A másik ötletem, hogy sima gyertyaviaszban kifőzni a cuccot, és hagyni, hogy az befolyjon a tekercsbe is. A pacsirtának nincs csévetestje, ilyen önhordó? kivitelű a tekercs és ott be tudna folyni a viasz. A kivasalás, és pucolás nekem is eszembe jutott, de az elég macerás lenne.
Neten csak beírod és jönnek a találatok. Sajnos olyan 1500 Ft/Liter magasságában kezdődik a dolog...
Szerintem a napon nem lesz 70-80C°-os egyenlőre még.
De ha mosó benzinbe beáztatod és kiteszed a napra az is jó Az sokkal alacsonyabb forráspontú illékonyabb és oldja a gázolajat ami vele együtt kipárolog. Motorcsónak versenyzők így szárították régebben a víz alá került gyújtótekercseket. Nem kell szétszedni sem, csak lepje el egy kis időre csepegtesd le és tedd i a napra. A hozzászólás módosítva: Ápr 23, 2013
Most látom a Hestore-ban is van, sajnos valóban nem olcsó.
Kimentem megszagolni még egyszer, sajnos más szaga is van, olyan füstös szaga is van, mintha leégett volna. Pedig nem égett le, mert működik a trafó, kipróbáltam. Minden fesz megvan, terheléssel is bírja a gyűrődést. A fűtőtekercseket tudtam kipróbálni, szépen zajtalanul működik a dolog, a két trafó feszültségei közt nincs különbség. Ebből is gondolom, hogy hibátlan. Lehet hogy valami fűtő pincében volt? A gyertyaviaszos impregnálásról mi a véleményed? Mondjuk amikor üzemmeleg a trafó, lehet hogy kifolyna belőle a viasz...
Nem leégett, csak megégett. Így már nem lesz hosszú életű.
Ajjaj, akkor ha füstszaga van akkor még nincs teljesen leégve? Újra kellene tekerni?
Előbb utóbb az lesz a megoldás. Ha a szigetelés kicsit megégett, akkor rideggé válik, és elporlad. A menetek pedig ha nagyon picit, de mindíg mozognak, így a szigetelés leválik, és menetzárlat lesz.
Azért ez nem biztos, lehet, hogy csak a gázolajos mocsok égett kicsit meg benne. Egy műgyantás impregnálás esetleg javíthat a helyzeten abban az esetben is, ha kicsit megpörkölődött. A viasz szerintem kiolvad, bár sosem próbáltam.
Az a gyanúm, hogy ez a régi kátrányos(bitumenes) impregnálású trafó (azért érzel gázolajos, füstös szagot, mert oldószert kapott). Csak akkor múlik el a szaga, ha oldószerben(benzin, széntetraklorid) jól kiáztatod, és kiszárítod (melegen;~7oC°). Utána viszont illene impregnálni, mert a tekercselés valóban elkezd mocorogni (fellazul). Ahhoz jó a legegyszerűbb impregnáló gyanta is, vákuumozni sem kell.
Skori méretező programjával: Link is ezek az értékek jöttek ki:
U=300V, B=0.9Tesla, A=7cm2, F=200Hz, N=536 ( 300 Voltra, 3 ohm mért ellenállással ). I=1A, Áramsűrűség=2.5A/mm2, Huzal keresztmetszet=0.4mm2, Huzal átmérő=0.70mm . Ha a csillagkapcsolás feszültségét is figyelembe veszem akkor 2 ohm -ot kellene mérjek az egyes tekercseken. Az orosz transzformátort kipróbáltam 230V 50Hz-vel is. A szekunder oldalon 36V-ot mértem. Vagyis a tekercsek jók. Lehet volt pár gyenge tranzisztor még ami jónak mutatta magát amikor műszerrel kimértem. Csak a terhelést nem bírta. Utána meg lehet túl óvatos voltam... Lassal eljön a főpróba ideje is. Még egyszer köszönöm a segítséget.
Ez a transzformátor hány wattos lehet TV ből van?
Ha odaírnád a méreteit, vagy a TV típusát; esetleg valaki megsaccolná
Sziasztok! Volna egy toroidom de nem tudom hány watt lehet valaki megtudná mondani kb mennyit bírhat. 2db tda7294 hidat szeretnék vele hajtani majd.
A súlya 3-4kg 2x29voltot ad le a huzal 1.33mm digi tolómérővel mérve. A méretek a képeken. A segítséget előre is köszönöm.
Ittvannak a méretek, remélem követhető.
Szia! A méret és a huzal alapján 300VA-es. A két hídtól melegedni fog ha erősen hajtod.
Köszönöm a választ. Van még 2db ugyan olyan trafóm. Szerinted melyikkel lenne jobb? A toroiddal vagy a 2db ugyan olyan trafóval Ennek se tudom , hogy hány wattosak. Mellékeltem a képet rajta van a méret a súlya 1db-nak 2,8kg. A 2x25voltot használnám fel. Azért majd szeretném hajtani csak azt nem tudom melyik trafó lenne jobb.
Köszönöm előre is a segítséget.
A lemezes trafóval viszonylag egyszerű a helyzet, mert a 2*33V*3A-t összeszorozva 200VA-t kapunk. Örömünket árnyalja, ha a 25V a 33V megcsapolása, mert a 3A terhelhetőség a 25V-os kimeneten sem léphető túl a szekunder vezeték túlzott melegedése miatt. Így amit hasznosítani tudsz az 2*25V*3A azaz 150VA. A két lemezes trafó így annyit tud mint a toroid magában.
A megoldást egy olyan transzformátor jelenti, melynek teljesítménye 400 és 600VA közé esik, szekunderei terhelt állapotban 24-27V-osak.
Köszönöm a segítséged. Van még itthon egy 400wattos trafóm csak az a baj, hogy 2x36volt jön ki rajta. Esetleg letekerni róla de az nem az én területem.
|
Bejelentkezés
Hirdetés |






Hát nem tudom, hogy a szigetelőanyagnak van-e ilyen szaga, gyanítom nem, mert a bakelitszag is jellegzetes dolog és azt megismerem. Szerintem is lehet hogy beleömölhetett valami cucc, vagy le lett festve, hogy "szebb" legyen, vagy nem tudom. 










