Fórum témák
» Több friss téma |
Fórum » TV hiba, mi a megoldás?
A magasfesz bemenetnel begtorolgetem a kepernyot, ha bedugom szepen cserszeg a torolgetes ,gondolom azt jelenti ,hogy nagyfeszt kap tehat nincs kimenve a trafo , elenben nem gyul ki a kepernyo lampa. Igy talan tudtok segiteni. Mi lehet a baja?
Ha csak gondolod az még kevés .Méregetni kellene , de szerintem ott nem jársz még.
Tehát ha feltételezzük , hogy minden meg van aminek kell lennie , akkor sajna képcsöves a tv.
Hol merjek? El tud romlani a kepcso a kisulesektol? en arra gondoltam hogy valami ki mehetett a viszaramtol vagy aramlokestol,
Szia!
Ez a "nem gyúl ki a képernyő lámpa" azt jelenti, hogy nem izzik a képcső fűtőszála?
Gondolom igen a valasz, olyan fenye volt edig (amig mukodott) mind egy futoszal-e, mar regebb volt az a problemaja ,hogy nyomva kelett tartani a P+ gombot es a TV-e adig probalkozott mig begyult , de most semmi. Megtalatam az elektrotanyan a kapcsolasi rajzot de nem tudom letolteni , gondolom ha elotem lenne joban tudnatok segiteni , igy csak talalgatni fogunk mi szakadt meg vagy egett el a kisulestol.
Azért kellene méregetni a táp résznél.
Van olyan igen amikor megszalad villám stb.De az általában a tápot viszi , vagy processzor stb. De ha a sorkimenő csattant , akkor még szokta vinni a processzort is , ha olyan a tv. Ha pedig eddig olyan fénye volt , mint egy fűtőszálnak attól még lehet szakadt a képcső , azért kellene méregetni. Van erre egy két trükk szakmai berkekben /képcsőre menő csatlakozásnál üveg felület kopogtatása stb / , de előbb méregetni kellene az lenne a fontosabb.
A kerdes az hogy a kepcso elromolhatott a kisulestol? Ami meg fontos a tipusara nezve az CUC 7303.
Hol kezdjem a meregetest? Sajna meg mindig nem tudtam letolteni a rajzott.
Meg van nekem a rajz , de ide méret korlátozás miatt nem tudom neked feltenni.Milyen képcső van benne ?
Mellékelten ide felteszem mire gondolok. A hozzászólás módosítva: Júl 15, 2013
philips.
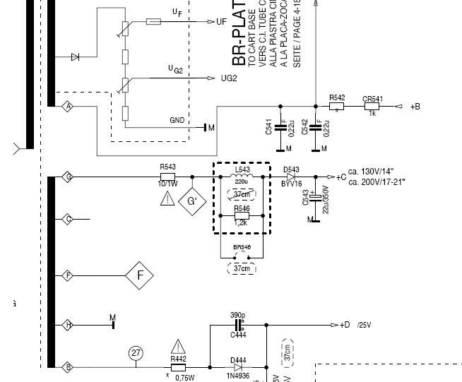
Ugy latom a futoszal (egy 1cm hoszu 1mmszeles plejecske ami lilla) a 10-es labon jon ki, nincs megszakadva, hany voltot kene merjek rajta ha elmegy adig az aram, latom egyanaram kell legyen mert + van jelolve.
Ott van +105v.
Azt hogy látod , hogy nincs megszakadva az nem biztos , hogy úgy is van. Ha a +105v ott nem lesz meg akkor örülhetsz , mert akkor a tápnál kell keresni a hibát , de ha meg van , akkor sajna vége a képcsőnek. A hozzászólás módosítva: Júl 15, 2013
Bocs 21-es , de meg ertetem a nagyobb fesz kel legyen. merek es jovok.
A P+ nyomva tartva a hangszoro patog mind ahogy szeretne indulni de fesz nincs a futo szalon, 1-2 volt oszcilal a patogasal.
Valami megfogja , akkor a tápot .Persze ha jó a táp .
A sorkimenőre gyanakodnék.De ne menjünk annyira alőre. Nem tudom meg van e már a rajz meg van ? Ha igen minden ponton mérd meg , hogy meg van e a jelzett érték , ha igen csak a +124v nincs meg , akkor ezt a kört szabaddá tenni , és egy 220/60w izzót tenni rá , csak a +A pontra, és úgy megnézni .Nem tudom ismered e ezt a dolgot.Mert ha úgy fog világítani az izzó , akkor sajna sorkimenő halott lesz.
Multiméterrel nem tudod rendesen megmérni a sorimpulzusokból álló fűtőfeszültséget. Ha látszik az izzás a képcső végén, akkor biztosan működik a sorvégfokozat.
Igen egy keveset felizik a futoszal. talan csak 1 tuhegynyi pontban.
"eyes" a kepcson levo panel nem olyan mind a rajzokon amit letoltotem, a kepcso 10-es es 11-es laba kozt 250volt-ot merek ha probalom bekapcsolni, ami lasan kisul keszenleti alapotban,
Mi van a sorkimenőre írva TR550 29201 ?
Mert ennél nincs 11 es láb.Egyébként amit , írtál , hogy 21 es a képcső ennél 200v kell legyen a G A hozzászólás módosítva: Júl 15, 2013
M*29221 van papiral ragasztva a trafora. En a kepcso 11-es labarol beszeltem.
A taprol (U1 2-10) elmegy a fesz 147V keszenleti alapotban, 128V ha probalom bekapcsolni a trafo 8 labara , de a kepcsore mar nem erkezik feszultseg (a kepcso 10 es tap foldje(10) =0) Melekelek 1 rajzot a taprol hogy ertsed miert irkaltam azokat a szamokat. en edig ezt a rajzot talaltam.
Pontosaban ezt irja a trafon M*29221-031.57* grundig 002011.
Azt a pdf is sikerult letoltenem a szuper gyors halozatomal , de nincs benne ez a tipusu TV-e, T55-3055, pedig en most ezt butykolom. Na sikerult feltoltenem a kepet a taprol
Biztos , hogy T55-3055 nem pedig 3035 ?
A cuc 7303 alappal nem szereltek 3055 öst.
A három másik tv miről megy ?
Véletlenül nem arra laksz ahol már lekapcsolták az analóg adást ?
de igen a 35-os . Ebben a huto borda nagyobb mind amit te melekeltel, talaltam kepet is rola a neten.
megmertem a G(6) kimenetet mikor inditani szeretnem es 270voltra is fel megy (az en mero muszeremel)
Most ne azt nézd , hogy éppen a sevice manualra milyen képet tettek anno fel.Hanem azt , hogy írás szerint T55-3035 , és az benne van, tehát 3055 ös nincs , és mint írtad a tiéd is 3035 tehát nem 3055 .
Ennél 200V nak kell a G nek lenni , neked azért megy fel 270 re mert a kör szakadt , és a táp utána már letílt , és azért látod (kisülni) csökkenni aztán ezt az értéket. Sajnos szerintem képcsőhibás lesz.
Azt hogyan tudom leelenorizni?
Elenben ha most a nagyfeszhez nyulok csvarhuzoval akor ne ut at mind regebb, azt mivel lehet kimerni? (Volt regebb egy fazisceruzam , azt ha kozel vitem a nagyfeszhez vilagitot, elveszett es nem kapok sehol, mi lehetett a belsorajza epitsek mast, csak zarojelbe irtam tudom hogy nem itt a helye)
Hú ember ha így fogsz nyúlkálni benne , akkor nem biztos , hogy szükséged lesz legközelebb akármire is.
Legközelebb ha kérhetlek NE TEDD !!!!!!!!. Egy sima fázis ceruzának nincs akkorra szigetelési ellenállása , hogy megfeleljen annak amire te használtad. Szóval még egyszer NE OK ? Ha a sormeghajtás , és a tápnál minden rendben van , akkor , vagy sorkimenő , vagy képcső lesz nincs több verzió. Ha kipróbálod az izzós módszert megtudhatod , hogy stabilan meg marad e a 200v , vagy az izzó is elhalványul .Ha elhalványul , akkor táp , ha nem , akkor sorkimenő , vagy képcső. De bármit is ténykedsz ne nyúlj olyan részre ami áram alatt van.!!!!! A hozzászólás módosítva: Júl 15, 2013
Az egot nem probaltam mert nincs ithon.
Tehat tisztazuk, a taptol megkapja a 149V-ot a trafo, a trafo kiadja a 270V akor ezen a vonalon le van tisztazva? ha rakotom az egot a sorttrafo G-re es eg (itt kotelezo a 60W-os?) akor kepcso hiba? A nagyfeszt ,hogy tudom leelenorizni hogy ade a trafo? meglehet hogy elszalt az a resz!?
Mi az a "G"? A G2 segédrács feszültség vagy a G katód feszültsége? Mert nagyon nem mindegy.
A sorttrafo G laban levo feszultseg, persze a dioda utan.
Nyugodtan lehet katódtápfeszültségnek is nevezni.
|
Bejelentkezés
Hirdetés |









