Fórum témák
» Több friss téma |
Fórum » UAA170 helyettesítése PIC-el
Témaindító: Marty McFly, idő: Jan 26, 2008
Sziasztok!
A problémám a következő! Bementem a boltba hogy vegyek egy UAA170-es IC-t! Erre kapom a választ hogy már 10 éve nem gyártják! Volt raktáron de azt mondák hogy 2 ezer forint! Pedig 2 héttel ezelőtt még kaptam 400Ft-ért! Arra gondoltam hogy PIC-hez írni kellene egy programot, hogy ugyanazt tudja mint az UAA170, és ezzel esetleg lehetne helyettesíteni! Ez lehetséges volna a gyakorlatban? Jah és tudom hogy ez itt nem az üzletelések helye, de ha valakinek van otthon elfekvőben 1db akkor azt szívesen megvenném!
Hello, igen egy PIC képes erre a feladatra, bár ez az IC sok mással helyettesíthető. (pl LM3912) Ha ezek nem is tudnak 16 LED-et, sorbaköthetsz kettőt...
Pl mivel helyettesíthető? 1-1 be nem lehet helyettesíteni? Mert az a baj, hogy kész van az áramkör csak meghalt az IC, és az volna a legjobb, ha csak be tenném a hyelyére az új IC-t!
Hi!
PIC jó a feladatra, az A/D feszültségértéke alapján tudod vezérelni a LEDeket. Még a fényérzékelést is meg lehet oldani, ami az adatlapban van (PWM meghajtással). Erre a célra egyébként van más IC is: UAA180, LM3915, LM 3914 (lineáris)...
national semiconductornak vannak az LM3914, 3915, 3916 Dot/Bar driver IC-i, szerintem ezek kellenek neked.
Jah bocsi figyelmetlen voltam! Látom írtál példát is! Ezzel 1-1 lehet helyettesíteni? Am ehhez a kapcsoláshoz kell!
1:1-be nem igazán lehet helyettesíteni PICkel sem. Más lábnál lesz az A/D bemenet, más lábakon lesz a kimenet (portok). A helyettesítő ICknél is kell módosítani a nyákot...
Hát google. Nem ismerek lábkompatibilis típusokat, de nincs bonyolult környezete, építsd meg. Végy olyat, ami van a boltba....UAA 180, A277D bár ez is egy régi NDK-s típus
Van itthon egy UAA180-am, de annak 2-vel kevesebb lába van, meg az adatlapja szerint csak 12 ledhez való!
Építsd meg két UAA 180-nal és kész. Az első UAA180 az eslő 12 ledet vezérli, a másik a maradék 4-et, így ha dobozban van, akkor nem kell átfaragni az előlapot. Igény szerint így 24 ledes lehet maximum.
Ez jól hangzik de kapcsolást nem tudom módosítani hozzá! Ebben tud valaki segíteni?
Hát ha PIC-el akarsz helyettesíteni, akkor egy egész jó megoldás lehet a PIC24-es család. Mondjuk ez is csak részleges megoldást jelenthet, mert tápot adni kell neki. De a lábai tetszőlegesen kioszthatók, te tudod meghatározni, hogy melyik lábon melyik periféria legyen.
üdv.
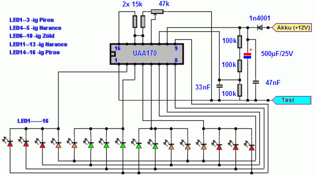
Ha nem lesz más, van 1 db UAA170, de a rajzod kell, nehogy annyi legyen neki...
Gyorsan daraboltam Paint-ben. Ezzel a megoldással megoldható. Az első UAA 180-nak az érzékenység potijával beállítod az első 12 ledet, a másodikkat meg úgy állítod be, hogy amikor végigér az első 12 leden a fény, akkor gyulladjon ki a 13. Lehet, hogy a bemeneti ellenállás értékekkel kicsit kísérletezned kell.
ez azért eléggé ágyúval verébre megoldás lenne, nem gondolod?
Akkor mindképp új nyákot kelene csinálnom ha nem venék UAA170-et? ÁÁ inkább maradok annál a megoldásnál, hogy valakitől veszek! Azért köszi a rajzot! Lehet egyszer majd megépítem!
Arra is figyeljetek hogy a170 fénycsíkos a 180 futópontos kijelzést valósít meg .
Fordítva nem? Én 180-nal dolgoztam és az volt sávos.
Ha egy-az-egyben akarod helyetesíteni akkor csak az UAA170 a jó! PIC-et nem tudsz berakni helyette mert eleve a lábkiosztás más! A PIC-et meg programoznod is kell! A PIC előnye hogy csúcsértéket is tárolhatsz vele, de az UAA170-est nem tudod kiváltani a már kész áramkörben. Próbálj a neten szétnézni hátha találsz olyan boltot ami árul még ilyen IC-t. Nekem van két UAA180-as jelenleg használaton kívül. Bár már egy kivezérlésmérő terveződik, csak az a baj hogy nem lehet logaritmikus beállítást csinálni vele (egy referencia feszültséget hasonlít össze a bejövő feszültséggel).
Helló!
Remélem tudsz segíteni nekem. Kellene nekem egy UAA 180-sa IC, és egy E277D-s IC. Ha tudsz valamit légyszi értesíts, ezen a címen: sperdifi@gmail.com Előre is köszi!
Helló!
Engem érdekelne egy UAA 180-as IC. Ráadásul sürgős is lenne mert elromlott a fordulatszám mérő, és abba pont egy UAA 180-as IC van. Ha tudsz nekem segíteni, légyszi értesíts, ezen a címen: sperdifi@gmail.com vagy telefonon:0630/3850146 Előre is köszi!
hello
annyi problémám lenne nekem is h ford.mérőt építettem volna uaa180-al de nemtalálok helyettesítő IC-t sehol vki esetleg tudna ajánlani helyette vmit? (az ÁK. már készen van)
Hqvideo honlapján:
UAA180 (nem rendelhető), helyettesítés: A277D (nem rendelhető), helyettesítés: UAA180 .... ![]() ![]()
hát oké kivez jelzőnél oké is lenne de ez egy ford. mérő lett volna.xd
jah meg az a277d-t már énis néztem de aztsem árulják már seholsem legalábbis én nemláttam. azért lett volna jó egy helyettesítő IC mert láttam sokan írták h az uaa180 hamar meghal
hát mindenesetre elég ritka IC én sztem
DDDD
Szia!
Trabant átfolyásméröben (bontóból 4-et hoztam egy 1000-esért) A277D van.Elvileg jó az UAA180 helyére.
Hali! Valaki tudna segíteni kiváltani az UAA170-es-t? Ezt a hőmérőt akarom megcsinálni, de ilyen IC-t nem tudok szerezni
Köszi a segítséget!hőmérő
Hello, Ha nem elégszel meg a 12LED-del, akkor kössed kaszkádba és használj A277D-t, uA180-at, vagy az LM3914-et
Én megelégszek, csak nem tudom, hogy így mit hova kössek... még nem nagyon merültem bele az IC-k világába.
|
Bejelentkezés
Hirdetés |











